2020年2季度末资本构成信息附表.pdf
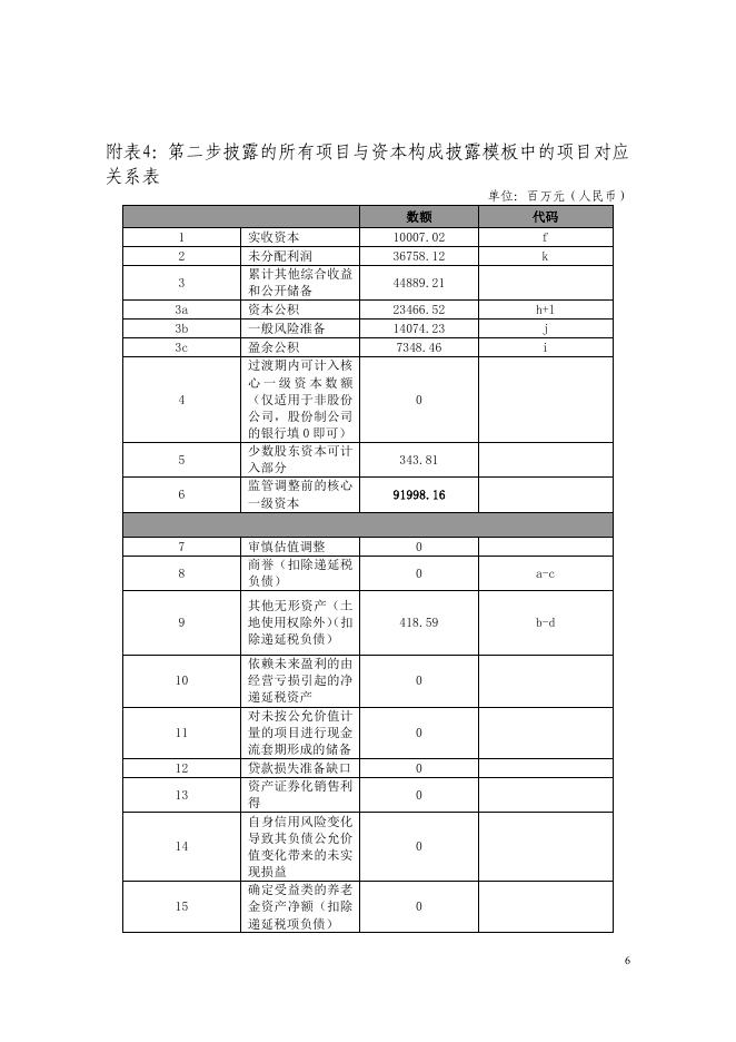
2020年2季度资本构成信息附表 附表1:资本构成披露模板 单位:百万元(人民币)、% 核心一级资本: 数额 1 实收资本 10007.02 2 留存收益 58180.81 2a 盈余公积 7348.46 2b 一般风险准备 14074.23 2c 未分配利润 36758.12 3 累计其他综合收益和公开储备 23466.52 3a 资本公积 23289.39 3b 其他 177.13 4 过渡期内可计入核心一级资本数额(仅适用于非股份公 司,股份制公司的银行填0即可) 5 少数股东资本可计入部分 343.81 6 监管调整前的核心一级资本 91998.16 核心一级资本:监管调整 0 数额 7 审慎估值调整 0 8 商誉(扣除递延税负债) 0 9 其他无形资产(土地使用权除外)(扣除递延税负债) 10 依赖未来盈利的由经营亏损引起的净递延税资产 0 11 对未按公允价值计量的项目进行现金流套期形成的储备 0 12 贷款损失准备缺口 0 13 资产证券化销售利得 0 14 自身信用风险变化导致其负债公允价值变化带来的未实 现损益 0 15 确定受益类的养老金资产净额(扣除递延税项负债) 0 16 直接或间接持有本银行的普通股 0 17 银行间或银行与其他金融机构间通过协议相互持有的核 心一级资本 0 418.59 1 18 19 对未并表金融机构小额少数资本投资中的核心一级资本 中应扣除金额 对未并表金融机构大额少数资本投资中的核心一级资本 中应扣除金额 0 0 20 抵押贷款服务权 0 21 其他依赖于银行未来盈利的净递延税资产中应扣除金额 0 22 23 24 对未并表金融机构大额少数资本投资中的核心一级资本 和其他依赖于银行未来盈利的净递延税资产的未扣除部 分超过核心一级资本15%的应扣除金额 其中:应在对金融机构大额少数资本投资中扣除的金 额 其中:抵押贷款服务权应扣除的金额 0 0 0 25 其中:应在其他依赖于银行未来盈利的净递延税资产 中扣除的金额 0 26a 对有控制权但不并表的金融机构的核心一级资本投资 0 26b 对有控制权但不并表的金融机构的核心一级资本缺口 0 26c 其他应在核心一级资本中扣除的项目合计 0 27 应从其他一级资本和二级资本中扣除的未扣缺口 0 28 核心一级资本监管调整总和 418.59 29 核心一级资本 91579.57 其他一级资本: 30 其他一级资本工具及其溢价 数额 9849.81 31 其中:权益部分 9849.81 32 其中:负债部分 0 33 过渡期后不可计入其他一级资本的工具 34 少数股东资本可计入部分 35 36 其中:过渡期后不可计入其他一级资本的部分 监管调整前的其他一级资本 其他一级资本:监管调整 37 38 39 40 直接或间接持有的本银行其他一级资本 银行间或银行与其他金融机构间通过协议相互持有的其 他一级资本 对未并表金融机构小额少数资本投资中的其他一级资本 应扣除部分 对未并表金融机构大额少数资本投资中的其他一级资本 0 45.84 0 9895.65 数额 0 0 0 0 2 41a 对有控制权但不并表的金融机构的其他一级资本投资 0 41b 对有控制权但不并表的金融机构的其他一级资本缺口 0 41c 其他应在其他一级资本中扣除的项目 0 42 应从二级资本中扣除的未扣缺口 0 43 其他一级资本监管调整总和 0 44 其他一级资本 9895.65 45 一级资本(核心一级资本+其他一级资本) 101475.22 二级资本: 数额 46 二级资本工具及其溢价 29000 47 过渡期后不可计入二级资本的部分 3600 48 少数股东资本可计入部分 91.68 49 其中:过渡期结束后不可计入的部分 0 50 超额贷款损失准备可计入部分 10625.74 51 监管调整前的二级资本 36117.42 二级资本:监管调整 52 53 54 直接或间接持有的本银行的二级资本 银行间或银行与其他金融机构间通过协议相互持有的二 级资本 对未并表金融机构小额少数资本投资中的二级资本应扣 除部分 数额 0 0 0 55 对未并表金融机构大额少数资本投资中的二级资本 0 56a 对有控制权但不并表的金融机构的二级资本投资 0 56b 有控制权但不并表的金融机构的二级资本缺口 0 56c 其他应在二级资本中扣除的项目 0 57 二级资本监管调整总和 0 58 二级资本 36117.42 59 总资本(一级资本+二级资本) 137592.64 60 总风险加权资产 937503.14 资本充足率和储备资本要求 数额 61 核心一级资本充足率 9.77% 62 一级资本充足率 10.82% 3 63 资本充足率 14.68% 64 机构特定的资本要求 2.5% 65 其中:储备资本要求 2.5% 66 其中:逆周期资本要求 0 67 其中:全球系统重要性银行附加资本要求 0 68 满足缓冲区的核心一级资本占风险加权资产的比例 4.77% 国内最低监管资本要求 数额 69 核心一级资本充足率 5% 70 一级资本充足率 6% 71 资本充足率 8% 门槛扣除项中未扣除部分 数额 72 对未并表金融机构的小额少数资本投资未扣除部分 85.98 73 对未并表金融机构的大额少数资本投资未扣除部分 5596.27 74 抵押贷款服务权(扣除递延税负债) 75 其他依赖于银行未来盈利的净递延税资产(扣除递延税负 债) 可计入二级资本的超额贷款损失准备的限额 0 5014.47 数额 76 权重法下,实际计提的贷款损失准备金额 23613.25 77 权重法下,可计入二级资本超额贷款损失准备的数额 10625.74 78 内部评级法下,实际计提的超额贷款损失准备金额 0 79 内部评级法下,可计入二级资本超额贷款损失准备的数额 0 符合退出安排的资本工具 数额 80 因过渡期安排造成的当期可计入核心一级资本的数额 0 81 因过渡期安排造成的不可计入核心一级资本的数额 0 82 因过渡期安排造成的当期可计入其他一级资本的数额 0 83 因过渡期安排造成的不可计入其他一级资本的数额 0 84 因过渡期安排造成的当期可计入二级资本的数额 900 85 因过渡期安排造成的当期不可计入二级资本的数额 3600 4 附表3:有关科目展开说明表 单位:百万元(人民币) 监管并表口径下的资产负债表 …… 商誉 无形资产 其中土地使用权 递延税所得税负债 其中:与商誉相关的递延税项负债 其中:与其他无形资产(不含土地 使用权)相关的递延税负债 …… 实收资本 其中:可计入核心一级资本的数额 其中:可计入其他一级资本的数额 ……资本公积 盈余公积 一般风险准备 未分配利润 其他综合收益 已发行债券 其中:可以计入二级资本的工具和溢价 数额 代码 0 418.59 0 0 0 a b 0 d 0 19856.83 10007.02 9849.81 23289.39 7348.46 14074.23 36758.12 177.13 29000 25400 c e f g h i j k l 5 附表4:第二步披露的所有项目与资本构成披露模板中的项目对应 关系表 单位:百万元(人民币) 1 2 3 3a 3b 3c 4 5 6 7 8 9 10 11 12 13 14 15 数额 代码 实收资本 未分配利润 累计其他综合收益 和公开储备 资本公积 一般风险准备 盈余公积 过渡期内可计入核 心一级资本数额 (仅适用于非股份 公司,股份制公司 的银行填 0 即可) 少数股东资本可计 入部分 监管调整前的核心 一级资本 10007.02 36758.12 f k 审慎估值调整 商誉(扣除递延税 负债) 0 其他无形资产(土 地使用权除外) (扣 除递延税负债) 依赖未来盈利的由 经营亏损引起的净 递延税资产 对未按公允价值计 量的项目进行现金 流套期形成的储备 贷款损失准备缺口 资产证券化销售利 得 自身信用风险变化 导致其负债公允价 值变化带来的未实 现损益 确定受益类的养老 金资产净额(扣除 递延税项负债) 44889.21 23466.52 14074.23 7348.46 h+l j i 0 343.81 91998.16 0 a-c 418.59 b-d 0 0 0 0 0 0 6 16 17 18 19 20 21 22 直接或间接持有本 银行的普通股 银行间或银行与其 他金融机构间通过 协议相互持有的核 心一级资本 对未并表金融机构 小额少数资本投资 中的核心一级资本 中应扣除金额 对未并表金融机构 大额少数资本投资 中的核心一级资本 中应扣除金额 抵押贷款服务权 其他依赖于银行未 来盈利的净递延税 资产中应扣除金额 对未并表金融机构 大额少数资本投资 中的核心一级资本 和其他依赖于银行 未来盈利的净递延 税资产的未扣除部 分超过核心一级资 本 15%的应扣除金 额 0 0 0 0 0 0 0 23 其中:应在对金融 机构大额少数资本 投资中扣除的金额 0 24 其中:抵押贷款服 务权应扣除的金额 0 25 26a 26b 其中:应在其他依 赖于银行未来盈利 的净递延税资产中 扣除的金额 对有控制权但不并 表的金融机构的核 心一级资本投资 对有控制权但不并 表的金融机构的核 心一级资本缺口 0 0 0 7 26c 27 28 29 30 31 32 33 34 35 36 37 38 39 40 41a 41b 其他应在核心一级 资本中扣除的项目 合计 应从其他一级资本 和二级资本中扣除 的未扣缺口 核心一级资本监管 调整总和 核心一级资本 其他一级资本工具 及其溢价 其中:权益部分 其中:负债部分 过渡期后不可计入 其他一级资本的工 具 少数股东资本可计 入部分 其中:过渡期后不 可计入其他一级资 本的部分 监管调整前的其他 一级资本 直接或间接持有的 本银行其他一级资 本 银行间或银行与其 他金融机构间通过 协议相互持有的其 他一级资本 对未并表金融机构 小额少数资本投资 中的其他一级资本 应扣除部分 对未并表金融机构 大额少数资本投资 中的其他一级资本 对有控制权但不并 表的金融机构的其 他一级资本投资 对有控制权但不并 表的金融机构的其 他一级资本缺口 0 0 418.59 91579.57 9849.81 9849.81 0 0 45.84 0 9895.65 0 0 0 0 0 0 8 41c 42 43 44 45 46 47 48 49 50 51 52 53 54 55 56a 56b 56c 其他应在其他一级 资本中扣除的项目 应从二级资本中扣 除的未扣缺口 其他一级资本监管 调整总和 其他一级资本 一级资本(核心一 级 资本+其 他一 级 资本) 二级资本工具及其 溢价 过渡期后不可计入 二级资本的部分 少数股东资本可计 入部分 其中:过渡期结束 后不可计入的部分 超额贷款损失准备 可计入部分 监管调整前的二级 资本 直接或间接持有的 本银行的二级资本 银行间或银行与其 他金融机构间通过 协议相互持有的二 级资本 对未并表金融机构 小额少数资本投资 中的二级资本应扣 除部分 对未并表金融机构 大额少数资本投资 中的二级资本 对有控制权但不并 表的金融机构的二 级资本投资 有控制权但不并表 的金融机构的二级 资本缺口 其他应在二级资本 中扣除的项目 0 0 0 9895.65 101475.22 29000 3600 91.68 0 10625.74 36117.42 0 0 0 0 0 0 0 9 57 58 59 二级资本监管调整 总和 二级资本 总资本(一级资本+ 二级资本) 0 36117.42 137592.64 10 附表5:资本工具主要特征 序号 资本工具主要特征 股本 优先股 优先股 1 发行机构 南京银行 南京银行 南京银行 2 标识码 601009 360019 360024 3 适用法律 中国大陆 中国大陆 中国大陆 其他一级资本 其他一级资本 其他一级资本 其他一级资本 法人/集团 法人/集团 法人/集团 监管处理 4 5 6 其中:适用《商业银行资本管理办 核心一级资 法(试行)》过渡期规则 本 其中:适用《商业银行资本管理办 核心一级资 法(试行)》过渡期结束后规则 本 其中:适用法人/集团层面 7 工具类型 股本 优先股 优先股 8 可计入监管资本的数额(单位为百万, 最近一期报告日) 10,007 4,874 4,976 9 工具面值(单位为百万,最近一期报告 日) 10,007 4,900 5,000 10 会计处理 股本 其他权益工具 其他权益工具 11 初始发行日 不适用 2015 年 12 月 23 日 2016 年 9 月 5 日 12 是否存在期限(存在期限或永续) 永续 永续 永续 其中:原到期日 无到期日 无到期日 无到期日 14 发行人赎回(须经监管审批) 不适用 是 是 13 其中:赎回日期(或有时间赎回日 15 期)及额度(单位为百万) 不适用 16 不适用 其中:后续赎回日期(如果有) 自发行之日起 5 年后,经中国银监会批准 自发行之日起 5 年后,经中国银监会批准 并符合相关要求,本公司有权赎回全部或 并符合相关要求,本公司有权赎回全部或 部分本次优先股 部分本次优先股 自发行之日起 5 年后,经中国银监会批准 自发行之日起 5 年后,经中国银监会批准 并符合相关要求,本公司有权赎回全部或 并符合相关要求,本公司有权赎回全部或 部分本次优先股 部分本次优先股 11 分红或派息 采用可分阶段调整的股息率,自缴款截止 采用可分阶段调整的股息率,自缴款截止 日起每五年为一个计息周期,每个计息周 日起每五年为一个计息周期,每个计息周 期内股息率相同。在重定价日,将确定未 期内股息率相同。在重定价日,将确定未 来新的一个计息周期内的股息率水平,确 来新的一个计息周期内的股息率水平,确 定方式为根据重定价日的基准利率加首次 定方式为根据重定价日的基准利率加首次 定价时所确定的固定溢价得出。 定价时所确定的固定溢价得出。 17 其中:固定或浮动派息/分红 浮动分红 18 其中:票面利率及相关指标 不适用 首个股息率调整周期股息率为 4.58% 首个股息率调整周期股息率为 3.9% 19 其中:是否存在股息制动机制 否 是 是 20 其中:是否可自主取消分红或派息 完全自由裁 量 是 是 21 其中:是否有赎回激励机制 否 否 否 22 其中:累计或非累计 非累计 非累计 非累计 不适用 是 是 23 是否可转股 24 其中:若可转股,则说明转换触发 条件 不适用 (1)当其他一级资本工具触发事件发生 (1)当其他一级资本工具触发事件发生 时,即核心一级资本充足率降至 5.125%(或 时,即核心一级资本充足率降至 5.125% 以下)时,公司有权在无需获得优先股股 (或以下)时,公司有权在无需获得优先 东同意的情况下将本次优先股按照票面总 股股东同意的情况下将本次优先股按照票 金额全额或部分转为 A 股普通股,并使公 面总金额全额或部分转为 A 股普通股,并 司的核心一级资本充足率恢复到 5.125%以 使公司的核心一级资本充足率恢复到 上。在部分转股情形下,本次优先股按同 5.125%以上。在部分转股情形下,本次优 等比例、以同等条件转股。 先股按同等比例、以同等条件转股。 (2)当二级资本工具触发事件发生时,公 (2)当二级资本工具触发事件发生时,公 司有权在无需获得优先股股东同意的情况 司有权在无需获得优先股股东同意的情况 下将届时已发行且存续的本次优先股按票 下将届时已发行且存续的本次优先股按票 面总金额全额转为 A 股普通股。其中,二 面总金额全额转为 A 股普通股。其中,二 级资本工具触发事件是指以下两种情形的 级资本工具触发事件是指以下两种情形的 较早发生者:①中国银监会认定若不进行 较早发生者:①中国银监会认定若不进行 转股或减记,公司将无法生存。②相关部 转股或减记,公司将无法生存。②相关部 12 门认定若不进行公共部门注资或提供同等 门认定若不进行公共部门注资或提供同等 效力的支持,公司将无法生存。 效力的支持,公司将无法生存。 25 其中:若可转股,则说明全部转股 还是部分转股 不适用 26 其中:若可转股,则说明转换价格 确定方式 不适用 其中:若可转股,则说明是否为强 制性转换 其中:若可转股,则说明转换后工 28 具类型 其中:若可转股,则说明转换后工 29 具的发行人 27 其他一级资本工具触发事件发生时可全部 其他一级资本工具触发事件发生时可全部 或部分转股。二级资本工具触发事件发生 或部分转股。二级资本工具触发事件发生 时全部转股 时全部转股 以审议本次优先股发行的董事会决议公告 以审议本次优先股发行的董事会决议公告 日前二十个交易日本行 A 股普通股股票 日前二十个交易日本行 A 股普通股股票 交易均价为初始转股价格 交易均价为初始转股价格 不适用 是 是 不适用 核心一级资本 核心一级资本 不适用 南京银行 南京银行 30 是否减记 不适用 不适用 不适用 31 不适用 不适用 不适用 不适用 不适用 不适用 不适用 不适用 不适用 不适用 不适用 不适用 其中:若减记,则说明减记触发点 其中:若减记,则说明部分减记还 是全部减记 其中:若减记,则说明永久减记还 33 是暂时减记 其中:若暂时减记,则说明账面价 34 值恢复机制 32 35 清算时清偿顺序(说明清偿顺序更高级 的工具类型) 36 是否含有暂时的不合格特征 其中:若有,则说明该特征 最后 在存款人、一般债权和二级资本工具之后,在存款人、一般债权和二级资本工具之后, 普通股之前 普通股之前 否 否 否 不适用 不适用 不适用 13 续: 序号 资本工具主要特征 次级债 1 发行机构 南京银行 2 标识码 1120009 3 适用法律 中国大陆 监管处理 其中:适用《商业银行资本管理 4 二级资本 办法(试行)》过渡期规则 其中:适用《商业银行资本管理 5 不计入 办法(试行)》过渡期结束后规则 6 其中:适用法人/集团层面 法人/集团 7 工具类型 次级债 可计入监管资本的数额(单位为百 8 900 万,最近一期报告日) 工具面值(单位为百万,最近一期报 9 4,500 告日) 10 会计处理 已发行债务证券 11 初始发行日 2011 年 11 月 18 日 12 是否存在期限(存在期限或永续) 存在期限 13 其中:原到期日 2026 年 11 月 21 日 14 发行人赎回(须经监管审批) 是 其中:赎回日期(或有时间赎回 2021 年 11 月 20 日, 15 日期)及额度(单位为百万) 全额 16 其中:后续赎回日期(如果有) 不适用 分红或派息 17 其中:固定或浮动派息/分红 固定利率 二级资本债 南京银行 1620006 中国大陆 二级资本债 南京银行 1920091 中国大陆 二级资本 二级资本 二级资本 二级资本 法人/集团 二级资本工具 法人/集团 二级资本工具 10,000 5,000 10,000 5,000 已发行债务证券 2016 年 1 月 26 日 存在期限 2026 年 1 月 28 日 是 已发行债务证券 2019 年 12 月 26 日 存在期限 2029 年 12 月 30 日 是 2021 年 1 月 28 日,全额 2024 年 12 月 30 日,全额 不适用 不适用 固定利率 固定利率 14 18 19 其中:票面利率及相关指标 其中:是否存在股息制动机制 其中:是否可自主取消分红或派 6.00% 否 4.17% 否 4.01% 否 否 否 否 21 其中:是否有赎回激励机制 22 其中:累计或非累计 23 是否可转股 其中:若可转股,则说明转换触 24 发条件 其中:若可转股,则说明全部转 25 股还是部分转股 其中:若可转股,则说明转换价 26 格确定方式 其中:若可转股,则说明是否为 27 强制性转换 其中:若可转股,则说明转换后 28 工具类型 其中:若可转股,则说明转换后 29 工具的发行人 30 是否减记 否 非累计 否 否 非累计 否 否 非累计 否 不适用 不适用 不适用 不适用 不适用 不适用 不适用 不适用 不适用 不适用 不适用 不适用 不适用 不适用 不适用 不适用 不适用 不适用 否 是 20 31 32 息 其中:若减记,则说明减记触发 点 其中:若减记,则说明部分减记 不适用 不适用 是 以下两者中的较早者:(1)中国银 以下两者中的较早者:(1)银监 行保险监督管理委员会认定若不进 会认定若不进行减记发行人将无 行减记发行人将无法生存;(2)相 法生存;(2)相关部门认定若不 关部门认定若不进行公共部门注资 进行公共部门注资或提供同等效 或提供同等效力的支持发行人将无 力的支持发行人将无法生存。 法生存。 全部减记 全部减记 15 还是全部减记 其中:若减记,则说明永久减记 33 还是暂时减记 其中:若暂时减记,则说明账面 34 价值恢复机制 不适用 永久减记 永久减记 不适用 不适用 不适用 本期债券本金的清偿顺序和利息 本期债券本金和利息的清偿顺序均 支付顺序在存款人和一般债权人 在存款人和一般债权人之后,股权资 之后,股权资本、其他一级资本 本、其他一级资本工具和混合资本债 工具和混合资本债券之前;本期 券之前;本期债券与发行人已发行的 债券与发行人已发行的与本期债 清偿顺序列于发行人 与本期债券偿还顺序相同的其他次 清算时清偿顺序(说明清偿顺序更高 券偿还顺序相同的其他次级债务 35 其他负债之后,先于 级债务处于同一清偿顺序,与未来可 级的工具类型) 处于同一清偿顺序,与未来可能 发行人股权资本。 能发行的与本期债券偿还顺序相同 发行的与本期债券偿还顺序相同 的其他二级资本工具同顺序受偿;除 的其他二级资本工具同顺序受 非发行人进入破产清算程序,否则投 偿。除非发行人结业、倒闭或清 资者无权要求加快偿付未来到期债 算,投资者不能要求发行人加速 务(本金或利息)。 偿还本期债券的本金。 36 是否含有暂时的不合格特征 是 否 否 其中:若有,则说明该特征 不含减记和转股条款 不适用 不适用 16 续: 序号 资本工具主要特征 1 发行机构 2 标识码 3 适用法律 监管处理 其中:适用《商业银行资本管理 4 办法(试行)》过渡期规则 其中:适用《商业银行资本管理 5 办法(试行)》过渡期结束后规则 6 其中:适用法人/集团层面 7 工具类型 可计入监管资本的数额(单位为百 8 万,最近一期报告日) 工具面值(单位为百万,最近一期报 9 告日) 10 会计处理 11 初始发行日 12 是否存在期限(存在期限或永续) 13 其中:原到期日 14 发行人赎回(须经监管审批) 其中:赎回日期(或有时间赎回 15 日期)及额度(单位为百万) 16 其中:后续赎回日期(如果有) 分红或派息 二级资本债 南京银行 2020022 中国大陆 二级资本 二级资本 法人/集团 二级资本工具 9500 9500 已发行债务证券 2020 年 4 月 16 日 存在期限 2030 年 4 月 20 日 是 2025 年 4 月 20 日,全额 不适用 17 17 18 19 其中:固定或浮动派息/分红 其中:票面利率及相关指标 其中:是否存在股息制动机制 其中:是否可自主取消分红或派 固定利率 3.39% 否 21 其中:是否有赎回激励机制 22 其中:累计或非累计 23 是否可转股 其中:若可转股,则说明转换触 24 发条件 其中:若可转股,则说明全部转 25 股还是部分转股 其中:若可转股,则说明转换价 26 格确定方式 其中:若可转股,则说明是否为 27 强制性转换 其中:若可转股,则说明转换后 28 工具类型 其中:若可转股,则说明转换后 29 工具的发行人 30 是否减记 否 非累计 否 20 息 否 不适用 不适用 不适用 不适用 不适用 不适用 是 以下两者中的较早者:(1)中国银行 保险监督管理委员会认定若不进行减 其中:若减记,则说明减记触发 31 记,发行人将无法生存;(2)相关部 点 门认定若不进行公共部门注资或提供 同等效力的支持,发行人将无法生存。 32 其中:若减记,则说明部分减记 全部减记 18 还是全部减记 其中:若减记,则说明永久减记 33 还是暂时减记 其中:若暂时减记,则说明账面 34 价值恢复机制 永久减记 不适用 本期债券本金和利息的清偿顺序均在 存款人和一般债权人之后,股权资本、 其他一级资本工具和混合资本债券之 前;本期债券与发行人已发行的与本 期债券偿还顺序相同的其他次级债务 清算时清偿顺序(说明清偿顺序更高 35 处于同一清偿顺序,与未来可能发行 级的工具类型) 的与本期债券偿还顺序相同的其他二 级资本工具同顺序受偿;除非发行人 进入破产清算程序,否则投资者无权 要求加快偿付未来到期债务(本金或 利息)。 36 是否含有暂时的不合格特征 否 其中:若有,则说明该特征 不适用 19

2020年2季度末资本构成信息附表.pdf




