施耐德Altivar 11变频器说明书
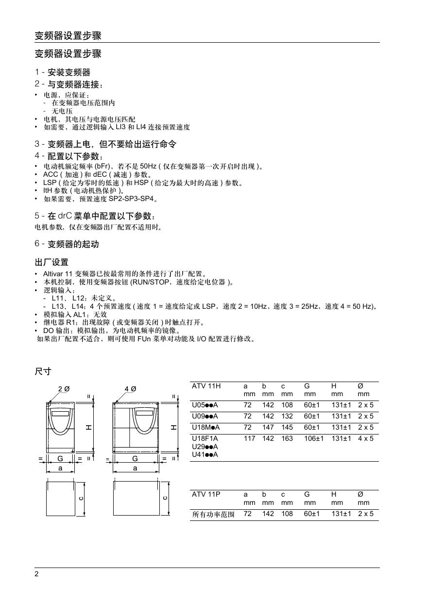
Altivar 11 Telemecanique ! !"#$% ATV 11ppppppA ! Building a New Electric World ణ Վೕഗยዃօየ .............................................................................................. 2 ยዃ ......................................................................................................... 2 ྔႚ٫ ......................................................................................................... 2 Ҿጎࢅ࿒܈ཉॲ .............................................................................................. 3 থ၍܋ጱ ......................................................................................................... 4 থ၍ ............................................................................................................ 5 ၂๖ೡࢅӀ॰ࠀీ .......................................................................................... 6 ֖ຕຫ ......................................................................................................... 7 ࠤቱljᇱᅺljਦӸ݆ ................................................................................. 13 1 Վೕഗยዃօየ Վೕഗยዃօየ 1 - ҾጎՎೕഗ 2 - ᇑՎೕഗথǖ • ۉᇸLjᆌԍኤǖ - ሞՎೕഗۉუాྷݔ - ۉუ • ۉऐLjഄۉუᇑۉᇸۉუದ • සႴᄲLjཚࡗஇड LI3 ࢅ LI4 থᇨዃ܈ 3 - ՎೕഗฉۉLjڍփᄲߴሏႜంସ 4 - ದዃᅜူ֖ຕǖ ۯۉऐۨܮೕ୲ (bFr)Ljැփ 50Hz ( ৈሞՎೕഗڼᅃْਸഔ้၄ )ă ACC ( े ) ࢅ dEC ( ३ ) ֖ຕă LSP ( ߴۨྺଭ้گڦ ) ࢅ HSP ( ߴۨྺፌߛڦ้ٷ ) ֖ຕă ItH ֖ຕ ( ۯۉऐඤԍࢺ )ă සࡕႴᄲLjᇨዃ ܈SP2-SP3-SP4ă • • • • • 5 - ሞ drC ֓ڇዐದዃᅜူ֖ຕǖ ۉऐ֖ຕLjৈሞՎೕഗದዃփᆩ้ă 6 - Վೕഗڦഐۯ ยዃ • Altivar 11 ՎೕഗᅙӀፌᆩڦཉॲႜକದዃă • Ԩऐ੦Lj๑ᆩՎೕഗӀ౧ (RUN/STOPLjۉۨߴ܈࿋ഗ )ă • இडǖ - L11Ă L12ǖ࿄ۨᅭă - L13Ă L14ǖ4 ߲ᇨዃ ( ܈ ܈1 = ۨߴ܈ई LSPLj ܈2 = 10HzLj ܈3 = 25HzLj ܈4 = 50 Hz)ă • ఇె AL1ǖၳ • ीۉഗ R1ǖ၄ࠤቱ ( ईՎೕഗ࠲Կ ) ้ٶۅةਸă • DO ǖఇెLjྺۯۉऐೕ୲ڦၟă සࡕದዃփࢇLjሶ๑ᆩ FUn ֓ీࠀܔڇत I/O ದዃႜႪ߀ă 2 a b mm mm c mm G mm H mm U05ppA 72 142 108 60±1 131±1 2 x 5 U09ppA 72 142 132 60±1 131±1 2 x 5 H U18MpA 72 147 145 60±1 131±1 2 x 5 U18F1A U29ppA U41ppA 117 142 163 106±1 131±1 4 x 5 ATV 11P a b mm mm c mm G mm H mm ᆶࠀ୲ྷݔ 72 108 60±1 131±1 2 x 5 = H = G a = c = = G a c = ATV 11H 4 = 2 = ٫ 142 Ø mm Ø mm Ҿጎ Ҿጎࢅ࿒܈ཉॲ ≥ 50 mm ≥d ≥d ؽҾጎLjሎֶĠ 10˚C փᄲ੍ৎ݀ඤᇮॲҾጎă ାፁࠕڦक़ᅜඓԍૐඐႴڦഘీࠕٗยԢڹևၠۥևୁཚă ยԢമڦݛक़ਐǖณ 10mmă ړIP20 ڪࢺݞपፁࠕ้LjॺᅱָأՎೕഗۥևڦԍࢺ߃Ljසူ๖ă ≥ 50 mm • ٗ -10˚C ڟ40˚C: • d ≥ 50 mmǖ༬ጀᅪ๚ၜă • d = 0 ( ժಇҾጎ )ǖָأՎೕഗۥևڦԍࢺ߃Ljසူ๖ ( ڪࢺݞपՎྺ IP20)ă • d ≥ 50 mmǖָأՎೕഗۥևڦԍࢺ߃Ljසူ๖ ( ڪࢺݞपՎྺ IP20)ă • d ≥ 50 mmǖָأՎೕഗۥևڦԍࢺ߃Ljසူ๖ ( ڪࢺݞपՎྺ IP20)Lj 50˚C ᅜฉ ืߛ 1˚C Վೕഗୁۉۨܮই گ2.2%ă • ٗ 40˚C ڟ50˚C: • ٗ 50˚C ڟ60˚C: ሞยԢฉҾጎՎೕഗ ATV 11PppppppA ᅃዖᅜҾጎሞߒई୩ॐฉ ( ईాև ) ڦՎೕഗLjᆌፏᅜူཉॲǖ ፌߛ࣍ৣ࿒܈ǖ40˚C ؽҾጎǖሎֶĠ 10˚ ՎೕഗՂႷҾጎሞኧॐ ( ॐ ) ڦዐᄕLjኧॐณྺ 10mm ࢩLjኧॐԓᇀഘዐߒኧॐڦፌၭૐඐ௬ओྺ 0.12m2Lj୩ኧॐڦፌၭૐඐ௬ओ 0.09m2ă ॐฉྺՎೕഗे߾ڦኧ௬ ( ፌၭ 142 ġ 72 ) ഄ௬࠼ল܈ፌ ྺٷ100µmLj֢ٚ܈ፌ ྺٷ3.2µmă ൟൟٶఉஅ࿖ඁأறِă ሞՎೕഗڦኧ௬ཱڞඤᆳኬ ( ईૌຼ༺پ )ă m 131 mm ≥10 m 2 ߲அ࿖ ØM5 S ≥142 mm ᆩ 2 ߲ M5 அີ ( փ༵ ࠃ ) ࠦۨՎೕഗă ፌၭे߾ ൶ᇘ 60 mm ≥72 mm ཚࡗॠֱ tHd ֖ຕ DŽSUP ֓ڇDžඓණՎೕഗڦඤጒༀLjܸٗಒՎೕഗޏኟඓҾጎă 3 থ၍܋ጱ ۯ૰܋ጱ ፌٷথీ૰ AWG Altivar ATV 11p ࠦ૰ਈLjNm mm2 U05ppA, U09ppA, U18MpA AWG 14 1.5 0.75 U18F1A, U29ppA, U41ppA AWG 10 4 1 ۉᇸ ۉᇸ ۉऐ ۯఇ ۯఇ ۉऐ RC RA ࿄๑ᆩ 0V AI 1 +5V DO LI 1 LI 2 LI 3 LI 4 + 15V ੦܋ጱڦքዃĂࡀ߭ࢅࠀీ - ፌٷথీ૰ǖ 1.5 mm2 - AWG 16 - ፌٷࠦ૰ਈǖ 0.5 Nm. ܋ጱ RC RA ࠀీ ۉഘ༬Ⴀ ࠤቱीۉഗۅة ( ၄ࠤቱईՎೕഗࢫۉ ਸୟ ) ፌၭਸ࠲ీ૰ǖܔᇀୁ 24V ྺ 10mA ፌٷਸ࠲ీ૰ǖ ĄߌႠሜ (cosϕ= 0.4 - L/R = 7ms) ူLjܔᇀୁ 250V ࢅ ୁ 30V ྺ 2A ĄፆႠሜ (cosϕ= 1 - L/R = 0) ူLjܔᇀୁ 250V ࢅ ୁ 30V ྺ 5A 0V 0V I/O ࠅࠌ܋ AI1 ۉუईୁۉఇె ఇె 0 + 5V ई 0 +10Vǖፆੇ 40kΩLjፌߛ 30Vă ఇె 0 - 20mA ई 4 - 20m Aǖፆੇ 250Ω ( ेۉፆ )ă +5V 2.2 10kΩ ߴۨۉ࿋ഗڦ ۉᇸ • ܈ǖ-0 + 5% Ąፌୁۉٷǖ10mA DO ದዃྺఇెईஇड 2kHz ူ ڦPWM णۉटਸୟఇె Ąۉუ 30VLjፆੇ 1kΩLjፌ ٷ10mAă णۉटਸୟஇडǖ Ąۉუፌߛ 30VLjፆੇ 100kΩLjፌ ٷ50mAă LI1 LI2 LI3 LI4 Պײஇड • ۉᇸ + 15V ( ፌߛ 30V )Ljፆੇ 5KΩ ĄܔᇀኟஇडLjǘ 5V ྺ 0Ljǚ 11V ྺ 1 ĄܔᇀஇडLjǘ 5V ྺ 1Ljǚ 11V ईୟ ( থ ) ྺ 0 + 15V இडۉᇸ +15V Ġ 15% ܌ݞୟईࡗሜԍࢺă ፌٷ༵ࠃ 100mA ୁۉă 4 থ၍ ยۨڦথ၍ • ۉᇸ၍܋ጱሞۥևLjۉऐ܋ڦጱሞڹև • ံথۯ૰܋ጱLjምথ੦܋ጱ ڇ၎ۉᇸ 100...120 V N L1 ATV11ppppF1A L1 ATV11ppppM2A L2 ڇ၎ۉᇸ 200...240 V ෙ၎ۉᇸ 200...230 V L3 LI4 +15 V DO LI2 LI3 0V AI1 LI1 +5V PC / - PA / + W + PB a PA W1 V U V1 U1 RC (1) RA L1 L2 (2) ATV11ppppM3A (3) M 3 ෙ၎ۉऐ 200...230 V ۯఇࢅۉፆLjॲ (1) ࠤቱीۉഗۅةLjᆩᇀՎೕഗጒༀڦᇺײኸ๖ă (2) ాև +15V ۉᇸăසࡕ๑ᆩྔևۉᇸ (ፌ ٷ+24V )Ljᆌॽۉᇸ 0V থڟՎೕഗ ڦ0V܋ጱฉLjփᄲ๑ᆩՎೕഗฉ ڦ+15V ܋ጱă (3) ۉ࿋ഗईۉگೝीۉഗă ጀᅪǖܔᇀሞՎೕഗৎईথሞཞᅃۉୟฉڦᆶߌႠۉୟ ( ीۉഗĂথةഗĂ ) ڪ݅ىۉᆌҾጎ߅ඡᅞഗ ၎࠲ፇॲڦስǖ ९ Altivar 11 ׂణă 5 ၂๖ೡࢅӀ॰ࠀీ ၂๖ೡࢅӀ॰ࠀీ • ཽڇ֓ई֖ຕLjईኁዐ ኹړമ၂๖ኵLjా࣮ݓ٪ ዐံڦമኵ • 3 ࿋ Đ7 đ ၂๖ೡ Altivar 11 • గᅃ֓ڇई֖ຕLjईኁ ԍ٪၂๖֖ڦຕईኵ ESC ENT • ገူڟᅃ֓ڇई֖ຕLjईኁ ३ณ၂๖ኵ • ࣮ݓമᅃ֓ڇई֖ຕLjईኁ ሺे၂๖ኵ RUN STOP • STOP Ӏ౧ǖ๔ዕ੦ۯۉ ऐڦཕኹă - සࡕ tCC ( Fun ֓ ) ڇ࿄ ԥದዃྺ LOCLjሶྺጲ ᆯཕכă - සࡕ tCC ( Fun ֓ ) ڇԥ ದዃྺ LOCLjሶӀၽೢ ཕכLjڍසࡕጀୁ ۯኟሞႜLjሶྺጲ ᆯཕכă • RUN Ӏ౧ǖසࡕ FUn ֓ڇዐ ڦtCC ֖ຕԥยዃྺ LOCLjሶ ੦ۉऐڦኟၠሏႜ ߴۨۉ࿋ഗǖසࡕ֓ ڇFUn ዐ֖ڦຕ LSr ದዃྺ LOCLjሶྺᆶၳ Ӏ ई ԍ٪ၜǖ ENT ਉ૩ǖ ֖ຕ փܔၜႜ٪ئă ኵईದዃ ኵԥԍ٪้၂๖ೡຮă ENT ACC 015 ESC ESC dEC ( ူᅃ֖ຕ ) 026 1 ْຮ ( ԍ٪ ) 026 ENT ኟ၂๖Ljࠤቱ٪ሞഐۯంସǖ - rdYǖՎೕഗጚԢ৽Ⴣ - 43.0ǖ၂๖ሞ SUP ֓ڇዐ֖ۨڦຕ ( ඍูስǖೕ୲ߴۨ ) - dcbǖኟሞႜୁጀۯ - nSTǖጲᆯཕכ සࡕᆶࠤቱLj၂๖ೡຮă 6 ֖ຕຫ ڼ1 पۙኝ֖ຕ ၂๖Վೕഗጒༀ XXX bFr ֓ڇǖۯۉऐ੦ drC ֓ڇǖᆌᆩࠀీ Fun ֓ڇǖ॔ SUP ESC ڼ1 पۙኝ֖ຕ ESC ESC ֓ڇ ESC ӣዐ֖ڦຕৈړՎೕഗཕኹ้ۨ֍ᅜႪ߀ă ᅽᆖ֖ڦຕᅜሞՎೕഗሏႜईཕऐ้Ⴊ߀ă پஓ bFr ຫ ۯۉऐೕ୲ ۙኝྷݔ 50 Hz ई 60 Hz ยۨ 50 ُ֖ຕኻሞՎೕഗ้ۉेْ؛၄ă ሞ FUn ֓ڇዐໜ้Ⴊ߀ă ACC ेၽೢ้क़ 0.1 s 99.9 s 3 dEC ྷݔǖٗ 0Hz ۯۉڟऐۨܮೕ୲ FrS (drC ֓ڇዐ֖ڦຕ ) 0.1 s 99.9 s ३ၽೢ้क़ 3 ྷݔǖٗۯۉऐۨܮೕ୲ FrS (drC ֓ڇዐ֖ڦຕ ) ڟ0Hz LSP گ 0 Hz HSP 0 LSP 200 Hz = bFr ۯۉऐೕ୲ ڟ0 HSP ߛ ۯۉऐೕ୲ڟፌۨߴٷኵă ॠֱඓණُยዃࢇᇀۯۉऐࢅᆌᆩࢇׇă . ItH 0 1.5 In (1) ۯۉऐඤୁۉ ᆩᇀۯۉऐඤԍࢺୁۉڦăॽ ItH ยྺۯۉऐఀಈฉՔୁۉۨܮڦă ߵՎೕഗۨܮኵ ړՎೕഗԥ࠲ฉ้Ljඤጒༀۯۉऐ٪ئഗڟ࣮ݓଭă ڼ2 ᇨዃ( ܈2) ڼ3 ᇨዃ( ܈2) 0.0 200 Hz 10 SP3 0.0 200 Hz 25 SP4 ڼ4 ᇨዃ( ܈2) 0.0 200 Hz 50 AIt ದዃఇె 5U, 10U, 0A, 4A 5U SP2 -5U: ۉუ 0-5 ా ( ޚևࠃ) ۉ -10U: ۉუ 0-10 ྔ ( ޚևࠃ) ۉ - 0A: ୁۉ0-20mA -4A: ୁۉ4-20mA (1) In = Վೕഗୁۉۨܮ (2) ৈړ၎࠲ࠀీԍାྺยۨईᅙሞ FUn ֓ڇዐႜዘႎದዃࢫLjᇨዃ֍܈၄ă 7 ֖ຕຫ ۯۉऐ੦֓ ڇdrC ENT drC ENT UnS ESC ኵ ۯۉऐۉۨܮუ ኵ ۯۉऐ୲ࠀۨܮᅺຕ cosϕ ESC ENT ESC COS ESC ӣዐ֖ڦຕৈړՎೕഗཕኹ้ۨ֍ᅜႪ߀ă ᅽᆖ֖ڦຕᅜሞՎೕഗሏႜईཕऐ้Ⴊ߀ă ཚࡗۯۉऐఀಈฉڦኵܔՎೕഗႠీႜᆫࣅ پஓ ຫ UnS ఀಈฉՔጀۯۉڦऐۉۨܮუ FrS ఀಈฉՔጀۯۉڦऐۨܮೕ୲ StA ೕ୲࣍࿘ۨႠ ۙኝྷݔ 100 500 V ยۨ 40 200 Hz ߵۨܮኵ 50 / 60Hz ߵ bFr ඓۨ ཕऐ้ྺ 0 100% ሏႜ้ྺ 1 100% 20 ཕऐ้ྺ 0 100% ሏႜ้ྺ 1 100% 20 ኵࡗߛǖݒၚ้क़ჽă ኵࡗگǖגLjీփ࿘ۨă FLG ೕ୲࣍ሺᅮ ኵࡗگǖגLjీփ࿘ۨă . ኵࡗߛǖݒၚ้क़ჽă 0 200% IR ց ᆩᇀᆫࣅ܈टڦ้گ૰ਈLjईᆌ༬൧ ( ૩සǖ ܔᇀժۯۉڦऐLjᆌই گUfr )ă nCr ఀಈฉՔጀۯۉڦऐୁۉۨܮ 0.25 1.5 In (1) UFr 50 ߵۨܮኵ CLI ၌ୁۉ 0.5 1.5 In (1) 1.5 In nSL ۯۉऐۨܮገֶ୲ 0 10.0 Hz ߵۨܮኵ 0 150% nSL 100 ߵࠅ๕ǖ nSL = ֖ຕ FrS ġ (1 - Nn/Ns) ऺ໙ Nn = ఀಈฉՔጀۯۉڦऐۨܮገ Ns = ۯۉऐཞօገ SLP ࣂֶց ᆩᇀሞۯۉऐۨܮೋᅎ nSL ยۨኵፑᆸۙኝࣂֶցLjईᆌ༬൧ ( ૩සǖܔᇀժۯۉڦऐLj ᆌই گSLP)ă ߵۨܮኵ COS ఀಈฉՔጀۯۉڦऐ୲ࠀۨܮᅺຕ cosϕ 0.50 1.00 (1) In = Վೕഗୁۉۨܮ 8 ֖ຕຫ ᆌᆩࠀీ֓ ڇFUn ENT FUn ESC ੦ૌ႙ tCC ENT ESC ESC ESC FCS ದዃ༵๖ ENT ӣዐ֖ڦຕৈړՎೕഗཕऐ้ۨ֍ᅜႪ߀ă ᅽᆖ֖ڦຕᅜሞՎೕഗሏႜईཕऐ้Ⴊ߀ă پஓ tCC ߾ยዃ ຫ ੦ૌ႙ ACt 2C = 2 ၍੦ 3C= 3 ၍੦ LOC LOC = Ԩऐ੦ ( Վೕഗ RUN/STOP ( ሏႜ / ཕኹ )) 2 ၍੦ǖڦ܋ਸୟࢅԿࢇጒༀ੦ ሏႜࢅཕכă +15 V LI1 LIx থ၍๖૩ LI1: ኟၠ LIx: ݒၠ 3 ၍੦ ( ஞ؋੦ )ǖᅃ߲ Đኟၠđई Đݒၠđஞ؋ፁᅜ੦ഐۯLjᅃ ߲ Đཕכđஞ؋ፁᅜ੦ཕכă থ၍๖૩ +15 V LI1 LI2 LIx LI1: ཕכ LI2: ኟၠ LIx: ݒၠ ᄲ߀Վ tCC ۨڦᅭLjᆌӀူ ĐENTđ॰ 2 ௱ዓăኄॽ๑ᅜူࠀీݓ ࣮ยۨǖrrSĂ tCtĂ AtrĂ PS2 (LIAĂ LIb)ă tCt 2 ၍੦ૌ႙ ( ৈሞ tCC = 2C ้ݡ࿚ُ֖ຕ )ǖ LEL: 0 ई 1 ጒༀ੦ሏႜईཕऐă trn: ྺݞኹۉᇸዐࢫڦᅪྔዘഐۯLj؛๔ሏႜ้ՂႷᆶጒༀ߀ڦՎ ( ݒገई )ă PFO: ᇑ LEL ၎ཞLj ڍĐኟၠđጺᆫံᇀ Đݒၠđă rrS ݒၠ nO: ࠀీၳ LI1 LI4: ۨᅭྺݒၠంସڦ܋ስ ැ tCC = LOCLjሶُ֖ຕփݡ࿚ă ᇨዃ ( ܈न๑ tCC ࢅ LSr=LOC ᄺᆶၳ ) සࡕ LIA ࢅ LIb=0ǖۨߴ = ܈ සࡕ LIA = 1 ࢅ LIb = 0ǖ = ܈SP2 සࡕ LIA = 0 ࢅ LIb = 1ǖ = ܈SP3 සࡕ LIA = 1 ࢅ LIb = 1ǖ = ܈SP4 LIA ܋LIA ۨᅭ - nO: ࠀీၳ - LI1 to LI4: ۨᅭྺ LIA ڦ܋ስ LIb ܋LIb ۨᅭ - nO: ࠀీၳ - LI1 to LI4: ۨᅭྺ LIb ڦ܋ስ SP2 ৈۨړᅭକ LIA ้֍ݡ࿚Lj SP3 ࢅ SP4 ৈۨړᅭକ LIA ࢅ LIb ้֍ ݡ࿚ă SP2 ڼ2 ᇨዃ܈Lj 0.0 200Hz ۙ (1) SP3 ڼ3 ᇨዃ܈Lj 0.0 200Hz ۙ (1) SP4 ڼ4 ᇨዃ܈Lj 0.0 200Hz ۙ (1) (1) ሞ ڼ1 पۙኝ֖ຕዐᄺᅜݡ࿚ᇨዃ܈ă trn සࡕ tCC = 2C: LI2 සࡕ tCC = 3C: LI3 PS2 أtCC = 3c ้ྺ LI4 ྔLjྺ LI3 أtCC = 3c ้ྺ nO ྔLjྺ LI4 10 25 50 9 ֖ຕຫ پஓ rSF rP2 LI ຫ ࠤቱް࿋ - nO: ࠀీၳ - LI1 LI4: ስᅃ߲ۨᅭྺُࠀీ ሞገՎ้ް࿋ᆶၳ ( ฉืᄂǖ 0 1)ă ኻᆶሞࠤቱၩ฿ࢫ֍Ⴙް࿋ă ڼ2 ၽೢ ڼ2 ၽೢ੦ۨڦ܋ᅭ - nO: ࠀీၳ - LI1 to LI4: ስᅃ߲ႜۨᅭ AC2 ࢅ dE2 ৈሞۨᅭକ LI ้֍ీݡ࿚ă AC2 ڼ2 ेၽೢ้क़Ljٗ 0.1 ௱ 99.9 ௱ۙ dE2 ڼ2 ३ၽೢ้क़Ljٗ 0.1 ௱ 99.9 ௱ۙ StP ۉᇸඍ฿้ڦ੦ཕכ - nO: Վೕഗۨۯۉऐጲᆯཕכ - FrP: ߵᆶၳ३ၽೢ (dEC ई dE2)ă - FSt: ཕכLjཕ้כक़ൽਦᇀ࠹ႠࢅՎೕഗڦీۯ૰ă brA ३ၽೢጲۙኝ - nO: ࠀీၳ - YES: සࡕ३้क़ܔᇀሜ࠹Ⴀܸჾยۨࡗ܌Ljሶُࠀీॽጲۯሺे३ ้क़LjኄᄣՆ௨ࡗۉუࠤቱă ጲۯୁጀ ACt ሏႜఇ๕ - nO: ࠀీၳ - YES: ړሏႜփም੦तۯۉऐྺ܈ଭ้LjୁጀཕכLjჄ้क़ ཚࡗ tdC ۙኝăُୁۉኵཚࡗ SdC ۙኝă . - Ct: ړሏႜփም੦तۉऐྺ܈ଭ้LjჄୁጀཕכăُୁۉኵ ཚࡗ SdC ۙኝă ሞ 3 ၍੦ዐLjୁጀৈ ړLI ྺ 1 ้ᆶၳă ৈ ړACT = YES ้֍ీݡ࿚ tdCLjৈ ړACT = YES ई Ct ้֍ీݡ࿚ SdCă tdC ཕכጀୁ้क़Ljٗ 0.1 ڟ30.0 ௱ۙ SdC ጀୁۉLjٗ 0 ڟ1.2In (In = Վೕഗ ) ୁۉۨܮۙ ਸ࠲ೕ୲ SFt ACt ೕ୲ྷݔ - LFr: 2 ई 4kHz ፑᆸڦໜऐೕ୲Ljߵ SFr ඓۨă - LF: 2 ई 4kHz ࠦۨೕ୲Ljߵ SFr ඓۨă - HF: 8Ă 12 ई 16kHz ࠦۨೕ୲Ljߵ SFr ඓۨă ߾ยۨ nO nO 5.0 5.0 nO YES AdC SFr ਸ࠲ೕ୲ - 2: 2 kHz ( සࡕ ACT = LF ई LFr ) - 4: 4 kHz ( සࡕ ACT = LF ई LFr ) - 8: 8 kHz ( සࡕ ACT = HF ) -12: 12 kHz ( සࡕ ACT = HF ) -16: 16 kHz ( සࡕ ACT = HF ) ړSFr = 2kHz ้Ljሞߛူೕ୲ጲۯՎྺ 4kHză ړSFt = HF ้LjසࡕՎೕഗඤጒༀࡗߛLjሶۨڦೕ୲ጲۯՎྺডڦگೕ ୲ăኻᄲඤጒༀሎႹLjՎೕഗ૬न ࣮ݓSFr ೕ୲ă 10 YES 0.5 0.7 In LF 4 ( සࡕ Act=LF ई LFr ) 12 ( සࡕ Act= HF ) ֖ຕຫ پஓ FLr dO Atr ຫ վጛገሜ ሞᅜူ൧ူLjසࡕሏႜంସԍLjሶॽሎႹೝࣂዘഐۯǖ - ۉᇸඍ฿ईୟă - ࠤቱް࿋ईጲۯዘഐă - ጲᆯཕכă ۉऐٗዘഐࠚ้ۯ໙ڦ܈ዘႎਸ๔Ljࢫᄂၽೢۨߴٳڟ܈ă ُࠀీᄲ൱ 2 ၍੦ (tCC = 2C) tCt = LEL ई PFOă -nO: ࠀీၳ -YES: ࠀీᆶၳ ُࠀీॽܔᅃഐۯంସႜ߅ᇨLjኄॽڞዂྲၭڦჽ้ ( ፌ 1 ௱ )ă සࡕᅙದዃକჄጲۯୁጀ( ۯCt)Ljሶُࠀీփీԥघऄă ߾ยۨ nO ఇె / இड DO ACt ۨᅭ rFr - nO: ࿄ۨᅭ O C r ఇె ۯۉऐዐୁۉڦă႑ࡽܔᆌᇀՎೕഗڦୁۉۨܮ : = 200%ă r F r ఇె : = ۯۉऐೕ୲ă႑ࡽܔᆌᇀ HSP ڦ100%ă - FtA: இडڟٳ = ೕ୲ពኵLjۉऐೕ୲ࡗגۙពኵ้Կࢇ (1 ጒༀ )ă - SrA: இडۨߴڟٳ = ኵLjۉړऐೕ୲ڪᇀߴۨኵ้Կࢇ (1 ጒༀ )ă - CtA: இडୁۉڟٳ = ពኵLjۉړऐࡗגୁۉۙពኵ Ctd ้Կࢇ (1 ጒༀ )ă Ftd ৈ ړACt = FtA ้֍ݡ࿚Lj Ctd ৈ ړACt = CtA ้֍ݡ࿚ă Ftd ೕ୲ពኵLjٗ 0 200Hz ۙă = bFr Ctd ୁۉពኵLjٗ 0 1.5In ۙ (In = Վೕഗ) ୁۉۨܮ In nO ጲۯዘഐۯ - nO: ࠀీၳ - YES: ሞࠤቱۨኮࢫLjසࡕࠤቱᅙၩ฿ഄሏႜཉॲᄺሎႹዘഐۯLjሶ ႜጲۯዘഐۯăዘഐۯᆯᅃဣଚጲۯྜׯLjଇْኮक़้ځڪڦक़ ደॷჽǖ1sĂ 5sĂ 10sLjُࢫ้ځڪڦक़ྺ 1 ݴዓăසࡕ 6 ݴዓࢫዘഐ࣏ۯ ுᆶࠀׯLjሶॽዐኄᅃײႾLjՎೕഗॽԍۨԥۉժዘႎฉۉă ᅜူࠤቱሎႹُࠀీǖOHFĂ OLFĂ OBFĂ OSFĂ PHFă සࡕُࠀీᆶၳLjሶՎೕഗࠤቱीۉഗԍघऄăࢅۨߴ܈ሏႜݛၠՂႷԍ ăُࠀీৈሞ tCt = LEL ई PFO ڦ2 ၍੦ ( tCC = 2C ) ዐ֍ᅜݡ࿚ă ॠֱඓණᅪྔഐۯփ߲ࣷܔටࢅยԢሰׯඪࢆླ၃ă LSr ೕ୲ߴۨఇ๕ - LOC: ۨߴ܈ᆯՎೕഗമۉڦ܋࿋ഗߴă - tEr: ۨߴ܈ᆯఇె AI1 ߴă LOC ྺ๑ LOC ࢅ tEr ڟڥඓණLjᆌӀዿ ENT ॰ 2 ௱ዓă nPL ܋இडఇ๕ POS - POS: ܋ሞۉუྺ 11V ई11Vᅜฉ้ (ස + 15V܋ጱ )ᆶၳ ( 1ጒༀ )LjሞՎ ೕഗ࠲Կईۉუگᇀ 5V ้ၳ ( 0 ጒༀ )ă - nEG: ܋ሞۉუگᇀ 5V ( ස 0V ܋ጱ ) ้ᆶၳ ( 1 ጒༀ )Ljሞۉუྺ 11V ई 11V ᅜฉईՎೕഗ࠲Կ้ၳ ( 0 ጒༀ )ă ྺ๑ POS ࢅ nEG ڟڥඓණLjᆌӀዿ ENT ॰ 2 ௱ዓă bFr ۯۉऐೕ୲ ( ཞ bFr ڼ1 पۙኝ֖ຕ ) ยۨྺ 50Hz ई 60HzLj֖ቷۯۉऐڦఀಈă 50 11 ֖ຕຫ پஓ IPL ຫ ߾ยۨ YES ၎၍ඍ฿ࠤቱದዃ ُ֖ຕኻኍܔෙ၎Վೕഗă - nO: ၎၍ඍ฿ࠤቱ্ኹă - YES: ॠ֪၎၍ඍ฿ࠤቱă SCS ದዃԢݻ nO - nO: ࠀీၳ Y E S ॽړമದዃԍ٪ሞ ٪ئഗዐăᅃڋኴႜ٪ئLj ৽ጲۯ EEPROM SCS : ገ࣑ྺ nOăُࠀీᆩᇀሞړമದዃኮྔԍାଷྔᅃݻದዃԢᆩăՎೕഗ ړ้മದዃࢅԢݻದዃԥ؛๔ࣅྺದዃă FCS ದዃ༵๖ nO - nO: ࠀీၳ - rEC: ړമದዃՎྺံമᆯ SCS ԍ٪ڦԢݻದዃăৈړᅙႜࡗԢ ้ݻrEC ֍၄ăُࠀీྜࢫׯLj FCS ॽጲۯገ࣑ ڟnOă - InI : ړമದዃՎྺದዃăُࠀీྜࢫׯLj FCS ॽጲۯገ ࣑ ڟnOă ྺ๑ rEC ࢅ InI ڟڥඓණLjᆌӀዿ ENT ॰ 2 ௱ዓă ॔֓ ڇSUP ENT SUP ESC ESC FrH ESC tHd ESC Value ೕ୲ߴۨ Value Վೕഗඤጒༀ ENT ENT ړՎೕഗሏႜ้Lj၂๖ڦຕኵྺగᅃॠ֪֖ຕă၂๖ڦඍูኵྺۯۉऐߴۨኵ ( ֖ຕ FrH )ă ړ၂๖ႎڦॠ֪֖ຕᄲ൱ڦኵ้LjĐ ENTđ॰ՂႷӀူଇْLjᅜඓණܔॠ֪֖ຕ߀ڦՎժॽഄ٪ئăُ้ٗഐ ֖ຕڦኵ৽ॽሞሏႜࡗײዐ၂๖ઠ ( न๑Վೕഗᅙ࠲Կ )ă සࡕ ڼ2 ْӀူ Đ ENTđ॰ࢫႎڦስ࿄ԥඓණLjሶՎೕഗሞ࠲ऐࢫॽ࣮ံ࣮ݓമ֖ڦຕă ᅜူ֖ຕሞՎೕഗཕऐईሏႜ้ݡ࿚ă پஓ ֖ຕ ڇ࿋ FrH ၂๖ೕ୲ߴۨ ( ದዃ ) Hz rFr ၂๖แेሞۯۉऐฉڦೕ୲ Hz LCr ၂๖ۯۉऐୁۉ A ULn ၂๖၍ۉუ V tHr ၂๖ۉऐඤጒༀǖ 100% ܔᆌᇀۨܮඤጒༀă ࡗג118%LjՎೕഗॽᆯᇀ OLF ࠤቱ ( ۯۉऐ % ࡗሜ ) ܸྃ੩ăԥް࿋ ڟ100% ᅜူă ၂๖Վೕഗඤጒༀǖ 100% ܔᆌᇀۨܮඤጒༀă ࡗג118%LjՎೕഗᆯᇀ OHF ࠤቱ ( Վೕ % ഗࡗඤ ) ܸྃ੩ăԥް࿋ ڟ80% ᅜူă tHd 12 ࠤቱ - ᇱᅺ - ਦӸ݆ ࠤቱ - ᇱᅺ - ਦӸ݆ ഐۯഗփഐۯLjࠤቱ၂๖ t ॠֱሏႜంସޏᅙӀۨڦ੦ఇ๕ኴႜă t ړՎೕഗሞࠤۯቱް࿋ईཕऐంସࢫഐ้ۯLjৈሞ ܔĐኟၠđࢅ Đݒၠđంସႜް࿋ࢫ֍ۯۉܔऐཚ ۉăසࡕ்࿄ް࿋LjՎೕഗॽ၂๖ ĐrdYđई Đ nStđڍփࣷഐۯă ၂๖ࠤቱ ް࿋മՂႷॽ ࠤቱڦᇱᅺಇأăස ࡕᅙದዃକஇ डࠀీLjሶཚ ࡗᅃ߲இड ܔSOFĂ OHFĂ OLFĂ OSFĂObF ࢅ PHF ࠤቱႜް࿋ăසࡕᅙದዃକጲۯዘഐࠀీLjሶ OHFĂOLFĂ OSFĂObF ࢅ PHF ࠤቱཚ ࡗُࠀీႜް࿋ăᆶࠤቱۼཚࡗ࠲ऐࢫምਸऐႜް࿋ă ࠤቱ OCF ࡗୁۉ SCF ۯۉऐ܌ୟLj ਨᇹࠤቱ InF ాևࠤቱ CFF ದዃࠤቱ SOF ג OHF Վೕഗࡗሜ OLF ۯۉऐࡗሜ OSF ࡗۉუ ObF ३ዐࡗۉუ PHF ၎၍ඍ฿ USF വۉუ CrF ؊ۉۉୟ ਦӸ݆ t ၽೢࡗ܌Ljॠֱยۨă t ࠹ႠईሜࡗٷLjॠֱۯۉऐ / Վೕഗ / ሜٷڦၭă t ऐႁۨLjॠֱऐࠓڦጒༀă t ॠֱথۯۉऐᇑՎೕഗۉڦમLjᅜतۯۉऐڦਨᇹă t ॠֱ࣍ৣ ( ىۉग़ඹႠ )ă t ߸࣑Վೕഗă t ࣮ݓยۨLjසᆶԢݻยዃLjᄺॽഄۙă֖९ FUn ֓ڇዐ ڦFCS ֖ຕă t փ࿘ۨLjॠֱۯۉऐLjሺᅮࢅ࿘ۨႠ֖ຕă t ൻۯሜࡗߛLjेጎᅃ߲ఇࢅۉۯፆLjժॠֱۯۉऐ / Վೕഗ / ሜٷڦၭă t ॠֱՎೕഗሜĂՎೕഗཚޅत࣍ৣ൧ăځڪՎೕഗૐඐࢫምዘႎഐۯă t ॠֱۉऐڦඤԍࢺยۨLjॠֱۯۉऐሜăۯۉځڪऐૐඐࢫምዘႎഐۯă t ॠֱۉᇸۉუă t ࡗۯईൻۯሜࡗٷăሺे३้क़LjՂᄲ้ेጎۉۯፆLjසࡕࢇޙᆌᆩཉ ॲLjሶघऄ brA ࠀీă ُԍࢺৈሞՎೕഗټሜጒༀူഐፕᆩă t ॠֱۉᇸথࢅභഗă t ዘዃă t ॠֱۉᇸ / Վೕഗग़ඹႠă t සࡕሜփೝ࢚Ljཚࡗ๑ IPL = nO DŽFun ֓ڇDž্ኹُࠤቱă t ॠֱۉუतۉუ֖ຕă t ߸࣑Վೕഗă 13 !"#$%&'( VVDED302032 028285 !"#$ Schneider Electric China www.schneider-electric.com.cn SC DOC 424-VVD !"#$%&' 8 ! 17 :100004 :(010) 6590 6907 :(010) 6590 0013 17/F, Landmark Building 8 North Dongsanhuan Road Chaoyang District Beijing 100004 Tel: (010) 6590 6907 Fax: (010) 6590 0013 !"#$%&'( !"#$%&'()*+,-./0(12 !"#$ !"#$% !"#$%&' 2002.10

施耐德Altivar 11变频器说明书 



