SSSS8_ALPS.pdf
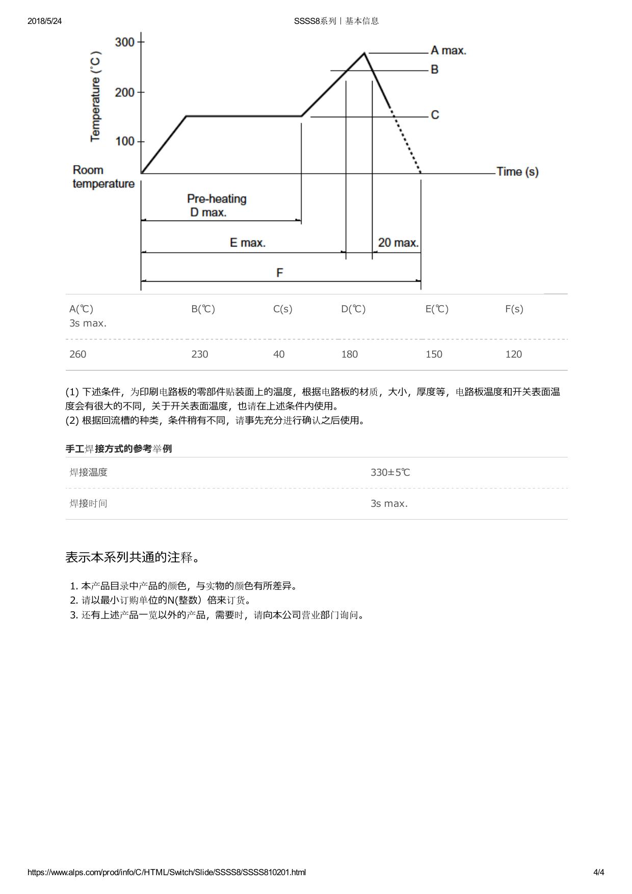
2018/5/24 SSSS8系列|基本信息 1.4(H)mm, 1.5/2.0mm⾏程的表⾯贴装型 SSSS8系列 ⾏程 2mm 操作部⽅向 Horizontal 操作部厚度 1.1mm 电路数 1 接点数 2 动作⼒ 参阅外形图 切换时限 Not specified 接地端⼦ 有 焊接⽅法 Reflow 使⽤温度范围 -40℃ to +85℃ 最⼤额定/最⼩额定(电阻负载) 0.3A 5V DC/50µA 3V DC 电性能 机械性能 接触电阻 (初期/寿命后) 70mΩ max./130mΩ max. 绝缘电阻 100MΩ min. 100V DC 耐电压 100V AC for 1 minute 端⼦强度 3N for 1 minute 操作部强度 耐久性能 耐环境性能 最⼩订货单位(pcs.) 操作⽅向 10N 拉引⽅向 10N ⽆负载寿命 10,000 cycles 100mΩ max. 负载寿命(最⼤额定负载) 10,000 cycles 130mΩ max. 耐寒性能 -40℃ 500h 耐热性能 85℃ 500h 耐湿性能 60℃, 90 to 95%RH 500h ⽇本 https://www.alps.com/prod/info/C/HTML/Switch/Slide/SSSS8/SSSS810201.html 4,500 1/4 2018/5/24 SSSS8系列|基本信息 出⼝ 18,000 外形图 焊接处尺⼨图 ⾃A⽅向看。 电路图 https://www.alps.com/prod/info/C/HTML/Switch/Slide/SSSS8/SSSS810201.html 2/4 2018/5/24 SSSS8系列|基本信息 包装规格 载带 梱包数(pcs.) 1卷 4,500 1箱/⽇本 9,000 1箱/出⼝包装 18,000 卷盘宽度 W(mm) 17.4 载带宽度(mm) 16 出⼝包装箱尺⼨(mm) 417×409×139 焊接条件 回流⽅式的参考举例 1. 加热⽅式 远红外线加热的上下加热⽅式。 2. 温度测量⽅式⽤ φ0.1〜φ0.2的CA(K)或CC(T)测量。位置在焊接连接部(铜箔⾯)测量。固定⽅式采⽤耐热胶带。 3. 温度分布 https://www.alps.com/prod/info/C/HTML/Switch/Slide/SSSS8/SSSS810201.html 3/4 2018/5/24 SSSS8系列|基本信息 A(℃) 3s max. B(℃) C(s) D(℃) E(℃) F(s) 260 230 40 180 150 120 (1) 下述条件,为印刷电路板的零部件贴装⾯上的温度,根据电路板的材质,⼤⼩,厚度等,电路板温度和开关表⾯温 度会有很⼤的不同,关于开关表⾯温度,也请在上述条件内使⽤。 (2) 根据回流槽的种类,条件稍有不同,请事先充分进⾏确认之后使⽤。 ⼿⼯焊接⽅式的参考举例 焊接温度 330±5℃ 焊接时间 3s max. 表⽰本系列共通的注释。 1. 本产品⽬录中产品的颜⾊,与实物的颜⾊有所差异。 2. 请以最⼩订购单位的N(整数)倍来订货。 3. 还有上述产品⼀览以外的产品,需要时,请向本公司营业部门询问。 https://www.alps.com/prod/info/C/HTML/Switch/Slide/SSSS8/SSSS810201.html 4/4

SSSS8_ALPS.pdf


