秦岭文库(kunmingchi.com)你想要的内容这里独有!

中国科学院理论物理研究所信息公开申请表(公民申请表).xlsx

Heart plug(心塞)1 页 10.665 KB下载文档
中国科学院理论物理研究所信息公开申请表(公民申请表).xlsx
当前文档共1页 下载后继续阅读

中国科学院理论物理研究所信息公开申请表(公民申请表).xlsx

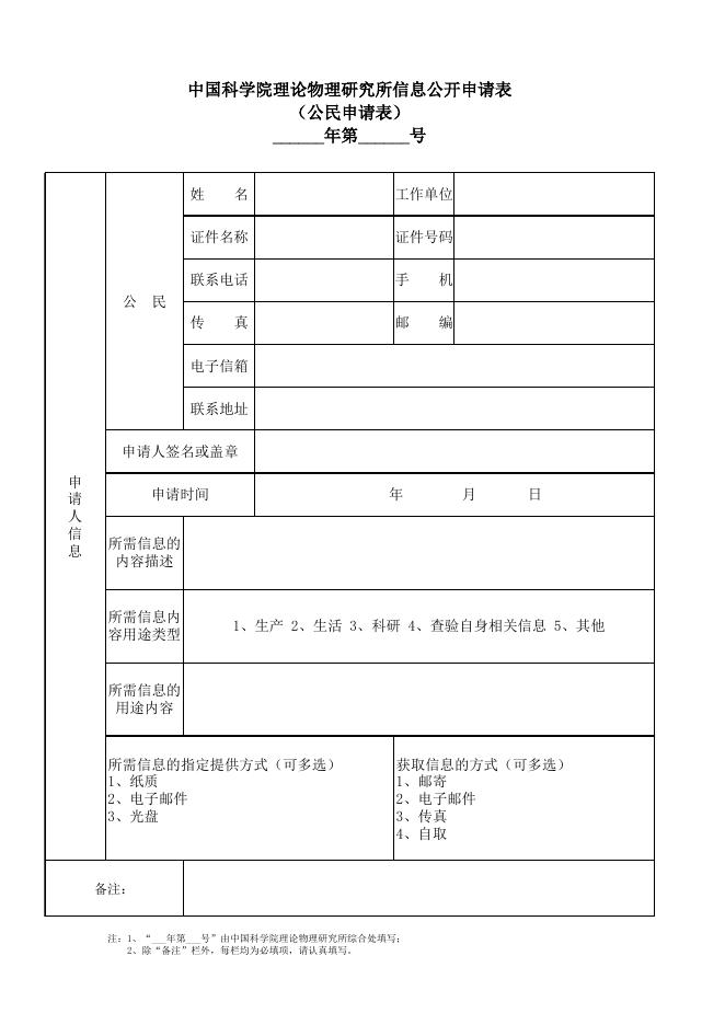
中国科学院理论物理研究所信息公开申请表 (公民申请表) ______年第______号 姓 公 名 工作单位 证件名称 证件号码 联系电话 手 机 传 邮 编 民 真 电子信箱 联系地址 申请人签名或盖章 申 请 人 信 息 申请时间 年 月 日 所需信息的 内容描述 所需信息内 容用途类型 1、生产 2、生活 3、科研 4、查验自身相关信息 5、其他 所需信息的 用途内容 所需信息的指定提供方式(可多选) 1、纸质 2、电子邮件 3、光盘 获取信息的方式(可多选) 1、邮寄 2、电子邮件 3、传真 4、自取 备注: 注:1、“___年第___号”由中国科学院理论物理研究所综合处填写; 2、除“备注”栏外,每栏均为必填项,请认真填写。

相关文章