上海大张板框压滤机配件一批招标文件.doc
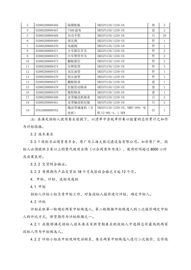
江苏索普化工股份有限公司 供应保障部招标文件 1. 报价须知 1.1 招标货物名称:上海大张板框压滤机配件一批。 1.2 交货地点:江苏索普化工股份有限公司。 1.3 交货期:2021 年 7 月 30 日之前(如无法满足请在报价时注明)。 1.4 付款方式:货到增值税专用发票到两个月 1688 网商银行现汇付款。如投标人 不接受招标人提出的付款方式,可在 1688 网站“交易信息”栏目中明确能够接受的付 款方式及付款时间,评标时作为参考。 1.5 开标时间:2021 年 5 月 26 日,下午 14:00(北京时间)。 1.6 开标地点:江苏索普化工股份有限公司供应保障部。 1.7 报价须知:报价为含 13%增值税送到价。如国家税率调整,按合同含税价格/ (1+合同约定税率)*(1+国家规定的新税率)调整合同价格开具发票。 2. 投标人资质 2.1 投标人必须具有合法生产经营资质。确定中标后,在签订合同前,投标人需提 供如下有效资质文件:《营业执照》、《税务登记证》、《组织机构代码证》(或三证 合一)、一般纳税人证明材料等。 2.2 如投标人为经销商,必须具有合法经销资质。代理经销商必须提供厂家授权的 代理证明材料;如是代理进口产品的经销商,另需提供进口报关证明或材质检验报告等 必要材料。(厂家要求必须满足 2.1 条款)。 2.3 投标人必须具备良好的售后服务能力,要求电话联系后 8 小时内必须给予回复, 明确解决方案。 2.4 投标人所供产品引起的知识产权方面的纠纷,由投标人承担一切后果,招标人 不承担任何责任。 2.5 投标人所供产品生产厂家注册资金要求 2000 万元以上。 3. 报价货物清单及技术要求 3.1 货物清单: 序号 物料编码 物料名称 型号 单位 数量 1 02080200007783 O 型圈 XMZGFS150/1250-UB 只 20 2 02080200008465 隔膜滤板 XMZGFS150/1250-UB 块 5 3 02080200008466 隔膜配板 XMZGFS150/1250-UB 块 5 4 02080200008467 750B 滤布 XMZGFS150/1250-UB 套 2 5 02080200008468 自动手把 XMZGFS150/1250-UB 只 20 6 02080200008469 保压阀 XMZGFS150/1250-UB 件 1 7 02080200008470 电磁阀 XMZGFS150/1250-UB 件 1 8 02080200008471 小车限位开关 XMZGFS150/1250-UB 件 2 9 02080200008472 小车暂停开关 XMZGFS150/1250-UB 件 2 10 02080200008473 翻板限位 XMZGFS150/1250-UB 件 2 11 02080200008474 压榨软管 XMZGFS150/1250-UB 件 5 12 02080200008475 高压油管 XMZGFS150/1250-UB 件 1 13 02080200008476 低压油管 XMZGFS150/1250-UB 件 1 14 02080200008477 翻板轴承 XMZGFS150/1250-UB 套 1 15 02080200008478 拉板传动轴承 XMZGFS150/1250-UB 套 1 16 02080200008479 链轮轴承 XMZGFS150/1250-UB 套 1 17 02080200008480 皮带输送机轴承 XMZGFS150/1250-UB 只 2 18 02080200008481 皮带输送机托辊 XMZGFS150/1250-UB 只 2 19 07010000000782 输送带减速机(含 XMZGFS150/1250-UB,NMRV-090,电 电机) 机 Y2-90L-4,1.5KW 台 1 注:在满足招标人使用要求前提下,以清单中含税单价乘以数量的总价累计之和作 为评标依据。 3.2 技术要求 3.2.1 投标方必须资质齐全,原厂为上海大张过滤设备有限公司。如非原厂件,投 标人必须提供 3 家以上的替代使用业绩(以合同原件为准),使用时间超过 8000 小时 且效果良好。 3.2.2 交货附合格证。 3.2.3 质保期为产品交货后 18 个月或验收合格之日起 12 个月。 4. 开标、评标、流标及废标 4.1 开标 招标人评标小组负责开标工作,对各投标人报价进行评标,确定中标人。 4.2 评标 评标采取第一轮确定两家中标候选人,第二轮根据中标候选人的二次报价确定中标 人的评比方式,供货期作为评标依据之一。 4.2.1 在能够满足招标人技术要求及供货期要求的投标人中选择总价最低的两家 投标人作为中标候选人。 4.2.2 评标小组在开标现场电话联系,要求两家中标候选人进行二次报价,总价低 中标。 4.2.3 在 1.5 指定开标时间的当天,请各投标人保持通讯畅通。中标候选人必须在 的接到电话后 10 分钟内进行第二次报价,否则视为放弃二次报价机会;如评标小组开 标现场电话联系不上中标候选人,则视为放弃二次报价机会。放弃二次报价机会的以其 第一次报价为准。第二次报价高于第一次报价的,以第一次报价为准。 4.2.4 中标价格因二次报价发生变化的,中标人须应招标人的邀请在 1688 大企业采 购平台上按中标价格重新报价。 4.2.5 评标小组不得泄露各投标人的报价。 4.3 流标 招标人如发现招标过程中有串标、陪标等扰乱招标人经营秩序的恶劣情况,经招标 人评标小组评定作流标处理,并列入供应商负面清单,一年内不再接受参与招标人招标 工作。 4.4 废标 凡投标人不具备生产经营资质的,或投标文件填写不完整、报价有空项的,或不符 合 3.2 条款要求的,经招标人评标小组评定,作废标处理。 5. 其他注意事项 5.1 中标人应保证产品各项指标符合国标,无国标强制要求的应符合招标人 3.2 技术要求条款,否则应及时调换或退货处理。 5.1.1 标的物中需检验的品种,经招标人检验部门检验合格后方能收货,否则做 退、换货处理;长期合约的中标人如出现三次产品质量不合格的情况,视为中标人无能 力保障产品质量,招标人有权终止此次招标合同的执行。 5.1.2 不合格货品招标人会及时通知中标人,如有异议双方协商解决。如需仲裁, 应在七个工作日内按《产品质量仲裁检验和产品质量鉴定管理办法》执行。仲裁期间中 标人应保证招标人供应,不影响招标人正常生产运行。 5.3 如因投标人原因,对招标人生产造成影响的,招标人将向阿里巴巴公司投诉。 如影响严重的,招标人将依法追究投标方相关责任。 5.4 投标人在中标后无正当理由不与招标人签订合同的,将承担违约责任,列入招 标人供应商负面清单,同时招标人将向阿里巴巴进行投诉。 5.5 招标人将按《江苏索普化工股份有限公司供应商负面清单管理规定》对投标人 进行管理考核(详见附件 1)。 5.6 凡对招标文件条款有疑义的,请在开标前按以下方式联系: 江苏索普化工股份公司供应保障部 地址:江苏省镇江市京口区丹徒长岗,邮编:212006 联系人:马峰,手机:13615271906,电话:0511-88995004 负责人:徐国仲,手机:13952886350,电话:0511-88995235 6. 请详细阅读本招标书,参与报价投标视为对本招标书所列之条款均表示接受认 可。本次招标解释权归江苏索普化工股份有限公司供应保障部所有。

上海大张板框压滤机配件一批招标文件.doc


