SSSU_ALPS.pdf
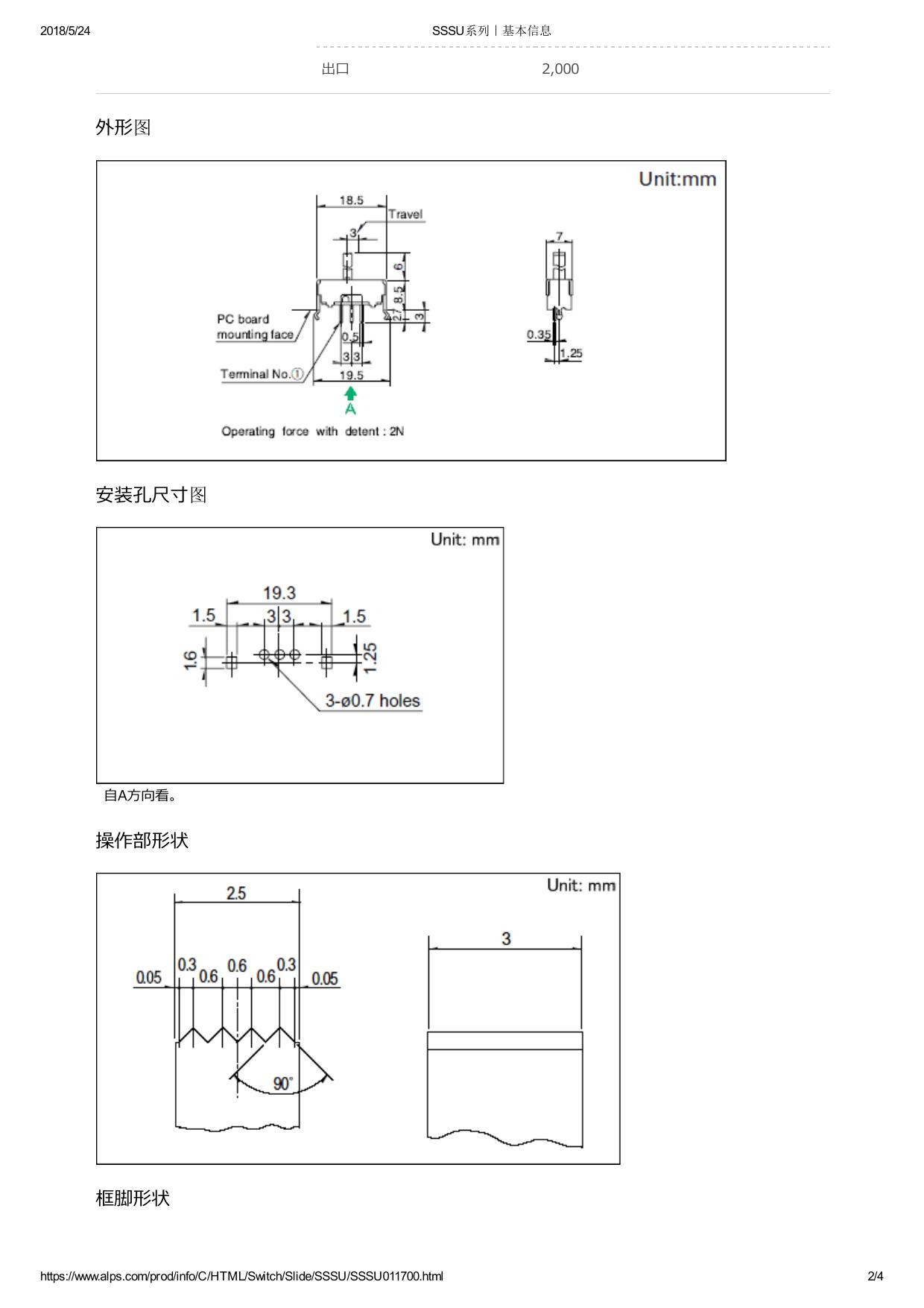
2018/5/24 SSSU系列|基本信息 8.5(H)mm, 3.0mm⾏程型 SSSU系列 ⾏程 3mm 操作部⽅向 Vertical 操作部长度 6mm 电路数 1 接点数 2 动作⼒ 参阅外形图 安装⽅法 Snap-in (t1.6) 切换时限 Non shorting 焊接⽅法 Manual, Dip 使⽤温度范围 -40℃ to +85℃ 最⼤额定/最⼩额定(电阻负载) 0.1A 30V DC/50μA 3V DC 电性能 机械性能 接触电阻 (初期/寿命后) 25mΩ max./65mΩ max. 绝缘电阻 100MΩ min. 500V DC 耐电压 500V AC for 1 minute 端⼦强度 5N for 1 minute 操作部强度 耐久性能 耐环境性能 最⼩订货单位(pcs.) 操作⽅向 30N 拉引⽅向 30N ⽆负载寿命 10,000 cycles 45mΩ max. 负载寿命(最⼤额定负载) 10,000 cycles 65mΩ max. 耐寒性能 -40℃ 500h 耐热性能 85℃ 500h 耐湿性能 60℃, 90 to 95%RH 500h ⽇本 https://www.alps.com/prod/info/C/HTML/Switch/Slide/SSSU/SSSU011700.html 400 1/4 2018/5/24 SSSU系列|基本信息 出⼝ 2,000 外形图 安装孔尺⼨图 ⾃A⽅向看。 操作部形状 框脚形状 https://www.alps.com/prod/info/C/HTML/Switch/Slide/SSSU/SSSU011700.html 2/4 2018/5/24 SSSU系列|基本信息 电路图 包装规格 散装 包装数(pcs.) 1箱/⽇本 400 1箱/出⼝包装 2,000 出⼝包装箱尺⼨(mm) 400×270×290 焊接条件 浸焊⽅式的参考举例 项⽬ 浸焊 预热温度 100℃ max. 预热温度时间 60s max. 焊接温度 260±5℃ https://www.alps.com/prod/info/C/HTML/Switch/Slide/SSSU/SSSU011700.html 3/4 2018/5/24 SSSU系列|基本信息 焊接浸渍时间 10±1s ⼿⼯焊接⽅式的参考举例 焊接温度 350±10℃ 焊接时间 3+1/0s 表⽰本系列共通的注释。 1. 本产品⽬录中产品的颜⾊,与实物的颜⾊有所差异。 2. 请以最⼩订购单位的N(整数)倍来订货。 3. 还有上述产品⼀览以外的产品,需要时,请向本公司营业部门询问。 https://www.alps.com/prod/info/C/HTML/Switch/Slide/SSSU/SSSU011700.html 4/4

SSSU_ALPS.pdf


