电磁锁等采购招标书.docx
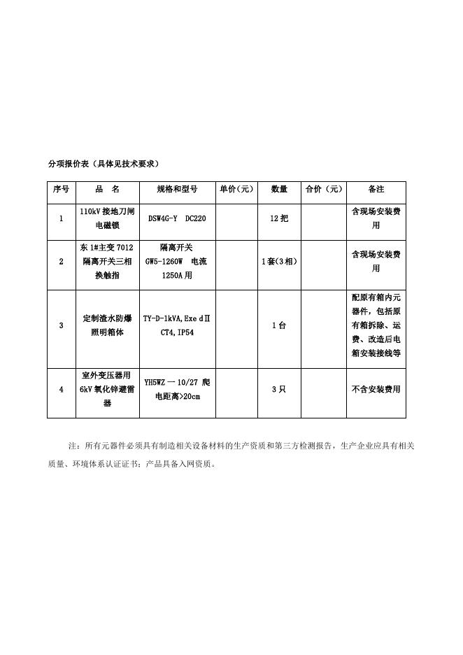
醋酸造气工艺节能减排技术改造项目电磁锁等采 购招标书 至贵公司: 我公司醋酸造气工艺节能减排技术改造项目电磁锁等采购招标,现在索普官网公开发布招标信息, 实行满足要求的最低价中标。请在 2023 年 7 月 28 日下午 15:00 前将报价单盖章并密封,邮寄或送至索 普集团三楼项目部,赵卫峥收,电话号码:13812460809。 1、投标内容:醋酸造气工艺节能减排技术改造项目电磁锁等采购。 2、报价请报现汇价格,报价含 13%增值税、含运费、安装费,货物送到江苏省镇江市京口区象山镇长 岗 江苏索普化工股份有限公司指定现场。 3、投标方完成本招标书规定的内容,招标方按照正常程序操作使用,在使用过程中若给招标方造成的 任何损失,由投标方承担全部直接损失的赔偿责任,最高不超过合同总价。 4、投标方为独立法人,注册资金不低于 200 万人民币的有能力提供招标货物和相关服务的制造商;投 标人近三年(2020 年 1 月 1 日至今)财务状况良好;投标人在“信用中国”(www.creditchina.gov.cn) 网站未被列入失信被执行人、重大税收违法案件当事人名单,以评标当时网站查询结果为准;在经营活 动中没有重大违法违规记录、无违约历史(投标人需提供声明或证明并加盖公章);否则投标将被拒绝。 5、付款方式: 1)到货安装完毕后,付 90%;2)剩余 10%作为质保金,质保期为设备正常运行一年后 付。3)现汇方式支付。 6、具体分项报价格式按下表格式填写,具体报价见附件技术要求,施工安装及调试过程中无任何费用 增加。 7、要求交货时间:2023 年 8 月 1 日前(注:投标方报价时交货期如不能满足要求需要提出偏离,在中 标后按承诺的交货时间签订合同,并承担延迟交付罚金)。 分项报价表(具体见技术要求) 序号 1 品 名 110kV 接地刀闸 电磁锁 东 1#主变 7012 2 隔离开关三相 换触指 规格和型号 DSW4G-Y DC220 单价(元) 数量 12 把 隔离开关 GW5-1260W 电流 1 套(3 相) 1250A 用 合价(元) 备注 含现场安装费 用 含现场安装费 用 配原有箱内元 3 定制渣水防爆 TY-D-1kVA,Exe dⅡ 照明箱体 CT4,IP54 器件,包括原 1台 有箱拆除、运 费、改造后电 箱安装接线等 室外变压器用 4 6kV 氧化锌避雷 器 YH5WZ 一 10/27 爬 电距离>20cm 3只 不含安装费用 注:所有元器件必须具有制造相关设备材料的生产资质和第三方检测报告,生产企业应具有相关 质量、环境体系认证证书;产品具备入网资质。

电磁锁等采购招标书.docx
