密刺型黄瓜分级要求
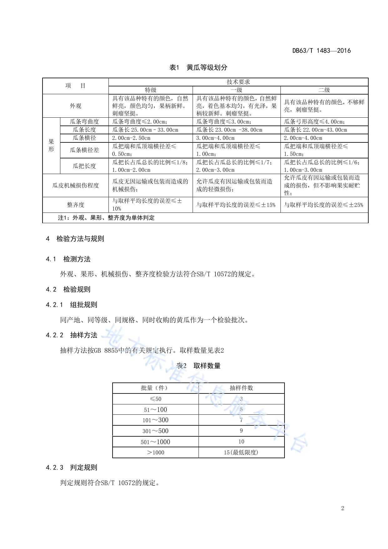
ICS 67.080.20 B 31 备案号:49255-2016 青 DB63 海 省 地 方 标 准 DB63/T 1483—2016 密刺型黄瓜分级要求 2016 - 03 - 21 发布 青海省质量技术监督局 2016 - 05 - 01 实施 发 布 DB63/T 1483—2016 前 言 本规范符合GB/T 1.1-2009给出的规则。 本规范是由青海省质监局提出并归口。 本规范起草单位:大通县蔬菜技术推广中心。 本规范主要起草人:李雪洁、张广生、李满财、郭国寿、马占海、史炳灵、赵 兰、仇琳玉、李洪 英、赵裕民、李莲花、严海龙、邢成德、王文清、杜晓龙。 I DB63/T 1483—2016 密刺型黄瓜分级要求 1 范围 本标准规定了密刺型黄瓜的质量基本要求、分级、检验方法、包装、标识。 本标准适用于保护地栽培的鲜食黄瓜,不适用于加工型黄瓜。 2 规范性引用文件 下列文件对于本文件的应用是必不可少的。凡是注日期的引用文件,仅所注日期的版本适用于本文 件。凡是不注日期的引用文件,其最新版本(包括所有的修改单)适用于本文件。 GB 2762 食品中污染物限量 GB 2763 食品中农药最大残留限量 GB/T 8855 新鲜水果和蔬菜的取样方法 SB/T 10572 黄瓜流通规则 3 等级和规格 3.1 基本要求 ——同一品种或相似品种; ——瓜条已充分膨大,但种皮柔嫩; ——瓜条完整; ——无苦味; ——清洁、无杂物、无异味、无异常水分; ——外观新鲜、有光泽、无萎蔫; ——无冷害、冻害; ——无病斑、腐烂或变质产品; ——无虫害及其所造成的损伤; ——严禁在安全间隔内采摘上市,产品卫生指标符合 GB 2762、GB 2763 的有关要求。 3.2 等级划分 在符合基本要求前提下,共分为特级、一级、二级,参见表1。 3.3 等级技术要求 产品质量要求分为外观颜色、色泽、瓜条弯曲度、瓜条长度、横径粗、瓜条精细均匀程度、瓜把长 度及瓜皮机械损伤程度 。技术要求见表1。 1 DB63/T 1483—2016 表1 黄瓜等级划分 项 目 外观 果 形 瓜条弯曲度 瓜条长度 瓜条横径 瓜条横径差 瓜把长度 瓜皮机械损伤程度 整齐度 特级 具有该品种特有的颜色,自然 鲜亮,颜色均匀,果柄新鲜。 刺瘤坚挺。 瓜条弯曲度≤2.00cm; 瓜条长 25.00cm–33.00cm 2.00cm-2.50cm 瓜把端和瓜顶端横径差≤ 0.50cm; 瓜把长占瓜总长的比例≤1/8; 1.00cm-2.00cm 技术要求 一级 具有该品种特有的颜色,自然鲜 亮,着色基本均匀,有光泽,果 柄较新鲜。刺瘤坚挺。 瓜条弯曲度≤3.00cm; 瓜条长 23.00cm -38.00cm 3.00cm-4.00cm 瓜把端和瓜顶端横径差≤ 1.00cm; 瓜把长占瓜总长的比例≤1/7; 2.00cm-3.00cm 瓜皮无因运输或包装而造成的 机械损伤; 允许瓜皮有因运输或包装而造 成的轻微损伤; 与取样平均长度的误差≤± 10% 与取样平均长度的误差≤±15% 二级 具有该品种特有的颜色,不够鲜 亮,刺瘤坚挺。 瓜条弓形高度≤4.00cm; 瓜条长 22.00cm-43.00cm 2.00cm-4.00cm 瓜把端和瓜顶端横径差≤ 1.50cm; 瓜把长占瓜总长的比例≤1/6; 1.00cm-3.00cm 允许瓜皮有因运输或包装而造 成的损伤,但不影响果实耐贮 性; 与取样平均长度的误差≤±25% 注1:外观、果形、整齐度为单体判定 4 检验方法与规则 4.1 检测方法 外观、果形、机械损伤、整齐度检验方法符合SB/T 10572的规定。 4.2 检验规则 4.2.1 组批规则 同产地、同等级、同规格、同时收购的黄瓜作为一个检验批次。 4.2.2 抽样方法 抽样方法按GB 8855中的有关规定执行。取样数量见表2 表2 取样数量 批量(件) 抽样件数 ≤50 3 51~100 5 101~300 7 301~500 9 501~1000 10 >1000 15(最低限度) 4.2.3 判定规则 判定规则符合SB/T 10572的规定。 2 DB63/T 1483—2016 4.3 检验结果的判定 每批受检样品允许存在等级、规格方面的不符合项,不符合项百分率按所检单位样品的平均值计算, 其值不超过规定的偏差限度。 项 技术要求 目 偏差限度 处理结果 特级 一级 二级 符合该等级所有分 级要求的产品为合 格产品,每批样品 品质要求的不合格 率不应超过 10% 不合格率超过 10% 降级销售 符合该等级所有分级 要求的产品为合格产 品,每批样品品质要 求的不合格率不应超 过 12% 不合格率超过 12%, 降级销售 符合该等级所有分级 要求的产品为合格产 品,每批样品品质要 求的不合格率不应超 过 15% 不合格率超过 15%, 做为等外品降价销售 5 包装 5.1 基本要求 同一包装内产品的采收日期、产地、品种、等级、规格应一致。 5.2 包装材料 包装材料应无毒、清洁、干燥、牢固、无污染、无异味、内部平整、可透气防潮。 5.3 包装方式 同一包装内产品应按相同顺序摆放整齐、紧密。 5.4 净含量及允许负偏差 根据黄瓜规格和所用包装材料的不同,允许设计不同规格的包装容器,但每包装单位的净质量应≤ 20 kg。 5.5 包装标识 包装标识符合SB/T 10572的规定。 _________________________________ 3

密刺型黄瓜分级要求



