附件:玉树州林业局2016年部门决算报表.docx
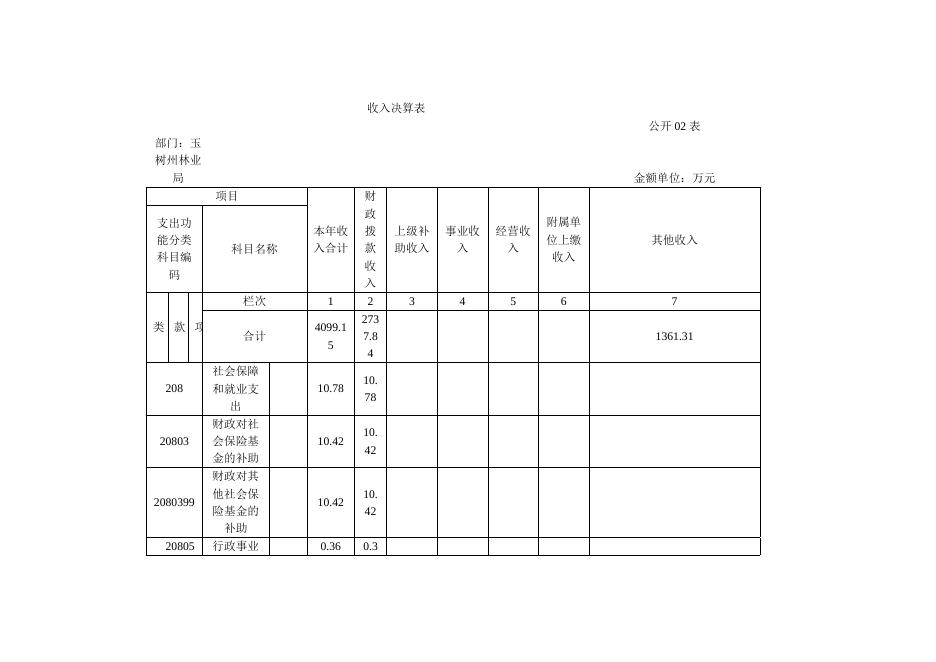
附表: 第二部分玉树州林业局 2016 年度部门决算报表 收入支出决算总表 公开 01 表 金额单位:万元 部门:玉树州林业局 收入 支出 项目 行 次 决算数 项目 行 次 一、财政拨款收入 1 2727.42 一、一般公共服务支出 35 其中:政府性基金预算财政拨款 2 二、外交支出 36 二、上级补助收入 3 三、国防支出 37 三、事业收入 4 四、公共安全支出 38 四、经营收入 5 五、教育支出 39 五、附属单位上缴收入 6 六、科学技术支出 40 六、其他收入 7 七、文化体育与传媒支出 41 8 八、社会保障和就业支出 42 9 九、医疗卫生与计划生育支 出 43 1 0 十、节能环保支出 44 1 1 十一、城乡社区支出 45 1 2 十二、农林水支出 46 1361.31 决算数 0.36 575.95 3726.24 1 3 十三、交通运输支出 47 1 4 十四、资源勘探信息等支出 48 1 5 十五、商业服务业等支出 49 1 6 十六、金融支出 50 1 7 十七、援助其他地区支出 51 1 8 十八、国土海洋气象等支出 52 1 9 十九、住房保障支出 53 2 0 二十、粮油物资储备支出 54 2 1 二十一、其他支出 55 2 2 二十二、债务还本支出 56 2 3 二十三、债务付息支出 57 本年支出合计 58 结余分配 59 本年收入合计 2 4 用事业基金弥补收支差额 2 5 4088.73 31.37 4333.92 年初结转和结余 2 6 基本支出结转 交纳所得税 60 2 7 提取职工福利基金 61 项目支出结转和结余 2 8 转入事业基金 62 经营结余 2 9 其他 63 3 0 年末结转和结余 64 2055.31 3 1 基本支出结转 65 65.79 3 2 项目支出结转和结余 66 1989.52 3 3 经营结余 67 总计 68 总计 3 4 2300.5 6389.23 6389.23 收入决算表 公开 02 表 部门:玉 树州林业 局 金额单位:万元 项目 科目名称 本年收 入合计 财 政 拨 款 收 入 上级补 助收入 事业收 入 经营收 入 附属单 位上缴 收入 其他收入 栏次 1 2 3 4 5 6 7 合计 4099.1 5 273 7.8 4 208 社会保障 和就业支 出 10.78 10. 78 20803 财政对社 会保险基 金的补助 10.42 10. 42 2080399 财政对其 他社会保 险基金的 补助 10.42 10. 42 20805 行政事业 0.36 0.3 支出功 能分类 科目编 码 类 款 项 1361.31 6 单位离退 休 20805 99 其他行政 事业单位 离退休支 出 0.36 0.3 6 211 节能环保 支出 572.74 572 .74 21105 天然林保 护 572.74 572 .74 21105 01 森林管护 123.00 123 .00 21105 02 社会保险 补助 284.74 284 .74 21105 03 政策性社 会性支出 补助 30.00 30. 00 21105 06 天然林保 护工程建 设 135.00 135 .00 213 农林水支 出 3484.2 6 212 2.9 5 21301 农业 17.00 17. 00 21301 其他农业 17.00 17. 1361 .31 1361.31 10 00 支出 3465.9 1 210 4.6 0 行政运行 515.33 515 .33 21302 01 一般行政 管理事务 182.36 182 .36 21302 02 林业事业 机构 10.57 10. 57 21302 04 森林培育 383.30 383 .30 21302 05 森林生态 效益补偿 270.35 270 .35 21302 06 湿地保护 300.00 300 .00 21302 07 林业执法 与监督 129.10 129 .10 21302 09 林业防灾 减灾 25.00 25. 00 21302 10 其他林业 支出 1649.9 1 288 .60 21302 13 普惠金融 发展支出 1.35 1.3 5 21302 21 农业保险 保费补贴 1.35 1.3 5 21301 99 林业 21302 .31 1361 .31 1361.31 1361.31 21302 34 住房保障 支出 31.38 31. 38 21302 99 住房改革 支出 31.38 31. 38 21305 住房公积 金 31.38 31. 38 21305 05 社会保障 和就业支 出 4099.1 5 273 7.8 4 21308 财政对社 会保险基 金的补助 10.78 10. 78 21308 03 财政对其 他社会保 险基金的 补助 10.42 10. 42 221 行政事业 单位离退 休 10.42 10. 42 22102 其他行政 事业单位 离退休支 出 0.36 0.3 6 22102 01 节能环保 支出 0.36 0.3 6 1361 .31 1361.31 支出决算表 公开 03 表 部门:玉树州林业局 金额单位:万元 项目 科目名称 本年支 出合计 基本 支出 项目支出 上缴上 级支出 经营支出 对附属单位补助支出 栏次 1 2 3 4 5 6 合计 4344.34 684.61 3659.73 208 社会保障和就业 支出 10.78 10.78 20803 财政对社会保险 基金的补助 10.42 10.42 2080399 财政对其他社会 保险基金的补助 10.42 10.42 20805 行政事业单位离 退休 0.36 0.36 208059 9 其他行政事业单 位离退休支出 0.36 0.36 211 节能环保支出 575.95 575.95 21105 天然林保护 575.95 575.95 211050 1 森林管护 36.06 36.06 211050 2 社会保险补助 224.28 224.28 211050 3 政策性社会性支 出补助 40.60 40.60 支出功能 分类科目 编码 类 款 项 211050 6 天然林保护工程 建设 275.00 213 农林水支出 3726.24 642.46 3083.78 21301 农业 20.42 0.00 20.42 213011 0 其他农业支出 3.42 0.00 3.42 213019 9 林业 17.00 0.00 17.00 21302 行政运行 3703.31 642.46 3060.86 213020 1 一般行政管理事 务 449.53 449.53 213020 2 林业事业机构 182.36 182.36 213020 4 森林培育 10.57 10.57 213020 5 森林生态效益补 偿 739.26 739.26 213020 6 湿地保护 184.63 184.63 213020 7 林业执法与监督 31.01 31.01 213020 9 林业防灾减灾 83.72 83.72 213021 0 其他林业支出 66.40 66.40 213021 普惠金融发展支 136.04 136.04 275.00 3 出 213022 1 农业保险保费补 贴 40.00 40.00 213023 4 住房保障支出 70.22 70.22 213029 9 住房改革支出 1709.58 1709.58 21305 住房公积金 1.16 1.16 213050 5 社会保障和就业 支出 1.16 1.16 21308 财政对社会保险 基金的补助 1.35 1.35 213080 3 财政对其他社会 保险基金的补助 1.35 1.35 221 行政事业单位离 退休 31.38 31.38 22102 其他行政事业单 位离退休支出 31.38 31.38 221020 1 节能环保支出 31.38 31.38 财政拨款收入支出决算总表 公开 04 表 单位:万元 部门:玉树州林业局 收入 支出 决算数 项目 行 决算数 次 栏次 项目(按功能分类) 行 次 1 栏次 2727.4 2 一、一般公共服务支出 3 1 一、一般公共预算财政 拨款 1 二、政府性基金预算财 政拨款 2 二、外交支出 3 2 3 三、国防支出 3 3 4 四、公共安全支出 3 4 5 五、教育支出 3 5 6 六、科学技术支出 3 6 7 七、文化体育与传媒支 出 3 7 8 八、社会保障和就业支 出 3 8 小计 一般 公共 预算 财政 拨款 政府性基金预算财政拨款 2 3 4 0.36 0.36 9 九、医疗卫生与计划生 育支出 3 9 1 0 十、节能环保支出 4 0 1 1 十一、城乡社区支出 4 1 1 2 十二、农林水支出 4 2 1 3 十三、交通运输支出 4 3 1 4 十四、资源勘探信息等 支出 4 4 1 5 十五、商业服务业等支 出 4 5 1 6 十六、金融支出 4 6 1 7 十七、援助其他地区支 出 4 7 1 8 十八、国土海洋气象等 支出 4 8 1 9 十九、住房保障支出 4 9 2 0 二十、粮油物资储备支 出 5 0 2 1 二十一、其他支出 5 1 575.95 575.95 2298.9 5 2298.9 5 31.37 31.37 本年收入合计 2 2 二十二、债务还本支出 5 2 2 3 二十三、债务付息支出 5 3 本年支出合计 7 7 2 4 2727.4 2 2 5 2906.6 3 2906.6 3 7 8 年初财政拨款结转和 结余 2 6 1759.9 3 年末财政拨款结转和结 余 7 9 1580.7 2 1580.7 2 一、一般公共预算财政 拨款 2 7 1759.9 3 基本支出结转 8 0 1580.7 2 1580.7 2 二、政府性基金预算财 政拨款 2 8 项目支出结转和结余 8 1 4487.3 5 4487.3 5 2 9 总计 3 0 8 2 4487.3 5 总计 8 3 一般公共预算财政拨款支出决算表 公开 05 表 单位:万元 部门:玉树州林业局 项目 本年支出合计 基本支出 项目支出 栏次 1 2 3 合计 2917.05 684.61 2232.44 208 社会保障和就 业支出 10.78 10.78 20803 财政对社会保 险基金的补助 10.42 10.42 2080399 财政对其他社 会保险基金的 补助 10.42 10.42 20805 行政事业单位 离退休 0.36 0.36 2080599 其他行政事业 单位离退休支 出 0.36 0.36 211 节能环保支出 575.95 支出功能分类 科目编码 类 款 项 科目名称 575.95 21105 天然林保护 575.95 575.95 2110501 森林管护 36.06 36.06 2110502 社会保险补助 224.28 224.28 2110503 政策性社会性 支出补助 40.60 40.60 2110506 天然林保护工 程建设 275.00 275.00 213 农林水支出 2298.95 21301 农业 20.42 20.42 2130110 其他农业支出 3.42 3.42 2130199 林业 17.00 17.00 21302 行政运行 2276.03 642.46 2130201 一般行政管理 事务 449.53 449.53 2130202 林业事业机构 182.36 182.36 2130204 森林培育 10.57 10.57 2130205 森林生态效益 补偿 739.26 739.26 2130206 湿地保护 184.63 184.63 2130207 林业执法与监 督 31.01 31.01 2130209 林业防灾减灾 83.72 83.72 2130210 其他林业支出 66.40 66.40 2130213 普惠金融发展 支出 642.46 1656.49 1633.57 2130221 农业保险保费 补贴 136.04 136.04 2130234 住房保障支出 40.00 40.00 2130299 住房改革支出 70.22 70.22 21305 住房公积金 282.29 282.29 2130505 社会保障和就 业支出 1.16 1.16 21308 财政对社会保 险基金的补助 1.16 1.16 2130803 财政对其他社 会保险基金的 补助 1.35 1.35 221 行政事业单位 离退休 1.35 1.35 22102 其他行政事业 单位离退休支 出 31.38 31.38 2210201 节能环保支出 31.38 31.38 一般公共预算财政拨款基本支出决算表 公开 06 表 单位:万元 部门:玉树州林业局 人员经费 经 济 分 类 科 目 编 码 301 科目名称 工资福利支出 公用经费 金额 经济 分类 科目 编码 科目名称 金额 经 济 分 类 科 目 编 码 商品和服务 支出 60.87 310 其他资本性支出 21.52 310 01 房屋建筑物购建 310 办公设备购置 562.31 302 办公费 印刷费 301 01 基本工资 388.73 3020 1 301 津贴补贴 22.37 3020 科目名称 金额 02 2 02 301 03 奖金 37.49 3020 3 咨询费 310 03 专用设备购置 301 04 其他社会保障缴 费 89.02 3020 4 手续费 0.39 310 04 基础设施建设 2.04 3020 5 0.48 310 05 大型修缮 4.58 310 06 信息网络及软件 购置更新 0.002 310 07 物资储备 取暖费 310 08 土地补偿 物业管理费 310 09 安置补助 310 10 地上附着物和青 苗补偿 301 06 伙食补助费 水费 301 07 绩效工资 3020 6 301 08 机关事业单位基 本养老保险缴费 3020 7 301 09 职业年金缴费 3020 8 301 99 其他工资福利支 出 22.64 3020 9 303 对个人和家庭的 补助 50.99 3021 1 差旅费 离休费 3021 2 因公出国 (境) 费用 310 11 拆迁补偿 退休费 3021 3 维修(护)费 10.96 310 12 公务用车购置 退职(役)费 3021 4 0.21 310 13 其他交通工具购 置 303 04 抚恤金 3021 5 会议费 310 14 产权参股 303 生活补助 3021 培训费 310 其他资本性支出 303 01 303 02 303 03 13.43 电费 邮电费 租赁费 1.30 4.95 05 6 303 06 救济费 3021 7 医疗费 3021 8 助学金 3022 4 奖励金 3022 5 303 07 303 08 303 09 303 10 303 11 303 12 303 13 303 14 99 304 对企事业单位的 补贴 专用材料费 304 01 企业政策性补贴 被装购置费 304 02 事业单位补贴 专用燃料费 304 03 财政贴息 生产补贴 3022 6 劳务费 304 04 其他对企事业单 位的补贴 住房公积金 3022 7 委托业务费 307 债务利息支出 工会经费 307 01 国内债务付息 307 07 国外债务付息 3.84 399 其他支出 0.55 399 06 赠与 31.37 公务接待费 提租补贴 3022 8 购房补贴 3022 9 福利费 采暖补贴 3023 1 公务用车运 行维护费 其他交通费 用 6.19 303 15 物业服务补贴 3023 9 303 99 其他对个人和家 庭的补助支出 3024 0 税金及附加 费用 3029 9 其他商品和 服务支出 人员经费合计 613.31 1.34 6.98 3.71 公用经费合计 60.87 一般公共预算财政拨款“三公”经费支出决算表 公开 07 表 单位:万元 部门:玉树州林业局 2016 年度预算数 2016 年度决算数 公务用车购 置及运行费 合计 1 因公出国 (境)费 2 公 务 用 小 车 计 购 置 费 公 务 用 车 运 行 费 3 5 4 公务用车购置及运行费 公务接待费 6 9 10.45 9 1.45 合 计 7 5.1 9 公务接待费 因公出国 (境)费 8 小 计 公务用车购置 费 公务用车运 行费 9 10 11 3.8 4 3.84 12 1.34

附件:玉树州林业局2016年部门决算报表.docx




