VAISALA MMT162变送器用户手册
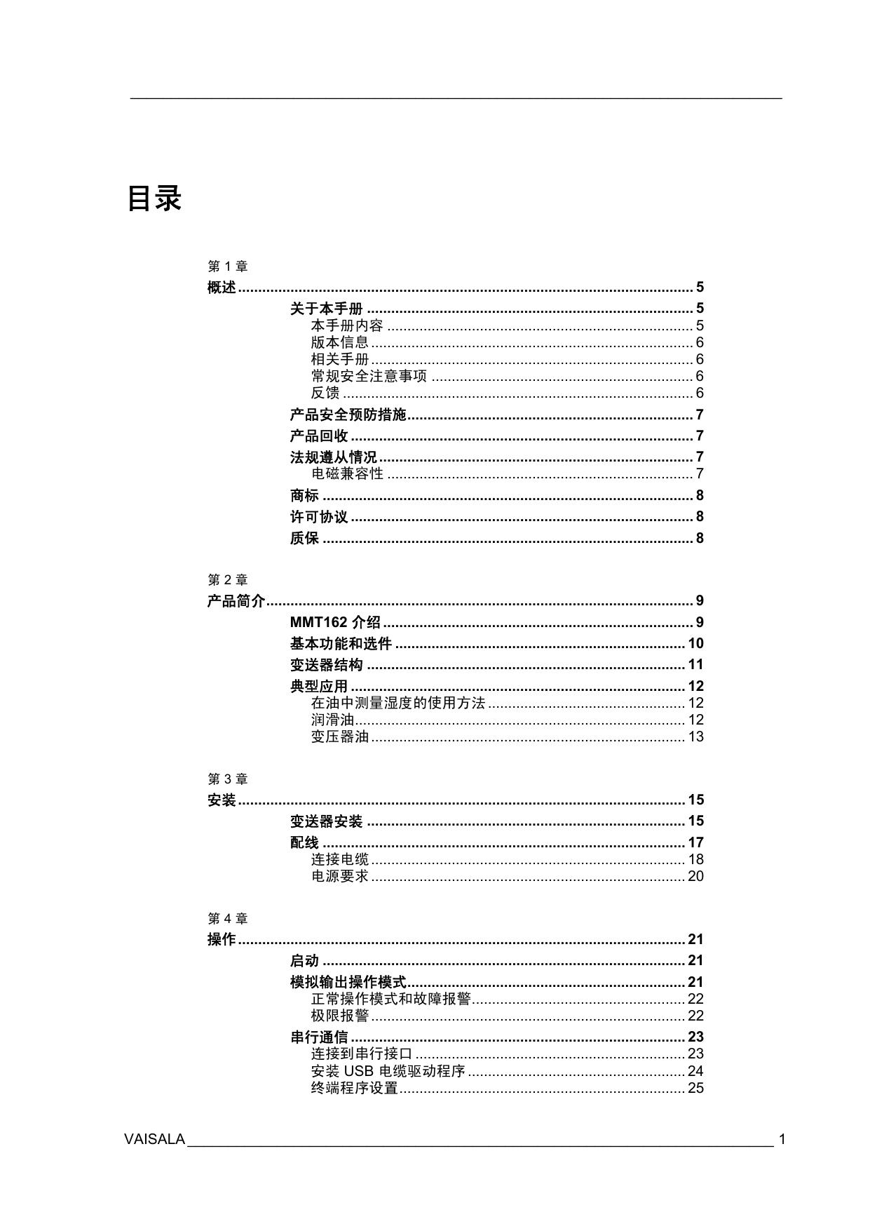
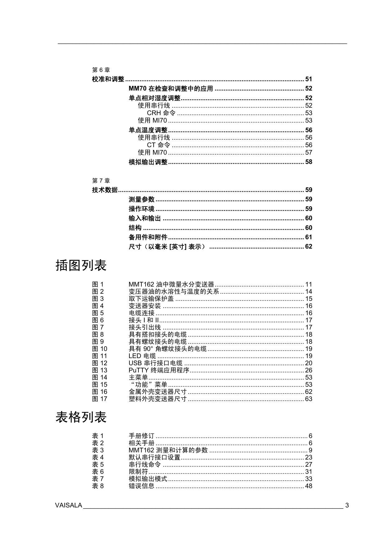
操作手册 ® Vaisala HUMICAP 油中微量水分变送器 MMT162 M210934ZH-B 出版人 Vaisala Oyj P.O.Box 26 FI-00421 Helsinki Finland 电话(国际长途):+358 9 8949 1 传真: +358 9 8949 2227 欢迎访问我公司网站:http://www.vaisala.com/ © Vaisala 2009 未经版权所有人事先书面许可,不得以任何形式或手段,无论是电子的还是机械的 (其中包括影印),对本手册的任何部分进行复制,也不得将本手册的内容传达 给第三方。 本手册内容如有变更,恕不另行通知。 本手册为原始英文版本的翻译版本。在出现歧义的情况下,以本手册的英文版本 为准,而不是翻译版本。 请注意,本手册并不会导致 Vaisala 公司要对客户或最终用户付任何连带法律责 任。所有的法律连带责任和协议只包含在适用供货合同或销售条款中。 ________________________________________________________________________________ 目录 第1章 概述 ................................................................................................................. 5 关于本手册 ................................................................................. 5 本手册内容 ............................................................................ 5 版本信息 ................................................................................ 6 相关手册 ................................................................................ 6 常规安全注意事项 ................................................................. 6 反馈 ....................................................................................... 6 产品安全预防措施....................................................................... 7 产品回收 ..................................................................................... 7 法规遵从情况.............................................................................. 7 电磁兼容性 ............................................................................ 7 商标 ............................................................................................ 8 许可协议 ..................................................................................... 8 质保 ............................................................................................ 8 第2章 产品简介.......................................................................................................... 9 MMT162 介绍 ............................................................................. 9 基本功能和选件 ........................................................................ 10 变送器结构 ............................................................................... 11 典型应用 ................................................................................... 12 在油中测量湿度的使用方法 ................................................. 12 润滑油.................................................................................. 12 变压器油 .............................................................................. 13 第3章 安装 ............................................................................................................... 15 变送器安装 ............................................................................... 15 配线 .......................................................................................... 17 连接电缆 .............................................................................. 18 电源要求 .............................................................................. 20 第4章 操作 ............................................................................................................... 21 启动 .......................................................................................... 21 模拟输出操作模式..................................................................... 21 正常操作模式和故障报警..................................................... 22 极限报警 .............................................................................. 22 串行通信 ................................................................................... 23 连接到串行接口 ................................................................... 23 安装 USB 电缆驱动程序 ...................................................... 24 终端程序设置....................................................................... 25 VAISALA ________________________________________________________________________ 1 3B 操作手册_______________________________________________________________________ 串行命令列表 ............................................................................27 设备信息和状态 ........................................................................28 显示设备信息 .......................................................................28 显示固件版本 .......................................................................28 配置串行线操作 ........................................................................29 设定串行线设置 ...................................................................29 设置串行线响应时间 ............................................................30 设置变送器地址 ...................................................................30 设置测量输出格式................................................................30 选择单位 ..............................................................................32 设置串行接口模式................................................................32 配置测量参数 ............................................................................32 选择模拟输出参数和定标.....................................................32 设置模拟输出模式 (mA/V) ...................................................33 校准模拟输出 .......................................................................34 设置模拟通道的故障报警输出..............................................34 设置模拟输出的报警阈值/LED 指示.....................................35 设置 LED 报警电压 ..............................................................35 扩展模拟输出范围................................................................36 串行线输出命令 ........................................................................36 开始测量输出 .......................................................................36 停止测量输出 .......................................................................36 设置输出间隔 .......................................................................37 输出读数一次 .......................................................................37 故障排除命令 ............................................................................38 显示当前已有错误................................................................38 测试模拟输出 .......................................................................38 其他命令 ...................................................................................39 打开处于 POLL 模式的变送器 .............................................39 关闭 POLL 模式的变送器的连接..........................................39 显示命令列表 .......................................................................40 重置变送器...........................................................................41 恢复出厂设置 .......................................................................41 ppm 转换 ..................................................................................41 MMT162 的变压器油 ppm 转换 ...........................................41 油用平均系数转换模块 ........................................................42 油用特殊系数转换模块 ........................................................42 使用串行线设置油用系数.....................................................43 OIL 命令..........................................................................43 油用特殊系数的确定 ............................................................43 第5章 维护 ...............................................................................................................47 清洁...........................................................................................47 更换探头过滤器 ........................................................................47 更换传感器................................................................................47 错误状态 ...................................................................................48 技术支持 ...................................................................................49 返厂指南 ...................................................................................49 Vaisala 服务中心 ......................................................................50 2 ___________________________________________________________________ M210934ZH-B ________________________________________________________________________________ 第6章 校准和调整 .................................................................................................... 51 MM70 在检查和调整中的应用 .................................................. 52 单点相对湿度调整..................................................................... 52 使用串行线 .......................................................................... 52 CRH 命令 ....................................................................... 53 使用 MI70 ............................................................................ 53 单点温度调整............................................................................ 56 使用串行线 .......................................................................... 56 CT 命令 .......................................................................... 56 使用 MI70 ............................................................................ 57 模拟输出调整............................................................................ 58 第7章 技术数据........................................................................................................ 59 测量参数 ................................................................................... 59 操作环境 ................................................................................... 59 输入和输出 ............................................................................... 60 结构 .......................................................................................... 60 备用件和附件............................................................................ 61 尺寸(以毫米 [英寸] 表示) ..................................................... 62 插图列表 图1 图2 图3 图4 图5 图6 图7 图8 图9 图 10 图 11 图 12 图 13 图 14 图 15 图 16 图 17 MMT162 油中微量水分变送器.................................................. 11 变压器油的水溶性与温度的关系............................................... 14 取下运输保护盖 ........................................................................ 15 变送器安装 ............................................................................... 16 电缆连接 ................................................................................... 16 接头 I 和 II................................................................................. 17 接头引出线 ............................................................................... 17 具有搭扣接头的电缆 ................................................................. 18 具有螺纹接头的电缆 ................................................................. 18 具有 90° 角螺纹接头的电缆...................................................... 19 LED 电缆 .................................................................................. 19 USB 串行接口电缆 ................................................................... 20 PuTTY 终端应用程序................................................................ 26 主菜单....................................................................................... 53 “功能”菜单............................................................................ 53 金属外壳变送器尺寸 ................................................................. 62 塑料外壳变送器尺寸 ................................................................. 63 表格列表 表1 表2 表3 表4 表5 表6 表7 表8 手册修订 ..................................................................................... 6 相关手册 ..................................................................................... 6 MMT162 测量和计算的参数 ....................................................... 9 默认串行接口设置..................................................................... 23 串行线命令 ............................................................................... 27 限制符....................................................................................... 31 模拟输出模式............................................................................ 33 错误信息 ................................................................................... 48 VAISALA ________________________________________________________________________ 3 3B 操作手册_______________________________________________________________________ 本页故意保留空白。 4 ___________________________________________________________________ M210934ZH-B 第 1 章_______________________________________________________________________ 概述 第1章 概述 本章提供本手册和本产品的一般说明。 关于本手册 本手册提供有关 Vaisala HUMICAP® MMT162 油温湿度变送器安 装、使用和维护的信息。 本手册内容 本手册包括以下章节: - 第 1 章:概述,提供本手册和本产品的一般说明。 - 第 2 章,产品简介,介绍 MMT162 油中微量水分变送器的功能、 优点和产品术语。 - 第 3 章,安装,提供有关本产品安装的帮助信息。 - 第 4 章,操作,包含操作本产品所需了解的信息。 - 第 5 章,维护,提供产品基本维护所需的信息。 - 第 6 章,校准和调整,提供产品校准和调整所需的信息。 - 第 7 章,技术数据,提供产品的技术数据。 VAISALA ________________________________________________________________________ 5 3B 操作手册_______________________________________________________________________ 版本信息 表1 手册修订 手册代码 M210934EN-A M210934EN-B 说明 2008 年 9 月 — 第一版 2009 年 3 月 — 更新了电缆规格 相关手册 表2 相关手册 手册代码 M210935EN-A 手册名称 Vaisala HUMICAP® MMT162 油中微量水分变送器 快速参考指南 常规安全注意事项 在本手册全文中,重要的安全注意事项均以如下标识提请用户注意: 警告 “警告”字样提醒用户注意严重的危险。此时需要仔细阅读说明并严 格按照说明操作,否则会有人身伤害甚至死亡危险。 小心 “小心”字样提请用户注意潜在的危险。此时需要仔细阅读说明并严 格按照说明操作,否则可能损坏本产品或丢失重要数据。 注意 “注意”字样强调使用产品时的重要信息。 反馈 Vaisala 公司客户文档组欢迎您就本出版物的质量和实用性提出宝贵 意见和建议。如果您发现纰漏或者有其他改进建议,请指明相应的章 节和页码。您可以将反馈发送给我们,我们的电子邮件地址是: manuals@vaisala.com 6 ___________________________________________________________________ M210934ZH-B 第 1 章_______________________________________________________________________ 概述 产品安全预防措施 交付给用户的 Vaisala HUMICAP® MMT162 油中微量水分变送器已 经完成出厂安全测试和审批。请注意如下预防措施: 警告 请将产品接地,并定期检查户外安装产品的接地情况,防止发生电击 危险。 小心 切勿改动本变送器。不正确的改动可能损坏本产品或导致其失灵。 产品回收 回收再利用所有可用材料。 根据法律规定处理电池和本设备。不要与日常生活垃圾一起处理。 法规遵从情况 Vaisala HUMICAP® MMT162 油中微量水分变送器符合以下性能和 环境测试标准: 电磁兼容性 EN 61326-1:2006-04 + Am1:1998 测量、控制和实验室用电气设备电 磁兼容性要求 — 工业环境。 CISPR16/22 Class B、EN/IEC 61000-4-2、EN/IEC 61000-4-3、 EN/IEC 61000-4-4、EN/IEC 61000-4-5、EN/IEC 61000-4-6 VAISALA ________________________________________________________________________ 7 3B 操作手册_______________________________________________________________________ 商标 HUMICAP® 是 Vaisala Oyj 的注册商标。 Microsoft®、Windows®、Windows® 2000、Windows Server® 2003、 Windows® XP 和 Windows® Vista 是 Microsoft Corporation 在美国和/ 或其他国家或地区的注册商标。 许可协议 Vaisala 或第三方拥有相应软件的所有权。客户的软件使用范围仅限 于适用的供应合同或软件许可协议所规定的范围。 质保 对于有些产品,Vaisala 通常提供一年期有限质保。请注意,因正常 磨损、异常工作环境、操作或安装疏忽或未经授权的改动导致的设 备损坏,不在任何此类质保的范围之列。有关每种产品质保的详细 信息,请参见适用的供应合同或销售条款。 8 ___________________________________________________________________ M210934ZH-B 第 2 章____________________________________________________________________ 产品简介 第2章 产品简介 本章介绍 MMT162 油中微量水分变送器的功能、优点和产品术语。 MMT162 介绍 MMT162 变送器是一种基于微处理器、用于测量循环系统润滑油或 变压器油等中的湿度(用水活性表示)的仪表。探头装有电容性薄 膜传感器。传感器的工作原理是,高分子薄膜吸收水分子后电容会 发生改变。 MMT162 变送器有金属外壳和塑料外壳两种形式。变送器有多种配 置方式:两路模拟输出信号可以调整,测量范围可在一定的限度内 改变,还有两种机械连接选项 ISO 和 NPT 1/2。MMT162 探头配备 一条三米或五米长的连接电缆。 MMT162 还可以提供精确的温度测量,是一种安装简便的在线探 头,可根据可追踪盐溶液等进行校准。 表3 MMT162 测量和计算的参数 参数 水活性 温度 油中水的质量浓度 注意 缩写 Aw T ppm 公制单位 非公制单位 °C °F ppm 仅适用于变压器油。 Vaisala HUMICAP® MMT162 油中微量水分变送器具有可靠的湿度 测量功能,适用于各种环境。模拟输出可以在电流信号和电压信号 之间进行选择。您也可以选择标准数字输出 RS-485。 VAISALA ________________________________________________________________________ 9 3B 操作手册_______________________________________________________________________ 基本功能和选件 - 两路模拟输出 - 数字输出:RS-485 - 用于通过可选的 USB M8 电缆实现服务连接的 USB 连接 - 提供不同长度的电缆 - 提供两种不同的螺纹选件:ISO G1/2" 和 NPT 1/2" - 良好的长期稳定性,所以维护工作量少 - LED 电缆选件,支持可视报警功能 - 可以使用 MM70 进行现场校准 - 提供两种类型的过滤器:不锈钢栅格过滤器和高流量不锈钢栅格 过滤器 (>> 1 m/s) 10 __________________________________________________________________ M210934ZH-B 第 2 章____________________________________________________________________ 产品简介 变送器结构 第 11 页的图 1 显示了 MMT162 的结构。变送器主体内的元件不是用 户可以维修的,因此设计成不能打开。打开变送器将导致质保失效。 在交付变送器时,过滤器由一个黄色的运输保护盖保护。在安装变 送器之前,请取下这个运输保护盖。 0805-007 图1 MMT162 油中微量水分变送器 其中: 1 2 = = 3 4 5 = = = 4 针 M8 接头 I:模拟输出通道和工作电源 4 针 M8 接头 II(所示为带有保护盖): 数字输出 (RS-485) 和工作电源 30 毫米螺母 用不锈钢栅格过滤器保护的 HUMICAP® 传感器 连接螺纹:ISO G1/2" 或 NPT 1/2" VAISALA _______________________________________________________________________ 11 3B 操作手册_______________________________________________________________________ 典型应用 在油中测量湿度的使用方法 MMT162 变送器用水活性 (aw) 衡量油中的含水量,具体确定方法 如下:水活性以 0 - 1 aw 的标度指示水的含量。在此标度内,0 aw 指示油中完全不含水,而 1 aw 则指示油已经水饱和。此时,水以自 由状态存在。 水活性 (aw) 测量法与传统的绝对水份含量(单位:ppm)最大的不 同是饱和点保持稳定,而不考虑油品类型、油品老化以及使用添加 剂等问题。在任何系统中,只要水活性超过 0.9 aw,就存在水分析 出的危险(尤其是温度下降时)。 当水活性超过 0.9 aw 时,系统内极有可能存在自由水,此时就会报 警。该系统最大的优点是,水活性不受油品老化和添加剂的影响, 并且MMT162 变送器可用于进行连续的在线测量。此外,MMT162 可根据盐溶液校准,而无需参考油品。 注意 为避免探头自热而导致测量误差,请确保在应用过程中具有一定 的流量。 润滑油 在许多工业车间,例如造纸厂、水电站和海上风力发电机场,总会存 在一定量的自由水份。这意味着,自由水份与机器轴承相接触的危险 比较高。水进入设备的最常见原因是设备外壳密封不充分或从周围空 气中吸湿。油冷却器和其他设备的意外泄漏同样也会造成损害。 润滑油中的自由水会使润滑油无法在金属表面形成均匀的油层,从 而降低其润滑性能。这会导致局部发热、气穴、腐蚀和微小的蚀斑 等。自由水还会破坏 AW(耐磨剂)和 EP(特高压)等这些添加剂 的性能。请注意,轴承决不能接触到含水量很高的润滑油,特别是 在设备处于静止状态时,因为油温降低时,腐蚀的可能性会增加。 因此,监视含水量,使其保持在合适的水平(即低于饱和状态)十 分重要。 在测量油的含水量时,最好测量集油盒之前和压力管路之后的油流 的水活性。这样,可以保证去湿器正常工作,确保没有自由水接触 到轴承。 12 __________________________________________________________________ M210934ZH-B 第 2 章____________________________________________________________________ 产品简介 变压器油 确定油的含水量是变压器综合维护程序中非常重要的一部分。油的 老化和劣化会增强油品的吸水能力。变压器的主要利害所在是测量 变压器线圈周围的纤维绝缘纸的含水量,而不是测量油的含水量。 加热和冷却对油的含水量影响很大。随着温度的升高,变压器的绝 缘纸易于失去水份,这些水分会被其周围的油所吸收。因此,饱和 度可以真实地指示含水量。MMT162 使用的方法能可靠地检测出油 老化以及潜在的泄漏问题。 油浸式变压器依靠油来冷却、防腐蚀,因此是变压器绝缘的重要组 成部分。如果油的含水量过高,就会加快绝缘材料的老化,降低其 绝缘强度。极端情况下,会导致线圈形成电弧并短路。由于油系统 泄漏后会从周围空气吸收水份,因此精确测出的含水量还可以提醒 用户存在系统泄漏问题。 变压器温度的升高和降低会影响油的含水量。这是因为油的水溶性取 决于温度。通常,水溶性随温度的升高而增加。请参见下面第 14 页 的图 2。温度的改变也会影响变压器线圈周围绝缘纸的水解吸能力。 随着温度的升高,绝缘层的解吸附作用增强,绝缘层周围的油会吸收 解吸的水份。因此,油的含水量也可真实地反映绝缘纸的含水情况。 此外,必须注意的是油的吸水能力取决于油的化学结构和添加剂。 VAISALA _______________________________________________________________________ 13 3B 操作手册_______________________________________________________________________ WATER SOLUBILITY IN MINERAL TRANSFORMER OIL 10000 1000 average water solubility range of variation due to oil type range of variation due to oil type 100 10 0 10 20 30 40 50 60 70 80 90 100 Temperature (°C) 0510-029 图2 变压器油的水溶性与温度的关系 裕度界限显示了矿物油中发现的水溶性差异范围。 14 __________________________________________________________________ M210934ZH-B 第 3 章_______________________________________________________________________ 安装 第3章 安装 本章提供有关本产品安装的帮助信息。 变送器安装 选择了合适的测量位置后,请按照下面的过程来安装变送器: 1. 从变送器上取下黄色的运输保护盖。 0805-005 图3 2. 取下运输保护盖 准备密封接头: - 如果变送器具有平行的 ISO G1/2" 螺纹,则将密封圈放 在螺纹的根部。请始终使用新密封圈,不要使用以前安 装过的密封圈。 - 如果变送器具有 NPT 1/2" 螺纹,则不要使用密封圈。而 应在螺纹上缠上 PTFE 密封带或涂以适当的密封膏。请 按照密封剂的使用说明操作。 3. 确保安装点的螺纹类型正确,并将变送器固定到测量点。用手 旋转探头,直到感觉已拧紧为止。此时不要用力,并检查密封 圈(如果使用的话)是否居中。 VAISALA _______________________________________________________________________ 15 3B 操作手册_______________________________________________________________________ 0805-006 图4 变送器安装 使用 30 毫米扳手将接头紧固到 25 牛米,如上面图 4 所示。如 果没有 30 毫米扳手,请改用 1 3/16" 扳手或使用可调的扳手。 4. 只应在 30 毫米螺母处紧固探头。切勿对探头主体上的其他点 用力。 小心 5. 连上连接电缆的电线。 0710-130 图5 电缆连接 6. 将电缆插到变送器上。确保使用正确的接头;请参见第 17 页 的“配线”一节。 7. 用变送器附带的橡皮塞盖住变送器上未使用的接头。 16 __________________________________________________________________ M210934ZH-B 第 3 章_______________________________________________________________________ 安装 配线 针 1 2 3 4 I Vcc 模拟输出 1 接地 模拟输出 2/LED 线颜色 棕色 白色 蓝色 黑色 II Vcc RS-485 B 接地 RS-485 A 0707-035 图6 接头 I 和 II 0707-036 图7 接头引出线 VAISALA _______________________________________________________________________ 17 3B 操作手册_______________________________________________________________________ 连接电缆 MMT162 可以使用以下三款连接电缆选件: - 具有 M8 阴头直搭扣接头的非屏蔽电缆 - 具有 M8 阴头直螺纹接头的屏蔽电缆 - 具有 M8 阴头 90 度角螺纹接头的屏蔽电缆 - LED 电缆 - USB 串行接口电缆 下面图 8、图 9、图 12 和图 10 显示了不同的可用电缆选件。 0510-036 图8 具有搭扣接头的电缆 0510-037 图9 具有螺纹接头的电缆 18 __________________________________________________________________ M210934ZH-B 第 3 章_______________________________________________________________________ 安装 0809-004 图 10 具有 90° 角螺纹接头的电缆 0809-003 图 11 LED 电缆 VAISALA _______________________________________________________________________ 19 3B 操作手册_______________________________________________________________________ 0809-002 图 12 USB 串行接口电缆 有关电缆订购代码,请参见第 61 页的“备用件和附件”一节。 电源要求 MMT162 变送器设计为在 14 … 24 VDC 的电压下操作。 对于所有负载情况,电源应保持在该电压。正常测量过程中的电源 消耗为 20 mA + 负载电流。有关更多具体信息,请参见第 59 页的 “技术数据”一章。 20 __________________________________________________________________ M210934ZH-B 第 4 章_______________________________________________________________________ 操作 第4章 操作 本章包含操作本产品所需了解的信息。 启动 MMT162 一经连接到电源后即可以使用。 模拟输出操作模式 MMT162 具有两个模拟输出通道。这两个通道可以在两种模式下工 作(可以为两个通道单独设置模式): 1. 正常操作模式 2. 极限报警模式 在从 Vaisala 订购变送器时,会根据订购单上指定的模式来配置操作 模式。产品交付后,可以使用串行命令和 USB 电缆附件来更改操作 设置。 VAISALA _______________________________________________________________________ 21 3B 操作手册_______________________________________________________________________ 正常操作模式和故障报警 在正常操作模式下,通道会输出与所选参数的读数相对应的电压或 电流。 如果变送器发生故障,则会将通道输出设置为预先定义的水平。这 个水平可以使用 AERR 命令进行更改,具体请参见第 34 页。 注意 故障报警优先于极限报警模式。如果变送器发生故障,则始终会 将模拟输出设置为使用 AERR 命令指定的水平。 极限报警 当所测量的参数低于下限或高于上限时,即会激活极限报警。报警 水平和阈值可以使用 ALARM 命令进行配置(请参见第 35 页)。 出厂默认情况下,报警水平按如下方式设置: - 对于电流输出,活动报警由最大标度时的电流 (20 mA) 指明。激活 报警的电流是量程的最大值 (20 mA)。 - 对于电压输出,激活报警的电压是量程的最大值。例如,如果电 压输出量程为 0 … 5 V,则 5 V 输出表明了报警处于激活动状态。 - 对于 LED 报警,激活报警由亮起的 LED 指明。当报警状态为低 时,LED 不会亮起。如果变送器出现故障或由于某种原因无法进 行测量,这会导致 LED 以 0.5 Hz 的频率闪烁。 LED 报警指示灯与 LED 电缆(Vaisala 订货号 MP300LEDCBL)相 连,该电缆可以订购并代替常规连接电缆。 22 __________________________________________________________________ M210934ZH-B 第 4 章_______________________________________________________________________ 操作 串行通信 连接到串行接口 可以使用 RS-485 线将 MMT162 与计算机连接,例如使用 USB 串行 连接电缆(Vaisala 订货号 219690)。该电缆还从 USB 端口向变送 器提供操作电源。即使已经通过其他电缆为变送器提供操作电源, 也可以连接 USB 串行连接电缆。 连接到串行接口: 1. 如果您以前未使用过 MMT162 USB 串行连接电缆,请安装随 电缆一起提供的驱动程序。有关详细说明,请参见第 24 页的 “安装 USB 电缆驱动程序”一节。 2. 在计算机和 MMT162 的 RS-485 端口(端口 II)之间连接 USB 串行连接电缆。 3. 打开终端程序(例如 Microsoft Windows® 中的 PuTTY)。 4. 设置终端程序的串行设置并打开连接。请参见下表。 表4 属性 波特率 奇偶性 数据位 停止位 注意 默认串行接口设置 说明/值 19200 无 8 1 在变送器以错误状态启动的情况下,串行接口设置会自动恢复为 上面表 4 中给出的默认设置。 VAISALA _______________________________________________________________________ 23 3B 操作手册_______________________________________________________________________ 安装 USB 电缆驱动程序 在开始使用 USB 电缆之前,必须在计算机上安装附带的 USB 驱动 程序。在安装驱动程序时,必须确认可能出现的任何安全提示。该 驱动程序与 Windows® 2000、Windows® XP、Windows Server® 2003 和 Windows® Vista 兼容。 1. 确保尚未连接 USB 电缆。如果已经连接,请断开该电缆。 2. 插入随电缆提供的驱动介质,或者从 www.vaisala.com 下载驱 动程序。 3. 执行 USB 驱动程序的安装程序 (setup.exe),并接受安装默认设 置。驱动程序的安装过程可能需要几分钟时间。 4. 安装完驱动程序后,将 USB 电缆连接到计算机的 USB 端口。 Windows 将检测新设备,并自动使用该驱动程序。 5. 安装程序已经为电缆保留了一个 COM 端口。请使用 Windows “开始”菜单中安装的 Vaisala USB Instrument Finder 程序验 证该端口号和电缆的状态。 Windows 会将每条单独的电缆识别为不同的设备,并为其保留一个 新 COM 端口。切记在终端程序设置中使用正确的端口。如果使用 的是 Vaisala MI70 Link 应用程序,则无需检查 COM 端口,因为 MI70 Link 会自动检测 USB 连接。 正常使用情况下没有必要卸载该驱动程序。不过,如果希望删除驱 动程序文件和所有的 Vaisala USB 电缆设备,只需从 Windows“控 制面板”中的添加或删除程序(在 Windows Vista 中为程序和功 能)卸载 Vaisala USB Instrument Driver 条目,即可完成该操作。 24 __________________________________________________________________ M210934ZH-B 第 4 章_______________________________________________________________________ 操作 终端程序设置 第 23 页的表 4 中介绍了 MMT162 串行接口的默认设置。如果您的 MMT162 的设置已经更改,而您不知道进行了哪些更改,请参见 第 41 页的“恢复出厂设置”一节。 下面的步骤说明了如何使用适用于 Windows 的 PuTTY 终端应用程 序(可从 www.vaisala.com 下载)和 USB 串行接口电缆连接 MMT162: 1. 在计算机和 MMT162 的 RS-485 端口(端口 II)之间连接 USB 串行接口电缆。 2. 启动 PuTTY 应用程序。 3. 选择 Serial(串行)设置类别,并检查是否在 Serial line to connect to(要连接到的串行线)字段中选择了正确的 COM 端口。 注意:您可以使用 Windows“开始”菜单中安装的 Vaisala USB Instrument Finder 程序检查 USB 电缆使用的是哪个 端口。 4. 检查其他串行设置对于您的连接是否正确,必要时进行更改。 Flow control(流量控制)应设置为 None(无),除非不得不 进行更改。 5. 单击 Open(打开)按钮打开连接窗口,并开始使用串行线。 注意:如果 PuTTY 无法打开所选的串行端口,它会显示一条 错误信息。如果发生这种情况,请重新启动 PuTTY 并检查 设置。 6. 您可能需要调整 Terminal(终端)类别中的 Local echo(本地 回显)设置才能看到在串行线上键入的内容。要在运行会话时 访问配置屏幕,请在会话窗口上单击鼠标右键,然后从弹出菜 单中选择 Change Settings...(更改设置…)。 VAISALA _______________________________________________________________________ 25 3B 操作手册_______________________________________________________________________ 0807-004 图 13 PuTTY 终端应用程序 26 __________________________________________________________________ M210934ZH-B 第 4 章_______________________________________________________________________ 操作 串行命令列表 方括号内的粗体字为默认设置。要发出某一命令,请在计算机上键 入该命令并按 Enter 键。 表5 串行线命令 命令 ? ?? ACAL ADDR [0 ... 99] AERR ALARM AMODE AOVER [ON/OFF] ASEL ATEST CLOSE CRH CT ERRS FORM FRESTORE HELP INTV [0 ... 255 S/MIN/H] LED OIL OILI OPEN [0 ... 99] R RESET S SDELAY SEND [0 ... 99] SERI [baud p d s] SMODE [STOP/RUN/POLL] UNIT [M/N] VERS 说明 输出设备的相关信息 输出 POLL 模式下的设备相关信息 模拟输出校准 设置变送器地址(对于 POLL 模式) 更改模拟错误输出值 设置模拟输出极限报警模式 查看模拟输出模式 允许模拟输出超出其范围 10% 为模拟输出选择参数 设置并显示电流输出值 关闭临时连接(返回 POLL 模式) 相对湿度校准 温度校准 列出当前的变送器错误 设置 SEND 和 R 命令的输出格式 恢复出厂设置 列出最常用的命令 设置连续输出间隔(对于 RUN 模式) 设置 LED 报警电压 显示油参数 设置新的油参数 打开到 POLL 模式设备的临时连接 开始连续输出 重置变送器 停止连续输出 查看或设置用户端口 (RS-485) 的最短响应 延迟 输出读数一次 用户端口设置(默认:4800 E 7 1)波特 率:300 ... 115200 设置串行接口模式 选择公制或者非公制输出单位 显示软件版本信息 VAISALA _______________________________________________________________________ 27 3B 操作手册_______________________________________________________________________ 设备信息和状态 显示设备信息 ? 命令输出设备信息列表。如果希望显示当前串行线上所有设备的 列表,请发出命令 ??。 ?

VAISALA MMT162变送器用户手册 



