新乡市水利局网站2020年工作年度报表.pdf
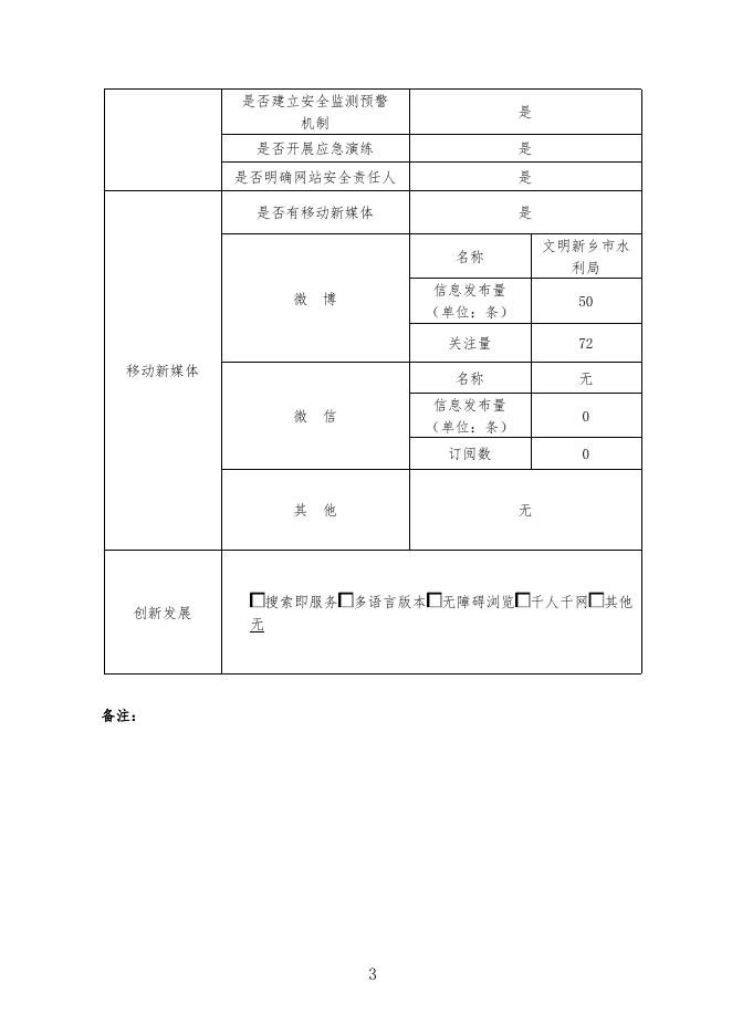
政府网站工作年度报表 (2020 年度) 填报单位:新乡市水利局 网站名称 新乡市水利局 首页网址 slj.xinxiang.gov.cn 主办单位 新乡市水利局 网站类型 部门网站 政府网站标识码 4107000013 豫公网安备 ICP 备案号 豫 ICP 备 18029267 号 公安机关备案号 41070302000 000 号 独立用户访问总 量(单位:个) 网站总访问量 2700 (单位:次) 信息发布 (单位:条) 专栏专题 (单位:个) 总数 664 概况类信息更新量 403 政务动态信息更新量 240 信息公开目录信息更新量 21 维护数量 15 新开设数量 3 解读信息发布 总数 (单位:条) 解读材料数量 (单位:条) 解读产品数量 (单位:个) 媒体评论文章数量 (单位:篇) 解读回应 回应公众关注热点或 重大舆情数量(单位: 次) 4 是否发布服务事项目录 是 1 14 14 0 0 办事服务 注册用户数 (单位:个) 政务服务事项数量 (单位:项) 可全程在线办理 政务服务事项数量 (单位:项) 办件量 (单位:件) 是否使用统一平台 21 0 总数 0 自然人办件量 0 法人办件量 0 是 收到留言数量 (单位:条) 办结留言数量 (单位:条) 平均办理时间 (单位:天) 公开答复数量 (单位:条) 征集调查期数 (单位:期) 收到意见数量 (单位:条) 公布调查结果期数 (单位:期) 访谈期数 (单位:期) 网民留言数量 (单位:条) 答复网民提问数量 (单位:条) 留言办理 互动交流 征集调查 在线访谈 是否提供智能问答 安全防护 17 安全检测评估次数 (单位:次) 发现问题数量 (单位:个) 问题整改数量 (单位:个) 否 1 0 0 2 17 17 3 4 0 0 0 0 0 0 是否建立安全监测预警 机制 是 是否开展应急演练 是 是否明确网站安全责任人 是 是否有移动新媒体 是 文明新乡市水 名称 微 博 信息发布量 (单位:条) 50 关注量 72 名称 无 信息发布量 (单位:条) 0 订阅数 0 移动新媒体 微 其 创新发展 信 他 搜索即服务 利局 无 多语言版本 无 备注: 3 无障碍浏览 千人千网 其他

新乡市水利局网站2020年工作年度报表.pdf

