泵类产品质量监督抽查实施细则.doc
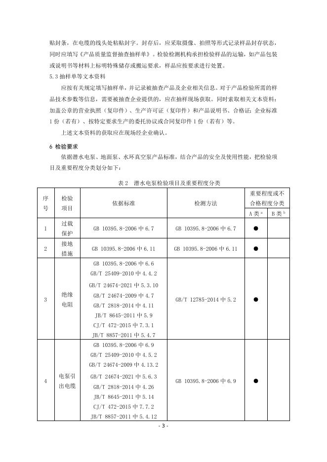
泵 1 范围 本细则适用于泵类产品质量市级监督抽查,其他部门组织的针对特殊情况的监督抽查可 参照执行。本细则内容包括产品分类、企业生产规模划分、检验依据、抽样、检验要求、判 定原则、异议处理。 2 产品分类 按产品执行标准分为:潜水电泵、地面泵、水环真空泵。 潜水电泵按照产品种类划分主要有小型潜水电泵、潜水螺杆电泵、污水污物潜水电泵、 井用潜水电泵。 地面泵按产品种类划分主要有化工离心泵、塑料离心泵、磁力离心泵、屏蔽离心泵、石 油化工离心泵、多级离心泵六种类型。 3 企业生产规模划分 按照国家统计局《统计上大中小微型企业划分办法》划分。 表 1 企业生产规模划分方法 行业名称 指标名称 计量 大型 中型 小型 微型 从业人员(X) 人 X≥1000 300≤X<1000 20≤X<300 X<20 营业收入(Y) 万元 Y≥40000 2000≤Y<40000 300≤Y<2000 Y<300 工业 注:大型、中型和小型企业须同时满足所列指标的下限,否则下划一档。 4 检验依据 凡是注日期的引用文件,仅注日期的版本适用于本细则。凡是不注日期的引用文件,其 最新版本(包括所有的修改单)适用于本细则。 GB/T 25409-2010 《小型潜水电泵》 JB/T 8645-2011 《潜水螺杆泵》 GB/T 24674-2009 《污水污物潜水电泵》 GB/T 24674-2021《污水污物潜水电泵》 JB/T 8857-2011 《离心式潜污泵》 CJ/T 472-2015 《潜水排污泵》 GB/T 2816-2014 《井用潜水泵》 GB/T 2818-2014 《井用潜水异步电动机》 GB 10395.8-2006 《农林拖拉机和机械安全技术要求第 8 部分:排灌泵和泵机组》 GB 10396-2006 《农林拖拉机和机械、草坪和园艺动力机械安全标志和危险图形总则》 -1- GB/T 12785-2014 《潜水电泵试验方法》 GB/T 5656-2008 《离心泵技术条件(Ⅱ类)》 GB/T 5662-2013 《轴向吸入离心泵(1.6MPa)标记、性能和尺寸》 GB/T 13007-2011 《离心泵 效率》 GB/T 13006-2013 《离心泵、混流泵和轴流泵汽蚀余量》 JB/T 8688-2013 《塑料离心泵》 JB/T 7742-2013 《磁力传动离心泵》 JB/T 10483-2013 《管道屏蔽电泵》 GB/T 3215-2019《石油、重化学和天然气工业用离心泵》 GB/T 16907-2014 《离心泵技术条件(I 类)》 JB/T 6663-2018 《轻小型单级离心泵》 JB/T 6435-2013 《轻、小型多级离心泵》 GB/T 29531-2013 《泵的振动测量与评价方法》 GB/T 29529-2013 《泵的噪声测量与评价方法》 GB/T 3216-2016 《回转动力泵水力性能验收试验 1 级、2 级和 3 级》 JB/T 7255-2020 《水环真空泵和水环压缩机》 GB/T 13930-2010 《水环真空泵和水环压缩机 气量测定方法》 GB/T 13929-2010 《水环真空泵和水环压缩机 试验方法》 GB/T 13306-2011 《标牌》 《 中 华 人 民 共 和 国 产 品 质 量 法 》 、 《 产 品 质 量 监 督 抽 查 管 理 暂 行 办 法 》 、 CCGF 503.2-2015《潜水电泵产品质量监督抽查实施规范》、CCGF 503.8-2015《水泵(地面泵) 产品质量监督抽查实施规范》等相关的法律法规、部门规章和规范。 5 抽样 5.1 抽样方法及数量 潜水电泵、地面泵、水环真空泵产品的监督抽查的样品只抽取检验样品,不留备用样品; 由于上述产品的检验检测无破坏性试验项目,不对产品的质量产生实质影响,无需采购检验 样品。 从企业成品存放区随机抽取有产品质量检验合格证明或者以其他形式表明合格的产品, 并且该产品应是近一年生产的产品,要求所抽样品配用电动机的功率≤110kW。 抽样数量:抽样数量为 2 台同一规格型号的样品。 抽样基数:抽样基数原则上不少于 4 台,如非刻意准备,抽样基数满足抽样数量即可。 一般可使用骰子或抽签等方法抽取样本。 5.2 样品处置 将防揭封条贴在被抽样品电机和泵的连接处;对于有外包装的,在外包装盒(箱)上加 -2- 贴封条,在电缆的线头处粘贴封字。封存后,应采取摄像、拍照等形式记录样品封存状态, 同时应填写《产品质量监督抽查抽样单》。检验检测机构承担检验样品的运输,如产品包装 或说明书等材料上标明特殊储存或搬运要求,样品应按要求进行处置。 5.3 抽样单等文本资料 应按有关规定填写抽样单,并记录被抽查产品及企业相关信息。对于产品检验所需的样 品技术参数等信息,需要被抽查企业提供的,应在抽样现场获取。同时索取相关文本资料: 加盖公章的营业执照(复印件)、生产许可证(复印件)和产品说明书、合格证;企业标准 1 份(若有)、按特定要求生产的委托协议或合同复印件 1 份(若有)等。 上述文本资料的获取应在现场经企业确认。 6 检验要求 依据潜水电泵、地面泵、水环真空泵产品标准,结合产品的安全及使用性能,把检验项 目及重要程度分类划分如下: 表2 序 检验 号 项目 1 2 过载 保护 接地 措施 潜水电泵检验项目及重要程度分类 重要程度或不 依据标准 检测方法 合格程度分类 A类a GB 10395.8-2006 中 6.7 GB 10395.8-2006 中 6.7 ● GB 10395.8-2006 中 6.11 GB 10395.8-2006 中 6.11 ● GB/T 12785-2014 中 5.2 ● GB 10395.8-2006 中 6.9 ● GB 10395.8-2006 中 6.6 GB/T 25409-2010 中 4.4.2 GB/T 24674-2021 中 5.3.10 3 绝缘 GB/T 24674-2009 中 4.7 电阻 GB/T 2818-2014 中 4.11 JB/T 8645-2011 中 5.9 CJ/T 472-2015 中 7.3.1 JB/T 8857-2011 中 5.4.7 GB 10395.8-2006 中 6.9 GB/T 25409-2010 中 4.5.2 GB/T 24674-2009 中 4.13.2 4 电泵引 GB/T 24674-2021 中 5.6.3 出电缆 GB/T 2818-2014 中 4.26 JB/T 8645-2011 中 5.14 CJ/T 472-2015 中 7.7.2 JB/T 8857-2011 中 5.4.12 -3- B类b 序 检验 号 项目 重要程度或不 依据标准 检测方法 合格程度分类 A类a B类b GB 10395.8-2006 中 6.6 GB/T 25409-2010 中 4.4.3 GB/T 24674-2009 中 4.9 定子绕 5 组耐电 压 GB/T 24674-2021 中 5.3.12 GB/T 12785-2014 中 13 ● GB/T 12785-2014 中 8 ● GB/T 2818-2014 中 4.13 JB/T 8645-2011 中 5.11 CJ/T 472-2015 中 7.3.3 JB/T 8857-2011 中 5.4.9 JB/T 8645-2011 中 4.3、5.4 6 效率 CJ/T 472-2015 中 7.2.4、7.2.5 JB/T 8857-2011 中 5.3.1、5.3.2 7 安全 GB 10395.8-2006 中 9.2 GB 10395.8-2006 中 9.2 标志 GB 10396-2006 中 4~9 GB 10396-2006 中 4~9 ● GB/T 25409-2010 中 3.3 GB/T 24674-2009 中 3.3 8 规定点 GB/T 24674-2021 中 4.3 流量、 GB/T 2816-2014 中 4.3 扬程 JB/T 8645-2011 中 4.3、5.5 GB/T 12785-2014 中 8 ● GB/T 12785-2014 中 8 ● GB/T 12785-2014 中 7 ● CJ/T 472-2015 中 7.2.4 JB/T 8857-2011 中 5.3.1、5.3.2 GB/T 25409-2010 中 4.3.1、 4.3.6 GB/T 24674-2009 中 4.5 9 功率 GB/T 24674-2021 中 5.3 因数 GB/T 2818-2014 中 4.4、4.9 JB/T 8645-2011 中 5.7.1、5.7.5 CJ/T 472-2015 中 7.3.6、7.3.11 JB/T 8857-2011 中 5.4.5 GB/T 25409-2010 中 4.4.1 GB/T 24674-2009 中 4.6 10 定子温 升限值 GB/T 24674-2021 中 5.3.9 GB/T 2818-2014 中 4.10 JB/T 8645-2011 中 5.8 CJ/T 472-2015 中 7.3.12 JB/T 8857-2011 中 5.4.6 -4- 序 检验 号 项目 电机内 腔水 11 (气) 压试验 12 标志 重要程度或不 依据标准 检测方法 合格程度分类 A类a GB/T 25409-2010 中 4.5.3 GB/T 25409-2010 中 4.5.3 GB/T 24674-2009 中 4.15 GB/T 24674-2009 中 4.15 GB/T 24674-2021 中 5.7.2 GB/T 24674-2021 中 5.7.2 GB/T 2818-2014 中 4.18 GB/T 2818-2014 中 4.18 JB/T 8645-2011 中 5.15 JB/T 8645-2011 中 5.15 CJ/T 472-2015 中 7.4.2、8.4 CJ/T 472-2015 中 7.4.2、 8.4 JB/T 8857-2011 中 5.5.2.3 JB/T 8857-2011 中 5.5.2.3 GB/T 13306-2011 5.2 5.4 GB/T 13306-2011 5.2 5.4 GB/T 25409-2010 中 7.1.1 GB/T 25409-2010 中 7.1.1 GB/T 24674-2009 中 7.1.1 GB/T 24674-2009 中 7.1.1 GB/T 24674-2021 中 8.1 GB/T 24674-2021 中 8.1 GB/T 2818-2014 中 6.1 GB/T 2818-2014 中 6.1 GB/T 2816-2014 中 7.1 GB/T 2816-2014 中 7.1 JB/T 8645-2011 中 8.1.1 JB/T 8645-2011 中 8.1.1 CJ/T 472-2015 中 10.1.1 CJ/T 472-2015 中 10.1.1 JB/T 8857-2011 中 9.1 JB/T 8857-2011 中 9.1 B类b ● a 极重要质量项目。b 重要质量项目。 备注 承检机构应能检验配套≤110kW 的泵 注:极重要质量项目是指直接涉及人体健康、使用安全的指标;重要质量项目是指产品 涉及环保、能效、关键性能或特征值的指标。 表 3 地面泵检验项目及重要程度分类 重要程度或不 序 检验 号 项目 1 过载保 护(仅 适用于 屏蔽泵) 2 接地装 置(仅 适用于 屏蔽泵) 合格程度分类 依据标准 检测方法 A类a GB 10395.8-2006 中 6.7 GB 10395.8-2006 中 6.11 JB/T 10483-2013 中 4.4.6 -5- GB 10395.8-2006 中 6.7 ● GB 10395.8-2006 中 6.11 ● B类b 3 绝缘电 阻(仅 适用于 屏蔽泵) 4 定子绕 组耐电 压(仅 适用于 屏蔽泵) 5 外露转 动件防 护(仅 适用于 各类排 灌用泵 和泵机 组) GB 10395.8-2006 中 6.6 JB/T 10483-2013 中 4.4.3 GB 10395.8-2006 中 6.6 JB/T 10483-2013 中 4.4.4 GB 10395.8-2006 中 7.2 GB/T 12785-2014 中 5.2 ● GB/T 12785-2014 中 13 ● GB 10395.8-2006 中 7.2 ● GB/T 3216-2016 中 5 ● GB/T 13007-2011 中 4 JB/T 8688-2013 中 3.2 6 规定点 效率 JB/T 7742-2013 中 4.3.1 JB/T 10483-2013 中 3.3、4.2 JB/T 6663-2018 中 3.3、4.2.1 JB/T 6435-2013 中 4.4、5.3.3 7 电泵输 入功率、 泵轴功 率 (仅适 用于屏 蔽泵) 8 电动机 定子的 温升限 值(仅 适用于 屏蔽泵) JB/T 10483-2013 中 4.3.1、 4.3.4 JB/T 10483-2013 中 4.4.1 -6- JB/T 10483-2013 中 5 ● JB/T 10483-2013 中 5 ● GB/T 5662-2013 中 4 JB/T 8688-2013 中 3 JB/T 10483-2013 中 3、4.2 9 规定点 流量、 扬程 JB/T 7742-2013 中 4 GB/T 3215-2019 中 7.3.3 GB/T 3216-2016 中 5 ● GB/T 3216-2016 中 5 ● GB/T 29531-2013 ● GB/T 29529-2013 ● GB/T 16907-2014 中 6.3.4 JB/T 6663-2018 中 3.3、 4.2.1、4.2.2 JB/T 6435-2013 中 4.4、5.3.3 GB/T 13006-2013 中 4 GB/T 16907-2014 中 6 10 汽蚀 余量 JB/T 7742-2013 中 4.3.1 JB/T 8688-2013 中 3.2 JB/T 6663-2018 中 3.3、4.2.3 JB/T 6435-2013 中 4.4 GB/T 5656-2008 中 4.3 JB/T 8688-2013 中 5.2.3 JB/T 10483-2013 中 4.8 11 振动 JB/T 7742-2013 中 5.5.3 GB/T 3215-2019 中 5.9.3 GB/T 16907-2014 中 6.3.4 JB/T 6663-2018 中 4.10.1 JB/T 6435-2013 中 5.3.1 GB/T 5656-2008 中 6.3.4.5 JB/T 8688-2013 中 5.2.4 JB/T 10483-2013 中 4.7 12 噪声 JB/T 7742-2013 中 5.6 GB/T 3215-2019 中 7.3.4.4 GB/T 16907-2014 中 6.3.4 JB/T 6663-2018 中 4.10.2 JB/T 6435-2013 中 5.3.2 13 标志 GB/T 13306-2011 5.2 5.4 GB/T 13306-2011 5.2 5.4 GB/T 5656-2008 中 4.14 GB/T 5656-2008 中 4.14 JB/T 8688-2013 中 8.1 JB/T 8688-2013 中 8.1 JB/T 10483-2013 中 7.1.1 JB/T 10483-2013 中 7.1.1 JB/T 7742-2013 中 9.1 JB/T 7742-2013 中 9.1 GB/T 3215-2019 中 6.13 GB/T 3215-2019 中 6.13 GB/T 16907-2014 中 4.15 GB/T 16907-2014 中 4.15 JB/T 6663-2018 中 7.1.1 JB/T 6663-2018 中 7.1.1 JB/T 6435-2013 中 8.1.1 JB/T 6435-2013 中 8.1.1 -7- a 极重要质量项目。 b 重要质量项目。 备注 承检机构应能检验配套≤110kW 的泵 注:极重要质量项目是指直接涉及人体健康、使用安全的指标;重要质量项目是指产品 涉及环保、能效、关键性能或特征值的指标。 表 4:水环真空泵检验项目及重要程度分类 重要程度或不合格 序号 1 2 3 4 5 检验 依据标准 项目 a类 最大 气量 极限 真空 轴承 温度 400hPa 点气量 标志 程度分类 检测方法 b类 GB/T 13930-2010 GB/T 13930-2010 ● GB/T 13929-2010 5.2 GB/T 13929-2010 5.2 ● JB/T 7255-2020 5.15.3 JB/T 7255-2020 5.15.3 ● JB/T 7255-2020 5.2.2 GB/T 13930-2010 ● GB/T 13306-2011 5.2 GB/T 13306-2011 5.2 5.4 JB/T 7255-2020 5.4 9.1 JB/T 7255-2020 9.1 a:极重要质量项目; b:重要质量项目。 注:极重要质量项目是指直接涉及人体健康、使用安全的指标;重要质量项目是指产品 涉及环保、能效、关键性能或特征值的指标。 7 判定原则 每台样品每个检验项目定义为 1 个项次,经检验: A 类检验项目全项次合格且 B 类检验项目全项次合格,判定产品质量检验合格。 A 类检验项目全项次合格,且 B 类检验项目中不合格项次为 1 项,判定产品质量检验不 合格,属于一般不合格。 当产品存在 A 类项目不合格,或 B 类检验项目中不合格项次多于 2 项(含 2 项)或者由 于产品质量问题导致检测不能进行,属于严重不合格。 备注:本次产品质量监督抽查中“标志”项目不参与判定。 8 异议处理 对判定不合格产品进行异议处理时,按以下方式进行: 8.1 核查不合格项目相关证据(书面材料),能够以记录(纸质记录或电子记录或影像记录) 或与不合格项目相关联的其它质量数据等检验证据证明。 -8- 8.2 对需要复检并具备检验条件的,按照《产品质量监督抽查管理暂行办法》规定的要求确 定复检检验机构,复检机构应当按本细则要求对原检验样品组织复检,并出具检验报告。复 检结论为最终结论。 -9-

泵类产品质量监督抽查实施细则.doc




