热电阀门现场维修技术要求(年度)2021.10.21.doc
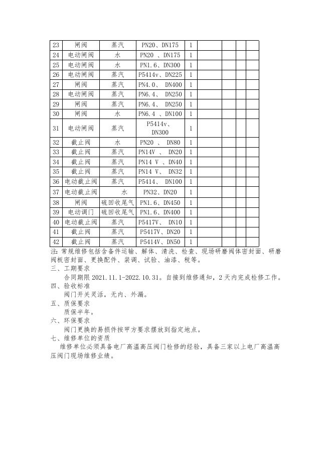
热电厂阀门年度现场维修方案 一、作业环境 序号 类别 1 现场有无危害介质: 2 现场有无易燃介质: 3 是否需要防护作业: 4 是否需要动火作业: 5 6 是否需要登高作业: 是否需要起吊作业: 有 无 □ 有 □ 无 有 无 □ 有 无 □ 有 □ 无 有 无 □ 具体填写要求 蒸汽 无 防烫伤 氧乙炔、电焊由甲方提供并操作; 切割机、磨光机由乙方提供并操 作 吊车、行车甲方提供并操作,电 动葫芦甲方提供乙方操作,龙门 架(葫芦)乙方提供并操作 甲方提供 7 检修平台: 有 无 □ 8 受限空间: 是 □ 否 二、检修方案 1. 项目名称 热电厂阀门(年度)现场维修 2. 维修设备位号、名称、技术参数、安装位置 序号 类别 介质 型号 1 电动闸阀 蒸汽 P5414v、 DN250 2 电动闸阀 水 PN20 、DN175 3 电动闸阀 水 PN20 、DN100 4 截止阀 蒸汽 P5414V、DN40 5 气动球阀 硫回收尾气 PN1.6、DN400 6 电动调节阀 水 PN20 、DN175 7 电动调节阀 水 PN20、 DN100 8 闸阀 水 PN20、DN50 9 电动截止阀 蒸汽 P5414V、DN100 10 电动闸阀 蒸汽 P5414V、DN250 11 球阀 硫回收尾气 PN1.6、DN450 12 闸阀 硫回收尾气 PN1.6、DN400 13 截止阀 蒸汽 PN5417v、 DN40 14 电动闸阀 蒸汽 P5414V 、DN150 15 电动闸阀 蒸汽 P5414V 、DN225 16 电动闸阀 蒸汽 P5414V、DN175 17 电动闸阀 蒸汽 P4.0 、DN400 18 电动闸阀 蒸汽 P5414V DN175 19 电动闸阀 蒸汽 P6.4、DN250 20 电动闸阀 蒸汽 P5414V、DN150 21 电动闸阀 蒸汽 P5414V、DN225 22 电动闸阀 蒸汽 PN20、DN175 23 闸阀 蒸汽 PN20、DN175 备注 焊接式 焊接式 焊接式 焊接式 法兰式 焊接式 焊接式 焊接式 焊接式 焊接式 法兰式 法兰式 焊接式 焊接式 焊接式 焊接式 焊接式 焊接式 焊接式 焊接式 焊接式 焊接式 焊接式 24 25 26 27 28 29 30 31 32 33 34 35 36 37 38 39 40 41 42 电动闸阀 电动闸阀 电动闸阀 闸阀 电动闸阀 闸阀 闸阀 电动闸阀 截止阀 截止阀 截止阀 截止阀 电动截止阀 电动截止阀 闸阀 电动调门 电动截止阀 截止阀 截止阀 水 水 蒸汽 蒸汽 蒸汽 蒸汽 水 蒸汽 水 蒸汽 蒸汽 蒸汽 蒸汽 水 硫回收尾气 硫回收尾气 蒸汽 蒸汽 蒸汽 PN20 、DN175 PN1.6、DN300 P5414v、DN225 PN4.0、 DN400 PN6.4、 DN250 PN6.4、 DN250 PN6.4 、DN100 P5414v、 DN300 PN20 、 DN80 PN14V 、 DN20 PN14 V 、DN40 PN14 V、 DN32 P5414、 DN100 PN32、DN20 PN1.6、DN450 PN1.6、DN400 P5417V、 DN10 P5417V、DN20 P5414V、DN50 焊接式 焊接式 焊接式 焊接式 焊接式 焊接式 焊接式 焊接式 焊接式 焊接式 焊接式 焊接式 焊接式 焊接式 法兰式 法兰式 焊接式 焊接式 焊接式 3.故障情况说明 热电厂高温高压阀门维修,签订年框架协议,故障包含内漏、卡涩等, 现 场拆检,保证阀门开关灵活。 3.1 阀门拆检,阀芯、阀座研磨。 3.2 阀内件如有缺陷不能修复予以更换,更换易损件。 4.检修要求 1)电动主给水旁路调门: 此类阀门为焊接阀门,需在线检修,检修人员拆除电动装置,将套筒拿出, 找到阀门卡涩原因,进行相应研磨,复装后保证阀门开关灵活,并配合调试电动 调门行程。 2)硫回收尾气电动调门(半球阀): 此门法兰连接,检修人员拆除电动装置,将阀门拆下,检查阀门卡涩原因, 进行相应处理,复装后保证阀球密封面严密,阀门开关灵活,并配合调试电动调 门行程。 3)硫回收尾气气动隔离门(球阀): 此门法兰连接,检修人员拆除气动装置,将阀门拆下,检查阀门卡涩原因, 进行相应处理,复装后保证阀球密封面严密,阀门开关灵活,并配合调试气动隔 离门行程。 4)电动闸阀: 此类阀门为焊接阀门,需在线检修,检修人员拆除电动装置,拆除阀门取出 阀门和原密封垫片,再用铲刀/扁头锉刀清理法兰面,安装新的密封垫片。对取 出阀门的阀芯和阀座进行检查,存在缺陷进行研磨处理。阀杆铜套有缺陷的进行 更换;阀内件如有缺陷不能修复予以更换;更换阀门填料,回装阀门。 5)截止阀:(含电动截止阀) 此类阀门为焊接阀门,需在线检修,(乙方人员拆除电动装置)拆除阀门,检 查盘根套筒、阀箍套管螺纹、阀杆传动铜套螺纹无损伤,对取出阀门的阀芯和阀 座进行检查,存在缺陷进行研磨处理。阀内件如有缺陷不能修复予以更换;阀杆 铜套有缺陷的进行更换;更换阀门填料,回装阀门。 A.以上各类阀门涉及的电动、气动装置不需要维修。 B.以上各类阀门中法兰连接的需要乙方对阀门进行拆装,法兰密封垫由甲方 提供。 C.以上各类阀门有备件要求的均由甲方提供。 D.以上各类阀门有操作平台,无需登高,但龙门架、维修工具由乙方提供。 E.如涉及到维修件需到乙方单位进行维修的运输均由乙方负责,吊装由甲方 负责。 5.检修过程中涉及的备件由谁提供 5.1 备件由甲方提供,乙方负责维修。(要求按单台报) 零件维修 常规维 序 数 阀门名称 介质 规格型号 阀 阀 阀 号 量 修 芯 座 杆 1 电动闸阀 蒸汽 P5414v、 DN250 2 电动闸阀 水 PN20 、DN175 3 电动闸阀 水 PN20 、DN100 4 截止阀 蒸汽 P5414V、DN40 5 气动球阀 硫回收尾气 PN1.6、DN400 6 电动调节阀 水 PN20 、DN175 7 电动调节阀 水 PN20、 DN100 8 闸阀 水 PN20、DN50 9 电动截止阀 蒸汽 P5414V、DN100 10 电动闸阀 蒸汽 P5414V、DN250 11 球阀 硫回收尾气 PN1.6、DN450 12 闸阀 硫回收尾气 PN1.6、DN400 13 截止阀 蒸汽 PN5417v、 DN40 14 电动闸阀 蒸汽 P5414V 、DN150 15 电动闸阀 蒸汽 P5414V 、DN225 16 电动闸阀 蒸汽 P5414V、DN175 17 电动闸阀 蒸汽 P4.0 、DN400 18 电动闸阀 蒸汽 P5414V DN175 19 电动闸阀 蒸汽 P6.4、DN250 20 电动闸阀 蒸汽 P5414V、DN150 21 电动闸阀 蒸汽 P5414V、DN225 22 电动闸阀 蒸汽 PN20、DN175 1 1 1 1 1 1 1 1 1 1 1 1 1 1 1 1 1 1 1 1 1 1 23 24 25 26 27 28 29 30 闸阀 电动闸阀 电动闸阀 电动闸阀 闸阀 电动闸阀 闸阀 闸阀 蒸汽 水 水 蒸汽 蒸汽 蒸汽 蒸汽 水 31 电动闸阀 蒸汽 32 截止阀 33 截止阀 34 截止阀 35 截止阀 36 电动截止阀 水 蒸汽 蒸汽 蒸汽 蒸汽 37 电动截止阀 水 PN20、DN175 PN20 、DN175 PN1.6、DN300 P5414v、DN225 PN4.0、 DN400 PN6.4、 DN250 PN6.4、 DN250 PN6.4 、DN100 P5414v、 DN300 PN20 、 DN80 PN14V 、 DN20 PN14 V 、DN40 PN14 V、 DN32 P5414、 DN100 1 1 1 1 1 1 1 1 PN32、DN20 1 1 1 1 1 1 1 38 闸阀 硫回收尾气 PN1.6、DN450 1 39 电动调门 硫回收尾气 PN1.6、DN400 1 40 电动截止阀 蒸汽 P5417V、 DN10 1 41 截止阀 蒸汽 P5417V、DN20 1 42 截止阀 蒸汽 P5414V、DN50 1 注:常规维修包括含备件运输、解体、清洗、检查、现场研磨阀体密封面、研磨 阀板密封面、更换配件、装调、试验、油漆、税等。 三、工期要求 合同期限 2021.11.1-2022.10.31。自接到维修通知,2 天内完成检修工作。 四、验收标准 阀门开关灵活,无内、外漏。 五、质保要求 质保半年。 六、环保要求 阀门更换的易损件按甲方要求摆放到指定地点。 七、维修单位的资质 维修单位必须具备电厂高温高压阀门检修的经验,具备三家以上电厂高温高 压阀门现场维修业绩。

热电阀门现场维修技术要求(年度)2021.10.21.doc


