SSAL220100-ALPS.pdf
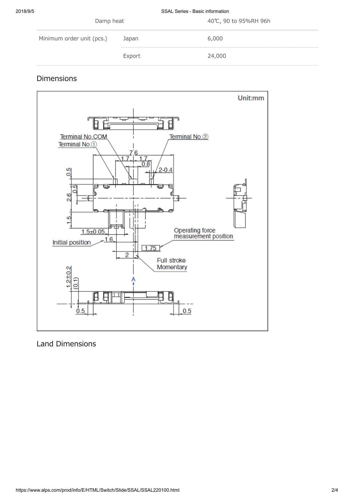
2018/9/5 SSAL Series - Basic information 1.2(H)mm, Single-side Recoil Type SSAL Series Travel 2mm Actuator directions Horizontal Poles 1 Positions 2 Operating force 1±0.5N Changeover timing Not specified Soldering Reflow Operation Right-side recoil Shape of frame leg Flat Location lug Without Operating temperature range -10℃ to +60℃ Rating (max.)/(min.) (Resistive load) 10mA 5V DC/50µA 3V DC Electrical performance Contact resistance (Initial performance/After lifetime) 10Ω max./10Ω max. Insulation resistance 100MΩ min. 100V DC Voltage proof 100V AC for 1 minute Terminal strength 3N for 1 minute Mechanical performance Actuator strength Durability Environmental performance Operating direction 10N Pulling direction 10N Operating life without load 100,000 cycles 10Ω max. Operating life with load (at max. rated load) 100,000 cycles 10Ω max. Cold -40℃ 96h Dry heat 85℃ 96h https://www.alps.com/prod/info/E/HTML/Switch/Slide/SSAL/SSAL220100.html 1/4 2018/9/5 SSAL Series - Basic information Damp heat Minimum order unit (pcs.) 40℃, 90 to 95%RH 96h Japan 6,000 Export 24,000 Dimensions Land Dimensions https://www.alps.com/prod/info/E/HTML/Switch/Slide/SSAL/SSAL220100.html 2/4 2018/9/5 SSAL Series - Basic information Circuit Diagram Packing Specifications Taping Number of packages 1 reel 6,000 (pcs.) 1 case / Japan 12,000 1 case / export 24,000 packing Tape width (mm) 24 Export package measurements (mm) 428×413×172 https://www.alps.com/prod/info/E/HTML/Switch/Slide/SSAL/SSAL220100.html 3/4 2018/9/5 SSAL Series - Basic information Soldering Conditions Example of Reflow Soldering Condition 1. Heating method Double heating method with infrared heater. 2. Temperature measurement Thermocouple 0.1 to 0.2 Φ CA (K) or CC (T) at soldering portion (copper foil surface). A heat resisting tape should be used for fixed measurement. 3. Temperature profile A(℃) B(℃) C(s) D(℃) E(℃) F(s) 230 40 180 150 120 3s max. 260 (1) The condition mentioned above is the temperature on the mounting surface of a PC board. There are cases where the PC board's temperature greatly differs from that of the switch, depending on the PC board's material, size, thickness, etc. The above-stated conditions shall also apply to switch surface temperatures. (2) Soldering conditions differ depending on reflow soldering machines. Prior verification of soldering condition is highly recommended. Reference for Hand Soldering Soldering temperature 350±5℃ Soldering time 3s max. Notes are common to this series/models. 1. This site catalog shows only outline specifications. When using the products, please obtain formal specifications for supply. 2. Please place purchase orders per minimum order unit (integer). https://www.alps.com/prod/info/E/HTML/Switch/Slide/SSAL/SSAL220100.html 4/4

SSAL220100-ALPS.pdf


