秦岭文库(kunmingchi.com)你想要的内容这里独有!

生态环境领域基层政务公开标准目录.doc

Weanhear.(软弱的心脏)5 页 101.5 KB下载文档
生态环境领域基层政务公开标准目录.doc生态环境领域基层政务公开标准目录.doc生态环境领域基层政务公开标准目录.doc生态环境领域基层政务公开标准目录.doc生态环境领域基层政务公开标准目录.doc
当前文档共5页 下载后继续阅读

生态环境领域基层政务公开标准目录.doc

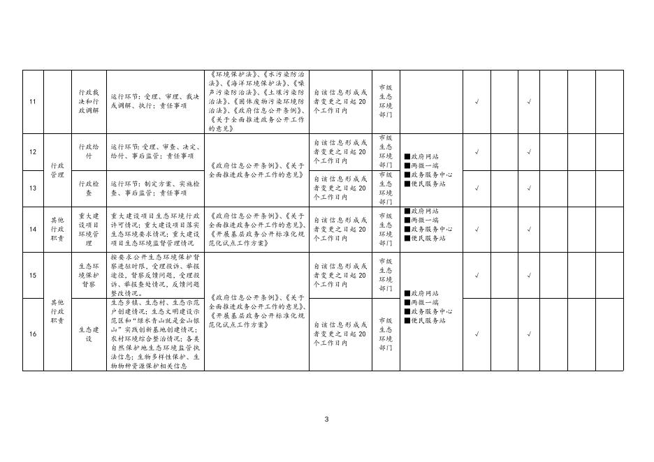
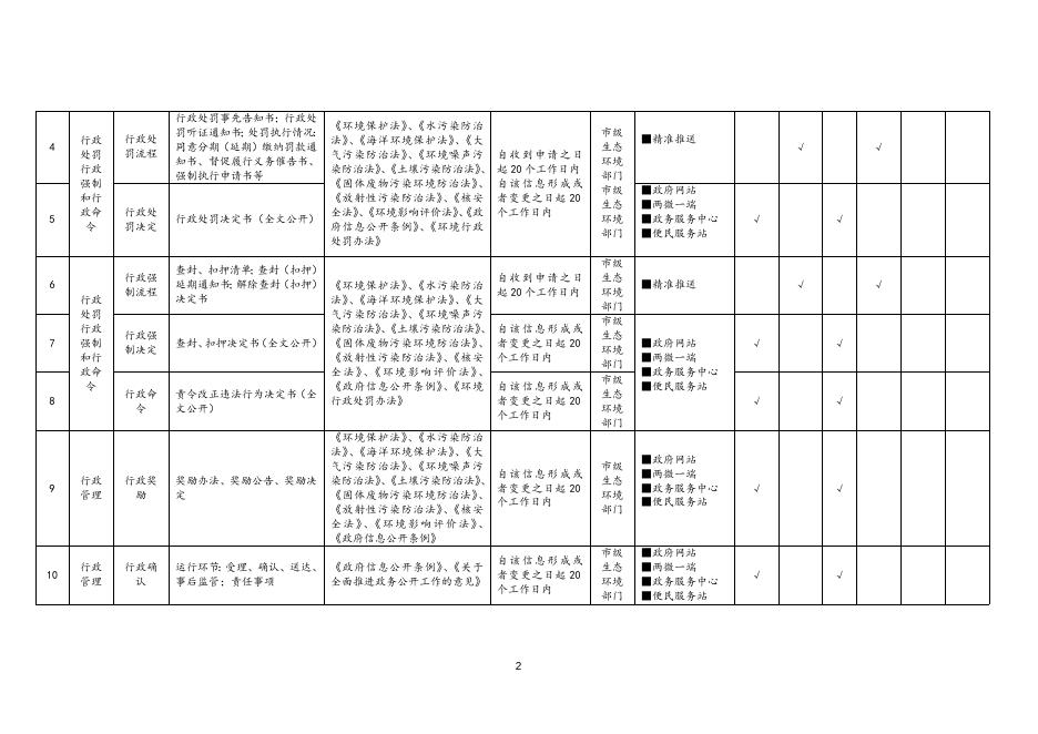
生态环境领域基层政务公开标准目录 公开事项 序 号 1 2 3 公开对象 公开时限 公开 主体 受理环节:受理情况公示、报 《环境影响评价法》、《海洋环 告书(表)全本;拟决定环节: 境保护法》、《放射性污染防治 拟审查环评文件基本情况公 法》、《政府信息公开条例》 示;决定环节:环评批复 自该信息形成或 者变更之日起 20 个工作日内 市级 生态 环境 部门 行政 许可 防治污 染设施 拆除或 闲置审 批 企业或单位关闭、闲置、拆除 工业固体废物污染环境防治 设施、场所的核准结果;企业 或单位拆除、闲置环境噪声污 染防治设施的审批结果;企业 或单位拆除闲置海洋工程环 境保护设施的审批结果 自该信息形成或 者变更之日起 20 个工作日内 市级 生态 环境 部门 行政 许可 危险废 物经营 许可证 受理环节:受理通知书;拟决 定环节:向有关部门和专家征 求意见、决定前公示等;决定 环节:危险废物经营许可证信 息公示;送达环节:送达单 自该信息形成或 者变更之日起 20 个工作日内 市级 生态 环境 部门 一级 事项 二级事 项 行政 许可 建设项 目环境 影响评 价文件 审批 公开内容(要素) 公开依据 《固体废物污染环境防治法》、 《环境噪声污染防治法》、《海 洋环境保护法》、《政府信息公 开条例》、《关于全面推进政务 公开工作的意见》、《开展基层 政务公开标准化规范化试点工 作方案》 《固体废物污染环境防治法》、 《政府信息公开条例》、《危险 废 物 经 营 许 可 证 管 理 办 法 》、 《国务院关于取消和下放一批 行政审批项目的决定》、《关于 做好下放危险废物经营许可审 批工作的通知》 1 公开渠道和载 体 ■政府网站 ■两微一端 ■政务服务中心 ■便民服务站 ■政府网站 ■两微一端 ■政务服务中心 ■便民服务站 ■政府网站 ■两微一端 ■政务服务中心 ■便民服务站 全社 会 特定 群众 公开方式 依申 主 请公 动 开 √ √ √ √ √ √ 公开层级 县级 乡、 村级 4 5 行政 处罚 行政 强制 和行 政命 令 6 7 行政 处罚 行政 强制 和行 政命 令 8 行政处 罚流程 行政处 罚决定 行政强 制流程 行政强 制决定 行政命 令 行政处罚事先告知书;行政处 罚听证通知书;处罚执行情况: 同意分期(延期)缴纳罚款通 知书、督促履行义务催告书、 强制执行申请书等 《环境保护法》、《水污染防治 法》、《海洋环境保护法》、《大 气污染防治法》、《环境噪声污 自 收 到 申 请 之 日 染防治法》、《土壤污染防治法》、 起 20 个工作日内 《固体废物污染环境防治法》、 自 该 信 息 形 成 或 《放射性污染防治法》、《核安 者变更之日起 20 全法》、《环境影响评价法》、 《政 个工作日内 府信息公开条例》、《环境行政 处罚办法》 市级 生态 环境 部门 市级 生态 环境 部门 查封、扣押清单;查封(扣押) 自收到申请之日 延期通知书;解除查封(扣押) 《环境保护法》、《水污染防治 起 20 个工作日内 决定书 法》、《海洋环境保护法》、《大 气污染防治法》、《环境噪声污 染防治法》、《土壤污染防治法》、 自 该 信 息 形 成 或 查封、扣押决定书(全文公开) 《固体废物污染环境防治法》、 者变更之日起 20 《放射性污染防治法》、《核安 个工作日内 全 法 》、《 环 境 影 响 评 价 法 》、 《政府信息公开条例》、《环境 自 该 信 息 形 成 或 责令改正违法行为决定书(全 行政处罚办法》 者变更之日起 20 文公开) 个工作日内 市级 生态 环境 部门 市级 生态 环境 部门 市级 生态 环境 部门 《环境保护法》、《水污染防治 法》、《海洋环境保护法》、《大 气污染防治法》、《环境噪声污 自该信息形成或 染防治法》、《土壤污染防治法》、 者变更之日起 20 《固体废物污染环境防治法》、 个工作日内 《放射性污染防治法》、《核安 全 法 》、《 环 境 影 响 评 价 法 》、 《政府信息公开条例》 市级 生态 环境 部门 自该信息形成或 者变更之日起 20 个工作日内 市级 生态 环境 部门 行政处罚决定书(全文公开) 9 行政 管理 行政奖 励 奖励办法、奖励公告、奖励决 定 10 行政 管理 行政确 认 运行环节:受理、确认、送达、 《政府信息公开条例》、《关于 事后监管;责任事项 全面推进政务公开工作的意见》 2 ■精准推送 ■政府网站 ■两微一端 ■政务服务中心 ■便民服务站 √ √ ■精准推送 ■政府网站 ■两微一端 ■政务服务中心 ■便民服务站 ■政府网站 ■两微一端 ■政务服务中心 ■便民服务站 ■政府网站 ■两微一端 ■政务服务中心 ■便民服务站 √ √ √ √ √ √ √ √ √ √ √ √ 11 行政裁 决和行 政调解 运行环节:受理、审理、裁决 或调解、执行;责任事项 《环境保护法》、《水污染防治 法》、《海洋环境保护法》、《噪 声污染防治法》、《土壤污染防 自 该 信 息 形 成 或 治法》、《固体废物污染环境防 者变更之日起 20 治法》、《政府信息公开条例》、 个工作日内 《关于全面推进政务公开工作 的意见》 12 行政给 付 运行环节:受理、审查、决定、 给付、事后监管;责任事项 自该信息形成或 者变更之日起 20 个工作日内 行政 管理 13 14 其他 行政 职责 《政府信息公开条例》、《关于 全面推进政务公开工作的意见》 运行环节:制定方案、实施检 查、事后监管;责任事项 自该信息形成或 者变更之日起 20 个工作日内 重大建 设项目 环境管 理 重大建设项目生态环境行政 许可情况;重大建设项目落实 生态环境要求情况;重大建设 项目生态环境监督管理情况 《政府信息公开条例》、《关于 自该信息形成或 全面推进政务公开工作的意见》、 者变更之日起 20 《开展基层政务公开标准化规 个工作日内 范化试点工作方案》 市级 生态 环境 部门 自该信息形成或 者变更之日起 20 个工作日内 市级 生态 环境 部门 其他 行政 职责 16 市级 生态 环境 部门 市级 生态 环境 部门 行政检 查 生态环 境保护 督察 15 市级 生态 环境 部门 生态建 设 按要求公开生态环境保护督 察进驻时限,受理投诉、举报 途径,督察反馈问题,受理投 诉、举报查处情况,反馈问题 整改情况。 生态乡镇、生态村、生态示范 户创建情况;生态文明建设示 范区和“绿水青山就是金山银 山”实践创新基地创建情况; 农村环境综合整治情况;各类 自然保护地生态环境监管执 法信息;生物多样性保护、生 物物种资源保护相关信息 《政府信息公开条例》、《关于 全面推进政务公开工作的意见》、 《开展基层政务公开标准化规 范化试点工作方案》 自该信息形成或 者变更之日起 20 个工作日内 3 市级 生态 环境 部门 ■政府网站 ■两微一端 ■政务服务中心 ■便民服务站 ■政府网站 ■两微一端 ■政务服务中心 ■便民服务站 √ √ √ √ √ √ √ √ √ √ √ √ ■政府网站 ■两微一端 ■政务服务中心 ■便民服务站 企业事 业单位 突发环 境事件 应急预 案备案 生态环 境保护 政策与 业务 咨询 17 18 19 公共 服务 事项 生态环 境主题 活动组 织情况 20 生态环 境污染 举报咨 询 21 公共 服务 事项 22 企业事业单位突发环境事件 应急预案备案情况 《环境保护法》、《突发事件应 自该信息形成或 对法》、《政府信息公开条例》、 者变更之日起 20 《企业事业单位突发环境事件 个工作日内 应急预案备案管理办法(试行)》 市级 生态 环境 部门 ■政府网站 ■两微一端 ■政务服务中心 ■便民服务站 生态环境保护政策与业务咨 询答复函 环保公众开放活动通知、活动 开展情况;参观环境宣传教育 基地活动开展情况;在公共场 所开展环境保护宣传教育活 动通知、活动开展情况;六五 环境日、全国低碳日等主题宣 传活动通知、活动开展情况; 开展生态、环保类教育培训活 动通知、活动开展情况 《环境保护法》、《政府信息公 开条例》 自该信息形成或 者变更之日起 20 个工作日内 市级 生态 环境 部门 生态环境举报、咨询方式(电 话、地址等) 《环境保护法》、《政府信息公 开条例》、《环境信访办法》 自该信息形成或 者变更之日起 20 个工作日内 市级 生态 环境 部门 污染源 监督监 测 重点排污单位监督性监测信 息 《政府信息公开条例》、《国家 重点监控企业污染源监督性监 测及信息公开办法》、《国家生 态环境监测方案》、每年印发的 全国生态环境监测工作要点 自该信息形成或 者变更之日起 20 个工作日内 市级 生态 环境 部门 污染源 信息发 布 重点排污单位基本情况、总量 控制、污染防治等信息,重点 排污单位环境信息公开情况 监管信息 《环境保护法》、《政府信息公 开条例》 自该信息形成或 者变更之日起 20 个工作日内 市级 生态 环境 部门 4 √ √ √ √ √ √ √ √ √ √ √ √ ■政府网站 ■两微一端 ■政务服务中心 ■便民服务站 ■政府网站 ■两微一端 ■政务服务中心 ■便民服务站 ■政府网站 ■两微一端 ■政务服务中心 ■便民服务站 ■政府网站 ■两微一端 ■政务服务中心 ■便民服务站 23 24 生态环 境举报 信访信 息发布 公开重点生态环境举报、信访 案件及处理情况 生态环 境质量 信息发 布 水环境质量信息(地表水监测 结果和集中式生活饮用水水 源水质状况报告);实时空气 质量指数(AQI)和 PM2.5 浓 度;声环境功能区监测结果 (包括声环境功能区类别、监 测点位、执行标准、监测结 果);其他环境质量信息 《环境保护法》、《政府信息公 开条例》、《国务院关于印发水 污染防治行动计划的通知》 自该信息形成或 者变更之日起 20 个工作日内 市级 生态 环境 部门 本行政机关的政府信息公开 工作年度报告、环境统计年度 报告 自该信息形成或 者变更之日起 20 《政府信息公开条例》、《关于 个工作日内;政府 全面推进政务公开工作的意见》、 信息公开工作年 《开展基层政务公开标准化规 度报告按照《政府 范化试点工作方案》 信息公开条例》要 求的时限公开 市级 生态 环境 部门 公共 服务 事项 25 生态环 境统计 报告 5 ■政府网站 ■两微一端 ■政务服务中心 ■便民服务站 ■政府网站 ■两微一端 ■政务服务中心 ■便民服务站 √ √ √ √ √ √

相关文章