法人单位基本情况表.docx
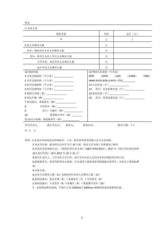
附件 1:法人单位基本情况表 表 号: 制定机关: 物流统调 1-1 表 国家发展和改革委员 中国物流与采购联合会 20 年 01 统一社会信用代码□□□□□□□□□□□□□□□□□□ 02 组织机构代码□□□□□□□□-□ 03 单位详细名称:_______________________ 04 法定代表人(负责人):_______________________ 批准机关: 国家统计局 批准文号: 有效期至: 国统制〔2019〕31 号 2022 年 3 月 05 单位所在地及行政区划代码:□□□□□□ __________省(自治区、直辖市)__________地(区、市、州、盟)___________县(区、市、旗)___________乡 ( 镇 ) ____________________ 街 ( 村 )、 门 牌 号 单 位 位 于 : _______________________ 街 道 办 事 处 __________________________ 社区(居委会)、村委会邮政编码:□□□□□□ 06 行业类别 1□□□□; 2□□□□; 3□□□□; 行业代码 □□□□ 07 物流企业类型(物流企业填写)□ 1.综合型 2.运输型 3.仓储型 08 物流企业服务对象(物流企业填写)□ 1 农产品 2 大宗商品 3 快速消费品 4 危化品 5 电子设备 6 汽车 7 其他_ _(请注明) 09 物流企业服务范围(物流企业填写) 1 覆盖本省(自治区、直辖市)___个地(区、市、州、盟) 2 覆盖___个省(自治区、直辖市) 3 覆盖___个国家及地区 10 登记注册类型□□□ 内资 160 股份有限公司 230 港澳台商独资经营 330 外资企业 110 国有 170 私营 240 港澳台商投资股份有限公司 340 外商投资股份有限公司 120 集体 190 其他 290 其他港、澳、台商投资企业 390 其他 130 股份合作 港澳台商投资 外商投资 140 联营 210 港澳台商合资经营 310 中外合资经营 1 续表 11 从业人员 指标名称 代码 总计(人) 甲 乙 1 从业人员期末人数 11 其中:物流岗位从业人员期末人数 12 其中:研究生及以上学历人员期末人数 13 大学专科、本科学历人员期末人数 14 高中学历人员期末人数 15 12 基础设施 12 物流信息系统(可多选) 1 自有仓储面积(平方米)______________ ERP 2 自有仓储容积(立方米)______________ WMS□EOS□EDI□CAPS □其他_________ 3 租用仓储面积(平方米)______________ 13 自有托盘(片)______________ 4 租用仓储容积(立方米)______________ 14 5 铁路专用线(条)______________ 15 租赁托盘(片)______________ 6 货运车辆(辆)______________ 16 □GPS □GIS □CRM□ 其中:自有标准托盘(片)______________ 其中:租赁标准托盘(片)______________ 7 按功能分:普通货车(辆)______________ 8 专用货车(辆)______________ 9 其中:冷藏车(辆)_____________ 10 集装箱专用车(辆)_______ 11 按动力来源:新能源货车(辆)____________ 单位负责人: 年 月 统计负责人: 填表人: 联系电话: 报出日期:20 日 说明:1.本表由本制度选定的物流业、工业、批发和零售业的独立法人企业填报。 2.本表为年报,报送时间为次年 3 月 10 日前,报送方式为网上直报或电子邮件。 3.本表涉及的填报目录:《国民经济行业分类》(GB/T 4754-2017)、2017 年《统计用区划代码和 城乡划分代码》(截至 2017 年 10 月 31 日) 4.研究生及以上、大学本科大学专科、高中学历从业人员均为本单位物流岗位的人员。 5.新能源货车:指采用新型动力系统,完全或者主要依靠新型能源驱动的货车,具体见主要指标解 释。 6.审核关系: a.从业人员期末人数(11)≥物流岗位从业人员期末人数(12) b.基础设施中:货运车辆(6)=普通货车(7)+专用货车(8) c.基础设施中:专业货车(8)>冷藏车(9)+集装箱专用车(10) 7、本制度标准托盘指:平面尺寸为 1200mm×1000mm 规格的国家标准推荐托盘。 2 TMS□

法人单位基本情况表.docx
