秦岭文库(kunmingchi.com)你想要的内容这里独有!

松下FY-40ESC11风幕机使用说明书

Dreamkiller梦境杀手8 页 0 B
松下FY-40ESC11风幕机使用说明书松下FY-40ESC11风幕机使用说明书松下FY-40ESC11风幕机使用说明书松下FY-40ESC11风幕机使用说明书松下FY-40ESC11风幕机使用说明书

松下FY-40ESC11风幕机使用说明书

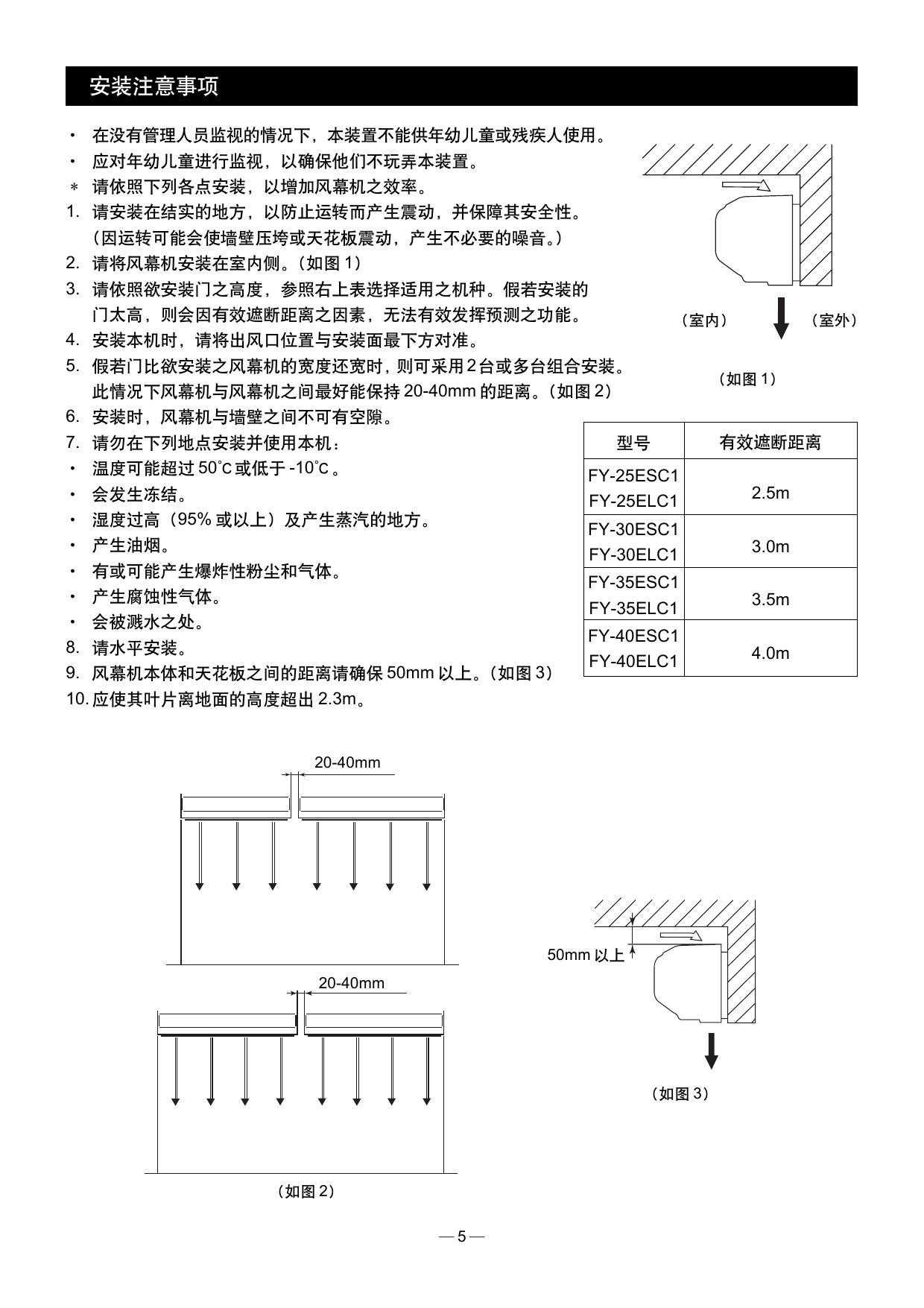
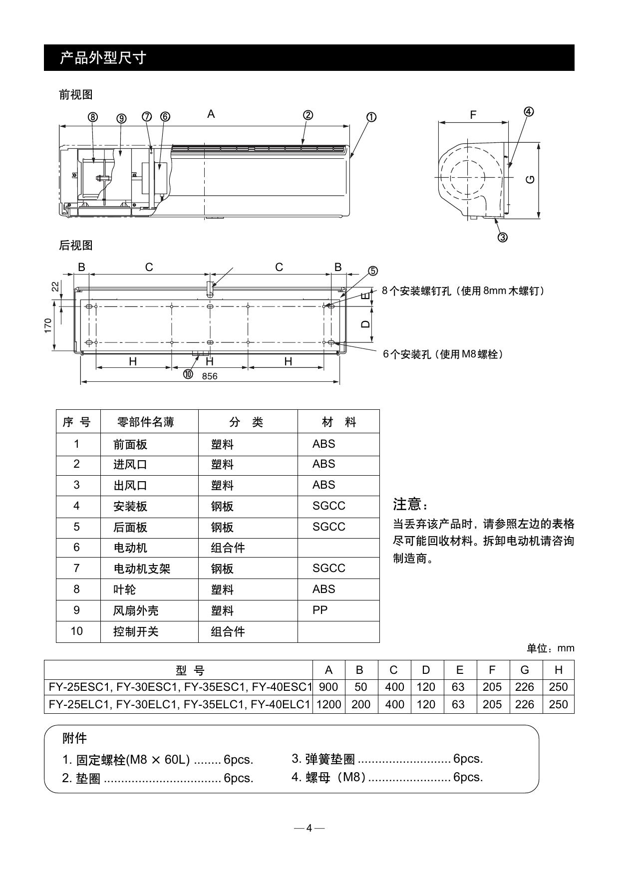
  !"  !Q/GPS005-2007  FY-25ESC1, FY-25ELC1 FY-30ESC1, FY-30ELC1 FY-35ESC1, FY-35ELC1 FY-40ESC1, FY-40ELC1 ====  !"# .......................... 2  !"# .......................... 4  !"# .......................... 5  ! ................................. 6  ! ................................. 7  .................................... 7  ! ................................. 7  !"# .......................... 8  ........................................ 8  ! Panasonic  !" !"#$%&'()*  !"#$%&'()*+,  !"#$%&'()* !"#$%& 1 !"#$%  !"#$%&'()%&*+,-.  !"#$%   !", !"#$% !"#$%&'()*+,-./  !"#$% !"#$%&'()*+,-./0123 !"#$%&'()  !"# !  !"# !"# !"#  !"#$%&'()* !"#$%&#'() !"#$% ! !"# !"# /   &'( !"     !"# !"# !"#$%& !  !"#$%&'()*+,"-./  !" ! !"#$%& !"#$%& !"#$%&  !"# !"#   !  !"#$%&'()!*+,-.   !"#$%&'  !"#$%&   !"#$%&' !"#$%&'()*+",-./-"012 !"#$%&'()*+,-./  !"#$ !"   !"#   !"#$%&'()* !"#$%&' !  2 !"#$%&'() ! !"#$%& !"#$%  !"#$%&'(     !"#$% !" !  ! !"      ! !  !"#$%&'( !" !"#$%&'      !"#$%!"&'() !"#$%&'   !"# !"#$% !"#$%&'()*+,-)./%0  !"#$%&' !"#$%&'() !"#$%&'  !"#$%"&'()*+,-./  !"#$%&'(  !"#$%  !"#$%&'()  !"#$%&'(  !"#  !"#$% !"#$%&'()*+,   !"#$%&'() 3 !"#$%&' !"#$%&'()*+  !"#$% ! !"#$%  !"#      A   F G    C C B 8  !"# 6  ! 8mm  ! D E B H =  H !" H == M8  == 1   ABS 2   ABS 3   ABS 4   SGCC  5   SGCC  !"#$% !"#$% 6    !"#$% ! !"#$% 7   8  9  10  !"  SGCC  ABS !  PP !  mm   A FY-25ESC1, FY-30ESC1, FY-35ESC1, FY-40ESC1 900 B 50 C 400 D 120 E 63 F 205 G 226 H 250 FY-25ELC1, FY-30ELC1, FY-35ELC1, FY-40ELC1 1200 200 400 120 63 205 226 250  1.  !(M8  60L) ........ 6pcs. 2.  .................................. 6pcs. 3.  ! ........................... 6pcs. 4. M8........................ 6pcs. 4  !"#   !"#$%&'()*+ !"#$%&'( !   !"#$%&'( !"#$%&'()   1.  !"#$%&' !"#$%&' !"#$%&' !"#$%&'(  !"#$%&'()*+,-./0 2.  !"#$%&'() 1 !"#$% !"#$%&' 3.   !"#$%&'( !"#$%&'()* !" ! !"#$%&' () !"#$%&'() 4.  5.  !"# !"#$%&'()*+,-. !"#$%&'()*+,*-. ! 2   6.  !"#$%"#$&'()*+, 20-40mm  ! !"#$%&'()*+ 7.    !"#$%&'()*+ !"# 50 ! -10     !"# !95%      !" !"#$%&'()*+,     !"#$% !"#$ 8.  9.  !"# !"#$%&'()*+,-. 50mm   10.  !"#$%&'()* 2.3m !  !"#$% ! !==========  2   !"# FY-25ESC1 !"#$%& FY-25ELC1 2.5m FY-30ESC1 FY-30ELC1 3.0m FY-35ESC1 3.5m FY-35ELC1 FY-40ESC1 3 4.0m FY-40ELC1 20-40mm 50mm  20-40mm   1 2 5 3 !  ! A !"# 1.  !"#$  2.   !"#$%&'(!) !"#$%&'()* !"#$%&'()   !"#$%&'()*+,   ! 5 !"#$ !"#$ !"#$% !"#$%&'&()*  6 4.   ! !"#$%&'() !"#$%&' 4 !"#$%&'()*+ 3.    !"  !"#$%&'()*"+, 7 !  4  7  40-50mm    ! 13-15mm   70mm  B !"  5 6 !"# M8  15mm   !"#$%   150mm    !"#$ !"   ! H !"#$%&'   8  60L !"#$% !"#$ 360mm    6 !"#$ 8  ! 1 2 !" !"#$%  3 !"#$%&'    ! 9       9         EF  EF  EF  EF       N  L  L          !   !"#$%&'()*+,-./&'012345   !"#$   !"#$!"%&'()* !"#$%"&' A !  !"#$%"&'(   /  !"# !"# B !"#   !"#$%&'()*+ 10  !"#$%   !"#$%&'()  10 7 !" !#$&' 3mm   !"# !"#$%&'()*+,- 1 2 !"#$ !"  !"#$%& ! !  !"#$%   !"#$%&'() 5 !"#$%& 11  !"#$  !"#$ M4  !"#$%&' !"!#$%&' 3 4 !   ! 6 !"#$% !"#$%&'()*+%, !"#$%&' !"#$ !"#$%&'()*+,-,./012 1 2 !"#$%&'()*+,-./01 !"#$%&'()*+,-./0#1 3 4 !"#$%&'()*+,-.#/ !"#$%&'()  !"     !"#$  !"# M4 11   W  A  ! m/s  m3/h  dB (A)   FY-25ESC1 60 0.30 12 700 44 12 FY-30ESC1 140 0.65 14 820 49 12  !  FY-35ESC1  218 1.06 18 1060 59 13 FY-40ESC1 220V50Hz 258 1.17 21 1230 61 13 FY-25ELC1 81.5 0.42 12 950 46 14 FY-30ELC1 176 0.85 14 1110 49 14 FY-35ELC1 305 1.45 18 1430 59 15 FY-40ELC1 353 1.66 21 1670 62 15   !"#$%&'  !"#$%& 20 !"# !"#$%&' !" 45 1.5m  !"#  !"#$%&'()*+,()  !"#$%&'()#$*+ 5  8  ! 25ESC1412E B0700-5109

相关文章