不合格产品信息.xls
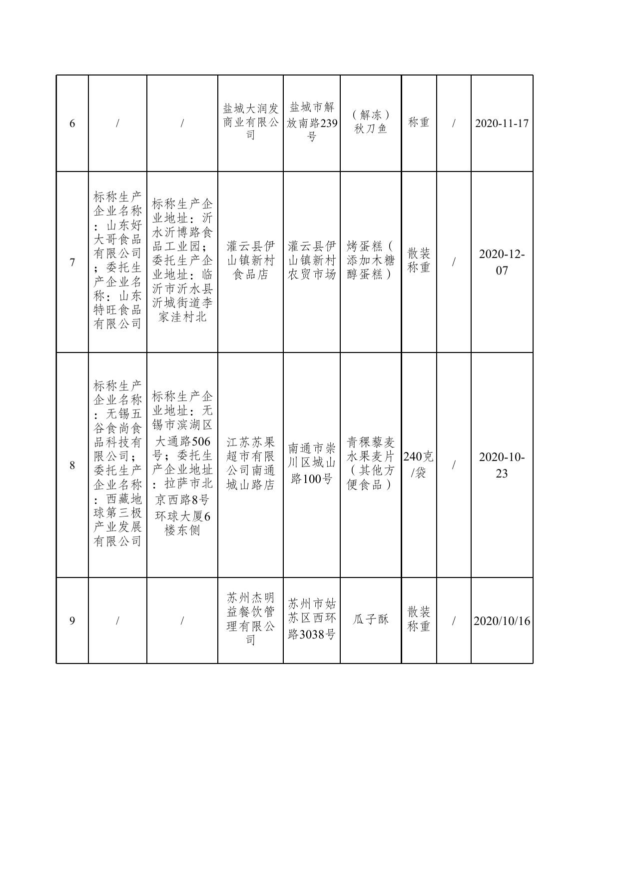
附件2 不合格产品信息 序号 1 2 3 4 5 标称生产 企业名称 标称生产企 被抽样单位 被抽样单 业地址 名称 位地址 规格 型号 商标 生产日期/ 批号 丹阳市开 丹阳市开 散装 发区潘鸿 发区天福 香辣锅巴 称重 武好又多 花园26幢 购物中心 1层 / 2020-1213 江苏永辉超 淮安市淮 市有限公司 安区翔宇 淮安玖珑汇 南道801号 分公司 散称 / 2020-11-01 上海市松江 无锡市锡 上海楷徳 区洞泾镇莘 无锡万润 山区东北 230克 食品有限 砖公路3825 超市有限 塘东亭北 五香花生 /袋 公司 公司 号19幢二层 路5号 、三层 / 2020-1122 江苏省镇江 丹阳市稻 市丹阳市丹 香斋食品 北镇埤城镇 有限公司 中路东段 / / / / 食品名称 石鲟蟹 / 镇江市丹 丹徒区新 徒区新城 城小郁水 瑞泰生鲜 河虾(中) 产经营部 市场水产 区 散装 称重 / 2020-1121 / 丹徒区新 镇江市丹 城郁卫东 徒区新城 河虾(大) 水产品经 瑞泰生鲜 营部 市场内 散装 称重 / 2020-1121 盐城大润发 盐城市解 (解冻) 商业有限公 放南路239 秋刀鱼 司 号 称重 / 2020-11-17 7 标称生产 标称生产企 企业名称 业地址:沂 :山东好 水沂博路食 大哥食品 品工业园; 灌云县伊 灌云县伊 烤蛋糕( 散装 有限公司 委托生产企 山镇新村 山镇新村 添加木糖 ;委托生 称重 业地址:临 食品店 农贸市场 醇蛋糕) 产企业名 沂市沂水县 称:山东 沂城街道李 特旺食品 家洼村北 有限公司 / 2020-1207 8 标称生产 企业名称 标称生产企 :无锡五 业地址:无 谷食尚食 锡市滨湖区 品科技有 大通路506 限公司; 号;委托生 委托生产 产企业地址 企业名称 :拉萨市北 :西藏地 京西路8号 球第三极 环球大厦6 产业发展 楼东侧 有限公司 江苏苏果 南通市崇 青稞藜麦 超市有限 川区城山 水果麦片 240克 公司南通 (其他方 /袋 路100号 城山路店 便食品) / 2020-1023 苏州杰明 苏州市姑 益餐饮管 苏区西环 理有限公 路3038号 司 / 2020/10/16 6 9 / / / / 瓜子酥 散装 称重 信息 不合格项目║检验结 果║标准值 分类 菌落总数||3.0×10⁵C FU/g,6.5×10⁵CFU/ g,2.6×10⁵CFU/g, 4.4×10⁵CFU/g,6.8 糕点 ×10⁵CFU/g||n=5,c=2, m=10000CFU/g,M= 100000CFU/g 任务来 源/项 目名称 检验机构 备注 江苏 省市 谱尼测试集 场监 团江苏有限 督管 公司 理局 / 初检机构: 南京海关动 江苏省 植物与食品 镉(以Cd计 食用 市场监 检测中心; )||0.58mg/kg||≤0.5mg/k 农产 督管理 复检机构: 品 g 局 南京市食品 药品监督检 验院 / 炒货 过氧化值(以脂肪计 食品 )||0.57g/100g||≤0.5g/ 及坚 果制 100g 品 江苏 省市 江苏省产品 场监 质量监督检 督管 验研究院 理局 / 呋喃西林代谢物 食用 ||6.81μg/kg||不得检 农产 品 出 江苏 省市 江苏省食品 场监 药品监督检 督管 验研究院 理局 / 呋喃西林代谢物 食用 ||5.66μg/kg||不得检 农产 品 出 江苏 省市 江苏省食品 场监 药品监督检 督管 验研究院 理局 / 江苏省 组胺 食用 江苏省产品 市场监 ||340.1mg/100g||≤40mg 农产 督管理 质量监督检 品 验研究院 /100g 局 / 纳他霉素 ||19.4mg/kg||<10mg/k 糕点 g 江苏 省市 场监 督管 理局 初检机构: 南京海关动 植物与食品 检测中心; 复检机构: 江苏省食品 药品监督检 验研究院 / 霉菌 ||300CFU/g,130CFU/ g,45CFU/g,40CFU/g, 方便 45CFU/g||n=5,c=2,m 食品 =50CFU/g,M=100CF U/g 江苏 省市 江苏省有机 场监 食品质量监 督管 督检验中心 理局 / 炒货 过氧化值(以脂肪计 食品 )||0.88g/100g||≤0.80g 及坚 果制 /100g 品 江苏 省市 南京海关动 场监 植物与食品 督管 检测中心 理局 /

不合格产品信息.xls


