长安大学公路学院附件2:中国高校产学研创新基金_德州专项申请书.docx
附件 1 中国高校产学研创新基金-德州专项申请指南 为贯彻落实党的十九大和全国教育大会精神,推进产学研协同创新,支撑实 施创新驱动发展战略,提升教育服务经济社会发展能力,促进科技成果转化,教 育部科技发展中心联合德州经济技术开发区管理委员会设立“中国高校产学研创 新基金—德州专项”,用以支持高校在德州经济技术开发区开展协同创新、联合 研究、技术转移及成果转化产业化等产学研合作项目。 一、课题说明 1.“德州专项”主要支持高校与德州经济技术开发区内企业开展合作项目。 2.根据确定的研究内容,“德州专项”为每个立项课题提供不低于 10 万元 的研究经费。 3.课题的计划执行时间为 2021 年 4 月 1 日~2022 年 3 月 31 日,可根据课 题复杂程度适度延长执行周期,最长不超过两年。 4.根据德州经济技术开发区产业发展需要,设立相关科研课题,申请院校从 表一中选择课题方向进行申报。 表一 选题列表 编号 A01 课题方向 企业技术需求 角度头系列 角度头产品开发,无需改变机床结构增大加工范围和适应性, 开发应用 使传统方法难以完成的加工得以实现,并减少工件重复装夹, 提高加工精度和效率。 企业名称 山东金杰机械 有限公司 A02 CNC 数 控 回 数控回转工作台产品开发。数控回转工作台是各类数控铣床 转工作台的 和加工中心的理想的配套附件。以水平方式安装于主机工作 开发应用 台面上,工作时,利用主机的控制系统或专门配套的控制系 统,完成与主机相协调的各种加工的分度回转运动。将其安 装在机床工作台上配置第四轴伺服电机,通过与 X,Y,Z 三轴 的联动来完成被加工零件上的孔,槽及特殊曲线的加工。 联系人:张恒达 13969251133 A03 主轴增速器 主轴增速器产品开发。主轴增速器也叫增速刀柄,包括齿轮 系列的开发 增速器、超高速气动增速器和电主轴增速器,齿轮式的最高 应用 转速可达 42000RPM,气动增速器最高转速可达 90000RPM, 电主轴增速器最高转速可达 80000RPM。主轴增速器通过标 准刀柄锥度(BT/HSK/DIN/ISO ETC.)可方便的安装在各种机 A04 床主轴输出锥孔上,机床不需作任何改动;机床主轴增速器 山东金杰机械 使得普通加工中心进行高速铣削、雕刻加工及孔钻削成为可 有限公司 能。 联系人:张恒达 抗 震 刀 杆 抗震刀杆产品开发。抗震刀杆用于深孔加工(普通刀杆超过 13969251133 (车,铣) 一定深度,会因为弯曲、振动而出现断刀、崩刃等现象)机 系列的开发 加工的防震刀杆与普通刀杆的区别在于:刀杆中装有调谐质 应用 量阻尼器,基于反共振原理,形式上就是一个被动动态系统。 通俗点讲,在刀柄内部,有一个振动吸收装置进行与刀柄弯 曲变形产生的一振动相反,因此能吸收振动,并增加稳定性。 A05 A06 A07 A08 动力刀座系 动力刀座产品开发。动力刀座指安装在动力刀塔上、可由伺 列的应用与 服电机驱动的刀座。这种刀座一般应用在车铣复合机上,也 开发 有少数可应用在带动力刀塔的加工中心上。 高端数控深 1、实现机械加工中工件一次装夹,完成钻孔、镗孔、车削 德州塔基机械 孔加工机床 加工等复合工序,大幅提高工作效率。 科技有限公司 设备开发与 2、满足高精密工件加工需求。 联系人:李延军 研究 3、提高机床设备的智能化程度。 15820068888 基于 CAR-NK 通过开发特定的 scFv 区和优化的共刺激信号区,从而开发 山东天川精准 技术的细胞 出具有创新性和自主知识产权的 CAR-NK 产品;除此之外, 医疗科技有限 免疫治疗手 CAR 还可以用于修饰T细胞,从而能开发出更多基于 CAR 技 公司 段 术的细胞免疫治疗产品,提高企业在肿瘤免疫治疗领域的领 联系人:赵亚琪 先优势。 18322596807 不同品种牛 生物活性多糖分离纯化及活性研究领域;菌株发酵及相关工 博德生物技术 蒡间牛蒡菊 艺优化领域;糖药物的开发及应用领域。 (德州)有限公 糖结构分析 司 对比 联系人:陈希瑞 15253102986 A09 超高精度海 本公司为解决卡脖子技术,实现高精度海洋温度传感器的国 洋温度传感 产替代,研制了一款具有自主知识产权的高性能海洋温度传 器信号采集 感器探头,现需要针对此传感器探头开发研制配套的信号采 变送处理装 集、处理电路及成套装置,具体要求: 置国产替代 1、开发、研制一款传感器探头配套电路装置,主要包括: 品研制 电源激励、信号调理、信号采集、信号滤波、信号处理、数 据存储、数据传输等功能电路;开发、设计水下温度传感器 数据传输模块,实时传输数据至水面终端设备;探讨、研制 德州尧鼎光电 多个水面终端设备通讯模块,实时传输数据至中心采集设备。 科技有限公司 2、温度测量范围:-5℃~35℃。 联系人:高莉媛 3、温度数据采集精度:±0.001℃; 18661916753 4、温度数据采集分辨率:±0.0001℃; 5、温度响应速度:40ms; 6、温度稳定度:±0.0002℃/月。 A10 A11 光学海洋温 开发基于光学原理的高精度和高稳定性的压力传感器,满足 盐深传感器 全海深探测的需求。压力传感器要求:范围为 0 至 110MPa, 的研发 初始准确度≤±0.03%F.S.,年漂移≤0.03%F.S.。 质子交换膜 在复杂工况下,对车载燃料电池出现各种问题进行预警的控 燃 料 电 池 制策略的优化,能及时的对燃料电池状态进行智能测试诊断, 能 源 科 技 有 限 (PEMFC)控 提取燃料电池信息。 制策略 氢普(德州)新 公司 联系人:黄伟 13773579898 A12 烟叶外观检 使用机器视觉和 AI 算法对烟叶进行自动分为 42 个等级。AI 测及自动分 算法应该能基于小样本缺陷进行高效识别。算法应实时性好, 德 州 深 华 光 电 级算法研究 速度可以匹配产品线。 科技有限公司 联系人:高娜 A13 AI 病理细胞 研究高效 AI 病理学细胞分类算法,将载玻片上一部分癌变 分类算法研 或者病毒侵入的组织数字图像,用于评估染色或未染色的细 究 胞的大小、形状及其它特征,进行多达 20 种细胞分类,从 而确定患者罹患疾病的风险。 15753451520 A14 A15 石墨烯复合 以石墨烯复合材料的导热为研究对象,建立石墨烯复合材料 山东沃烯新材 材料的导热 的微观模型,研究石墨烯复合材料的导热性能,发展石墨烯 料科技有限公 机理与调控 复合材料导热的理论方法,理清石墨烯复合材料的导热机理 司 机理研究 和调控方法,为导热石墨烯复合材料的设计和应用提供指导, 联 系 人 : 杨 杰 为进一步研究其他功能材料的导热性能提供参考。 13810792982 延时控制电 1、针对延时控制电路的能量匹配原则和总体设计要求,结 德州鲲程电子 路能量控制 合系统设计特点,确定合理的工作电压范围,确保延时控制 科技有限公司 优化设计研 电路的安全性和可靠性。 联系人:李董敏 究 2、设计年产 1000 万发点火元件连续生产工艺方案并制定详 13355346343 细的工艺规程,满足工程化生产需求。 A16 基于回旋加 1、规模化生产 64Cu、89Zr 的固体靶的制靶工艺,以及规模 速器的放射 化生产 68Ga 的液体靶的制靶工艺; 性核素研制 2、44(g)Sc、197(m)Hg 的固体靶制靶技术; 及新型放射 3、64Cu、89Zr、68Ga、44(g)Sc、197(m)Hg 的纯化工艺, 药物开发 以及自动纯化系统; 4、9Zr、44(g)Sc、197(m)Hg 的双功能偶联剂制备技术; 山东清奇医药 5、用于 PET 诊断的,以靶向 HER2 受体的曲妥珠单抗作为生 科技有限公司 物靶向分子的, 64Cu、89Zr、68Ga、44(g)Sc 标记的放射 联系人:王文清 性抗体制备方法; 18505461286 6、用于诊疗一体化的,以靶向 HER2 受体的曲妥珠单抗作为 生物靶向分子的, 97(m)Hg 标记的放射性抗体的制备方法; 7、用于黑皮素-1 受体阳性肿瘤的诊疗的,以黑皮素-1 受体 作为生物靶向分子的, 64Cu、89Zr、68Ga、44(g)Sc、 197(m)Hg 标记的放射性多肽筛选与制备方法。 A17 智能驾驶机 智能驾驶机器人是指具有自主驾驶车辆行为的机器装置,它 山东凯帝斯工 器人 可以按照人们给定的指令执行相关驾驶操作,如起步、加速、 业 系 统 有 限 公 制动、换道等,也可以通过环境感知实现自主驾车行为,如 司 车道线跟踪、换道、避撞、停车等。特别是道路试验驾驶机 联系人:刘春兰 器人,通过环境感知和识别系统大大提高了自动化程度,可 18963003370 代替驾驶员完成一些疲劳性和危险性驾驶试验,为驾驶员的 安全和试验结果的可靠性提供保证。 A18 A19 节水消雾型 节水消雾型冷却塔、蒸发式空冷器标准工况条件下产品设计、 山 东 金 光 集 团 冷却塔、蒸 研发、模拟计算生及产工艺的编制。 有限公司 发式空冷器 节水消雾型冷却塔、蒸发式空冷器实际使用工况条件下的产 联系人:周勇 设计 品设计、研发、模拟计算及技术指导。 15805341505 可降解遮阳 研发具有一定开孔率的遮阳面料,在保证面料性能(阻燃、 温 多 利 遮 阳 材 面料的研发 抗氧化、色牢度、环保、力学性等)及寿命的基础上可以使 料(德州)股份 废弃遮阳面料在一定的环境中降解。面料中包覆线分为内芯 有限公司 和包覆层,需要包覆层和内芯均具有一定的降解性。 联系人:陈亚茹 18506407690 A20 FRP 游 泳 池 公司专注研发、设计、生产拼装式游泳池,目前开发高端产 德州盛邦体育 池体研发 品,从普通结构向 FRP 领域拓展,现需有关 FRP 高端技术支 产业集团有限 持。 公司 联系人:张浩 13253232992 A21 A22 A23 油田固废油 1、研发油泥经处理后与少量燃煤混合能高效燃烧的装置, 山东清源清洁 泥高效综合 要求燃烧的效率高,并实现达标排放; 能源供热有限 利 用 项 目 2、焚烧残渣再利用,如制作建材等。 公司 (清洁燃烧 联系人:王晓冰 +废渣利用) 13853412365 微波高温热 1、微波高温热处理技术:要求无烟,无毒,无排放; 山东省节能技 处理技术处 2、形成高温液态废料后的分离技术; 术研究院 理玻璃钢废 3、分离出的有机废料制成相变微囊囊壁技术:要求微囊颗粒 联系人:朱若男 料项目 抗压 4-12mPa。 15210058680 甲醇无火焰 1、甲醇无火焰燃烧废热回收利用研究; 山东国辉清洁 燃烧耦合空 2、甲醇无火焰燃烧技术研究; 能源控股有限 气能热泵多 3、甲醇无火焰燃烧与空气能热泵耦合技术研究; 公司 能互补清洁 4、多能互补控制系统研究; 联系人:杨宏飞 供热系统 5、系统集成研究。 18266195673 A24 射频识别技 研究电磁超材料,应用于 RFID 天线设计中,突破天线本身 德州迈尔特新 术 RFID 天线 尺寸的限制,实现小型化,有效地展宽频带以及调控天线的 材料科技有限 用负介电常 增益。 公司 数超材料 联系人:范润德 18613609702 A25 新型太阳能 在装置搭建方面,研究出价格低廉、制备工艺简单、高光热 蒸汽系统及 蒸汽效率的太阳能蒸汽光热材料。受产业共性技术的制约而 光热材料的 停滞发展,亟需新的技术支撑。 应用研究 A26 德州迈特新材 基于工作流 引入工作流技术,开发设计软件能够解决流程处理效率低、 料研究中心 的科研协同 管理复杂的问题。目前市场主流系统软件主要集中在协同设 联系人:范润德 系统软件的 计、会议和化学等方面,在企业科研方面研究甚少,应用范 18613609702 开发设计 围比较局限;也有部分软件系统在传统的工作流科研管理系 统更注重固定流程和制度的控制,忽略了企业科研过程具有 业务流程易变、部门交互复杂、资源共享性差和系统安全性 低的问题。创新型企业需要以工作流关键技术为核心,结合 社交网络工具和交互技术的科研协同平台软件系统。 A27 井下提速工 针对井下提速工具,现阶段主要是水力振荡器、冲击螺杆、 具 扭冲和压力加压推进器,现需一种新的提速工具,能降低立 德州联合石油 管压力,包含但不局限于通过结构降低工具的压耗。 科技股份有限 公司 A28 螺杆钻具结 1、基于井下工况的螺杆钻具整体受力分析,包括壳体部分 构及螺纹受 的静力学、动力学分析和内部结构的流体力学分析; 力分析 2、基于不同井身结构和不同钻具组合钻柱力学分析; 联系人:李涛 15605341982 3、对螺杆钻具的连接螺纹进行建模仿真分析,并指导螺纹 优化。 A29 氯己定与 Carbomer 是一类重要的流变调节剂,有增稠、悬浮等重要 山东科宏医疗 Carbomer 凝 用途,且工艺简单,稳定性好,是一种优良的凝胶基质。氯 科技有限公司 胶的相容性 己定为双氯苯双胍己烷,系阳离子表面活性剂,具有相当强 联系人:杨丹红 的广谱抑菌、杀菌作用,是一种较好的杀菌消毒药。由于 15345456816 Carbomer 是一种阴离子型高分子聚合物,氯己定加入到 Carbomer 溶液中会产生拮抗作用,无法形成凝胶产品。因 此,在不破坏氯己定杀菌作用的前提下,如何对氯己定进行 修饰,形成含有氯己定的 Carbomer 消毒凝胶是目前需要解 决的问题。 A30 新一代空气 1、该项目希望能与具备此类项目研发基础(高技术成熟 净化消杀模 度),并已形成相关成型样机(项目成熟度)的研发团队合 块的研发 作; 2、该项目在控制不增加风阻的前提下,应形成对 PM2.5-0.1 颗粒物有效的物理阻隔; A31 3、该项目应具备对甲醛等 VOC 类成分有效(99%以上)的清 德州清润德健 除效率; 健康科技有限 4、该项目应具备针对细菌、病毒的消杀功能,有效消杀率 公司 应高于目前市售产品。 联系人:刘鹏飞 新型驻极过 1、该项目希望能与具备此类项目研发基础(高技术成熟 0534-7828821 滤材料的研 度),并已形成相关可视化样品(项目成熟度)的研发团队; 发 2、该项目在控制不明显增加风阻的前提下,应形成对 PM2.5-0.1 颗粒物有效的物理阻隔; 3、该项目具有良好的载电和多次驻极性能; 4、该项目应具备对甲醛等 VOC 类成分有效(99%以上)的过 滤能力以及对细菌等病原体的消杀功能,有效消杀率应高于 目前市售产品; 5、该项目应具备量产能力和适合的性价比。 A32 低温固化粉 开发可低温固化、适用性广的粉末涂料。要求:粉末涂料固 德州龙田环保 末涂料的研 化温度≤100℃;固化时间 10-20 分钟并具有良好的光泽度 科技有限公司 发 和附着力。 联系人:范士堂 18953486368 A33 基于肝损伤 1、构建经典肝损伤动物模型; 德州翔煊医药 保护作用的 2、验证德州桑黄保肝护肝体内外功效; 科技有限公司 德州桑黄药 3、在功效确证基础上找到德州桑黄肝损伤保护作用的药效 联系人:唐萍 效物质基础 物质基础(功效成分群、单一类别组分等) 13621035413 研究 A34 A35 柔性控温面 研究可控温调节的面膜材料。 山东德润新材 膜用水刺非 要求: 料科技有限公 织造布关键 1、加温元器件具有柔性,与面部进行很好的贴合; 司 技术 2、对面膜可以进行 30℃-40℃之间进行控温; 联系人:陈国鹏 3、导线电路具有柔性,不妨碍面膜与面部贴合。 13853465211 儿童孤独症 该项目主要利用孤独症儿童行为学,脑,血液,尿液生物标 山东科罗尼克 早期诊断的 记物采集及与正常儿童比对结果,通过大数据整合医学,提 医疗科技有限 生物标记物 炼特征谱,获得生物画像,未来应用于孤独症的早期辅助诊 公司 研发 断与亚型诊断,为早期干预,提升预后提供技术支持。 联系人:高剑峰 13911764346 A36 混凝土装配 需要解决技术问题: 式建筑构件 1、通过技术手段(视觉、重量传感、数据记忆、红外)等 布料机智能 能全自动确定布料起始点和布料行程,以及修正; 精准布料技 2、实现智能化一键操作或全自动连线运行; 术 3、智能回馈调整; 4、具备 CAD 调取能力和 MES 系统对接能力。 A37 达到技术参数: 德州海天机电 1、布料节拍:<6 分钟 提升 40% 科技有限公司 2、操作人员:不超过 1 人 联系人:张立峰 3、布料精准度:95% 17706373773 混凝土装配 预制构件工厂将以项目实施为目标,利用数字化设备、信息 式建筑构件 化 管理技术和物联网、互联网平台,系统性整合设计、生 工 厂 MES 信 产、运输、施工、运维资源,打造智能化预制构件工厂,实 息管理软件 现预制装配式建筑工业化建造目标。 1、PC 构件工厂信息数字采集:实现二维码、CAD、表格、 图表的各类型导入。 2、各智能终端统一调度和信息实时同步显示。 3、构件工厂管理规则的数字化编程。 A38 混凝土装配 全国构件生产工厂在生产过程中,因为混凝土构件生产需要 式建筑构件 进行加热养护, 提供高温高湿环境, 一般 PC 工厂需要配备 2-6 工厂新能源 吨蒸汽锅炉,燃烧功率值 1500-4000KW,能源消耗特别巨 互补耦合及 大。一般 PC 构件工厂年能耗费用在 200 万-500 万/年,全 能耗管理平 国 1000 家工厂计算,能耗费用预计 40 亿元。鉴于构件工厂 台 终端养护温度实际需求在低温阶段 50-60℃,故使用太阳能、 空气能都具有技术可行性,在全国混凝土构件工厂推行新能 源部分替代意义巨大,既可以减少常规能源消耗,也可以降 A39 低能源成本,符合国家推广新能源政策要求。 德州海天机电 混凝土装配 目标: 科技有限公司 式建筑构件 1、实现用智能焊接机器人(车)代替人工焊接模台横梁; 联系人:张立峰 生产钢制平 2、可实现环保排烟过滤和焊接机器人行走随动; 17706373773 台特种焊接 3、采用轨道移动或履带小车自动行走,自动焊接。 机器人(车) 需要解决技术问题: 研发 1、智能运行机构和焊接机构的机械自动化耦合结构设计; 2、软控设计,各项运行参数可调; 3、自适应障碍跨越和移动; 4、可实现自动清理焊渣。 实现技术参数: 1、焊接机器人(车)焊接速率:>800 焊接点/小时; 2、焊接机器人焊接构件强度:符合相关行业标准; 3、焊渣清除率 95%; 4、机器人走形速度 X 单向不低于 5m/min。 A40 工矿固废再 1、通过大量理化试验,采集和研究原料微观变化对性能的 利 用 数学模型; 德州海天机电 2、以化学理论基础,研究 GaO 和 AL 以及水泥在高温高压情 科技有限公司 ALC (蒸压轻质 A41 加气混凝土) 况下的复合多程化学反应及带来影响; 联系人:张立峰 材料微观细 3、原料及成品自动化检测仪器的分析手段和方法; 17706373773 化工程研究 4、配方自动调整和生成技术; 实验室 5、工艺熟化和蒸养釜工艺的延伸控制。 交通灯需求 基于实时流量预测的交通灯配时设计。希望基于当前交通流 状态,预测短时流量变化并调整交通灯相位,尤其是绿波相 位,以充分利用交通资源、优化体验。现需要短时(10 分 钟,针对绿波)和超短时(下一周期,针对非绿波)分车道 交通流预测算法。已有条件:周围路口的分方向流量和被预 测路口历史数据。 A42 智能轮挡 1、能连续记录设备的运动轨迹; 2、具备电子罗盘功能(磁偏角,即方位识别); 山东壹云智能 3、姿态识别; 科技有限公司 4、运动距离精度:±1m; 联系人:任静 5、误差可由后台累计修正后存储使用; 18561157608 6、定期校准; 7、不影响整个设备的续航时间; 8、相应速度 100ms 以内。 A43 周界安防雷 1、多普勒脉冲连续波雷达 (现有天线发射机情况下)距离 达 分辨率(最大测距时)目前是 1.5 米,期望达到 1 米以下; 2、多普勒脉冲连续波雷达 多目标检测上线,目前是最大是 8 个,期望达到最大 10 个以上; 3、多普勒脉冲连续波雷达 最远探测距离(现有天线情况下, 保持距离分辨率及多目标的情况下),目前是 100 米,期望 是 150 米。 A44 A45 飞轮数据监 1、方便远程观察数据,实现设备智能化; 控软件(电 2、设备出现故障时,及时发现及时处理; 脑、手机客 3、不用人员现场值守,减少人员配备,大大提高效率; 户端) 4、对于区域性保电,便于设备统一监控,掌握设备的运行 情况; 山东中诚安源 应急发电车 1、利用新能源(太阳能)给应急发电车蓄电池充电,增长 电力科技有限 利用太阳板 蓄电池使用寿命; 公司 给蓄电池充 2、在发电车厢顶部安装太阳能电池板充分利用顶部空间; 联系人:徐惠 电 3、方便蓄电池充电,减轻工作人员劳动强度; 18253427322 4、柴油发动机本身发电机反充太阳储能板,增加柴油发动 机利用率,以减少能源浪费; 5、太阳储能板与柴油发动机给蓄电池充电切换问题。 A46 应急发电车 1、应急发电车并网装置可实现不断电将负载由市电切换到 并网系统及 发电机组; 装置 2、实现用户侧的不间断供电,对于要求不能断电的设备或 设施较为有利; 3、具备不间断电源的功能,可替代部分 UPS 设备。 A47 24v 动 力 产 高尔夫球车使用的动力来源一般为富液式铅酸蓄电池,铅酸 山东奥冠新能 品模块 蓄电池普遍在使用 1 年多之后,性能出现明显下降,导致其 源科技有限公 使用寿命大大缩短,更换蓄电池又要付出昂贵的成本,同时 司 大量废旧蓄电池的产生会对环境和人类健康造成危害。然而 联系人:孙浩 锂电池的出现是柳暗花明,使用锂电池替代铅酸动力电池成 15689523699 了发展的必然方向。希望基于锂电池技术,增加续航里程, 合作开发高尔夫球车用“24V 动力产品电源系统”。 A48 数字式成套 研制开发数字式成套计量加药装置,实现除硫剂及其他药剂 德州华海石油 计量加药装 的定时、定量、自动加药,同时该装置用于野外作业,实现 机械股份有限 置 无人值守,远程监控及控制。为此本课题拟针对该关键技术 公司 问题进行攻关,从机械配置、电气控制、软件开发等方面入 联系人:夏明珠 16605341215 手,开发出适合多井口加药的数字式成套计量加药装置系列 产品。 A49 城市污泥处 拟采用德国最新热解技术,对污泥热解装备进行国产化研究, 德 州 隆 科 石 油 理装备关键 目的是使污泥处理处置达到减量化、稳定化和无害化后作为 装备有限公司 技术研究 资源加以综合利用,既解决了污泥的出路问题,又开发了新 联系人:夏石庄 的资源,满足了可持续发展的需求。在前期调研和方案讨论 18653472707 过程中发现以下关键技术难点需求: 1、污泥热解处理工艺设计; 2、干燥装置中送料机构、干燥罐结构设计; 3、干燥工艺过程中导热性能分析与优化; 4、热解装置设计及优化; 5、热解工艺过程中导热性能分析与优化; 6、干燥过程粘度大的污泥黏连在干燥罐内壁。 A50 碳纤维/石 1、“穿衣养体”健康理念的碳纤维功能服装/石墨烯功能服 山东省多能互 墨烯在功能 装的研发; 补产业技术研 服装与纺织 2、选取含碳量 95%以上的高强度碳纤维材料,生产蓄热保 究院有限公司 领域应用 暖、安全稳定、控温精准的功能服装; 联系人:刘静欢 3、研发石墨烯抗菌抑菌口罩; 18315872868 4、碳纤维服装与石墨烯服装发热高效、智能系统集成研究; 5、对应碳纤维与石墨烯电热材料的服装及纺织产品进行产 品结构、款式设计、色彩、图案、工艺等方面研发; 6、按人体工学理论设计,将纺织服装加工技术与碳纤维、 石墨烯的技术相结合,以 3D 剪裁技术充分实现产品功能性、 智能性、环保性。 A51 新能源汽车 1、能够按照标准《电动汽车用动力蓄电池安全要求》对电 中机寰宇(山东) 电池安全测 池包进行挤压针刺试验。 车辆认证检测 试装备 2、设备能够进行电池包热失控试验,包括热失控触发开启、 有限公司 热失控触发停止、热事件报警信号、外部烟、火、爆炸等。 联系人:黄晓波 3、挤压试验台采用液压伺服系统控制设备参数精度。 13012769162 4、设备带有喷淋系统和平台下沉水池方式解决试验过程着 火问题。 5、设备能够采集电池包挤压过程中的温度、电压等参数。 A52 新能源汽车 1、能够按照标准《电动汽车用动力蓄电池安全要求》对电 电池冲击测 池包进行冲击试验。 试装备 2、本系统可以产生半正弦波,半正弦波形发生器使用工程 橡胶或浇注聚氨酯材料制造,可以根据不同的硬度和厚度组 合得到各种不同的冲击脉冲宽度。 中机寰宇(山东) 车辆认证检测 有限公司 联系人:黄晓波 13012769162 3、机械冲击试验台可通过夹具实现 x、y、z 三个轴向机 械冲击测试项目。 4、电控部分用于信号的采集与试验设备的动作控制,配电 方式采用强弱电分开机制,避免强电对弱电的干扰。 A53 多能源智能 通过运行和参数数据采集,系统能够根据具体情况寻找最优 供热云控制 运行方案,实现供热系统自动、按需、精准、节能供热的目 管理系统 的,使锅炉产品更加智能化。 目标:1、控制系统联网云平台搭建。2、控制数据采集及分 A54 析应用。3、单一热源的精准控制、热源间的自适应切换程 德州威诺冷暖 序。 设备有限公司 多能源互补 提供一种天然气、热泵、电力耦合供热系统,将天然气、热 联系人:杨振明 系统 泵、电力耦合供热/制冷集成系统,充分发挥其各自的优点, 18953426006 降低供热成本。 目标:1、系统间自动切换的控制设计。2、太阳能系统集热 的综合利用。3、各系统达到供热需求前提下根据成本优先 原则的自适应调节。4、制冷、制热系统集成与控制系统开 发。 A55 爬壁机器人 本公司正在研制一套适用于 LPG 球形储罐焊缝检测的爬壁 关键技术研 机器人,在研发过程中,出现三方面技术难点: 究 1、由于所设计的爬壁机器人工作环境为 LPG 球形储罐,这 就导致爬壁机器人接触的工作面为球面而非平面。因此,如 何设计具有一定柔性特点的机器人主体结构,增大爬壁机器 人轮子与罐壁的接触面积成为了技术难点。此外,根据机器 人的运动状态来预估此时爬壁机器人每个轮子所需的磁力, 山 东 德 疆 机 电 否则过大或过小的磁力都会导致爬壁机器人运动不正常。因 科技有限公司 此,如何构建正确的预测模型成为了技术难点。 联系人:何运丽 2、由于爬壁机器人工作的 LPG 球形储罐内较为昏暗且无明 15621251075 显路标。在罐体内,爬壁机器人上带有的可以定位的传感器 仅为编码器和陀螺仪,然而编码器在运行一段距离后往往会 有堆积误差。因此,如何在现有条件下,如何选择有效的辅 助手段以及建立准确的卡尔曼滤波模型成为了技术难点。 3、基于双激光雷达扫描的 LPG 球罐焊缝检测爬壁机器人的 研制过程中,涉及多个学科领域,涉及多门技术以及多个模 块融合,因此如何建立模块化体系结构的系统总体研究模型, 确定总体框架体系与各功能部件模块化框架体系以及接口 标准成为了技术难点。 A56 医疗服务机 研发智能婴儿床项目,探索物联网设备的应用,进行嵌入式 山东德光工业 器人婴儿床 软件实验与硬件的检测和调试,嵌入式软件需要开发过程可 机器人技术有 行性分析、需求分析、概要设计、详细设计、程序建立、程 限公司 序下载、程序调试、程序固化、程序测试等 9 个阶段,实现 联系人:刘经理 与各个通信模块的信息链接,通过可靠性测试、实时性测试、 17705442721 并发性测试、资源占用情况测试来来完成软件技术研发。对 于硬件 PCB 板的研发通过一下步骤:方案设计、样机制作、 产品验证、小批试实验、正式装机。 A57 智能植保机 1、运用大数据分析,实现机器人精准控制; 德州精辰机械 器人 2、对植物育苗、播种、追肥等能实现精细化管理; 有限公司 3、实现农药、化肥自动喷洒、降低人员接触的几率; 联系人:吕永新 13346279608 4、开发高可靠性、易用性强、操作简单的机器人; 5、解决病虫害识别、环境土壤检测。 A58 医疗器械高 1、须采用射频电刀肛肠治疗机器人控制,达到国内领先水 频电刀治疗 平; 机器人 2、减少医院电磁辐射及电磁干扰,减少医生及患者的电磁 辐射对健康的影响; 3、射频电刀肛肠治疗机器人能在射频辐射扰动变化极大的 电磁环境下正常使用; 4、能够对各种肛肠类进行病灶分析,上传数据库,实时调 德州博昊智能 取数据分析; 科技有限公司 5、机器人智能分析病因,协助医生完成人工不能完成的手 联系人:周英涛 术,实现医生与智能机器人协同手术; 15964168720 6、结合达芬奇系统( da Vinci)和“宙斯”系统(Zeus)优 化肛肠治疗机器人自动操控能力; 7、采用肛肠治疗机器人后,手术医师舒适、图像三维、能 通过软件处理消除手术医师手部的震颤、精细操作; 8、对空间定位技术的研究更加深入,要求能实时测出手术 器械的空间位置和姿态,掌握机械定位、超声定位、电磁定 位和光学定位法的方法,对医生的操作设备的能力进行提升; 9、运用“灵境技术”,医生可以通过传感器,传感器与虚 拟环境交互作用,可获得视觉、听觉、 触觉等多种感知, 从而大大提高患者手术的成功率。 A59 基于员工操 拟在新厂区建设一条专门用于高寒高纬度地区的平板太阳 德州金亨新能 作习惯的高 能集热器生产线,其关键工艺提升要求如下: 源有限公司 寒平板集热 1、基于现有生产线原型,在认真调研员工心理需求的前提下, 联 系 人 : 王 彬 器智能生产 设计符合人体工程学的设备设施以适应员工操作习惯,从而 系统关键工 减少无效动作,降低员工劳动强度,提升产品合格率。 艺设计与研 2、根据现有员工的工作水平及操作习惯优化工艺流程,通 究 过工艺设计优化生产系统,通过合并、拆解或优化固有工艺 动作提高工艺操作效率,从而提高产量,降低生产成本 5% 以上。 18266169962 3、通过对员工操作习惯及生产工艺的研究,合理规划生产 布局及设备安全防护从而使生产线更加符合职业健康及安 全体系的要求。 A60 低温高频雾 希望解决“植物除臭剂养殖业净化除臭不彻底(净化除臭率 德州德运环保 化除臭项目 未达到 90%)。高压微雾净化除消系统项目工况中未有自动 科技股份有限 回流泄压等工程设计难点。解决植物液提取复配、除味抑菌 公司 降解、低温高频雾化等产品研发过程中的工业设计、具体工 联系人:杨彬 程技术等问题。 15092501666 二、 申报条件和要求 1.团队成员在选定的项目研究方向有较好的技术储备,包括与申报课题研 究内容相关的研究成果、教材、论文、专利、获奖等。 2.团队组成合理,分工明确,数量不少于 3 人。 3.优先支持研究内容有创造性、前瞻性和实用性,有可转化前景的课题。 4.优先支持有明确研究成果,成果有应用价值,可复制、可推广的课题, 不支持纯理论研究。 5.优先支持研究方向明确,研究内容详实,研究方案完整可行的课题。 6.优先支持院校对所申报项目有资金、政策、人员和场地等条件支持的课 题。 7.申请人应客观、真实地填写申报书,没有知识产权争议,遵守国家有关 知识产权法规。在课题申报书中引用他人研究成果时,必须以脚注或其他方式注 明出处,引用目的应是介绍、评论与自己的研究相关的成果或说明与自己的研究 相关的技术问题。对于伪造、篡改科学数据,抄袭他人著作、论文或者剽窃他人 科研成果等科研不端行为,一经查实,将取消申请资格。 8.立项课题项目获得的知识产权由合作方和课题项目承担单位共同所有。 三、课题申报说明 1.申请人须仔细阅读申请指南,按照指南详细填写申请书,填写不合要 求的课题会按照格式不符合要求处理。 2.请各课题申请人按要求填写申请书(申请书中手机和邮箱必须填 写),加盖学校公章及签字后发送至:drf@cutech.edu.cn;为方便评审,申 请书扫描件请按以下命名规则命名:学校名称+申请人姓名+项目选题编号。 3.申请截止时间为 2021 年 2 月 28 日。 4.课题选题列表上的选题方向都不限定课题数量,但是如果存在内容重 复的相似课题,专家组将根据课题组技术积累、课题方案、课题支撑条件等 要素择优选择立项课题。 5.如果以联合课题组的形式申请课题,需要列明不同学校单位的课题任务。 四、联系人及联系方式 教育部科技发展中心产学研合作处: 杜润发 电话:010-62514692, 18610993567 邮箱:drf@cutech.edu.cn

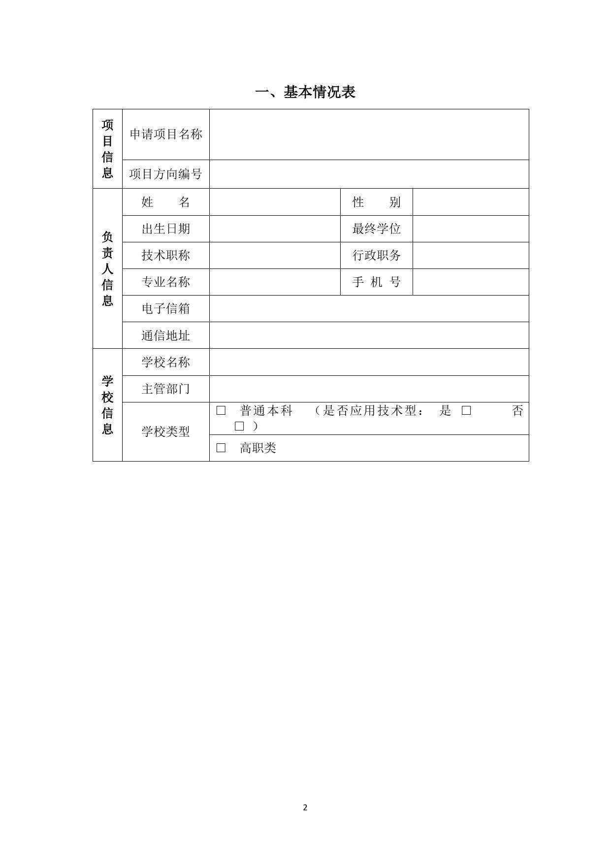
长安大学公路学院附件2:中国高校产学研创新基金_德州专项申请书.docx



