秦岭文库(kunmingchi.com)你想要的内容这里独有!

海利HLPA009043B变频器中文说明书

Allure(诱惑)88 页 0 B
海利HLPA009043B变频器中文说明书海利HLPA009043B变频器中文说明书海利HLPA009043B变频器中文说明书海利HLPA009043B变频器中文说明书海利HLPA009043B变频器中文说明书

海利HLPA009043B变频器中文说明书

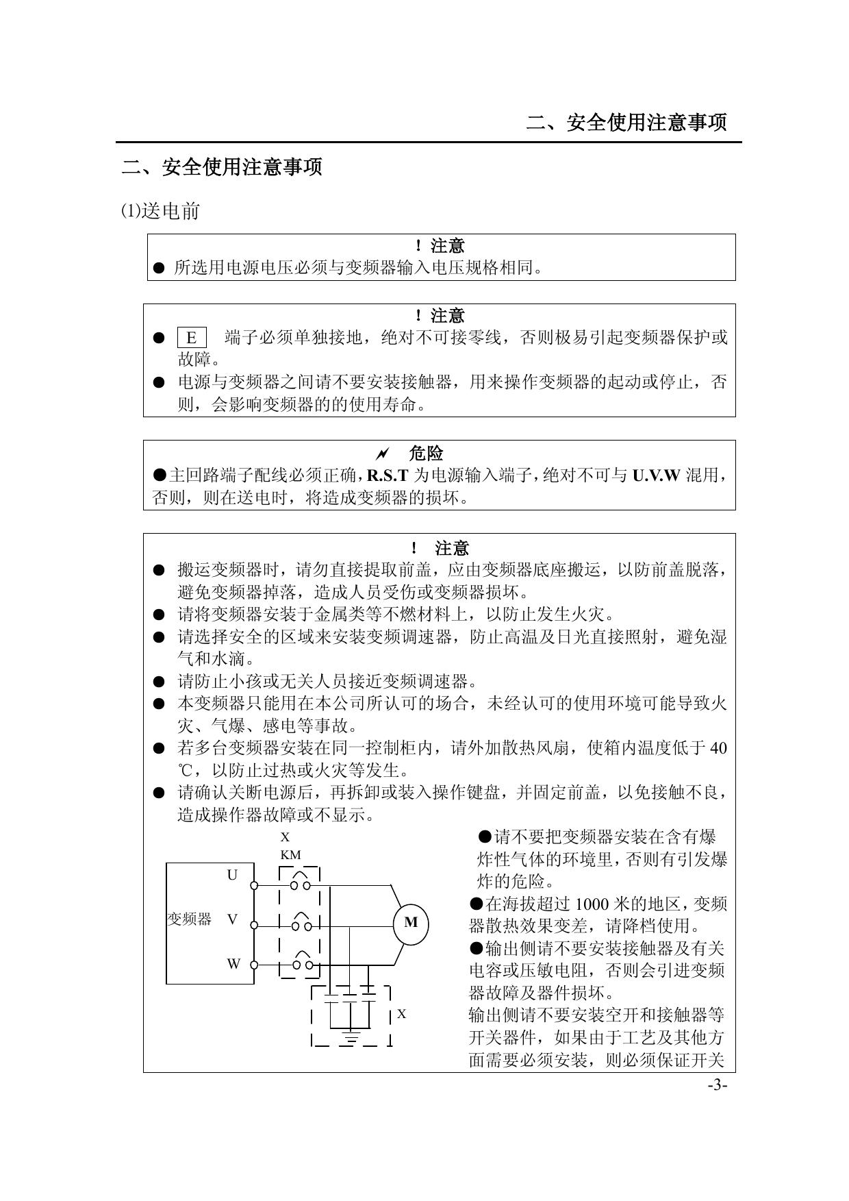
目 一、前言 (1)、购入时注意事项 (2)、HLP 系列铭牌说明 二、安全使用注意事项 (1)、送电前 (2)、送电中 (3)、运转中 三、产品标准规格 (1)、产品个别规格 (2)、产品通用规格 四、储存及安装 (1)、储存 (2)、安装场所及环境 (3)、安装空间与方向 五、配线 (1)、主回路配线图 (2)、接线端子说明 (3) 基本配线图 (4)、配线注意事项 六、数位操作器说明 (1)、数位操作器说明 录 (2)、显示项目说明 (3)、操作说明 七、试运行 (1)、运行前检查 (2)、试运行方式 八、功能一览表 九、功能说明 十、保养维护、故障信息及排除方法 (1)、保养检查注意事项 (2)、定期检查项目 (3)、故障信息及排除方法 (4)、故障及分析 十一、周边设施选用及配置 (1)、选件 (2)、配置 十二、附录 附录一:简单应用举例 附录二:机器外型及安装尺寸 附录三:面板外型及安装尺寸 附录四:使用者记录及反馈 因公司产品更新,本册内容若有更改,恕不另行通知。 *本说明书为 2.0 版本 一、 前言 一、 前言 承蒙您惠顾 HLP 系列多功能,高性能通用变频调速器。 在使用变频器前请详细阅读本使用说明书,以便正确安装使用机器,充分发 挥其功能,并确保安全。请永久保存此说明书,以便日后保养、维护、检修时使 用。 变频器乃电力电子产品,为了您的安全,请务必由合格的专业的电机工程人 员安装、调试及调整参数。本手册中有 ~危险 ! 注意 等符号提醒您于 搬运、安装、运转、检查变频器时之安全防范事项,请您配合,使变频器使用更 加安全,若有疑虑,请联络本公司各地的代理商洽询,我们的专业人员乐于为您 服务。 本说明书如有变动,恕不另行通知。 ~ 危险 错误使用时,可能造成人员伤亡。 ! 注意 错误使用时,可能造成变频器或机械系统损坏。 ~ 危险 ● 实施配线前,务必关闭电源。 ● 切断交流电源后,充电指示灯未熄灭前,表示变频器内部仍有高压,十分 危险,请勿触摸内部电路及零部件。 ● 运转时请勿检查电路板上零部件及信号。 ● 请勿自行拆装更改变频器内部连接线或零部件。 ● 变频器接地端请务必正确接地。 ● 严禁私自改装,更换控制板及零部件,否则有触电,发生爆炸等危险。 ! 注意 ● ● ● ● ● 请勿对变频器内部的零部件进行耐压测试,这些半导体零件易受高压损毁。 绝不可将变频器输出端子 U.V.W 连接至交流电源。 变频器主电路板 CMOS、IC 易受静电影响及破坏,请勿触摸主电路板。 只有合格的专业人员才可以安装、调试及保养变频器。 变频器报废请按工业废物处理,严禁焚烧。 -1- 一、前言 ⑴购入时注意事项: 本机出厂前均作严格的包装处理,但考虑运输途中的各种因素,装配前 请特别注意下列事项,如有异常,请通知本产品经销商或本公司相关人员。 ● 搬运中是否损坏或变形。 ● 包装解开时是否有 HLP 系列变频器一台及使用说明书一本。 ● 所订购的规格是否与铭牌相符合(使用电压及 KVA 数) 。 ● 内部装配的零件,配线及电路板是否异常。 ● 各端子部分紧锁,机器内是否有异物存在。 ● 操作器按键是否正常。 ● 附加配件的有无。 ● 有无合格证。 ⑵HLP 系列铭牌说明 MODE: HLPA07D543B INPUT: 3PH380V50Hz OUTPUT: 3PH380V17.5A7.5KW Freq Range: 0.1~400Hz HAILI ELECTRONICS CO., LTD. 型号:HLP A 07D5 43 B 软件版本 电压等级,43 表示三相 380V 变频器容量,07D5 表示 7.5KW 系列号 商标名称 -2- 二、安全使用注意事项 二、安全使用注意事项 ⑴送电前 !注意 ● 所选用电源电压必须与变频器输入电压规格相同。 !注意 ● E 端子必须单独接地,绝对不可接零线,否则极易引起变频器保护或 故障。 ● 电源与变频器之间请不要安装接触器,用来操作变频器的起动或停止,否 则,会影响变频器的的使用寿命。 ~ 危险 ●主回路端子配线必须正确,R.S.T 为电源输入端子,绝对不可与 U.V.W 混用, 否则,则在送电时,将造成变频器的损坏。 ! 注意 ● 搬运变频器时,请勿直接提取前盖,应由变频器底座搬运,以防前盖脱落, 避免变频器掉落,造成人员受伤或变频器损坏。 ● 请将变频器安装于金属类等不燃材料上,以防止发生火灾。 ● 请选择安全的区域来安装变频调速器,防止高温及日光直接照射,避免湿 气和水滴。 ● 请防止小孩或无关人员接近变频调速器。 ● 本变频器只能用在本公司所认可的场合,未经认可的使用环境可能导致火 灾、气爆、感电等事故。 ● 若多台变频器安装在同一控制柜内,请外加散热风扇,使箱内温度低于 40 ℃,以防止过热或火灾等发生。 ● 请确认关断电源后,再拆卸或装入操作键盘,并固定前盖,以免接触不良, 造成操作器故障或不显示。 X ●请不要把变频器安装在含有爆 KM 炸性气体的环境里,否则有引发爆 U 炸的危险。 ●在海拔超过 1000 米的地区,变频 变频器 V M 器散热效果变差,请降档使用。 ●输出侧请不要安装接触器及有关 W 电容或压敏电阻,否则会引进变频 器故障及器件损坏。 X 输出侧请不要安装空开和接触器等 开关器件,如果由于工艺及其他方 面需要必须安装,则必须保证开关 -3- 二、安全使用注意事项 动作时变频器无输出,另外,输出侧严禁安装有改善功率因素的电容或防雷用 压敏电阻,否则,会造成变频器故障,跳保护或元器件损坏,请拆除上图所示。 ●在变频器输入端接入接触器,控制变频器的起动或停止会影响变频器的寿 命,一般要求通过 FOR 或 REV 端子来控制,在起、停较为频繁场所,应特别 注意使用。 ●变频器电源,请使用独立电源,绝对避免与电焊机等强干扰设备共用同一电 源,否则会引起变频器保护或变频器损坏。 ⑵送电中 ~ 危险 ● 送电中绝不可插拔变频器上之连接器(CONNECTOR)以避免控制主板因 插拔所产生之突波进入,造成变频器损坏。 ●送电前请盖好盖板,以防触电,造成人身伤害。 ⑶运转中 ~ 危险 ● 变频器运转中严禁将马达机组投入或切离,否则会造成变频器过电流跳脱, 甚至将变频器主回路烧毁。 ~ 危险 ● 变频器送电中请勿取下前盖,以防止感电受伤。 ● 在开启故障再启动之功能时,马达在运转停止后会自动再启动,请勿靠近 机器,以免发生意外。 ● 停止开关的功能须设定才有效,与紧急停止开关的用法不同,请注意使用。 ● ● ● ● ● !注意 散热座,刹车电阻等发热元件请勿触摸,以防止烫伤。 变频器可以很容易从低速到高速运转,请确认马达与机械的速度容许范围。 变频器运转中请勿检查电路板上的信号,以免发生危险。 变频器于出厂时均已调整设定,请不要任意加以调整,按所需功能适当调 整。 变频器超过 50Hz 以上频率运行时,请务必考虑振动、噪音、电机轴承及机 械装置所允许的速度范围。 -4- 三、产品标准规格 三、产品标准规格 ⑴产品个别规格 型 号 输 入 电 压 功 率 (KW) 输 出 适 用电 驱动器 容量(KVA) 电 流(A) 机(KW) HLPA00D423B 单三相 220V 50Hz 0.4 1.0 2.5 0.4 HLPA0D7523B 单三相 220V 50Hz 0.75 2.0 5.0 0.75 HLPA01D523B 单三相 220V 50Hz 1.5 2.8 7.0 1.5 HLPA02D223B 单三相 220V 50Hz 2.2 4.0 10 2.2 HLPA0D7543B 3Φ380V 50Hz 0.75 2.2 2.7 0.75 HLPA01D543B 3Φ380V 50Hz 1.5 3.2 4.0 1.5 HLPA02D243B 3Φ380V 50Hz 2.2 4.0 5.0 2.2 HLPA03D743B 3Φ380V 50Hz 3.7 6.8 8.5 3.7 HLPA05D543B 3Φ380V 50Hz 5.5 10 12.5 5.5 HLPA07D543B 3Φ380V 50Hz 7.5 14 17.5 7.5 HLPA001143B 3Φ380V 50Hz 11 19 24 11 HLPA001543B 3Φ380V 50Hz 15 26 33 15 HLPA18D543B 3Φ380V 50Hz 18.5 32 40 18.5 HLPA002243B 3Φ380V 50Hz 22 37 47 22 HLPA003043B 3Φ380V 50Hz 30 52 65 30 HLPA003743B 3Φ380V 50Hz 37 64 80 37 HLPA004543B 3Φ380V 50Hz 45 72 91 45 HLPA005543B 3Φ380V 50Hz 55 84 110 55 HLPA007543B 3Φ380V 50Hz 75 116 152 75 HLPA009043B 3Φ380V 50Hz 90 134 176 90 HLPA011043B 3Φ380V 50Hz 110 160 210 110 HLPA013243B 3Φ380V 50Hz 132 193 253 132 HLPA016043B 3Φ380V 50Hz 160 230 304 160 HLPA020043B 3Φ380V 50Hz 200 290 380 200 HLPA022043B 3Φ380V 50Hz 220 325 426 220 HLPA025043B 3Φ380V 50Hz 250 381 500 250 HLPA028043B 3Φ380V 50Hz 280 427 560 280 HLPA031543B 3Φ380V 50Hz 315 460 605 315 -5- 三、产品标准规格 ⑵产品通用规格 项目名称 HLP-A 控制方式 SPWM 输入电源 380V 电源:330~440V;220V 电源:170~240 五位数码显示 及状态指示灯 频 率 控 制 通信控制 RS-485 操作温度 -10~40℃ 湿度 0~95%相对湿度(不结露) 振动 0.5G 以下 范围 0.10~400.00Hz 精度 数字式:0.01%(-10~40℃) ;模拟式:0.1% (25±10℃) 设定解析度 数字式:0.01Hz;模拟式:最大操作频率的 1‰ 输出解析度 0.01Hz 键盘设定方式 可直接以←∧ ∨ 设定 模拟设定方式 外部电压 0-5V,0-10V,4—20mA,0—20mA。 其它功能 加减速控制 一 般 控 制 频率下限,启动频率,停车频率、三个跳跃频率可分别设定 4 段加减速时间(0.1-6500 秒)任意选择 V/F 曲线 可任意设定 V/F 曲线 转矩控制 可设定转矩提升,最大 10.0%启动转矩在 1.0Hz 时可达 150% 多功能输入端 6 个多功能输入端,实现 8 段速控制,程序运行,4 段加减速切换, UP、DOWN 机能、计数器,外部急停等功能 多功能输出端 有 5 个多功能输出端,实现运转中、零速、计数器、外部异常、程 序运行等指示及报警 其它功能 自动电压稳压(AVR) 、减速停止或自由停止、直流刹车,自动复 位再起动,频率跟踪,PLC 程序控制、横动控制、载波可调,最高 达 20KHz 等 过载保护 电子电驿保护马达 驱动器(恒转矩 150%/1 分钟,风机类 120%/1 分钟) FUSE 熔断保护 保 护 功 能 显示频率、电流、转速、电压、计数器、温度、正反转状态、故障 等。 FUSE 熔断,马达停止 过电压 220V 线:直流电压>400V;380V 线:直流电压>800V 不足电压 220V 线:直流电压<200V;380V 线:直流电压<400V 瞬间停电再起动 失速防止 输出端短路 其它功能 瞬停后可以频率跟踪方式再起动 加/减速运转中失速防止 电子线路保护 散热片过热保护,反转限制,开机后直接起动及故障复归之功能, 参数锁定等。 -6 四、储存与安装 四、储存与安装 ⑴储存 本产品在安装之前必须放置于包装箱内,若暂不使用,储存时请注意下列几 项: ● 必须置于无尘垢,干燥的位置; ● 储存环境温度-20℃到+65℃范围内; ● 储存环境相对湿度在 0%到 95%范围内,且无结露; ● 储存环境中不含腐蚀性气、液体; ● 最好放置于架子上,并适当包装存放。 ● 变频器最好不要长时间存放,长时间存放会导致电解电容的劣化,如需长 期存放,必须保证在 1 年内通电一次,通电时间至少 5 小时以上,输入时 电压必须用调压器缓缓升高至额定电压值。 ⑵安装场所与环境 请将变频器安装于下列场所: ● 周围温度:-5℃~40℃且通风情况良好; ● 无滴水及湿气低的场所; ● 无日光照射,高温及严重落尘的场所; ● 无腐蚀性气体及液体的场所; ● 较少尘埃,油气及金属粉屑的场所; ● 无振动及保养、检查容易的场所; ● 无电磁杂讯干扰的场所; 注意:安装场所的环境,将影响变频器使用寿命。 ⑶安装空间与方向 ● 为了冷却及维护方便起见,变频器周围需留有足够的空间。如图所示: ● 为使冷却效果良好,必须将变频器垂直安装,并保证空气流通顺畅。 ● 安装如果有不牢的情形,在变频器底座下置一平板后再安装,安装在松脱 的平面上,应力可能会造成主回路零件损坏,因而损坏变频器; ● 安装的壁面,应使用铁板等不燃性材料。 ● 多台变频器安装于同一柜子里,采用上下安装时在注意间距的同时,请在 中间加用导流隔板。如图所示: -7- 五、配线 五、配线 ⑴主回路配线示意图 电源:请注意电压等级是否一致,以免损坏变频器。 无熔丝开关:请参考相应表格。 漏电开关:请使用具有防高次谐波的漏电开关。 电磁接触器: 注意:请不要将电磁接触器作为变频器的电源开关。 交流电抗器:当输出容量大于 1000KVA 时,建议加装 一交流电抗器,以改善功率因素。 变频器: ● 请务必正确接好变频器主回路线和控制 信号线。 ● 请务必正确设定好变频器参数。 -8- 五、配线 ⑵接线端子说明 ①接线端子排列 HLPA00D423B~HLPA02D223B E R S T HLPA05D543B~HLPA07D543B E R S T HLPA001143B~HLPA003043B R S T HLPA0D7543B~HLP03D743B U V W P U E HLPA003743B~HLPA016043B R S T E V P P W N Pr N U N Pr P V U Pr W V W ②控制端子排列 HLPA00D423B~HLPA02D223B HLPA0D7543B~HLPA02D243B FA FB FC EV SPL SPM SPH RST DCM REV FOR KA KB UPF DRV +10 VI AI ACM AM RS+ RSHLPA 05D543B~HLPA 03154B FA FB FC KA KB EV UPF DRV SPH VI AI ACM AM T E RST REV HLPA0200~HLPA0315 P Pr N FOR +10 R S DCM SPL U RS+ V SPM RS- W -9- 五、配线 ③主回路端子说明 端子记号 内 容 说 明 R.S.T 电源输入端(220V 级机种,单、三相共用,单相任选二个端子 接入) U.V.W 变频器输出端 P.Pr P1 P P.N E ④控制端子说明 端子记号 FOR REV RST SPH SPM SPL 制动电阻连接端 直流电抗器连接端(使用直流电抗器时请拆除短接片) 外部制动组件连接端 接地端子,按电工法规 220V 第三种接地,380V 特种接地 EV(IPV) 内容说明 多功能输入一 多功能输入二 多功能输入三 多功能输入四 多功能输入五 多功能输入六 数位控制信号共同端,+12V 电 源(EV、IPV、P24)地端 +12V 电源 P24 +10 VI AI ACM DRV UPF +24V 电源 速度设定用电源 模拟电压频率指令 模拟电流频率指令 模拟控制信号共同端 多功能输出端子一(光耦合) 多功能输出端子二(光耦合) 最大输出电流 200mA +10V 0~+10V 对应最高操作频率 4~20mA 对应最高操作频率 FA(EFA)、 FB(EFB)、 FC(EFC) 多功能输出端子三(常开/常闭) 3A/250V KA(EKA)、 KB(EKB) 多功能输出端子四(常开) 3A/250V AM 数位频率输出端子 0~10V RS+ RS- RS—485 通讯口 DCM 出厂设定 出厂设定为正转 出厂设定为反转 出厂设定为复位 出厂设定为高速 出厂设定为中速 出厂设定为低速 最大输出电流 200mA DC24V/100mA -10- 五、配线 ⑶基本配线图 变频器配线部分,分为主回路及控制回路。用户可将外壳的盖子掀开,此时 可看到主回路端子及控制回路端子,用户必须依照下列之配线回路准确连接。 下图为 HLP—A 出厂时的标准配线图 制动电阻 R Pr S T E 10KΩ 电流输入端 P N U V W M VR(+10V) VI ACM KA 多功能输出端子 KB 3A/250VAC 3A/30VDC EV(IPV) +12V AI FC FA FB FOR REV SPH SPM SPL DRV UPF DCM RST 多功能输出端子 24V/100mA 数位频率输出 AM DCM 多功能输出端子 3A/250VAC 3A/30VDC 0~10V/10mA ACM RS+ RSHLPA00D423B~HLPA02D223B HLPA07D543B~HLPA03D743B P1 R S T E 10KΩ 电流输入端 P N VR(+10V) VI ACM KA 多功能输出端子 KB 3A/250VAC 3A/30VDC EV(IPV) +12V AI FC FA FB FOR REV SPH SPM SPL DRV UPF DCM AM RST ACM DCM 多功能输出端子 3A/250VAC 3A/30VDC 多功能输出端子 24V/100mA 数位频率输出端 0~10V RS+ RSHLPA 05D543B~HLPA07D4543B -11- 五、配线 刹车晶体、刹车模组连接端 R S T E 10KΩ 电流输入端 P N M VR(+10V) VI ACM EKA FKB P24 多功能输出端子 3A/250VAC 3A/30VDC +12V AI EFC FEA EFB 多功能输出端子 3A/250VAC 3A/30VDC DRV UPF DCM 多功能输出端子 24V/100mA FOR 正转 REV 反转 RST 复位 SPH 高速 SPM 中速 SPL 低速 DCM RS485 数位频率输出端 AM 0~10V/10mA ACM HLPA001143B~HLPA030043B ⑷配线注意事项 ①主回路配线 ● 配线时,配线线径规格的选定,请依照电工法规的规定施行配线,以确保 安全。 ● 电源配线最好请使用隔离线或线管,并将隔离层或线管两端接地; ● 请务必在电源与输入端子(R.S.T)之间装空气断路开关 NFB。 (如使用漏电开关时,请使用带高频对策的断路器。) ● 请勿将交流电源接至变频器输出端(U.V.W) ; ● 输出配线不可碰触到变频器外壳金属部分,否则可能造成接地短路。 ● 变频器的输出端不可使用移相电容器、LC、RC 杂讯滤波器等元件。 ● 变频器主回路配线必须远离其它控制设备。 ● 当变频器与电动机之间的配线超过 15 米(220V 系列) ,(380V 级 30 米) 时,在马达的线圈内部将产生很高的 dV/dT,这对马达的层间绝缘将产生 破坏,请改用变频器专用的交流马达或加装电抗器于变频器侧。 ● 变频器与电机间距离较长时,请降低载波频率,因载波较大,其电缆上的 高次谐波漏电流较大,漏电流会对变频器及其他设备产生不利影响。 -12- 五、配线 空气断路器容量和主回路导线截面面积 空气开关 (A) 输入导线 mm2 输出导线 mm2 控制线 mm2 端子 HLPA00D423B 16 2.5 2.5 1 M4 HLPA0D7523B 16 2.5 2.5 1 M4 HLPA01D523B 32 2.5 2.5 1 M4 HLPA02D223B 32 4 4 1 M4 HLPA0D7543B 16 2.5 2.5 1 M4 HLPA01D543B 16 2.5 2.5 1 M4 HLPA02D243B 16 2.5 2.5 1 M4 HLPA03D743B 16 2.5 2.5 1 M4 HLPA05D543B 32 4 4 1 M5 HLPA07D543B 40 6 6 1 M5 HLPA001143B 63 6 6 1 M6 HLPA18D543B 100 10 10 1 M6 HLPA002243B 100 16 16 1 M8 HLPA003043B 160 25 25 1 M8 HLPA003743B 160 25 25 1 M8 HLPA004543B 200 35 35 1 M10 HLPA005543B 200 35 35 1 M10 HLPA007543B 250 70 70 1 M10 HLPA009043B 315 70 70 1 M10 HLPA011043B 400 95 95 1 M12 HLPA013243B 400 150 150 1 M12 HLPA016043B 630 185 185 1 M12 HLPA020043B 630 240 240 1 M16 HLPA022043B 800 150×2 150×2 1 M16 HLPA025043B 800 150×2 150×2 1 M16 HLPA028043B 800 150×2 150×2 1 M16 HLPA031543B 800 185×2 表中参数仅供参考,不作为标准。 185×2 1 M16 型 号 -13- 五、配线 ②控制回路配线(信号线) ● 信号线不可与主回路配线置于同一线槽中,否则可能会产生干扰。 ● 信号线的电源线种类应为屏蔽线,尺寸为 0.5—2m ㎡。 ● 根据需要正确使用控制板上的控制端子。 ③接地线 ● 接地线端子 E 请正确接地 220V 级:第三种接地(接地电阻 100Ω以下) 380V 级:特别第三种接地(接地电阻 10Ω以下) ● 接地线的使用,请依照电气设备技术基本长度与尺寸使用; ● 绝对避免与电焊机,动力机械等大电力设备共用接地极,接地线应尽量远 离大电力设备动力线; ● 多台变频器之接地配线方式,请以下图(1)或(2)方式使用,避免造成 (3)之回路。 ● 接地配线必须愈短愈好。 (1)良 (2)良 (3)不良 -14- 六、数位操作器说明 六、数位操作器说明 ⑴数位操作器说明 LED 指示区分别指示 正转、反转、频率、 电流、转速等 FWD REV HZ A r/min F 50.00 DIGITAL OPERATOR OP-AB02 正反转切换键 数值变更键 右移键 运转键 LED 指示区分别指示 正转、反转、频率、 电流、转速 F/R DISP △ PROG ▽ ENTER RUN FWD REV HZ STOP/RESET A DIGITAL OPERATOR OP-01 运转键 F/R PROG SET RUN 参数设定键 停止/复位键 ROTT F 5 0.0 0 正反转切换键 数值变更键 左移键 主显示区,可显 示频率、电流、 交流电压、直流电 压、转速、计数 器、 温度等 功能键 STOP/RESET 主显示区,可显 示频率、电流、 交流电压、直流电 压、转速、计数 器 温度等 功能键 参数设定键 停止/复位键 -15- 六、数位操作器说明 指示灯说明 ①指示灯状态说明 指示灯 FOR REV HZ A ROTT HZ A A ROTT HZ ROTT HZ A ROTT 状态 亮 亮 亮 亮 亮 亮 亮 亮 亮 ②显示项目说明 显示项目 指示灯状态¤亮 HZ A R/min ¤ ○ ○ 说明 表示马达处于正转状态 表示马达处于反转状态 显示设定频率或输出频率 显示输出电流状态 显示马达转速状态 显示直流电压 显示交流电压 显示计数值 显示变频器温度 说明 表示现在输出频率为50.00Hz HZ A R/min ¤ ○ ○ 表示现在设定的频率为50.0Hz HZ A R/min ○ ○ ¤ 表示现在输出电流为3.0A HZ A R/min ○ ○ ¤ 表示现在输出转速为1440r/min HZ A R/min ○ ¤ ¤ 表示现在直流电压为510.0V HZ A R/min ○ ¤ ¤ 表示现在交流电压为380.0V HZ A R/min ¤ ¤ ¤ 表示现在直流电压为35.0℃ HZ A R/min ¤ ○ ¤ 表示现在计数器值为105 HZ A R/min ○ ○ ○ 表示现在变频器温度为50.0% HZ A R/min ○ ○ ○ 表示现在PID目标值为48.0% HZ A R/min ¤ ¤ ○ 表示现在PTD反馈值为12小时 HZ A R/min ○ ¤ ¤ 表示变频器总共运行时间为108小时 -16- 六、数位操作器说明 (3)、操作范例说明 操作步骤 面板显示 上电、电源操作 Dsp2.0 闪烁 Vr2.00 000.00 PROG CD000 000.00 ENYER ENTER PROG RUN END 50.00 50.00 CD000 050.0 50.00 50.00 0.00 5 0.00 DISP 005.0 PROG 01440 DISP 50.00 PROG 50.00 F/R 050.0 030.00 ENTER 030.00 30.00 指示灯 解释 FOR ¢ HZ ¤ 上电自检,显示版本号(闪烁),最 后显示设定频率 FOR ¢ FOR ¢ FOR ¢ FOR ¢ FOR ¤ HZ ¤ HZ ¤ HZ ¤ HZ ¤ HZ ¤ 进入编程状态 显示功能 CD000 FOR ¤ HZ ¤ 监视画面切换,显示输出电流 FOR ¤ HZ ¤ 监视画面切换,显示输出电流 A ¤ 监视画面切换,显示转速 FOR ¤ FOR ROTT ¤ ¤ FOR HZ ¤ ¤ FOR HZ ¤ ¤ FOR HZ ¤ ¤ FOR HZ ¤ ¤ FOR HZ ¢ ¤ 显示 CD000 中内容 修改 CD000 中内容 确定修改数值 显示 END 50.00 CD001 退出编程状态 显示运行、显示运行频率 切换回主画面,显示设定频率 正/反转切换,显示反转状态 切换到频率可调状态 调整设定频率,即 CD000 数值 确定修改值,作数值写入 CD000 中 停机 STOP 注:⑴¢表示闪烁,¤表示亮 ⑵OP-AB01、OP-AB02 中,ENTER 与 SET 键功能相同 PROG 与 FUNC 键功能相同 ⑶监控 AC、DC、T 等项,通过参数设定后,方可切换显示。 ⑷断电后,再复电,变频器经自检后,显示断电前画面。 -17- 七、试运行 ⑷面板型号说明 OP- A B 01 01 小键盘 02 大键盘 03 C 系列小键盘 B B 版本 C C 版本 A A 系列 C C 系列 OP OPERATOR 说明:①A 系列 B 版本机器键盘为 OP-AB01 ②A 系列 C 版本机器键盘为 OP-AC01 ③A 系列 B 版本机器键盘为 OP-AB02 ④OP-AB01 与 OP-AB02 可以互换 七、试运行 ⑴运行前的重点检查 ● 是否接错线?尤其应检查一下电源是否误接在 U.V.W 端子上; 请务必注意:电源应由 R.S.T 端子输入。 ● 在变频器基板上及配线端子上是否残留有易引起短路的金属屑或导线; ● 螺丝是否紧锁、接插件是否松动? ● 输出部分是否发生短路或接地故障。 ⑵ 试运行方法 由于 HLP 系列变频器的控制方法在出厂前已设定为操作器操作方式,故试运 行时,可以用操作键盘来进行。一般试运行可以以 5.00 Hz 来进行。 操 作 步骤 面板显示 指示灯 解释 上电 disp1.1 Vr2.0 FOR HZ 上电自检,显示版本号, 000.00 ¢ ¤ 最后显示设定频率 000.00 FOR HZ ¢ ¤ 切换到面板频率可调状态 050.00 FOR HZ ¢ ¤ 改变设定频率, 即 CD000 数值 50.00 FOR ¢ FOR ¤ FOR ¢ 确定修改值 ENTER 50.00 RUN 50.00 STOP 注:¤表示指示灯亮,¢表示指示灯闪烁 HZ ¤ HZ ¤ HZ ¤ 运行在 50Hz 停机 -18- 八、功能一览表 八、功能一览表 分类 基 本 功能码 CD000 CD001 CD002 CD003 CD004 CD005 CD006 CD007 CD008 CD009 CD010 CD011 参 数 应 用 参 数 CD012 CD013 CD014 CD015 CD016 CD017 CD018 CD019 CD020 ∫ CD030 参数功能一览表(一) 功 能 设定范围及功能说明 主频率设定 0.00~400.00 Hz 最大输出电压 0.1V—* 基准频率设定 0.01~400.00 Hz 中间频率时电压 0.1V—* 中间频率设定 0.01~400.00 Hz 最低频率时电压 0.1~50.0V 最低频率设定 0.01~20.00 Hz 最高操作频率 50.00~400.00 Hz 频率上限 0.01~400.00 Hz 频率下限 0.00~400.00 Hz 参数锁定 0:无效 1:有效 00~10 08:恢复出厂值,其余无 参数重置 功能 第一加速时间 0.1~6500.0S 第一减速时间 0.1~6500.0S 第二加速时间 0.1~6500.0S 第二减速时间 0.1~6500.0S 第三加速时间 0.1~6500.0S 第三减速时间 0.1~6500.0S 第四加速时间 0.1~6500.0S 第四减速时间 0.1~6500.0S 出厂值 0.00 220/380 50.00 * 2.50 * 0.50 50.00 50.00 0.00 0 00 * * * * * * * * 保留 CD031 启动方式选择 CD032 停车方式选择 CD033 运行指令来源 CD034 运行频率来源 CD035 CD036 CD037 载波频率 点动频率 正反转选择 0:由启动频率开始起动 1:频率 跟踪起动 0:减速停止 1:自由运转停止 0:操作器 1:外部端子 2:通讯口 0:操作器 1:外部端子 2:通讯口 0~15 0.00~400.00 Hz 0:反转禁止 1:反转有效 0 0 0 0 * 5.00 1 -19- 八、功能一览表 分类 应 用 参 数 功能码 CD038 CD039 CD040 CD041 CD042 CD043 CD044 CD045 CD046 CD047 CD048 CD049 CD050 CD051 CD052 CD053 输 CD054 入 CD055 输 CD056 出 CD057 端 子 参数功能一览表(二) 功能 设定范围及功能说明 停止键有无效 0:STOP 无效 1:STOP 有效 S 曲线设定 0~6500S 保留 启动频率 01~10.0 Hz 停车频率 0.1~10.0 Hz 转矩补偿 20.0% 跳跃频率一 0.00~400.00 Hz 跳跃频率二 0.00~400.00 Hz 跳跃频率三 0.00~400.00 Hz 跳跃频率范围 0.00~2.00 Hz 定时器一时间设定 0~10.0 定时器二时间设定 0~100 多功能输入一 0 无效 1 运转 2 正转 3 反转 4 (FOR 端子) 停止 5 正/反转 6 寸动 7 寸动正 多功能输入二 转 8 寸动反转 9 紧停 10 复位 (REV 端子) 11 保留 12 散热器或电机过热 13 多功能输入三 定时器一 14 定时器二 15 保留 (RST 端子) 16 保留 17 高速 18 中速 19 低 多功能输入四 速 20 多段速一 21 多段速二 (SPH 端子) 22 多段速三 23 加减速选择一 多功能输入五 24 加减速选择二 25up 功能 (SPM 端子) 26down 功能 27 计数器脉冲 多功能输入六 28 计数器复位 (SPL 端子) 0 无效 1 运行中 2 故障指示 多功能输出一 3 零速 4 制动指示 5 设定频率到达 (DRV 端子) 6 任意频率一到达 7 任意频率二到 多功能输出二 达 8 加速中 9 减速中 10 变频器过 (UPF 端子) 出厂值 1 0 0.5 0.5 2.0% 0.00 0.00 0.00 0.5 0.01 0.01 02 03 10 17 18 19 01 05 载报警 11 电机过载报警 12 过转矩 CD058 CD059 CD060 CD061 多功能输出三 报警 13 低压报警 14 阶段完成指示 (FA、FB、FC 端子) 多功能输出四 (KA、KB 端子) 多功能输出五 (AM 端子) 频率一致一 15 过程完成指示 16 计数器到达 17 中间计数器到达 18 外控定时器一到 达 19 外控定时器二到达 204~20mA 断线 25 辅泵一 26 辅泵二 30 风扇动 作 32 制动电阻动作 数位频率信号输出端 0.00~400.00 Hz 02 00 0 0.00 -20- 八、功能一览表 分类 输 入 、 输 出 端 子 功能码 CD062 CD063 CD064 CD065 出厂值 0.00 0.50 00 0 0 0 50.00 0 CD066 CD067 CD068 CD069 模拟量低端频率 低端频率偏压方向 模拟量高端频率 高端频率偏压方向 CD070 模拟量负偏压可反转 CD071 AM 类比输出增益 0.0~100.0% 100 CD072 CD073 CD074 CD075 UP.DOWN 功能选择 UP.DOWN 速度选择 模拟量滤波常数 中间计数器设置 0:不记忆力 1:记忆 0:0.01Hz 1:0.1Hz 0~50 0~65500 0 0 20 0 PLC 运转选择 0:普通运行 1:外控四段速 2:外控多段速 3:扰动 4:内 控多段速 0 CD077 AuToPLC 选择 0:运转一周后停止 1:循环运 行 2:自动运行(STOP 间隔) 一周后停止 3:自动运行 (STOP 间隔)循环运行 0 CD078 PLC 运转方向 0~255 (0:正转 0 CD079 CD080 CD081 CD082 CD083 CD084 CD085 CD086 PLC 加减速时间 第二频率设定 第三频率设定 第四频率设定 第五频率设定 第六频率设定 第七频率设定 第八频率设定 CD076 多 段 速 及 简 易 PLC 参数、功能一览表(三) 功能 设定范围及功能说明 频率一致二 0.00~400.00 Hz 频率一致范围 0.10~10.00 Hz 计数值设定 00~65500 模拟量输入选择 0:0~10V 1:0~5V 2: 0~20mA 3:4~20mA 0.00~400.00 Hz 0:正方向 1:负方向 0.00~400.00 Hz 0:正方向 1:负方向 0:不可 1:可反转 1:反转) 0~65535 0.00~400.00 Hz 0.00~400.00 Hz 0.00~400.00 Hz 0.00~~400.00 Hz 0.00~~400.00 Hz 0.00~~400.00 Hz 0.00~~400.00 Hz 0 0 15.00 20.00 25.00 3000 35.00 40.00 0.50 -21- 八、功能一览表 分类 多 段 速 及 简 易 PLC 保护 功能 参数 保护 功能 参数 马达 功能 参数 功能码 CD087 CD088 CD089 CD090 CD091 CD092 CD093 CD094 CD095 ∫ CD109 CD110 参数、功能一览表(四) 功 能 设定范围及功能说明 定时器一 0.0~6500.0S 定时器二 0.0~6500.0S 定时器三 0.0~6500.0S 定时器四 0.0~6500.0S 定时器五 0.0~6500.0S 定时器六 0.0~6500.0S 定时器七 0.0~6500.0S 定时器八 0.0~6500.0S 出厂值 10.0 10.0 0.0 0.0 0.0 0.0 0.0 0.0 保留 辅泵个数 0~2 0 CD111 辅泵连续时间 1~9000min 60 CD112 辅泵互锁时间 1~250S 5S CD113 高速运行时间 1~250S 60S CD114 低速运行时间 1~250S 60S CD115 停机压力准位 1~150% 95% CD116 停机准位连续时间 1~250S 30S CD117 唤醒准位 1~150% 80% CD118 睡眠频率 0.00~400.0 20.00 CD119 睡眠频率连续时间 1~250S 20S CD120 CD121 CD122 CD123 过压失速防止选择 加速中失速防止准位 恒速中失速防止准位 减速中失速防止准位 0:无效 1:有效 0~200% 0~200% 0~200% 0 150 0 150 0~3 0~200% 0.1~20.0S 0 0 1.0 5.0 1.0 0.5 * * 04 1440 CD124 CD125 CD126 CD127 CD128 CD129 CD130 CD131 CD132 CD133 过转矩检出方式选择 过转矩检测准位 过转矩检测时间 恒速中失速防止时减速时间 故障重启时间 频率跟踪时电压上升时间 马达额定电压 马达额定电流 马达极数 马达额定转速 按马达铭牌设定 按马达铭牌设定 02—10 0—9999 -22- 八、功能一览表 分类 特 殊 功 能 参 数 通 讯 功 能 监 视 参 数 功能码 CD134 CD135 CD136 ∫ CD139 CD140 CD141 CD142 CD143 CD144 CD145 CD146 CD147 CD148 CD149 CD150 CD151 CD152 CD153 CD154 CD155 CD156 CD157 ∫ CD159 CD160 CD161 CD162 CD163 ∫ CD166 CD168 CD169 CD170 CD171 功能、参数一览表(五) 功 能 设定范围及功能说明 马达无载电流 0~99 马达转差补偿 0.0~10.0 出厂值 40 0.0 保留 直流制动准位 启动时直流制动时间 停止时直流制动时间 频率跟踪时间 频率跟踪电流准位 瞬停再起动选择 允许停电时间 异常再起动次数 自动稳压功能 自动省能源 比例常数 P 积分时间 I 微分时间 D 目标值 目标值选择 PID 上限 PID 下限 0.0~20.0% 0.0~25.0S 0.0~25.0S 0.0~20.0S 0~200% 0:无效 1:频率跟踪 0.1~5.0S 0—10 0:无效 1:有效 0~10% 0.0~1000.00% 0.1~3600.00S 0.01~10.00S 0.0~100.0% 0:操作器给定 1:外部端子(0~10V)给定 0~100% 0~100% 2.0 0.0 0.0 5.0 150 0 0.5 00 1 0 100% 5.0 0 0 0 0~250 0~3 0~5 0 1 0 0-15 按机种设定 按机种设定 00 * * * 100% 0% 保留 通讯位址 通讯传送速度 通讯资料方式 保留 显示内容选择 变频器电压等级 变频器额定电流 软体版本号 -23- 九、功能说明 功能、参数一览表(六) 分类 功能码 监 视 参 数 工 厂 设 定 参 数 功 能 设定范围及功能说明 CD172 CD173 CD174 CD175 故障记录 1 故障记录 2 故障记录 3 故障记录 4 注:——表示无故障记录。 CD176 故障清除 CD177 CD178 CD179 CD180 CD181 ∫ CD250 变频器类型 变频器频率标准 变频器出厂日期 出厂序号 00—10 (01 为故障清 除) 0:恒转矩 1:风机水泵 0:50Hz 1:60Hz 工厂设定 出厂值 —— —— —— —— 00 0 0 * * 保留 九、功能说明 主频率设定 ** 设定范围:0.00—400.00 Hz 单位:0.01 Hz 出厂值:0.00 在运转频率来源设定为面板操作情况下,频率以 CD000 设定值运行。在运行 CD000 中可以用▲ ▼ 键来改变运转频率,在多段速运行中,主频率为第一段速频率。 在设定为外控多段速运行时,如果把 CD034 设定为 1,即外部端子给定时, 则第一段速由外部端子模拟量给定。 主频率的设定受最大操作频率限制。 相关参数:CD034、CD076,该参数在运行中可调。 最大输出电压 设定范围:0.1—* 单位:0.1V 出厂值:220/380V 此设定值必须小于等于马达铭牌上额定值设定,380V 级出厂值为 380,220V 级出厂值为 220V。此参数的设定范围受变频器电压等级限制。在马达与变频器距 离较远的场合,可适当提高该设定值,以补线阻压降。 CD001 基准频率设定 设定范围:0.01—400.00 Hz 单位:0.0HzV 出厂值:50.00 此设定必须根据马达铭牌上马达额定运转电压频率设定,一般情况下,请不 要随意改变基准频率设定值,如果配用特殊马达,请根据电机参数特性适当设置, 否则会引起设备损坏。 -24- CD002 九、功能说明 中间电压设定 设定范围:0.1—500.0V 单位:0.1V 出厂值:* 此参数设定任意 V/F 曲线的中间电压值,此参数设定不当会引起电机过流或 者转矩不足,甚至导致变频器跳脱。增大中间频率时电压可以增大输出转矩,同 时输出电流也会增加,修改该参数时,请注意监视输出电流,以防止变频器过流 跳脱。 220V 级变频器出厂值为 15,380V 级变频器出厂值为 27.5。 中间电压设定值受最高电压设定值限制,当中间频率时电压增大到某一数值 时,转矩补偿会失去效用,调整该参数时,应根据机械负载,变频器输出电流由 小到大慢慢增加,直至满足启动要求即可,不要轻易大幅度提升,否则可能出现 变频器跳脱或设备损坏。 CD003 中间频率设定 设定范围:0.01—400.00 Hz 单位:0.01 Hz 出厂值:2.50 此参数设定任意 V/F 曲线中的中间频率值。设定不当会引起变频器起动转矩不 足或电机过流,甚至导致变频器跳脱。 中间频率设定值受基准频率设定值限制。 CD004 最低频率时电压 设定范围:0.1—50.0V 单位:0.1V 此参数设定 V/F 曲线中的最低起动电压值。 230V 级变频器出厂值为 8,440V 级变频器出厂值为 13.5。 CD005 设定值受最高频率时电压限制。 CD005 最低频率设定 设定范围:0.1—20.00 Hz 单位:0.01 Hz 此参数决定 V/F 曲线中最低起动频率值。 出厂值:8/13.5 CD006 出厂值:0.50 Hz 最高操作频率 设定范围:50.00—400.00 Hz 单位:0.01 Hz 出厂值:50.00 此参数决定变频器最高操作频率。 以下提供几种常用曲线及设定值,以供参考,具体曲线设定根据机械负载特 性,具体设定。 CD007 -25- 九、功能说明 220 220 220 15 55 24 8 8 9 0.5 2.5 50 0.5 25 0.5 50 25 50 220 220 220 27.5 110 45 13.5 16 20 0.5 2.5 50 恒转矩曲线 0.5 25 50 低减力矩曲线 0.5 2.5 50 高转矩曲线 下图表中各种型号的 V/F 曲线具体出厂值: 型号 CD003 CD005 CD012 CD013 型号 CD003 CD005 CD012 CD013 A00D423B 19.0 9.5 5.0 5.0 A003043B 17.0 8.5 30.0 30.0 A007523B 19.0 9.5 0.8 0.8 A003743B 16.0 8.0 35.0 35.0 A01D523B 18.0 9 10.0 10.0 A004543B 16.0 8.0 40.0 40.0 A02D223B 17.0 8.5 10.0 10.0 A005543B 15.0 7.5 45.0 45.0 A03D723B 17.0 8.5 15.0 15.0 A007543B 15.0 7.5 50.0 50.0 A0D7543B 22.0 11.0 8.0 8.0 A009043B 14.0 7.0 75.0 75.0 A01D543B 22.0 11.0 10.0 10.0 A011043B 14.0 7.0 100.0 100.0 A02D243B 21.0 10.5 10.0 10.0 A013243B 13.0 6.5 150.0 150.0 A03D743B 21.0 10.5 15.0 15.0 A016043B 13.0 6.5 150.0 150.0 A05D543B 20.0 10.0 15.0 15.0 A020043B 12.0 6.0 200.0 200.0 A07D543B 20.0 10.0 20.0 20.0 A022043B 11.0 5.5 250.0 250.0 A001143B 19.0 9.5 20.0 20.0 A025043B 10.0 5.0 250.0 250.0 A001543B 19.0 9.5 20.0 20.0 A028043B 11.0 5.5 250.0 250.0 A18D543B 18.0 9.0 25.0 25.0 A031543B 10.0 5.0 250.0 250.0 A002243B 18.0 9.0 25.0 25.0 -26- 九、功能说明 CD008 保留 频率下限 ** 设定范围:0.00—400.00 单位:0.01 Hz 出厂值:0.00 频率下限主要防止现场人员的误操作,避免马达因运转频率过低可能产生的过 热或其他机械故障等。 频率下限的设定必须小于频率上限的设定值。 CD009 参数锁定 ** 设定范围:0—1 单位:1 出厂值:0 0: 无效 1: 有效 即参数锁定,除本参数外,其余参数不可修改。 此参数可防止非维护人员误设定其他参数,参数锁定后,可由△、▽键改变 运转频率。 CD010 CD011 参数重置 设定范围:00—10 单位:1 出厂值:00 在参数值因故设置不当或不正常时,可将此参数设定为 08,恢复出厂值后, 再重新设置,在参数锁定后(CD000=1 时),参数无法重置,需解锁后才可以重置。 相关参数 CD010。 第一加速时间 设定范围:0.1—6500.0S 单位:0.1S 出厂值:25.0 CD013 第一减速时间 设定范围:0.1—6500.0S 单位:0.1S 出厂值:25.0 CD014 第二加速时间 设定范围:0.1—6500.0S 单位:0.1S 出厂值:50.0 CD015 第二减速时间 设定范围:0.1—6500.0S 单位:0.1S 出厂值:50.0 CD016 第三加速时间 设定范围:0.1—6500.0S 单位:0.1S 出厂值:100.0 CD017 第三减速时间 设定范围:0.1—6500.0S 单位:0.1S 出厂值:100.0 CD018 第四加速时间 设定范围:0.1—6500.0S 单位:0.1S 出厂值:200.0 CD019 第四减速时间 设定范围:0.1—6500.0S 单位:0.1S 出厂值:200.0 加速时间是指变频器从 0Hz 加速到最大操作频率所需时间,见图中 t1,减速 时间是指变频器从最大操作频率减速至 0Hz 所需时间,见图中 t2。 -27- CD012 九、功能说明 F 最大操作频率 T t1 t2 注意:Vr2.00 以前版本加减速时间是以 50Hz 为基准。 HLPA 系列变频器一共定义了四种加减速时间,第二加减速至第四加减速,用 户可以根据需要,通过外部端子、加减速时间切换选择不同的加减速时间,在内 控多段速运行中,可以通过简易 PLC 选择不同的加减速时间。 一般情况下,变频器默认第一加减速时间,第一加减速时间出厂参数按机型 设定,相关出厂值见 CD006 说明中图表。 相关参数:CD050~CD055 CD078 CD020—CD030 工厂保留 启动方式选择 设定范围:0—1 单位:1 出厂值:0 启动方式可以设定为二种方式,以适应不同设备的需要。 0:由启动频率开始启动。 当 CD141 设定为 0 即启动时直流制动无效时,启动时由启动频率开始起动。 当 CD141 设定非零即启动时直流制动有效,启动时,先进行直流制动,然后由启 动频率开始起动。 相关参数参见 CD040、CD140、CD141。 1:频率跟踪起动 此参数设定可用于大惯量负载的启动。启动时,变频器以设定频率开始向下 作速度追寻,如有大惯量设备,再启动时,不需等设备完全停止,才能执行运行 指令,可以作跟踪起动,节省时间。 注意:变频器以频率跟踪起动时,变频器是以设定频率向下作频率跟踪,并 以最快速度进行跟踪,在起动时,电流可能会较大,出现过流或失速等现象,必 须注意频率跟踪电流准位,一般情况下 CD144 调整为 100 左右,具体情况需根据 机械惯量情况具体设定。 CD031 -28- 九、功能说明 运行指令 设定频率 输出频率 输出电源 停止方式选择 设定范围:0—1 单位:1 出厂值:0 停车方式可以设定为二种方式,以适应不同的设备需要 0:减速停止 当 CD142 设定为 0 时,直流制动无效。直流制动无效时,变频器减速至停车 频率,然后停止输出,马达以自由运转形式停车。当 CD142 设定为非零时,直流 制动有效,变频器首先减速停车到停车频率,然后以直流制动形式停车。 停止时直流制动通常用于高位停车或作定位控制。必须注意,频繁使用直流 制动会引起马达过热。 相关参数参见 CD042、CD140、CD142。 1:自由运转停车 变频器接到停止指令后,变频器立即停止输出,马达以自由运转形式停车。 停车方式选择为自由运转停车时,直流制动无效。 CD032 运行指令来源 设定范围:0—2 单位:1 0: 操作器操作 运行指令由数位操作器给定。 1: 外部端子操作 运转指令由外部端子给定。即多功能输入端子给定。 2: 通讯口操作 运转指令由通讯口给定。 CD033 出厂值:0 运行频率来源 设定范围:0—2 单位:1 出厂值:0 0: 选择操作器设定 运转频率由数位操作器给定 1: 选择外部端子设定 运转频率由外部端子输入的模拟信号控制,信号类 型由 CD065 决定。相关参数参见 CD065-CD070。 2: 选择通讯口 运转频率由串列通讯给定。 CD034 CD035 载波频率 (注:0—15 对应 0—20K Hz) 设定范围:0—15 单位:1 出厂值:10 -29- 九、功能说明 波频率对于马达的电磁噪音有一定的关系,同时载波频率的高低与变频器的 发热量以及对环境的干扰有一定的关系。见下表: 载波频率 小 大 载波频率对应表 设定值 0 1 载波频率 KHz 0.7 1 电磁噪声 大 发热量 小 小 大 对环境干扰 小 大 2 3 4 5 6 7 8 9 10 11 12 13 14 15 1.5 2 3 4 5 7 8 9 10 11 13 15 17 20 由表中可知,载波高时,马达的电磁噪音越小,但对其他系统的干扰越强, 变频器发热量越大。 在环境温度较高、遇机负载较重时,适当降低载波频率以改善变频器的热特 性。 载波频率出厂值依机型设定,具体数据可见 CD006 说明中表格 点动频率 设定范围:0.00—400.00 单位:0.01 出厂值:5.00 此参数设定可实现试机中点动功能,点动操作只可通过外部端子实现,可由 多机能输入端子设定。点动频率受最大频率和最小频率限制,在实现点动功能时, 其他运行指令不接受,点动频率加速时间由第一加速时间决定,点动按钮放开后, 变频器立即停止输出,实现点动功能时,请将相应多功能输入端子设定为 07 或 08。 点动功能仅在停机状态下才可执行,在 运转中点动无效。相关参数参见 CD050-CD055。 CD036 正/反转选择 设定范围:0—1 单位:1 出厂值:1 0: 反转禁止 1: 反转有效 此参数设定适用于电机不可反转之场合,以防操作人员误操作。当反转禁止 时,马达只能正转,不能反转。 CD037 停止键有效 设定范围:0—1 单位:1 出厂值:0 0: STOP 键无效 1: STOP 键有效 此参数仅在 CD033 设定为 1 或 2 时有效。 当控制方式为外部端子控制或通讯控制时,面板上的停止键可以选择是否有效, 选择有效时,面板上停止键可以停止变频器,需要重新启动时,必须先解除运转 信号,然后方可重新启动变频器。 -30CD038 九、功能说明 S 曲线时间设定 设定范围:0~6500S 单位:1 出厂值:1 此参数可用来设定变频器在起动或停止时作无冲击性的缓启动或缓停止,启 动 S 曲线,变频器会根据加减速时间作不同速度的加减速曲线。 CD039 F 当 CD039 设定为零时,S 曲线无效, 即以直线加减速,在不考虑失速情况下, 实际加减速时间=(CD012+CD039)/2 该参数需在 CD012<CD039 时有效 CD039 CD012 T CD039 CD040 工厂保留 启动频率 设定范围:0.1—10.0 Hz 单位:0.1Hz 出厂值:0.5 启动频率是变频器启动时的初始频率,如启动频率设定为 4.0Hz 时,变频器以 4.0Hz 起动之后,运转于 4.0Hz 至最大操作频率之间,实际最高运转频率受频率上 限限制。 相关参数:CD031、CD140、CD141 CD041 停车频率 设定范围:0.1—10.0 Hz 单位:0.1Hz 出厂值:0.5 变频器停车时频率降至停车频率,变频器停止输出或开始直流制动停车。 当 CD142=0 时,停车时直流制动无效,变频器停止输出。当 CD142 设定为有 效时,变频器以直流制动停车。 相关说明见 CD032、CD140、CD142。 CD042 转矩补偿 设定范围:0.1—20.0% 此参数可以设定变频器在 运转时自动输出额外的电压,以得 到较高的转矩,可以补偿电机在低 频时转矩不足现象。转矩补偿不宜 过大,应根据实际情况,从小到大 慢慢向上设定。补偿不足,会造成 电机在低频下转矩不足,补偿过大, 会造成转矩过大,对机械有所冲击, 严重时会引起变频器跳脱。 CD043 单位:0.1% 出厂值:2.0 V 100% 转矩补偿 F -31- 九、功能说明 CD044 跳跃频率一 CD045 跳跃频率二 CD046 跳跃频率三 设定范围:0.00—400.00 Hz CD047 跳跃频率范围 设定范围:0.10—2.00 Hz 单位:0.01Hz 出厂值:0.0 单位:0.01Hz 出厂值:0.5 F CD046 CD045 CD044 频率跳跃点 CD047 CD047 为避开机械共振点,设此三个频率跳跃点,当 CD047=0 时,所有跳跃频率无效, 实际跳跃频率范围为 CD047 的两倍。如上图所示 定时器一时间设定 设定范围:0~10.00 单位:1 出厂值:0.01 CD049 定时器二时间设定 设定范围:0~10.00 单位:1 出厂值:1 定时器一为 0.1S~10.0S 定时器,定时器二为 1S~100S 定时器,当多功能输入 端子定时器开启闭合时,定时器开始计时,定时器到达时,对应多功能输出接点 动作,定时器开启断开,多功能输出定时器时间到达复位。 CD048 (输入端)定时器开启 (输出端)定时器 CD048 -32- 九、功能说明 CD050 CD051 CD052 CD053 CD054 CD055 多功能输入端子一 (FOR 端子功能) 多功能输入端子二(REV 端子功能) 多功能输入端子三(RST 端子功能) 多功能输入端子四(SPH 端子功能) 多功能输入端子五(SPM 端子功能) 多功能输入端子六(SPL 端子功能) 设定范围:00—32 单位:无 出厂值 出厂值 出厂值 出厂值 出厂值 出厂值 02 03 10 17 18 19 00: 无效 端子设定为空端子,可防止误动作。 01: RUN 运行,与其他端子结合,可组合成多种控制方式。 02: FOR 正转 03: REV 反转 04: STOP 停止 05: FOR/REV 正/反 切换 06: JOG 点动 07: 点动正转 08: 点动反转 09: 急停 可接受外来的紧急停止或其它故障讯号 10: RST 复位 故障排除后,可利用此端子进行重置。 11:保留 12:散热器或电机过热 利用该接点,可以检测散热器或电机过热,保护电机 和变频器。 13:外控定时器 1 启动 该接点闭合,定时器启动,定时器开始计时,定时器到 点时,对应多功能输出点动作 14:外控定时器 2 启动 15~16 保留 17: 高速 由高速、中速、低速,可组成三种不同频率的运行模式, 18: 中速 高、中、低端子中,以高端信号优先,低、中、高速由第二 19: 低速 第三、第四频率决定。 20: 多段速一 由多段速一、二、三可组成七段速设定 21: 多段速二 22: 多段速三 23: 加减速选择一 变频器的加减速时间,可由此端子进行选择,共有 4 种加减 速可供选择。 24: 加减速选择二 25: UP 功能 此端子开关动作时,变频器频率设定增加或减少一个单位, 开关持续保持时,则频率将快速向上递增或向下递减,在电 26: DOWN 源中断,复电后,前频率不作记忆。 27: 计数器: 此端子设定为计数器时,可以接受≤250 Hz 的脉冲信号,并 进行计数 -33- 九、功能说明 28:计数器复位 29:牵伸启动 32:PID 有效 该接点动作会清除目前计数显示值,恢复“C00”并重新进行 计数。 触发该接点,牵伸动作开始。 该接点闭合,PID 功能开启,PID 开启仅在运行中有效。 一、利用三个多功能端子组成三线制接法,实现正反转切换,广泛用于光电开关 进行正反转切换场合。 STOP RUN FOR REV RST DCM ①选用多功能端子 FOR、REV、RST ②参数设定 CD033=1 设定外部控制,CD050=02 设定正转功能 CD051=03 设定反转功能,CD052=04 设定 STOP 功能 ③动作说明:触发 FOR,变频器正转(启动) 触发 REV,变频器变反转 触发 STOP,变频器停止 二、利用 RUN、DCM、F/R 组成起动、停止、正反转切换。 K1 K2 RUN F/R DCM ①选用端子 FOR、REV 端子 ②参数设定 CD033=1 设定外部控制 CD050=01 设定 RUN 功能 CD051=05 设定 F/R 切换功能 当 K2 断开时为正转,K2 闭合为反转 三、加减速时间选择一、二说明 ①此功能实现仅在 CD076 设定为 0、1、2 时有效,在扰动和内控多段速时无效。 ②由任意二个多功能输入端子可组合成 4 种加减速供选择。 ③相关多功能输入端设定为加减速选择一、二,以 SPH、SPM 端为例,设 SPH 端 子 CD053 为 23,SPM 端子 CD054 为 24,则 SPH、SPM 端子此时为加减速时间选 择一、二。 SPH 端子 SPM 端子 结果 OFF OFF 第一加减速时间 ON OFF 第二加减速时间 OFF ON 第三加减速时间 ON ON 第四加减速时间 -34- 九、功能说明 四、高速、中速、低速三端子功能说明: F 高速 中速 低速 主频 运转指令 低速 中速 高速 结果 RUN SPL 端子 SPM 端子 SPH 端子 ON OFF OFF OFF 主速、频率以 CD000 设定值运行 ON ON OFF OFF 低速、频率以 CD080 设定值运行 ON ON/OFF ON OFF 中速、频率以 CD081 设定值运行 ON ON/OFF ON/OFF ON 高速、频率以 CD082 设定值运行 说明: (1)此功能仅在 CD076 设定为 1 时即外控四段速时有效。 (2)低速、中速、高速频率由第二频率、第三频率、第四频率决定。 (3)加减速时间由:加减速选择端子决定。 (4)当高、中、低都有信号输入时,以高、中、低顺序优先。 五:UP、DOWN 功能说明: 最大操作频率 设定频率 频率下限 up 指令 down 指令 -35- 九、功能说明 UP DOWN OFF ON ON ON OFF ON 结果 频率上升 频率下降 频率不升不降 说明:(1)UP、DOWN 功能仅在运行频率来源选定为操作器操作时有效,即 CD034 为 0 时有效。 (2)UP 端子闭合,变频器输出频率递增; (3)当 DOWN 端子闭合,变频器输出频率递减; (4)UP、DOWN 端子同时闭合时,频率不升、不降,视为无效; (5)频率达到最高操作频率时,运行频率不再上升; (6)频率下到最低频率或频率下限时,运行频率不再下降。 (7)断电后,频率不记忆,记忆 CD000 设定值。 (8)采用 UP、DOWN 功能时,面板上△▽键有效,改变数值后需按 SET 键确定后,变频器才能执行,同时该数值写入 CD000,断电后记忆 该数值。 (9)一直按压 UP 或 DOWN,频率将会快速上升或下降。 (10)经 up 或 down 修改后数值,可通过 CD072 设定,确认记忆或不记忆, 详见 CD072 说明。 六、多段速一、二、三功能说明 此项功能实现仅在 CD076 设定为 2 时有效,参见 CD076 说明。 七 :计数器功能说明 C00 C00 cn t1 t2 计数值到达 计数值复位 说明:(1)触发信号宽度不得低于 2msec(t1、t2≥2msec); (2)计数值到达,对应多功能输出接点动作; (3)计数器经复位后,计数器才可重新计数。 (4)计数器到达 65535 时不再计数。 -36- 九、功能说明 多功能输出一(DRV 端子功能) 出厂值 01 多功能输出二(UPF 端子功能) 出厂值 05 多功能输出三(FA、FB、FC 端子功能) 出厂值 02 多功能输出四(KA、KB 端子功能) 出厂值 00 设定范围:00—32 单位:无 00: 无功能 设定端子为无功能状态,防止误动作产生 01: 运行中 当变频器有输出或运转指令输入时接点动作 02: 故障指示 当变频器侦测到有异常情况时该接点动作 03: 零速 当变频器输出频率小于启动频率时此接点动作 04: 直流制动指示 当变频器处于直流制动状态时此接点动作 05: 设定频率到达 当变频器输出频率到达设定频率时此接点动作 06: 任意频率一到达 当变频器输出频率到达指定频率(CD061)时此接点动 作。 07: 任意频率二到达 当变频器输出频率到达指定频率(CD062)时此接点动 作。 08: 加速中 当变频器器处于加速状态时此接点动作 09: 减速中 当变频器处于减速状态时此接点动作 10: 变频器过载报警 当变频器侦测到过载时,此接点动作 11: 电机过载报警 当变频器侦测到电机过载时,此接点动作 12: 过转矩报警 当变频器侦测到过转矩发生时,此接点动作 13: 低电压报警 当变频器侦测到低电压时此接点动作 14: 阶段完成 当变频器执行程式运行,每完成一阶段此接点动作,输 出一脉冲。 15: 过程完成 当变频器执行程式运转时,完成所有阶段(即一周后), 此接点动作,输出一脉冲。 16:设定计数器到达 当变频器执行外部计数器时,若计数值等于设定值(CD064) 时,此接点动作。 17:中间计数器到达 当变频器执行外部计数器时,若计数值等于设定值(CD064) 时,此接点动作。 18:外控定时器 1 到达 当定时器到达设定值时,该接点动作 19:外控定时器 2 到达 20:4~20mA 断线 当 AI 输入信号断开时,该接点动作。 25:辅泵 1 该接点控制辅泵的起动及停止,详见多泵运行说明。 26:辅泵 2 27:牵伸到达 当牵伸动作完成时,此接点动作,变频器停止时,此接点自 动复位。 28:PID 反馈值过小报警 PID 反馈量小于下限值时 CD156 设定值该接点动作 29:PID 反馈值过大报警 PID 反馈量大于上限值时 CD155 设定值该接点动作 30:风扇动作 当变频器温度升高时或在运转中此触点动作。 31:电磁继电器动作 当变频器无故障时,此触点动作。 -37CD056 CD057 CD058 CD059 九、功能说明 32:制动电阻动作 当变频器运行并直流电压达到制动电压时,此触点动作。 多功能输出端 AM ** 设定范围 0—7 单位:1 出厂值:1 功能:数位频率输出端子,输出脉冲量 0~10V 模拟量,结合 CD071,可连接 量程 10V 以下的相应仪表,作外部监视使用。 0:0~10V 模拟量输出,对应输出频率,0~10V 对 0~最高操作频率 1:0~10V 模拟量输出,对应输出电流,0~10V 对应 0~变频器额定电流的 2 倍 2:模拟量输出,对应直线母线电压,0~10V 对应 0~1000V 3:模拟量输出,对应输出交流电压,0~10V 对应 0~510/255V (注:三相 380V 机种对应 510V,单三相 220V 机种对应 255V) 4:脉冲量输出,与运行频率对应关系:1 脉冲/Hz,(占容比 50%) 5:脉冲量输出,与运行频率对应关系:2 脉冲/Hz,(占容比 50%) 6:脉冲量输出,与运行频率对应关系:3 脉冲/Hz,(占容比 50%) 7:脉冲量输出,与运行频率对应关系:6 脉冲/Hz,(占容比 50%) CD060 频率一致一 频率一致二 设定范围:0.00—400.00 Hz 单位:0.01 Hz 出厂值:0.00 CD063 频率一致范围 设定范围:0.00—2.00 Hz 单位:0.01 Hz 出厂值:0.50 当变频器处于多泵运行时,此时,CD061(一致频率 1)作为高速频率使用, CD062 作为低速运行频率设定,相应多功能接点,定义改变。 CD061 CD062 t T 一致频率范围 CD063 一致频率 CD061 t t 多功能输出 当输出频率大于 一致频率时,对 应多功能输出端 动作,一致频率 范围作为一滞环 频率一致 t -38- 九、功能说明 计数值设定 ** 设定范围:0—65500 单位:1 出厂值:0 计数器可由多机能外部端子作为触发端,当计数值到达设定值 CD064 时, 对应的多机能输出接点动作,经计数器清零之后,计数器复位,计数才能重新 开始,触发信号可利用接近开关、光电开关等。 CD064 模拟量输入选择 设定范围:0—4 单位:1 出厂值:0 0:0~10V 1:0~5V 2:0~20mA 3:0~10V 与 4~20mA 叠加 此参数设定可以满足不同的模拟输入信号。 当 CD065=4 时,输出频率=1/2(U/Umax+I/Imax)×50Hz 其中:U:模拟量电压量 Umax:最大模拟量电压量 I :模拟量电流量 Imax :最大模拟量电流量 如:当模拟量分别输入为+10V 和 20mA 时,变频器输出频率为 50Hz。 CD065 模拟量低端频率 设定范围:0.00—400.00 Hz 单位:0.01 Hz 出厂值:0.00 CD067 低端频率偏压方向 设定范围:0—1 单位:1 出厂值:0 0:正方向 1:反方向 偏压方向是指正反转命令指令,正偏压指正转,负偏压指反转,详见 CD070 图示说明。 CD066 模拟量高端频率 设定范围:0.00—400.00 Hz 单位:0.01Hz 出厂值:50.00 CD069 高端频率偏压方向 设定范围:0—1 单位:1 出厂值:0 0:正方向 1:负方向 偏压方向是指正反转命令指令,正偏压指正转,负偏压指反转,详见 CD070 图示说明。 CD068 模拟量负偏压可反转 设定范围:0—1 单位:1 出厂值:0 0:负偏压不可反转 1:负偏压可以反转 此参数群可以用来设定外部模拟端子的量程及零点,可以组成任意曲线,控 制马达运行。例: -39CD070 九、功能说明 反转区 50 Hz 0 4mA 5V 12mA 正转区 10V 20mA F 50 0 4mA 10V 20mA 参数:CD066=50 CD067=1 CD068=50 CD069=0 CD070=1 说明:该曲线的应用可以很容易与其他结 合做各种复杂的应用,在应用该种曲线时外部 端子的正反转指令仍然有效,正反转切换时, 曲线将反转。 参数:CD066=50 CD067=0 CD068=0 CD069=0 CD070=0 说明:该曲线是一种特殊的反斜率设定应 用,在使用传感器做压力、温度等控制,当这 种控制是压力大,输出信号大,而要求相应对 变频器的指令是停止或减速时,这种曲线恰好 满足要求。 F 参数:CD066=10 CD067=1 CD068=40 CD069=0 CD070=1 说明:该种用法较为广泛,用户可灵活应用。 40 0V 4 2V 10V 20mA 10 40 F 0V 4mA 10 2V 4.8mA 10V 20mA 参数:CD066=10 CD067=1 CD068=40 CD069=0 CD070=1 说明:该曲线是上图曲线的延伸,2V~10V ( 4.8mA~20mA ) 对 应 0Hz~40HZ ; 0V~2V (4~4.8mA)信号无效,使用该种曲线可以避免 杂讯的干扰,在恶劣环境中,请尽量避免使用 1V 以下的信号来设定变频器的运转频率。 类比输出增益 设定范围:0.0—100.0% 单位:0.1% 出厂值:100.0 此参数可以调整多功能输出端六输出电压值,以适应不同量程的频率表,并可 利用此参数校正频率表,如外接一量程为 0~5V 的频率表,通过多功能端子显示运 行频率,可通过该参数进行校准,CD071 设定为 50 即可。 CD071 -40- 九、功能说明 up down 功能选择 设定范围:0~1 单位:1 出厂值:0 0:不记忆 1:记忆 通过该参数可以选择经 up、down 修改后的数值,停机后,是否记忆功能。记 忆、不记忆是指在运行中用 up、down 修改参数后,机器停机又重新开机,开机后 是否记忆前 up、down 修改数值,当 CD072 设定为 0 时,则不记忆修改后数值, 设定为 1,则记忆修改后数值,开机后,记忆 CD000 设定的数值。 相关参数详见:CD050~CD055 说明。 CD072 Up dowm 速度选择 设定范围:0~1 单位:1 出厂值:0 0:0.01Hz 最小上升/下降的速度单位为 0.01Hz 1:0.1Hz 最小上升/下降速度为 0.1Hz 通过该参数可以调整,Up down 上升/下降的速度单位,以适应各用户的需要。 CD073 模拟量滤波常数 设定范围:0~50 单位:1 出厂值:20 此参数设定与模拟量反应速度有关,CD074 设定越大,模拟量响应速度越慢。 CD074 中间计数器设置 设定范围:0~65500 参见 CD064 说明 CD075 单位:1 出厂值:0 PLC 运转选择 设定范围 0—5 单位:1 出厂值:0 0:普通运行 即按普通控制方式运行 1:外控四段速(参见 CD050~CD055 高速、中速、低速三端子功能说明图示) 2:外控多段速 F CD076 主频 T FOR 多段速一 多段速二 多段速三 -42- 九、功能说明 多功能端子 结果 多段速一 多段速二 多段速三 OFF OFF OFF 主频、频率由 CD000 决定 ON OFF OFF 段速一、频率由 CD080 决定 OFF ON OFF 段速二、频率由 CD081 决定 ON ON OFF 段速三、频率由 CD082 决定 OFF OFF ON 段速四、频率由 CD083 决定 ON OFF ON 段速五、频率由 CD084 决定 OFF ON ON 段速六、频率由 CD085 决定 ON ON ON 段速七、频率由 CD086 决定 说明:①外控八段速运行功能实现,多功能输入端子设定为多段速一、二、三, CD076 设定为 2 时才有效。 ②利用多段速一、二、三可组成七段速,加主频可组成八段速设定; ③step1—step7 频率由 CD080—CD086 决定; ④各加减速时间由外部多功能端子决定; ⑤各程式运行方向由外部多功能端子决定; ⑥主频频率有二种方式给定,一种由 CD000 设定,一种由电位器给定;当 CD034=1 时,主频频率由电位器给定,相关参数见 CD000、CD034、CD080~CD086。 3:扰动(横动功能) 该参数为化纤、印染实现横动功能之专用参数,除停机、外部故障、急停 之外,在运转中其他命令输入均不接受。 F CD000 CD086 CD088 CD086 CD080 T 说明:①各转折点频率由 CD000、CD080 决定; ②跳变频率由 CD086 决定; ③运行时间由定时器 CD087、CD088 决定; ④相关参数:CD000、CD080~CD088。 4:内控多段速 -43- 九、功能说明 F CD087 CD088 CD089 CD090 CD091 CD092 CD093 CD094 T 说明:① 主速+七段速共组成八段速; ② 各段速加减速时间由 PLC 加减速时间 CD079 设定,参见 CD079 详细说 明; ③ 运行时间由 CD087—CD094 定时器设定,不用的控制段,定时器设定为 零即可; ④ 各段速运行方向由 CD078 设定; ⑤ 内控多段速运行时,运行时间及方向都由内部参数设定决定,外部时间 切换、正反转切换为无效。 5:牵伸 该参数为实现收放卷线速度恒定的专用参数,使用该功能可以实现一定精度 内的的线速度恒定。 C035 C036 C000 多功能输入 多功能输出 说明:①通过外部多功能端子触发, 牵伸动作开始执行。 ②在执行牵伸动作时,运行时间 T=CD087×10。 ③ 牵伸动作 完成时, 变频器以 恒速 (CD081)输出,同时对应多功能输出 接点动作,直到停机指令下达,变频 器停止运行,多功能输出接点复位。 AuTo PLC 选择 设定范围:0—3 单位:1 出厂值:0 0:程序运行一周后停止; 1:循环运行; 2:自动运行(stop 间隔)一周后停止; 3:自动运行(stop 间隔)循环运转。 此参数设定仅在 CD076 设为 4 时有效。相关参数参见 CD000、CD076、 CD078~CD094。 -44- CD077 九、功能说明 说明:0:程序运行一周后停止 自动程序运行指令下达后,变频器以内部各参数设定值运行,运行一 周后自动停止。只有运行指令再次下达,变频器方可重新启动运行。 1:循环运行 运行指令下达后,变频器以各内部参数设定的段速频率及运行时间, 依次运行,循环进行,在循环运行期间,除停机、外部故障、急停等 指令,其余各指令不接受。 2:自动运行(stop 间隔)一周后停止。 F CD081 CD082 CD085 CD000 CD086 CD083 CD087 CD088 CD089 CD090 CD091 CD092 CD093 CD094 CD084 T CD080 说明: 1) 当自动程式运行指令下达后,变频器依各参数运行,但每一阶段变换时都会先 停止再启动,运行一周后自动停止,变频器再次下达运行指令后,变频器重新 启动; 2) 各段速频率由 CD000、CD080~CD086 设定; 3) 各段速运行时间由 CD087~CD094 设定; 4) 运行方向由 CD078 设定 3:自动运行(stop 间隔)循环运转 F CD084 CD086 CD082 CD085 CD000 CD087 CD088 CD089 CD083 CD000 CD090 CD091 CD092 CD093 CD094 CD087 CD080 CD084 CD084 阶段完成指示 程式完成指示 说明:1)当自动程序运行指令下达后,变频器依各参数运行,但每一阶段变换时 -45- 九、功能说明 都会先停止再启动,一直持续到自动运转指令 OFF 后停止; 2)每一阶段完成时,对应多功能输出接点动作; 3)每一程式运行完成时,对应多功能输出接点动作。 4)输出脉冲宽度为 20ms。 PLC 运转方向 设定范围:0—255 单位:1 出厂值:0 此参数仅在 CD076 为 4 时有效。 此参数设定决定程式运行中 CD080~CD086、CD000 各频率段的运转方向,设定 方式如下: 运转方向的设定是以二进位 8 bit 的方式设定,然后换成 10 进位值设定本参 数。如: Bit0—7 7 6 5 4 3 2 1 0 0 1 0 0 1 0 1 0 0:正转 1:反转 主速 (CD000) 正转 第一段(CD080) 反转 第二段(CD081) 正转 第三段(CD082) 反转 第四段(CD083) 正转 第五段(CD084) 正转 第六段(CD085) 反转 第七段(CD086) 正转 参数值 01001010 换成 10 进位 即: 1×26+1×23+1×21=64+8+2=74 所以参数 CD078=74 CD078 PLC 加减速时间 设定范围:0~65535 单位:1S 出厂值:0 此参数仅在 CD076 为 4 时有效。 此参数设定决定内控多段速、各段速的加减速时间值,设定方法如下: ①以二进制 2bit 方式决定各加减速时间 Bit1 Bit0 加减速时间 0 0 第一加减速时间 CD012、CD013 0 1 第二加减速时间 CD014、CD015 1 0 第三加减速时间 CD016、CD017 1 1 第四加减速时间 CD018、CD019 ②以二进制 16bit 的方式决定各段速的加减速时间 CD079 -46- 九、功能说明 第八段速 t8 0 第七段速 第六段速 t7 t6 0 0 0 0 0 t1 选择第四加减速时间 t2 选择第一加减速时间 t3 选择第三加减速时间 t4 选择第二加减速时间 t5 选择第一加减速时间 t6 选择第一加减速时间 t7 选择第一加减速时间 t8 选择第一加减速时间 第五段速 第四段速 第三段速 第二段速 第一段速 t5 0 t4 0 t3 1 t2 0 t1 1 0 1 0 0 1 设定数值 1×20+1×21+1×25+1×26=99 所以 CD079 设定为 99 第二频率设定 出厂值 15 第三频率设定 出厂值 20 第四频率设定 出厂值 25 第五频率设定 出厂值 30 第六频率设定 出厂值 35 第七频率设定 出厂值 40 第八频率设定 出厂值 0.5 设定范围:0.00—400.00 Hz 单位:0.01 Hz 此参数设定,配合多功能输入端子,可以选择外控四段速、外控多段速,内 控多段速,相关参数详见 CD076、CD087~CD094 说明。 CD080 CD081 CD082 CD083 CD084 CD085 CD086 CD087 定时器一 出厂值 10.0 CD088 定时器二 出厂值 10.0 CD089 定时器三 出厂值 0.0 CD090 定时器四 出厂值 0.0 CD091 定时器五 出厂值 0.0 CD092 定时器六 出厂值 0.0 CD093 定时器七 出厂值 0.0 CD094 定时器八 出厂值 0.0 设定范围:0.0—6500.0S 单位:0.1S 此参数设定用于内控多段速,牵伸功能时的运行时间设定,相关参数见 CD076、CD080~CD088。 CD095~CD109 保留 辅泵个数 设定范围:0~2 单位:1 出厂值:0 该参数可以设定辅泵的数量,辅泵的启动或停止是利用多功能输出接点,辅 -47- CD110 九、功能说明 泵 1 或 2 通过外围的控制线路控制。 辅泵连续运行时间 设定范围:1~9000(min) 单位:1 出厂值:60 当 2 台泵只有一台工作时,为了使每台泵都能平均工作,在一台泵工作时间 等于 CD111 时,则切换到另一台泵工作。 CD111 辅泵互锁时间 设定范围:1~250S 单位:1 该参数设定决定二个辅泵互相切换的互锁时间。 CD111 OFF ON OFF ON 辅泵 1 CD112 CD112 出厂值:5S 辅泵 2 高速运行时间 设定范围:0~250S 单位:1 出厂值:60S 在恒压供水使用过程中,因用水量较大时,主泵运行在高速频率(由 CD061 设定)当高速运行时间到达时,相应多功能接点动作,辅泵开始运行。 CD113 低速运行时间 设定范围:0~250S 单位:1 出厂值:60S 在恒压供水使用中,因用水量减少,主泵频率运行在低速度(由 CD062 设定) 时,且运行时间到达低速运行时间(CD114)相应多功能接点动作,辅泵停机。 CD113 与 CD114 必须配合 CD061、CD062 及多功能输出端一起使用且主要作 用是作加减辅泵时所用。 CD114 CD113 CD113 输出频率 CD061 CD062 CD114 CD114 T 辅泵 1 OFF ON 辅泵 2 OFF ON OFF -48- 九、功能说明 停机压力准位 设定范围:0~150% 单位:1 该参数设定主泵进入休眠时的压力准位,详见后面说明。 CD115 出厂值:95% 停机准位连续时间 设定范围:1~250S 单位:1 出厂值:30S 该参数设定进入睡眠状态前,在停机压力准位状态下持续保持的时间。 CD116 唤醒准位 设定范围:1~150% 单位:1 该参数设定休眠状态到苏醒时的唤醒压力准位 出厂值:80% 睡眠频率 设定范围:0.00~400.0 单位:1 该参数设定进入睡眠时的最低运行频率。 出厂值:20.00 睡眠频率连续时间 设定范围:1~250S 单位:1 该参数设定进入睡眠时,在睡眠频率下需运行的连续时间。 出厂值:20S CD117 CD118 CD119 F 停机压力准位 CD115 唤醒准位 CD117 T F 睡眠准位 CD118 睡眠频率持续时间 CD119 唤醒 进入睡眠 T -49- 九、功能说明 是 开机 否 F≤CD062 T≥CD114 主泵运行 运行频率 F=CD061 否 辅泵停止 是 是 否 T≥CD113 压力≥CD115 否 T≥CD119 是 否 否 辅泵运行 F≤CD118 否 T>CD111 是 否 F≥CD061 T≥CD113 T≥CD119 是 是 进入睡眠 辅泵切换 是 是 辅泵运行 压力≤CD117 是 否 是 F≤CD062 T≥CD114 否 唤醒 是 辅泵停止 是 注:T 运行时间 F 运行频率 过压失速防止选择 设定范围:0—1 单位:1 出厂值:1 0:过压失速防止功能无效 1:过压失速防止功能有效 当变频器减速时,由于负载惯量的影响,马达产生回升能量至变频器,使变频 器直流侧电压升高,所以当启动过压失速功能、变频器直流电压过高时,变频器 -50CD120 九、功能说明 停止减速,直至直流侧电压降至低于设定值,变频器再执行减速,减速时间将会 自动延长。 加速中失速防止准位 设定范围:0—200% 单位:1% 出厂值:150 在变频器加速时,由于负载过大或加速时间过短,变频器输出电流会急速上升, 超出额定设定准位。此时变频器会停止加速;当电流低于设定值时,变频器继续 加速。 I 失速防止准位 输出频率 CD121 T 100%电流为马达额定电流。本参数设定为 0 时,失速功能无效。 恒速中失速防止准位 设定范围:0—200% 单位:1 出厂值:0 在变频器恒速运转中,因负载波动等原因,使电流增大,当电流超过额定设 置值时,变频器会降低输出频率,若输出电流恢复正常,则变频器重新加速至设 定频率。在用于风机水泵类负载时,请将 CD122 设定为 120,以利于变频器正常 工作。 定速中失速防止准位 CD122 输出频率 T 100%电流为马达额定电流,本参数设定为 0 时,失速防止功能无效。 减速中失速防止准位 设定范围 0—200% 请参照 CD120 说明 减速中失速防止准位 CD123 单位:1 出厂值:150 电流 输出频率 100%电流为马达额定电流。 -51- 九、功能说明 过转矩后检出方式选择 设定范围:0~3 单位:1 出厂值:0 0:频率到达时,开始检测过转矩,检测到过转矩,继续运行。 1:频率到达时,开始检测过转矩,检测到过转矩,停止运行。 2:在运转中,检测过转矩,检测到过转矩,继续运行。 3:在运转中检测过转矩,检测到过转矩,停止运行。 CD124 过转矩检测准位 设定范围:0—200% 单位:1% 出厂值:0 当输出电流超过过转矩检出准位时且超过设定时间值(出厂值 1.0S)的一半时, 则过转矩检出指示,对应多功能报警触点动作,当超过设定时间值时,则变频器 保护,当该参数设定为 0 时,则过转矩不检测。 CD125 过转矩检测时间 设定范围 0.1—20.0s 单位:0.1s 出厂值:1.0 变频器检测到输出电流超过设定的马达电流时,变频器开始计算过转矩时间, 当过转矩时间超过设定的检测时间值一半时,相应的多功能输出端动作,过转矩 报警,变频器继续运行。当过转矩时间超过设定的检测时间值(CD126 设定)时, 变频器保护,显示故障信息,变频器停止输出。 相关参数参见 CD125。 CD126 CD127 恒速中失速防止时减速时间 出厂值:5.0 当变频器用于风机水泵类负载时,可以把 CD122 设定为 120,则当变频器电 流大于 120%时,输出频率会下降,电流也会随着下降,当电流恢复正常后,频率 慢慢恢复至正常,从而达到失速防止功能,频率下降速率是由 CD127 决定。 相关参数见 CD122。 CD128 故障重启时间 出厂值:1.0 当变频器设定为故障重启动时,当变频器出现故障跳机,当时间超过 CD128 设定的时间后,变频器会重新启动,在使用该功能时,请注意安全。 CD129 频率跟踪时电压上升时间 出厂值:0.5 当变频器启动方式设定为频率跟踪时,在跟踪过程中,有一个电压上升过程, 当电压上升快时,电流会很大,跟踪过程也快,电压上升慢,则电流小,跟踪过 程也慢。一般设定方式是功率小的机器 CD129 设定小一点,功率大的机器设定大 一点。 CD130 马达额定电压 单位:0.1V 出厂值:* 依马达铭牌上额定电压值设定,230V 级变频器出厂值为 220,440V 级变频器 -52- 九、功能说明 出厂值为 380。 CD131 马达额定电流 单位:0.1A 出厂值:* 此参数依据马达铭牌上的额定值设定,利用该参数可限制变频器输出电流, 防止过流,保护马达,若马达电流超过该数值时,交流马达变频器会发生保护。 马达极数 设定范围:02—10 单位:1 此参数设定马达的极数,依马达铭牌设定。 CD132 出厂值:04 马达转速 设定范围:0—9999 单位:1r/min 出厂值:1440 根据马达实际转速设定,显示值与此参数值相同,可作监视用参数,方便用 户,该设定值对应 50Hz 时转速。 CD133 马达无载电流 设定范围:0~99 单位:1 出厂值:40 设定马达无载电流,会影响转差补偿的量,电流以马达额定电流的 100%。 CD134 马达转差补偿 设定范围:0.0~10.0 单位:1 出厂值:0.0 变频器拖动电机时,困负载增加,滑差会变大,该参数可以设定,转差补偿, 降低滑差,使电机运转速度更能接近同步转速。 CD135 CD136~CD139 保留 直流制动准位 设定范围:0.0—20.0% 单位:0.1% 出厂值:2.0 此参数设定启动及停止时送入马达直流制动电压,调整此参数可以得到不同 的制动电压,参数调整时,必须由小慢慢增大,直到得到足够的制动转矩。 100%电压为最大频率时电压。 CD140 启动时直流制动时间 设定范围:0.0—25.0S 单位:0.1S 出厂值:0.0 此参数设定启动时,进入直流制动状态,送入马达直流制动电流持续时间。 设定为零时表示关闭直流制动。 启动时的直流制动,通常应用于风车等停止状态时负载可运动的场合。因负载 在变频器驱动前,马达常处于自由运转状态,且运转方向不定。可在启动前先执 行直流制动后启动马达,防止马达跳脱。 CD141 -53- 九、功能说明 F 此参数在 CD031 设定为 0 时有效,相关参数 参见 CD031、CD140。 CD041 CD041 CD142 T 停止时直流制动时间 设定范围:0.0—25.0 单位:0.1S 出厂值:0.0 F CD042 CD042 T 说明:此参数设定非零时,开启停止 时直流制动,送入马达直流制动时间。 停止时直流制动通常用于高位停车或 作定位控制。 此参数在 CD032 设定为 0 时有效,相 关说明参见 CD032、CD042、 CD140。 频率跟踪时间 设定范围:0.1—20.0S 单位:0.1S 出厂值:2.0 当外部异常或电源暂时中断,变频器作频率跟踪起动时,此参数作为频率跟 踪时间设定。在一些大惯量负载起、停中,由于负载惯量大,等机械完全停止再 起动,浪费大量时间,开启频率跟踪之后,启动后不需等机械完全停止,变频器 将以设定频率由上往下作频率跟踪,跟踪以后再继续加速至设定频率。 CD143 频率跟踪电流准位 设定范围:0—200% 单位:1% 出厂值:150 变频器作频率跟踪时,输出电流以此设定值为准位,当输出电流大于此准位时, 频率会下降,使电流恢复到电流准位以下,然后再重新执行频率跟踪。 CD144 瞬停再起动选择 设定范围:0—1 单位:1 0: 无效 即瞬间停电后不再重新起动 1:频率跟踪起动 请参考 CD143 说明 CD145 出厂值:0 允许停电时间 设定范围:0.1—5.0S 单位:0.1S 出厂值:0.5 此参数设定可以停电的最长时间,若超过设定时间,复电后变频器仍停止输出, 执行再启动,需按一般开机程序进行。 -54CD146 九、功能说明 异常再起动次数 设定范围:00—10 单位:1 出厂值:00 异常情况发生后(如过流、过压)变频器将自动重置,重新启动,如启动方 式设定为一般方式,则按一般方式启动,如设定为跟踪起动,则以跟踪启动形式 起动。启动后,在 60S 内无任何异常再发生则重新恢复到设定次数,如有异常, 且到达设定次数,变频器不再输出,需重新复位后才可启动。CD147 若为零时, 则异常后不执行自动重置和再启动功能。 CD147 自动稳压功能 设定范围:0—1 单位:1 出厂值:1 0:无效 1:有效 在输入电源不稳情况下,如果电压过高,马达在超过额定电压的电源下运转 将造成马达温度增加,绝缘遭破坏,输出转矩不稳定,自动稳压功能可在输出电 源不稳情况下,自动将输出电压稳定在马达的额定电压。 当设此功能无效时,则输出电压有波动。 CD148 自动省能源功能 设定范围:0—20% 单位: 1% 出厂值: 0 省能源功能设定为零时,省能源功能无效,省能源在加减速中以全电压运转, 定速运转中可由负载功率自动计算出最佳电压值,供应给负载,以达到节能的目 的。 CD149 输出电压 100% 自动节能最大可降低 30%的正常输出电 压,对于负载变化较为频繁或已近满负 载运转,此功能不适用。 70% F 比例常数(P) ** 设定范围:0.0~1000.0% 单位:0.1% 出厂值:100% 比例常数设定误差值增益,如果 I=0,D=0,只作比例控制动作。 CD150 积分时间(I) ** 设定范围:0.1~3600.0S 单位:0.01S 出厂值:0 积分时间(I)设定 PID 动作响应速度,I 值设定越大,响应速度越慢,反之, 响应速度越快,积分时间设定太小,会引起振荡。 -55CD151 九、功能说明 微分时间(D) ** 设定范围:0.01~10.00S 单位:1% 出厂值:0 微分时间(D)设定 PID 动作的衰减作用,D 值越大,衰减作用越明显,D=0 时,表示不起作用,即无效。 CD152 目标值 ** 设定范围:0~100.0% 单位:1% 出厂值:* 控制目标值可由外部电压信号或面板设定,100%目标值对应模拟量+10V 时频 率。 PID 闭环控制一般用于物理量变化不快的过程控制,如压力、温度等控制,反 馈信号一般取自温度变送器,压力变送器等,PID 控制时,反馈信号输入通道为模 拟量电流信号 4~20mA。 PID 闭环控制在多功能输入 PID 开启时有效。 PID 控制方块图: CD153 CD150 目标值 P I VVVF M D 反馈 变送器 PID 控制一般调节方法: ⑴正确选用变送器,变送器输出规格请选用 4~20mA 的标准信号; ⑵正确设好目标值; ⑶输出不振荡时,增大比例常数 P; ⑷输出不振荡时,减小积分时间 Ti; ⑸输出不振荡时,增大微分 Td。 ⑹具体应用可详见附页案例说明。 输出 调整前 目标值 调整后 1、抑制输出超值 a:减小微分时间(D 值) b:延长积分时间(I 值) 时间 -72- -56- 九、功能说明 输出 调整前 目标值 2、抑制输出振荡 a:减小微分时间(D 值) b:延长积分时间(P 值) 调整后 时间 PID 参数值目标值选择 ** 设定范围:0~1 单位:1 出厂值:0 目标值选择可以通过选择面板设定或外部模拟量设定,外部模拟量为 0~10V 信号或电位器控制。 CD154=0,PID 目标值为 C105 设定的值。 CD154=1,PID 的目标值为外部模拟量热器 0~10V(0~100%)的值,C105 设 定值无效。 CD154 PID 上限 ** 设定范围:0~100% 单位:1 出厂值:100% 当 PID 反馈值大于 CD155 的设定值时,相应多功能输出端子动作,机器不停 机。 CD155 PID 下限 ** 设定范围:0~100% 单位:1 出厂值:0 当 PID 反馈值小于 C108 的设定值时,相应多功能输出端子动作,机器不停机。 CD156 CD157~CD159 保留 通讯地址 ** 设定范围:00~250 单位:1 出厂值:00 当变频器设定为 RS-485 通讯介面控制时,每一台变频器通过 C109 设定其个 别位址。 00:无通讯功能; 01~250:变频器位址。 CD160 通讯波特率 设定范围:0~3 0:4800 位元/秒 2:19200 位元/秒 CD161 CD162 通讯资料方式 设定范围:0~5 单位: 1:9600 位元/秒 3:34800 位元/秒 单位:1 出厂值:1 出厂值:1 -57- 九、功能说明 0:8N1 FOR ASCII 2:8O1 FOR ASCII 4:8E1 FOR RTU 1:8E1 FOR ASCII 3:8N1 FOR RTU 5:8O1 FOR RTU 保留 CD164~CD168 海利 MODBUS 通讯规约 在使用 RS485 通讯界面时,每一台变频器必须设定其通讯位置,电脑便根据 每一台变频器个别位置实施控制。 1:本通讯协议有二种方式: ⑴RTU 方式(Remote Termonal Unit)模式。 ⑵ASCII 方式(American Standand Code for imformation interchange)模式。 编码意义: RTU 模式:每个 8-bit 资料由两个 4-bit 十六进位字元组成,如 64H ASCII 模式:每个 8-bit 资料由两个 ASCII 字元组成,如: 一个 1-bit 资料 64H(十六进位)以 ASCII64 表示,包含 6(36H)和 4(34H)。 字元符号 0 1 2 3 4 5 6 7 ASCII 码 30H 31H 32H 33H 34H 35H 36H 37H 字元符号 ASCII 码 8 38H 9 39H A 41H B 42H 2:通讯资料方式 ⑴8N1 For ASCII C111=0 Start bit 0 1 2 3 C 43H 4 5 D 44H 6 E 45H F 46H 7 Stop bit 7 Even parity Stop bit 7 Odd parity Stop bit 8-Data bits 字元串 10- bits 字元框 ⑵8E1 Start bit 0 For ASCII 1 2 3 C111=1 4 5 6 8-Data bits 字元串 11- bits 字元框 ⑶8O1 For ASCII C111=2 Start bit 0 1 2 3 4 5 6 8-Data bits 字元串 11- bits 字元框 -58- 九、功能说明 ⑷8N1 Start bit 0 For 1 RTU C111=3 2 3 4 5 6 7 Stop bit 7 Even parity Stop bit 7 Odd parity Stop bit 8-Data bits 字元串 10- bits 字元框 ⑸8E1 For RTU C111=4 Start bit 0 1 2 3 4 5 6 8-Data bits 字元串 11- bits 字元框 ⑹8O1 For RTU C111=5 Start bit 0 1 2 3 4 5 6 8-Data bits 字元串 11- bits 字元框 3:通讯资料格式 3.1ASCII 模式 通讯资料格式 DATA(n-1) STX ADDR FUNC LEN CRC “:” 。。。 DATA0 (3AH) ⑴STX:启始单元“:”(3AH) ⑵ADDR 通讯位置 8- bit 位置包含了 2 个 ASCII 码。 00:广播方式为 MODBUS 01~250:相应变频器地址 ⑶FUNC:功能码 8- bit 位置包含了 2 个 ASCII 码。 01:FUNC READ 读取功能码数据 02:FUNC WRIT 功能码设定 03:控制命令 04:控制状态读取 05:变频器串口频率设定 06:保留 07:保留 08:回路检测 a:读取功能码数据 格式: ADDR 01 LEN FUNC Data ADDR=0 时,无返回数据 END CR(0DH) LF(0AH) -59- 九、功能说明 ADDR≠0 且符合变频器地址时有响应 当返回为正常时,格式如下: ADDR 01 LEN FUNC Data 如返回为一个字时 LEN=3 一个字节时 LEN=2 当无此功能或无效时返回为: ADDR 81H 01 FUNC b:功能码设定 格式: ADDR 02 LEN FUNC Data ADDR=0 时,作广播用,可以设定,但无应答 ADDR≠0 时,可以设定,同时有回应讯号 当返回为不正确时,或无此功能,反回参数为: ADDR 81H 01 FUNC c:控制命令 格式: ADDR 03 LEN CNTR ADDR=0 时,为广播,无返回响应 ADDR≠0 时,有响应,返回 CNTR 7 6 5 4 3 2 jogr jogf jog r/f stop rev 当设定正确时,返回当前控制状态 格式:ADDR 03 LEN CNST CNST 7 6 5 4 3 跟踪启动 制动 r/f joging running 检测不正确时 ADDR 83H 01 CNST d:读取状态值 格式: ADDR 04 01 CFG ADDR=0 时,无返回 ADDR≠0 时,有响应 CFG=0~7 时,返回单个状态 0:Set F 1:Out F 2:Out A 3:RoTT 4:DCV 5:ACV 6:Cout 7:Tmp 例:读取设定频率 发送:01 04 03 00 41 89 返回:01 04 03 13 88 89 A6 2D 13 88 为数据 13 为高位,88 为低位 1 for 2 r/f 0 run 1 jog 0 run -60- 九、功能说明 ⑷LEN:资料长度,指 D(n-1)…D0 的长度,长度设定:1 个 Word 时 LEN=3,1 个 Byte 时或<1byte 时 LEN=2。 ⑸DATA:资料内容。2n 个 ASCII 组合成 n 个 bytes,最多有 50 个 ASCII ⑹LRC:侦误值 ASCII 模式,采用 LRC(Longitudinal Redundancy Check)侦误值。LRC 侦误值乃是将 ADDR 至最后一个资料内容加总。得到结果以 256 为单位,超 出部分去除(如结果为 128H 则取 28H)然后计算二次反补后得到结果即为 LRC 侦误值。 ⑺例如:对 01 变频器写入 30.00Hz(写入 C000) FUNC LEN DATA LRC END STX ADDR “0” “0” “0” “0”“0”“0” “3” “CR” “:” “2” “B”“HB”“8” “7” “LF” “1” “2” 30H 30H 30H 30H 30H 30H 33H 0DH 3AH 31H 32H 33H 42H 42H 38H 37H 0AH LRC 值计算:01H+02H+03H+00H+0BH+B8H=C9H C9H 二次反补为 37H 所以传送数据内容为: 3AH 30H 31H 30H 32H 30H 33H 30H 30H 30H 42H 42H 38H 33H 37H 0DH 0AH 3.2RTU 模式 静音 ADDR FUNC LEN D(n-1)~D(0) CRC 静音 >50ms >50ms ⑴静音:表示 50ms 时间以上无串口中断 ⑵ADDR:通讯位置 8-bit 位置 ⑶FUNC:命令码 8-bit 命令,具体内容参见 3.1 章节命令码中的详细说明。 ⑷LEN:资料长度 指 D(n-1)~D0 的长度 ⑸DATA:资料内容 n×8-bit 资料 ⑹LRC:侦误值 RTU 模式采用 CRC(cyclical Redundancy Check)侦 误值。CRC 侦误值经下列步骤计算。 ⑴载入一个内容为 FFFFH 的 16-bit 暂存器(称 CRC 暂存器) ⑵将命令讯息第一个位元组与 CRC16-bitCRC 暂存器的低次位元组进行 Exclasive OR 运算,并将结果存回 CRC 暂存器。 ⑶将 CRC 暂存器内容右移 1bit 最左 bit 填入 0,检查 CRC 暂存器最低位元 的值。 ⑷若 CRC 暂存器最低位元为 0,则重复步骤 3;否则将 CRC 暂存器与 A001H 与进行 Exclasive 了 OR 运算。 ⑸重复 3 及 4,直到 CRC 暂存器的内容右移 8bits,此时,该位元组已完全 处理。 ⑹对命令讯息下一个位元组重复步骤 2 与 5 直到所有位元组皆完成处理, -61- 九、功能说明 CRC 暂存器的最后内容即是 CRC 值。当在命令讯息中传送 CRC 值时,低 位元组须与高位元组交换顺序,即低位元组将先被传送。 ⑺范例 1: 对 01 变频器写入 30.00Hz 频率 命令讯息 ADDR FUNC LEN DATA CRC 01H 02H 03H 00H 0BH B8H 7FH 0CH 传送数据:01H 02H 03H 00H 0BH B8H 7FH 0CH ⑻范例 2: 下列以 C 语言产生 CRC 值。此函数需要两个参数 Unsigned char data 指讯息缓冲区的指标 Unsigned char lengh 讯息缓冲区中的位元组数目 此函数将传回 unsigned integer 型态之 CRC 值 unsigned int crc_chk(unsigned char data,unsigned char lengh) { int j; unsigned int reg_crc=0xffff; while (lengh--){ reg_crc^=*data=++; for(j=0;j<8;j++={ if(reg_crc&0×01){ reg_crc=(reg_crc>>1)^0xa001; }else{ reg_crc=reg_crc>>1; } } } return reg_crc; } 显示内容选择 设定范围:0~5 单位:1 出厂值:0 该参数在 CD168 中 Bit2 设定为 1 时有效,详见 CD168 说明 0:变频器温度 1:计数器值 2:PID 目标值 3:PID 反馈值 4:此次上电运行时间(单位小时) 5:总共上电运行时间(单位小时) CD167 -62- 九、功能说明 CD168 显示内容开启 设定范围:0—15 Bit2 Bit1 Bit0 直流电压 交流电压 选择 CD167 显示的内容 单位:1 出厂值:0 此参数设定可以选择计数器、直流高 压、交流电压及变频器温度等项显示,便 于用户监视,并通过切换键依次显示。 设定方式:以三位两进制方式设定, 然后换算成 10 进制数值设定该值。 在显示内容方面,工厂出厂时可用切换键进行输出频率,设定频率,输出电流, 输出转速需要监看其他内容,可以通过 CD167、CD168 设定。 CD169 变频器电压等级 单位:1V 工厂设定值,依机种设定,可监看不可设定。 CD170 变频器额定电流 单位:1A 出厂值:* 出厂值:* 依机种设定,不可更改。 CD171 软件版本号 可监看不可设定 出厂值:* CD172 故障记录 1 出厂值:———— CD173 故障记录 2 出厂值:———— CD174 故障记录 3 出厂值:———— CD175 故障记录 4 出厂值:———— 无故障记录时显示——,进入该参数可以查看故障显示。 故障清除 设定范围:00—10 01 为故障清除,其余无功能。 CD176 变频器类型 设定范围:0~1 单位:1 0:恒转矩 1:风机水泵,此参数只可监看不可更改。 ** 出厂值:00 CD177 出厂值:* CD178 变频器频率标准 单位:1 出厂值:* 0:50Hz 1:60Hz。此参数为工厂设定值,可监看不可设定。 -63- 九、功能说明 变频器出厂日期 CD179 5 4 3 2 出厂值:* 1 周 月 年 CD180 单位:1 此参数为工厂设定值,可监看不可设定。 出厂序号 出厂值:* 工厂设定值,可监看不可设定。 CD181~CD250 工厂设定 注:*表示该参数内容有多种设定值或该参数内容需按具体情况具体设定。 **表示该参数在运行中可设定。 -64- 十、保养、维护、故障信息及排除方法 十、保养、维护、故障信息及排除方法 在使用中能定期实施保养与检查,可使您的变频器长时间保持在正常的状态 中。 (1)、维护检查注意事项 ● 维护检查时,务必先切断输入变频器(R.S.T)的电源; ● 确定变频器电源切断,显示消失后,等到内部高压指示灯熄灭后,才实施 维护、检查; ● 在检查过程中,绝对不可以将内部电源及线材,排线拔起及误配,否则会 造成变频器不工作或损坏; ● 安装时螺丝等配件不可置留在变频器内部,以免电路板造成短路现象。 ● 安装后保持变频器的干净,避免尘埃,油雾,湿气侵入。 (2)定期检查项目 ● 电源电压确认符合变频器所需电压; (特别注意电源线与马达是否有破损 的地方) ● 配线端子和连接器,是否松动; (电源线与端子中是否有断股) ● 变频器内部是否有灰尘,铁屑及具有腐蚀性的液体; ● 禁止测量变频器绝缘阻抗; ● 检查变频器输出电压,输出电流,输出频率; (量出结果其差距不可太大) ● 检查周围的温度是否在-5℃~40℃之间,安装环境是否通风良好; ● 湿度:维持在 90%以下; (不可有结水滴的现象) ● 运转中有无异常声音或异常振动现象; (变频器不可置于振动大的地方) ● 通气孔敬请定期做清扫工作。 (3)、故障信息及故障排除 HLP 系列变频器具有比较完善的保护功能,具有过载,相间短路,对地短路, 欠压、过热、过流等保护功能。当变频器发生保护时,请按下表所示信息,查明 原因。处理完毕后,再开始执行运转操作,如无法处理,请于当地经销商联系。 故障显示 故障内容 及说明 加速中 过流 恒速中 过流 处理方法 ⒈检查马达是否短路或局部短路,输出线是否良 好; ⒉延长加速时间; ⒊变频器配置不合理,增大变频器容量; ⒋减低转矩提升设定值。 ⒈检查马达是否短路,输出连线是否绝缘不良; ⒉检查马达是否堵转,机械负载是否有突变; ⒊变频器容量是否太小,增大变频器容量; ⒋电网电压是否有突变。 -64- 十、保养、维护、故障信息及排除方法 故障显示 故障内容 及说明 处理方法 减速中过流 停车中过流 ⒈输出连线绝缘是否良好,马达是否有短路现 象; ⒉延长减速时间; ⒊更换容量较大的变频器; ⒋直流制动量太大,减少直流制动量; ⒌机器故障,送厂维修。 对地短路 停车中过压 加速中过压 恒速中过压 减速中过压 ⒈检查马达连线是否有短路; ⒉检查输出线绝缘是否良好; ⒊送修。 ⒈延长减速时间,或加装刹车电阻; ⒉改善电肉电压,检查是否有突变电压产生。 熔断丝熔断,送厂检修。 熔断丝熔断 低压 变频器过热 ⒈检查输入电压是否正常; ⒉检查负载是否突然有突变; ⒊是否缺相。 ⒈检查风扇是否堵转,散热片是否有异物; ⒉环境温度是否正常; ⒊通风空间是否足够,空气是否能对流。 变频器过负载 ⒈检查变频器容量是否配小,否则加大容量; 150% ⒉检查机械负载是否有卡死现象; 1 分钟 ⒊V/F 曲线设定不良,重新设定。 ⒈机械负载是否有突变; ⒉电机配用太小; 马达过负载 ⒊电机发热绝缘变差; 150% ⒋电压是否波动较大; 1 分钟 ⒌是否存在缺相; ⒍机械负载增大。 马达过转矩 ⒈机械负载是否有波动; ⒉马达配置是否偏小。 -65- 十、保养、维护、故障信息及排除方法 故障显示 故障内容 及说明 处理方法 电磁接触器辅 助线圈 与厂家联系 反馈 制动晶体管损 送修 坏 CPU 故障 与厂家联系 E2Prom 故障 与厂家联系 Er 外部干扰 Es 紧急停车 20 4~20mAz 线路 Pr 参数设置错误 DCb 直流制动状态 说明:⑴故障代码格式如下: E XX Y 隔离干扰源 处于急停状态 接上断线 正确设置参数 处于直流制动状态 Y 表示状态 表示报警信息 表示故障 A ⑵代码对照表: B C D E F G H O S S:停车状态下 A:加速状态下 N:恒速状态下 D:减速状态下 N L T P R U 2 4、故障及分析 ⑴按下运行键,电机不转。 ①运行方式设定错误,即运行方式在外控端子情况下,用面板操作起动或 运行方式操作器情况下,用外控端子进行起动。 ②频率指令太低或没给定。 ③外围接线错误,如二线制、三线制接线及有关参数设定有误。 ④多功能输入端子设定错误(在外控情况下)。 ⑤变频器在故障保护状态。 -66- 十、保养、维护、故障信息及排除方法 ⑥电机故障。 ⑦变频器故障。 ⑵参数不能设定。 ①密码锁定,请解密后再设定。 ②变频器运行中。 ③接插件连接异常,数字操作器通讯异常,断电后 将操作器取下,重装上去试一下。 ⑶电机不能反转 反转被禁止。 ⑷电机旋转方向相反 电机输出线接线错误,请将 U、V、W 中的任意三根线对调即可。 ⑸电机减速太慢 ①减速时间设定太长,减小减速时间 ②加装制动电阻 ③加直流制动 ⑹电机过热 ①负载太大,实际力矩已超过马达的额定转矩,建议增大马达容量。 ②环境温度太高,在温度较高环境下,电机会烧坏请降低电机周围温度。 ③电机的相间耐压不足 变频器的开关动作会使电机绕组线圈产生冲击波,通常最大的冲击电压 会达到变频器输入电源的 3 倍程度,请使用电机相间的冲击耐压高于最大冲 击电压的电机。 ⑺变频器起动,干扰其他控制装置。 ①降低载波频率,减少内部开关动作的次数。 ②在变频器的电源输入侧设置噪声滤波器。 ③在变频器的输出侧设置噪声滤波器。 ④变频器与电机请正确接地。 ⑤电缆的外面套上金属管,进行屏蔽。 ⑥主回路接线与控制线分别走线。 ⑻风机起动时,变频器检出过流失速。 ①起动时,风机处于转动无序状态,请设置起动时直流制动。 ②已设定起动时直流制动,请增大直流制动值。 ⑼机械有振动或轰鸣声 ①机械系统的振动频率与载波发生共震,调整载波,避开共振点。 ②机械系统的振动频率与变频器输出频率发生共振。 a:设置跳跃功能,避开共振点; b:在电机底板上设置防振橡胶。 -67- 十一、 周边设施选用及配置 十一、周边设施选用及配置 1、选件 名称 接线用断路器及漏 电开关 作用 保护变频器的接线,在电源侧务必设置断路 器,请使用具有防高次谐波的漏电开关。 为了防止烧坏制动电阻,请设置电磁接触器 电磁接触器 使用时在线圈上要接涌浪吸收器。 吸收电磁接触器及控制用继电器的开关涌浪 涌浪吸收器 电流。 隔离变频器的输入、输出的作用对降低干扰 隔离变压器 有效果。 DC 电抗器 改善变频器的输入功率因素 改善变频器的输入功率因素,防止浪涌电压 AC 电抗器 冲击。 制动电阻、制动单元 消耗马达的再生能量,缩短减速时间。 ⑴漏电开关 变频器内部、电机内部及输入输出引线均有对地静电电容,而变频器使用的载 波频率较高,因此变频器对地漏电电流较大,大容量机种则更为明显,使用漏电 开关时,有时会导致保护电路的误动作,所以使用漏电开关时应注意漏电开关的 选用,同时适当降低载波频率,缩短引线等。 ⑵交流电抗器 交流电抗器可抑制变频器输入电流的高次谐波,改善变频器的输入功率因素, 防止浪涌冲击,在下列情况下建议使用输入交流电抗器。 a:三相电源不平衡; b:同一电源上接有晶闸管设备或带有开关控制的功率因素补偿装置。 ⑶直流电抗器 当电源容量大于 1000KVA 或电网容量大于变频器容量时,需加装直流电抗器, 对改善电源功率因素要求较高的场合,也需加装直流电抗器。此电抗器可与交流 电抗器同时使用,对减小输入的高次谐波也有明显效果。如需安装直流电抗器, 请也当地经销商联系。 2、配置 ⑴交流电抗器 -68- 十一、 周边设施选用及配置 变频器型号 匹配功率(W) 额定电流(A) DCL-37 37 100 DCL-45 45 120 DCL-55 55 146 DCL-75 75 200 DCL-90 90 238 DCL-110 110 291 DCL-132 132 326 DCL-160 160 395 DCL-200 200 494 DCL-220 220 557 DCL-280 280 700 DCL-315 315 800 接线:①将 P、P1 端子短接片拆除 ②将直流电抗器接到 P、P1 端子,如图所示: 电感量(mH) 0.7 0.58 0.47 0.35 0.29 0.24 0.215 0.177 0.142 0.126 0.10 0.08 VVVF P P1 直流电抗器 直流电抗器的用是将叠加在直流电抗器上的交流分量限定在某一规定的数值 抑制电网谐波,改善变频器的功率因素。 ⑵交流电抗器配置 型号 匹配功率(W) 额定电流(A) 电感(mH) HKSG2-24 11 24 0.52 HKSG2-34 15 34 0.397 HKSG2-38 18.5 38 0.352 HKSG2-50 22 50 0.26 HKSG2-60 30 60 0.24 HKSG2-75 37 75 0.235 HKSG2-91 45 91 0.17 HKSG2-112 55 112 0.16 HKSG2-150 75 150 0.112 HKSG2-180 90 180 0.10 HKSG2-220 110 220 0.09 HKSG2-265 132 265 0.08 HKSG2-300 160 300 0.07 -69- 十一、 周边设施选用及配置 型号 匹配功率(W) 额定电流(A) 电感(mH) HKSG2-360 200 360 0.06 HKSG2-400 220 400 0.05 HKSG2-560 280 560 0.03 HKSG2-640 315 640 0.0215 本表所列交流电抗器只适用于变频器输入侧,请勿接到输出侧。 接线 R S T 交流电抗器 进线电抗器亦称换相电抗器,用于电网进线中, 制动电阻配量 刹车电阻配量 变频器型号 制动转矩 10%ED W Ω HLPA00D423B 80 200 125 HLPA0D7523B 100 200 125 HLPA01D523B 300 100 125 HLPA02D223B 300 70 125 HLPA0D7543B 80 750 125 HLPA01D543B 300 400 125 HLPA02D243B 300 250 125 HLPA03D743B 400 150 125 HLPA05D543B 500 100 125 HLPA07D543B 1000 75 125 HLPA001143B 1000 50 125 HLPA001543B 1500 40 125 HLPA08D543B 4800 32 125 HLPA002243B 4800 27.2 125 HLPA003043B 6000 20 125 HLPA003743B 9600 16 125 HLPA004543B 9600 13.6 125 HLPA005543B 12000 20/2 125 专用马达 KW 0.4 0.75 1.5 2.2 0.75 1.5 2.2 3.7 5.5 7.5 11 15 18.5 22 30 37 45 55 -70- 十一、 周边设施选用及配置 刹车电阻配量 制动转矩 10%ED 专用马达 KW W Ω HLPA007543B 18000 13.6/2 125 75 HLPA009043B 18000 20/3 125 90 HLPA011043B 18000 20/3 125 110 HLPA013243B 24000 20/4 125 132 HLPA016043B 36000 13.6/4 125 160 HLPA020043B 45000 13.6/5 125 200 HLPA022043B 48000 13.6/5 125 220 HLPA031543B 57600 13.6/6 125 300 11KW 以上规格变频器若要实现快速制动需安装制动单元。 注意: ①请选择本公司所制定的电阻值及使用频率; ②若使用非本公司所提供的煞车电阻及制动模组,而导致变频器或其他设 务损坏,本公司不负担任何责任; ③煞车电阻的安装务必考虑环境的安全性,易燃性,距离变频器 100mm; ④若要改变阻值及功率数,请与当地经销商联系; ⑤如需制动电阻,制动电阻需单独订货,详情与当地经销商联系。 ⑥如惯量较大的机械,请加大制动电阻的容量,详情请与当地经销商联系。 变频器型号 -71- 十二、附录 十二、附录 附录一、简单应用举例 1 扰动功能(三角波实现) F 实现如左图曲线 相关参数: CD076=3 CD000=30 CD080=27 CD086=0.5 CD087=10 CD088=10 30 0.5 27 T t1 t2 2、牵伸功能实现 R S R 50 U V W M 30 FOR RST DCM 25 t=7200s 参数设定:CD076=5、CD000=25、CD080=50、CD081=30 CD087=720、CD059=29、CD033=1 说明:(1)通过外部功能端子(图中选用 RST)触发,牵伸动作开始执行; (2)在执行牵伸动作时,运行时间 T=CD086×10S。 -72- 十二、附录 3、用一个电位器控制马达正反转 0V 5V R S R +10V VI ACM FOR DCM 10V 参数设定:CD033=1 CD067=1 CD034=1 CD069=0 CD066=50 CD070=1 U V W M CD068=50 4、内控八段速运行 实现如下图线,内控八段速运行一周停止 50Hz 40Hz 30Hz 20Hz 35Hz 15Hz 10Hz R S R U V W M FOR DCM 30Hz 参数设定:CD076=4 CD000=30 CD080=50 CD081=30 CD082=20 CD083=40 CD084=10 CD085=35 CD086=15 CD078=36 CD077=0 CD012=5 CD013=5 CD033=1 CD079=0 CD050=1 CD087~CD094=15 说明:⑴各段速运行时间由 CD087~CD094=15 设定; ⑵自动循环 CD077=1; ⑶运行指令下达后,按设定曲线运行一周后停。 5、多台变频器连动问题 -73- 十二、附录 注意:①主机频率设定可由电位器设定; ②各变频器比例关系可由 C075 调整; 例子如 F 变频 1:F 变频 2:F 变频 3=1:2:3,则可调 C075 参数,变频 1:C075=50, 变频 2:C075=100,变频 3:C075=150,则在模拟量为 10V 情况下,对应频率分 别为 50Hz,100Hz,150Hz 比例关系为 1:2:3。 ③如需方便操作及调整,可加装微调电位器,具体使用请查询。 6、工频/变频切换运行 -74- 十二、附录 KM3 FR KM KM2 R S T U V W M +10V VI Acm FOR K3 KM2 Acm K KM3 E T KM2 KM K1 K2 FR KM2 KM3 KM3 T 注:①K 为工频/变频切换开关; ②K1 为工频起动按钮,K2 为工频停止按钮; ③停车方式设定为自由运转停车; ④K3 为变频状态时起动、停止开关。 -75- 十二、附录 7、简单恒压供水 ①使用压力变送器,量程 0~10kg,反馈 4~20mA,要求 5kg 压力供水,上限 6kg 报警,下限 4kg 报警,面板起动停止。 R S R U V W AI ACM FOR RST DCM KA KB FC FB M ~ ~ 参数:CD032=1 CD035=5 CD052(RST 端子功能)=32 CD058=28 CD059=29 CD150=* CD151=* CD152=* CD153=50 CD154=0 CD155=60 CD156=40 CD033=1 *注:CD150、CD151、CD152 按实际情况设定,一般情况下恒压供 水 CD150=80~100,CD151=2.5~3, CD152=0。 电源 压力变送器 管 水 R S R +10V VI ACM AI FOR RST DCM out U V W M P24 Vcc 远程压力表 专用控制板 水 管 ②使用远传压力表 0~10kg,要求外 部端子控制运行、停止,用电位器给定目 标值。 参数:CD033=1 CD034=0 CD035=4 CD052=32 CD150=* CD151=* CD152=* CD154=1 注意:①HLPA 目标值有二种方式选 择,一种为面板设定,另一种为 0~10V 模 拟量; ②反馈信号为 4~20mA,其余无效; ③本案例目标值由电位器(~10V)给 定; ④CD150、CD151、CD152 按具体情 况设定(详见参数说明)。 ⑤PID 专用控制板是按普通远传压力 表设计的,输入内阻按 0~400Ω转换成标 准信号,如果用户使用的远传压力表阻值 超出规定范围,请更换远传压力表,或并 联上一电阻进行校正; -76- 十二、附录 ⑥由于远传压力表厂家不同,输出阻值各不相同,经转换后,电流信号大小 不相同,用户可根据实际情况,具体设定目标值与实际情况相符; ⑦目标值由电位器给定时,CD034 仍必须设定为 1,否则 PID 不起作用。 8、模拟量与多段速共用案例 要求:第一段速由模拟量给定频率,用一形状切换后,转到外部多段速运行。 K1 K2 R S T +10V VI GND SPH SPM GND U V W M 动作说明: ① 运行频率 K1 状态 K2 状态 OFF OFF 电位器给定 ON OFF 段速二(15Hz) OFF ON 段速三(30Hz) ON ON 段速四(25Hz) ②正反转切换可通过多机能端子切换或面板正反转切换(本例是通过面板切 换)。 ③模拟量与多段速共用仅在 CD076=2 时有效。 9、注塑机应用案例 控制原理图 R 注 塑 机 电 脑 控 制 器 +11 S HL-GNQA T M HLP-A -11 +12 +V VI -12 GND ACM 详细情况请联系经销商或厂家。 -77- 十二、附录 附录二、 外形及安装尺寸 名称 外形尺寸 安装尺寸 HLPA00D423B HLPA01D523B HLPA0D7543B HLPA02D243B HLPA02D223B HLPA03D743B -78- 十二、附录 名称 外形尺寸 安装尺寸 HLPA05D543B HLPA07D543B HLPA001143B HLPA016043B -79- 十二、附录 名称 外形尺寸 安装尺寸 上有四个吊环(高 36mm) HLPA030043B~ HLPA031543B 1795 600 600 长×宽×高=600×600×1795 单位:mm ⑵外形尺寸表格 型 号 A HLPA00D423B HLPA0D7523B HLPA01D523B 116 HLPA07D543B HLPA01D543B HLPA02D243B HLPA02D223B 128 HLPA03D743B HLPA05D543B 184 HLPA07D543B HLPA001143B 182 HLPA001543B HLPA18D543B 206 HLPA002243B 239 HLPA003043B B C D E F 125 161 170 141 Φ5 140 238 250 157 Φ5 200 306 318 183 Φ6 6 253 437 457 241 Φ8 8 277 490 510 241 Φ8 8 311 490 510 241 Φ8 8 G -80- 十二、附录 型 号 HLPA003743B HLPA004543B HLPA005543B HLPA007543B HLPA009043B HLPA011043B HLPA013243B HLPA016043B HLPA020043B ~ HLPA031543B A B C D E F G 250 341 650 670 326 Φ10 10 300 450 768 800 350 Φ16 16 500 650 868 900 400 Φ16 16 长×宽×高=600×600×1795 附录三:外形及安装尺寸 名称 外形尺寸 安装尺寸 OP-AB01 -81- 十二、附录 名称 外形尺寸 安装尺寸 OP-AB02 附录四: 使用者记录及反馈 功能码 功 能 出厂值 用户 参数 功能码 功 能 出厂值 CD000 主频率设定 0.00 CD010 参数锁定 0 CD001 最高电压设定 220/380 按机种 CD011 参数重置 00 CD002 基准频率设定 50.00 CD012 第一加速时间 * CD003 中间频率时电压 * CD013 第一减速时间 * CD004 中间频率设定 2.50 CD014 第二加速时间 * CD005 最低频率时电压 * CD015 第二减速时间 * CD006 最低频率设定 0.50 CD016 第三加速时间 * CD007 最高操作频率 50.00 CD017 第三减速时间 * CD008 频率上限 50.00 CD018 第四加速时间 * CD009 频率下限 0.00 CD019 第四减速时间 * 用户 参数 -82- 十二、附录 功能码 功 能 出厂值 用户 参数 功能码 功 能 出厂值 CD072 Up down 功能选择 CD073 Up down 速度选择 0 0 CD074 模拟量滤波常数 20 停车方式选择 0 CD075 中间计数器设定 0 CD033 运行指令来源 0 CD076 PLC 运转选择 0 CD034 运行频率来源 0 CD077 AuToPLC 选择 10 CD035 载波频率 * CD078 PLC 运转方向 0 CD036 点动频率 5.00 CD079 PLC 加减速时间 0 CD037 正反转选择 1 CD080 第二频率设定 15.00 CD038 停止键有无效 1 CD081 第三频率设定 20.00 CD039 S 曲线时间设定 0 CD082 第四频率设定 25.00 CD040 保留 CD083 第五频率设定 30.00 CD041 启动频率 0.5 CD084 第六频率设定 35.00 CD042 停车频率 0.5 CD085 第七频率设定 40.00 CD043 自动转矩补偿 2.0 CD086 第八频率设定 0.50 CD044 跳跃频率一 0.00 CD087 定时器一 10.0 CD056 多机能输出一 01 CD088 定时器二 10.0 CD057 多机能输出二 05 CD089 定时器三 CD058 多机能输出三 02 CD090 定时器四 0.0 CD059 多机能输出四 00 CD091 定时器五 0.0 CD060 多机能输出五 0 CD092 定时器六 0.0 CD061 频率一致一 0.00 CD093 定时器七 0.0 CD062 频率一致二 0.00 CD094 定时器八 0.0 CD063 频率一致范围 0.50 CD095~ CD109 保留 CD064 计数值设定 00 CD110 辅泵个数 0 CD065 模拟量输入选择 0 CD111 辅泵连续时间 1 CD066 模拟量低端频率 0 CD112 辅泵互锁时间 5 CD067 低端频率偏压方向 0 CD113 高速运行时间 60 CD068 模拟量高端频率 50.00 CD114 低速运行时间 60 CD069 高端频率偏压方向 0 CD115 停机压力准位 95% CD020~ CD029 保留 CD030 保留 CD031 启动方式选择 CD032 用户 参数 0 0.0 CD070 模拟量负偏压反转选 择 1 CD116 停机准位连续时间 30 CD071 AM 类比输出增益 100 CD117 唤醒时间 80% -83- 十二、附录 功能码 功 能 出厂值 用户 参数 功能码 功 能 出厂值 CD118 睡眠频率 20.0 CD148 自动稳压功能 1 CD119 睡眠频率时间 20 CD149 自动省能源 0 CD120 过压失速防止选择 1 CD150 比例常数 P 100% CD121 加速中失速防止准位 150 CD151 比例常数 I 5.0S CD122 恒速中失速防止准位 0 CD152 比例常数 D 0 CD123 减速中失速防止准位 150 CD153 目标值 0 CD124 过转矩检出方式选择 CD154 PID 目标值选择 0 CD125 过转矩检测准位 0 CD155 PID 上限 CD126 过转矩检测时间 1.0 CD156 PID 下限 CD127 恒速中失速防止时减 速时间 5.0 CD157~ CD159 保留 CD128 故障重启动时间 1.0 CD160 通讯位址 CD129 频率跟踪时电压上升 时间 CD161 通讯传送速度 CD130 马达额定电压 * CD162 通讯资料方式 CD131 马达额定电流 * CD163~ CD167 保留 CD132 马达极数 04 CD168 显示内容选择 CD133 马达额定转速 1440 CD169 变频器电压等级 * CD134 马达无载电流 40 CD170 变频器额定电流 * CD135 马达转差补偿 0.0 CD171 软体版本号 * CD136 保留 CD172 故障记录 1 —— CD137~ CD139 保留 CD173 故障记录 2 CD140 直流制动准位 CD174 故障记录 3 —— CD141 启动时直流制动时间 0.0 CD175 故障记录 4 —— CD142 停止直流制动时间 0.0 CD176 故障清除 CD143 频率跟踪时间 5.0 CD177 变频器类型 CD144 频率跟踪电流准位 150 CD178 变频器频率标准 CD145 瞬停在起动选择 CD179 变频器出厂日期 * CD146 允许停电时间 0.5 CD180 出厂序号 * CD147 异常再起动次数 0 CD181~ CD250 保留 0.5 2.0 0 用户 参数 100 0 00 1 0 0 —— 00 0 -84- 十二、附录 附录五:例 HLP-A 变频器参数设置说明 一、要求: 用电位器控制速度,用一按钮变频器的起动或停止。 二、设置要求: ⒈接线方式 ⑴220V 供电,接 R、S、T 任意两端,3φ220 接 R、S、T 端;3φ380 接 R、 S、T 端子,并注意机器型号。380V 级机器与 220V 级机器不可弄错。 特别注意:220V 级变频器接入 380V 级电源,会引起变频器炸毁,地线单独 接地。 ⑵U、V、W 接电机(马达)地线正确(单独)接地。 ⑶电位器三端分别接+10V、VI、ACM 端,调节速度,VI 端接电位器中间抽 头。 ⑷外接开关接 FOR、DCM 端(控制运行)。 ⒉接线图 L N R S T U V W M K1 +10V VI ACM FOR 单相 220V 变频器为例 DCM ⒊参数设置 ⑴接通电源,显示版本号,稍后显示 000.00; ⑵按“PROG”(程序)键,进入编程状态,显示 CD000; ⑶修改 CD033 参数,将运行设为外部端子运行,按Δ,到达 CD033 或用←、 Δ使显示到达 CD033,<注←键为移位键>,按“SET”键确认,显示 0<即为 CD033 内容>,按Δ修改其值为“1”,按“SET”键确认,出现 END 稍后显示 CD034, 其余参数设定方法以此类推……设置完毕挖出 PROG 键,回到主菜单,显示频率 数值。 ⑷其他参数值: CD033:1 < 外部端子控制 >CD034:1< 外部电位器控制>CD050:1< FOR 端子设定为 RUN,闭合 RUN,断开 STOP> 最后 CD010=1,<锁定参数,即将参数锁定,需重新设置时,先将 CD010 设 为 0,即开锁> ⑸运行操作 ①外接开关 K1 闭合,运转; ②调节电位器旋钮,调节速度; -85- 十二、附录 ③工作完成,调节电位器旋钮到零; ④按 K1<断开>,变频器停止; ⑤断电; ⑹注意事项: ①电源不可接错,马达线不可接错; ②操作时,变频器停止后方可断电。 -86-

相关文章