枣庄市2019年9月大气污染物新标准执行情况汇总表.doc
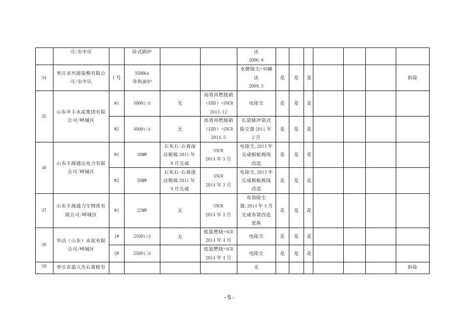
枣庄市 2019 年 9 月大气污染物新标准执行情况汇总表 序号 企业名称/ 编 所在区(县) 号 脱硫 2000 t/d 尾 1 枣庄中联水泥有限公司 /市中区 2# 窑 2000 t/d 尾 3# 窑 5000 t/d 尾 2 3 4 枣庄沃丰水泥有限公司 窑 /市中区 尾 泉头集团枣庄金桥旋窑 窑 水泥有限公司/市中区 尾 枣庄联丰焦电实业有限 1-2 公司/市中区 # 达标排放情况 (工艺、建设时间等) (是/否) 规模 1# 窑 治污设施基本信息 4000 t/d 4000 t/d 2*15MW 脱硝 除尘 SNCR+ERD 静电除尘 2014.6 2007.6 SNCR+ERD 布袋除尘 2013.12 2007.6 SNCR+ERD 布袋除尘 2013.12 2009.10 SNCR+ERD 静电除尘 2014.6 2008.4 SNCR+ERD 静电除尘 2013.12 2010.5 氨法脱硫 SNCR+ERD 2013.6 2014.5 -1- SO2 NOx 烟 尘 是 是 是 是 是 是 是 是 是 是 是 是 是 是 是 是 是 是 氨法脱硫+水膜 除尘一体化 2013.6 提标改 所在地环 未实施停 造计划 保部门对 产整治的 安排及 超标行为 原因 完成时 的处理措 限 施 备注 5 枣庄南郊热电有限公司 1-2 /市中区 # 2*50MW 石灰石石膏法 SNCR+ERD 静电除尘 2011.12 2014.8 2006.7 是 是 是 是 是 是 是 是 是 是 是 是 拆除 是 是 是 停产 山东万泰创业投资有限 6 公司二棉分公司/市中 1号 20 吨 双碱法脱硫 水膜除尘 拆除 区 南 7 枣庄市永利化工有限公 线 年产 3 万 5 千 司/市中区 北 吨碳酸锶 旋风除尘 双碱法脱硫 布袋除尘 线 8 枣庄鑫超纺织品有限公 司 1号 4t/h 卧式锅 水膜除尘+双碱 炉 法 制 9 枣庄金泰电子有限公司 粉 年产 3000 吨 /市中区 车 黑粉 布袋除尘 间 东 10 枣庄新远大实业公司/ 线 年产 6000 万 双碱法 市中区 西 平方米石膏板 脱硫 布袋除尘,双碱 法脱硫、除尘一 东线停产 体化 线 1号 11 新中兴实业有限责任公 线 年产 6000 万 司建材分公司/市中区 2号 块砖 双碱法脱硫、除 双碱法脱硫 尘一体化 线 -2- 停产 1号 12 山东海之杰纺织有限公 司/市中区 13 14 15 16 17 18 19 20 21 22 山东华派集团有限公司 /市中区 山东帝豪酒业有限公司 /市中区 2号 1号 2号 1号 1900kw 油循 环炉 2000kw 油循 环炉 6t/h 卧式锅 炉 1900kw 油循 环炉 4t/h 卧式锅 炉 枣庄天彩服装有限公司 水膜除尘 是 是 是 集中供热 水膜除尘 是 是 是 集中供热 水膜除尘 是 是 是 集中供热 水膜除尘 是 是 是 集中供热 水膜除尘 是 是 是 改燃气 集中供热 /市中区 枣庄海扬中泰服装有限 集中供热 公司/市中区 枣庄市热力总公司/市 长期停产 中区 枣庄市声望水泥有限公 立窑拆除 司/市中区 山东石榴园水泥有限公 立窑拆除 司/市中区 枣庄市声源水泥有限公 立窑拆除 司/市中区 枣庄市鑫源水泥有限公 立窑拆除 司/市中区 枣庄市安城水泥有限公 立窑拆除 -3- 司/市中区 23 24 25 26 27 28 29 30 枣庄中能热电有限公司 长期停产 /市中区 枣庄金正矿业有限公司 停产 /市中区 济钢刘岭铁矿/市中区 停产 枣庄市普利化工有限公 长期停产 司/市中区 枣庄鸿泰制衣有限公司 /市中区 枣庄市宝隆针织制衣厂 /市中区 山东华欣针织品有限公 司/市中区 山东鲁瑞针织服饰有限 公司/市中区 1号 1号 是 是 拆除 是 是 是 拆除 是 是 是 拆除 是 是 是 拆除 水磨除尘+双碱 法 卧式锅炉 粉煤浆 是 2014.8 10t/h 锅炉 1号 法 卧式锅炉 10t/h 1号 水磨除尘+双碱 10t/h 2009.9 双碱法 布袋除尘 2015.3 2015.3 水磨除尘+双碱 6t/h 法 卧式锅炉 2003.8 山东万泰创业投资有限 31 集中 公司一棉分公司/市中 供热 区 32 33 枣庄联鑫实业有限公司 长期 /市中区 停产 枣庄恒润纺织品有限公 1号 4t/h 水磨除尘+双碱 -4- 是 是 是 拆除 司/市中区 卧式锅炉 法 2006.8 34 枣庄市兴源染整有限公 司/市中区 1号 水磨除尘+双碱 3500kw 法 导热油炉 是 是 是 是 是 是 是 是 是 是 是 是 是 是 是 是 是 是 电除尘 是 是 是 电除尘 是 是 是 拆除 2009.5 高效再燃脱硝 #1 35 5000t/d 无 电除尘 山东申丰水泥集团有限 2013.12 公司/峄城区 高效再燃脱硝 长袋脉冲袋式 (ERD)+SNCR 除尘器 2011 年 2014.5 2月 #2 4000t/d 无 石灰石-石膏湿 #1 36 (ERD)+SNCR 36MW 法脱硫 2011 年 山东丰源通达电力有限 9 月完成 公司/峄城区 石灰石-石膏湿 #2 50MW 法脱硫 2011 年 9 月完成 电除尘,2013 年 SNCR 2014 年 3 月 完成极板极线 改造 电除尘,2013 年 SNCR 2014 年 3 月 完成极板极线 改造 布袋除尘 37 山东丰源通力生物质有 限公司/峄城区 #1 25MW 无 SNCR 器,2014 年 3 月 2014 年 3 月 完成布袋改造 更换 38 39 华沃(山东)水泥有限 公司/峄城区 1# 2500t/d 2# 2500t/d 低氮燃烧+SCR 无 2014 年 4 月 低氮燃烧+SCR 2014 年 4 月 枣庄市鼎立杰石膏粉有 无 -5- 拆除 限公司 40 山东神工化工集团有限 公司/峄城区 41 42 #1 8000t/年 液碱中和 2008 水膜除尘 2008 年 年 #2 备用 福运石膏粉厂 枣庄金华宇石膏粉有限 公司 43 枣庄聚鑫水泥厂 44 山东鲁源建材有限公司 45 46 停产整顿 无 未监测 无 未监测 无 已停产 #1 60 万吨/年 袋除尘 2011 年 未监测 #2 60 万吨/年 袋除尘 2011 年 未监测 枣庄中原科技有限公司 2 万吨/年 枣庄山河化工有限公司 2 万吨/年 石灰石-石膏湿 水膜除尘 2009 法脱硫 2009 年 年 液碱中和 2010 旋风除尘 2010 年 年 正常生产 正常生产 山东申丰水泥集团有限 47 公司峄州水泥分公司/ 袋除尘 是 峄城区 48 山东源大实业有限公司 无废气排放 /峄城区 49 枣庄市东方变性淀粉有 无废气排放 限公司/峄城区 50 枣庄市大兴矿业有限责 湿法除尘 任公司 -6- 拆除 51 52 福兴集团有限公司 30 万吨/年 湿法除尘 枣庄雅禾纺织有限公司 无废气排放 /峄城区 53 54 55 山东盛丰针织有限公司 煤改气,无废 /峄城区 气排放 山东圣泰纺织有限公司 已停产,无废 /峄城区 气排放 枣庄市锦隆达机械铸造 有限公司/峄城区 56 60t/d 袋除尘 2003 年 枣庄市金安水泥有限公 枣庄旭东科技化工有限 水磨除尘 公司 58 枣庄沪园实业有限公司 60 61 62 63 未验收 立窑已停产 /峄城区 59 长期停产 已停产 司/峄城区 57 拆除 枣庄榴园水泥粉磨有限 立窑已停产 公司/峄城区 山东奥纳化工有限公司 袋除尘 /峄城区 枣庄广金塑料化工有限 长期停产 长期停产 公司/峄城区 山东省枣庄市天龙针织 煤改气无废 有限公司/峄城区 气排放 山东丰源中科生态科技 用气无废气 有限公司/峄城区 排放 -7- 64 65 枣庄香伴老食品有限公 已关闭停产 司/峄城区 枣庄华润纸业有限公司 /山亭区 1# 75t/h 2# 75t/h 3# 130t/h 4# 150t/h 石灰石石膏法, SCR 选择性催 2011 年 5 月, 化还原法, 2012 年 5 月投入 2014 年 6 月投 运行 入运行 备用 电袋除尘,2012 年8月 电场高效静电 备用 是 是 是 除尘,2012 年 8 月 窑头为静电除 66 华沃(枣庄)水泥有限 公司/山亭区 SNCR 法,2014 1# 5000t/d 年 9 月开始建 设 尘,窑尾为袋式 除尘,2010 年 3 月竣工,2010 脱硝工 是 是 是 年 11 月正式投 程已建 成已完 成验收 入使用 停产治理, 物料堆场 67 北新建材枣庄分公司/ 山亭区 1# 年产 2500 万 平米石膏板 麻石旋流塔, 超级波除尘, 2004 年投入运 2004 年投入运 行 行 扬尘治理 工程正在 建设、脱硫 停产 脱硝工程 正在计划 实施 68 69 山东好利佳食品有限公 司/山亭区 枣庄华宝牧业开发有限 水膜除尘于 1# 2t/h 2007 年 10 月投 是 已停产 是 煤改气 入使用 1# 2t/h 水膜除尘于 公司/山亭区 2008 年 7 月投 -8- 入使用 70 71 72 73 74 75 76 77 78 79 山东莺歌食品有限公司 /山亭区 枣庄市中地新型建材有 限公司/山亭区 山东银光精纺制品有限 公司山亭区 枣庄华峰纸业有限公司 /山亭区 1# 锅炉已停用, 4t/h 改用燃气 年产 2000 万 已拆除已验 块 收 1# 2t/h 长期停用 1# 10t/h 长期停产 1# 枣庄金城淀粉有限公司 长期停产 /山亭区 枣庄市庐山水泥厂/山 已拆除 亭区 枣庄金铭鞋材有限公司 /山亭区 1# 2t/h 已拆除 枣庄市奥林水泥有限公 已拆除 司/山亭区 枣庄市东方水泥制造有 已拆除 限公司/山亭区 枣庄市盛大新型建材有 1# 7t/h 已拆除 限公司/山亭区 2# 16t/h 已拆除 1# 1t/h 已拆除 1# 0.9t/h 天津茂林展飞建材有限 80 公司枣庄分公司/山亭 区 81 山东天康生物科技有限 水膜除尘于 公司/山亭区 2012 年 10 月投 -9- 是 “煤改气”已 完成,燃煤锅 入使用 82 83 84 枣庄市东大阿胶制品有 限公司/山亭区 山东润品源食品有限公 司/山亭区 枣庄兰亭新材料有限公 司/山亭区 1# 炉已拆除 0.5t/h 已拆除 水膜除尘于 1# 4t/h 2012 年 9 月投 是 入使用 1# 1t/h 脱硫工程已 完成 已拆除 旋风除尘 2010 85 嘉辉玻璃制品有限公司 /枣庄市山亭区 1# 年 11 月投入使 3t/h 用,脱硫工程已 是 已停产 是 已拆除 改造完成 86 山东黄金宝贝/山亭区 1# 0.7t/h 年产免烧水泥 砖 5000 万块、 87 枣庄鸿地建材有限公司 /山亭区 1# 水泥空心砖 长期停产 1000 万块、水 泥预制排水管 30 万米 88 89 山东奥基新型建材有限 公司/山亭区 枣庄市现代建材机械制 造有限公司/山亭区 1# 长期停产、未 年产3亿块 验收 1# 已按照要求 年产6万立方 停产治理,未 验收 脱硫工程已 - 10 - 完成 90 91 山城办高山后页岩砖厂 /山亭区 枣庄市伟彤新型建材有 限公司/山亭区 1# 长期停产、未 年产150万块 验收 年产10万立方 长期停产、未 1# 验收 米 已按照要求 92 枣庄市磊源页岩砖制造 有限公司/山亭区 停产治理,未 1# 验收 年产4000万块 脱硫工程已 完成 93 94 枣庄市金福来新型建材 有限公司 枣庄市广汇新型建材有 限公司/山亭区 1# 1# 年产 10 万立 长期停产、未 方米 验收 年产 15 万立 长期停产、未 方米 验收 已按照要求 95 枣庄市红岩新型建材有 限公司/山亭区 停产治理,未 1# 验收 年产8000万块 脱硫工程已 完成 96 枣庄市煜正建材有限公 司/山亭区 已按照要 求治理, 脱硫工程 已完成,已 安装在线 1# 年产8000万块 - 11 - 监测,试生 产调试 已按照要求 停产治理,脱 97 山亭区宏芳页岩砖厂/ 山亭区 1# 硫工程已建 年产3000万块 成,未验收, 已停产 98 99 100 101 102 103 104 105 106 枣庄市华奥商品混凝土 有限公司/山亭区 枣庄市山亭中联混凝土 有限公司/山亭区 枣庄市交运混凝土有限 公司/山亭区 枣庄市众城新型材料有 限公司/山亭区 枣庄复兴混凝土有限公 司/山亭区 1# 1# 年产 7 万立方 年产 90 万立 方 水淋喷洒 已验收 水淋喷洒 已验收 1# 年产 5 万立方 水淋喷洒 已验收 1# 年产 5 万立方 水淋喷洒 未验收 1# 年产 5 万立方 水淋喷洒 丰元化学草酸厂/台儿 8.5 万吨/年 庄区 湿式双碱法 SNCR 烟气脱 多管、水磨 硝 未验收、已停 产 是 是 是 达标排放 丰元化学硝酸厂/台儿 长期停产,不 庄区 干了 山东联合丰元化工硝酸 厂/台儿庄区 10 万吨/年 湿式双碱法 低氮燃烧 — SNCR 烟气脱 山东联合王晁水泥/台 1# 年产熟料 75 儿庄区 窑 万吨 静电除尘+布袋除 硝 - 12 - 尘 窑头袋收尘 是 是 是 达标排放 是 是 是 达标排放 头 1# 窑 — 尾 1# 窑 熟石灰脱硫 头 2500t/d 熟料 1# 生产线 窑 尾 2# 107 山东泉兴水泥有限公司 /台儿庄区 水粉复合脱硫 头 2500t/d 熟料 2# 生产线 窑 水粉复合脱硫 尾 3# 窑 脱硫剂 头 5000t/d 熟料 3# 生产线 窑 王晁煤电集团热电厂/ 1 脱硫剂 75t/h 窑尾袋收尘 是 是 是 达标排放 是 是 是 达标排放 是 是 是 达标排放 电袋复合除尘器 是 是 是 达标排放 电袋复合除尘器 是 是 是 达标排放 是 是 是 达标排放 是 是 是 达标排放 是 是 是 达标排放 SNCR 烟气脱 硝 SNCR 烟气脱 硝 SNCR 烟气脱 硝 SNCR 烟气脱 硝 SNCR 烟气脱 硝 电袋复合除尘器 尾 108 硝 电袋复合除尘器 熟石灰脱硫 窑 SNCR 烟气脱 湿法脱硫 SNCR 烟气脱 硝 SNCR 烟气脱 - 13 - 电袋除尘 两用一备,发 台儿庄区 2 130t/h 3 130t/h 4 220t/h 一用一备,供 5 220t/h 热 1# 窑 109 枣庄创新山水水泥/台 头 儿庄区 1# 窑 4000t/d 熟料 — 4000t/d 熟料 — 尾 1# 窑 110 枣庄山水水泥/台儿庄 头 区 1# - - 尾 111 112 113 114 公司/台儿庄区 SNCR 烟气脱 硝 SNCR 烟气脱 硝 SNCR 烟气脱 硝 滤袋除尘器 是 是 是 达标排放 滤袋除尘器 是 是 是 达标排放 布袋除尘器 是 是 是 达标排放 布袋除尘器 是 是 是 达标排放 4000t/d 熟料 窑 枣庄海扬王朝纺织有限 电、供热 硝 SNCR 烟气脱 硝 8600 吨棉纱, 1604 万米牛 无锅炉 仔布 枣庄六和金牌饲料有限 不存在 公司/台儿庄区 枣庄市晨升纸业有限公 锅炉拆除、长 司/台儿庄区 期停产 枣庄市恒发木业有限公 锅炉拆除 司/台儿庄区 - 14 - 115 116 117 118 119 120 121 122 123 124 125 126 127 枣庄市琦源纸业有限公 不干了 司/台儿庄区 山东恒发管道技术发展 停产 有限公司 山东枣庄山佳乳业有限 关停取缔 公司/台儿庄区 台儿庄宝龙化工浆料有 锅炉拆除 限公司/台儿庄区 枣庄市浦辉电池有限公 关停取缔 司/台儿庄区 枣庄市海华丽纺织品有 不存在 限公司/台儿庄区 枣庄市晟隆包装彩印有 不存在 限公司/台儿庄区 台儿庄忠仁酒业制造有 锅炉拆除 限公司/台儿庄区 枣庄市台儿庄区佳佳食 天然气 品饮料厂/台儿庄区 鑫耀园纸业有限公司/ 锅炉拆除 台儿庄区 山东万通纸业总公司/ 无锅炉 台儿庄区 枣庄市张山子煤业有限 关停取缔 公司/台儿庄区 山东王晁煤电集团选煤 关停取缔 - 15 - 有限公司/台儿庄区 128 129 枣庄市润源水泥粉磨有 限公司/台儿庄区 60 万吨 枣庄祥和新型建材有限 年产 6000 万 公司/台儿庄区 标块多孔砖 布袋除尘 是 无 更名为枣庄 碱式脱硫 — 湿式静电除尘 是 是 是 燚兴新型建 材有限公司 山东东联水泥有限公司 130 台儿庄分公司/台儿庄 100 万吨 布袋除尘 是 区 131 132 133 山东国风精工铝业有限 锅炉改天然 公司/台儿庄区 气,现停业。 青岛啤酒(台儿庄)麦芽 企业拆除,不 有限公司/台儿庄区 存在 枣庄超越玉米淀粉有限 不干了 公司/台儿庄区 山东王晁煤电集团新宏 134 煤业有限公司/台儿庄 不存在 区 135 136 枣庄市海龙化工有限公 1000 吨烷基 司/台儿庄区 酚 燃气锅炉 枣庄市金源水泥粉磨有 不存在 限公司/台儿庄区 山东唤友水泥有限公司 137 台儿庄粉磨分公司/台 不存在 儿庄区 - 16 - 138 139 140 141 142 枣庄市恒宇纸业有限公 无锅炉 司/台儿庄区 枣庄市鸿运水泥粉磨有 不干了 限公司/台儿庄区 年产 5000 万 枣庄市炬鑫建材有限公 标岩及粉煤灰 司 湿式双碱法 — 湿式静电除尘 是 是 是 达标排放 无 湿式双碱法 — 湿式静电除尘 是 是 是 达标排放 无 双碱法 — 湿式静电除尘 是 是 是 达标排放 无 是 是 是 已完成 是 是 是 已完成 是 是 是 已完成 是 是 是 已完成 烧结空心砖 年产 8000 万 枣庄市美利华新型建材 块煤矸石页岩 有限公司 烧结砖 枣庄市同益新型建材有 年产 6000 万 限公司 新型环保砖 氨法脱除煤气 143 144 山东潍焦集团薛城能源 7-8 有限公司/枣庄市薛城 #焦 区 炉 中的硫化氢,净 80 万吨/年焦 化后的煤气燃 炭 烧 2005 年 10 月改 造 山东潍焦集团薛城能源 1-2 有限公司/枣庄市薛城 #焦 区 炉 山东潍焦集团薛城能源 3-4 有限公司/枣庄市薛城 #焦 区 炉 远通纸业山东有限公司 1# 80 万吨/年焦 炭 132 万吨/年焦 炭 75t/h 硫铵法脱除煤 气中的氨等。 2004 年 1 月建 成使用。净化 后的煤气燃烧 电扑焦油器脱 除煤气中的焦 油粉尘等,2014 年 1 月建成使 用。净化后的煤 气燃烧 氨法脱硫 SCR 脱硝 湿式除尘 2016 年 12 月投 2016 年 12 月 2016 年 12 月投 入使用 投入使用 入使用 氨法脱硫 SCR 脱硝 2018 湿式除尘 2018 年 1 月投入 年 1 月投入使 2018 年 1 月投 使用 用 入使用 氨法脱硫 2009 低氮燃烧、 电袋除尘 - 17 - 已关停 年 12 月建成 /枣庄市薛城区 2# 75t/h SNCR+SCR 联合 脱硝 2014 年 6 月建 成 低氮燃烧、 SNCR+SCR 联合 脱硝 2012 年 6 月建 成 2014 年 6 月建 成 电袋除尘 2012 年 6 月建 是 是 是 已完成 是 是 是 已完成 是 是 是 已完成 是 是 是 已完成 成 3# 75t/h 低氮燃烧、 SNCR+SCR 联合 脱硝 2012 年 6 月建 2014 年 6 月建 成 电袋除尘 成 5# 75t/h 氨法脱硫 2011 年 9 月建成 6# 75t/h 低氮燃烧、 SNCR+SCR 联合 脱硝 2014 年 6 月建 成 低氮燃烧、 SNCR+SCR 联合 脱硝 2014 年 6 月建 电袋除尘 2012 年 6 月建 成 电袋除尘 2012 年 6 月建 成 成 145 146 山东圣火旭龙煤化工有 已关停 限公司/枣庄市薛城区 青岛啤酒(薛城)有限 10 公司/枣庄市薛城区 吨 10t/h 单碱法脱硫 臭氧脱硝 布袋除尘 2017.1 月建成 2017.1 月建成 2017.1 月建成+ 湿电除尘 锅 - 18 - 是 是 是 已拆除 炉 2015.1 月建成 20 布袋除尘 吨 锅 20t/h 单碱法脱硫 臭氧脱硝 2017.1 月建成+ 2017.1 月建成 2017.1 月建成 湿电除尘 炉 147 枣庄天元精细化工有限 公司/枣庄市薛城区 1# 2# 是 是 是 已长期停产 2015.1 月建成 多管旋风除尘 8 吨锅炉 已长期停产 2000.10 Ø1.8 米 X36 重力沉降室 米回转窑 1996.12 已长期停产 薛城区邹坞镇庄头村北 148 枣庄市金山耐火材料有 已关停 限公司 1-1 149 薛城区邹坞镇北安阳村 隧 东北安阳煤矸石厂 道 7500 万块(折 标)/年 湿式双碱法 2016.5 月建成 湿式静电除尘 无 2017.6 月建成 是 是 是 错峰生产中 是 是 是 错峰生产中 窑 1# 150 隧 6000 万块(折 薛城区邹坞镇北陈郝村 道 标)/年 北北陈郝多孔砖厂 焙 湿式双碱法 2016.5 月建成 湿式静电除尘 无 2017.6 月建成 烧 窑 薛城区陶庄镇前西村 151 已关停 枣庄艺工新型建筑材料 有限公司 152 薛城区陶庄镇左村后 1-2 6000 万块(折 湿式双碱法 无 湿式静电除尘 - 19 - 是 是 是 错峰生产中 枣庄市宏源建材有限公 # 司 隧 标)/年 2016.5 月建成 2017.6 月建成 道 焙 烧 窑 1# 153 隧 6000 万块(折 薛城区陶庄镇西防备村 道 标)/年 西防备煤矸石砖厂 焙 湿式双碱法 2016.5 月建成 湿式静电除尘 无 2017.6 月建成 是 是 错峰生产中 是 烧 窑 154 薛城区陶庄镇左村 已关停 陶庄左村周庄砖厂 1# 155 隧 6000 万块(折 枣庄聚祥新型墙材有限 道 标)/年 公司 焙 湿式双碱法 2016.5 月建成 湿式静电除尘 无 2017.6 月建成 是 是 是 是 是 是 错峰生产中 烧 窑 156 157 枣庄八一水煤浆热电有 限责任公司/高新区 1.2 .3# 炉 双碱法湿法脱 130t/h 硫+炉内喷钙 2012 年 2 月完成 环保验收 2014.10 低氮 燃烧 静电+袋式除尘 达标 无 无 达标 无 无 +SCR+SNCR 枣庄八一轮胎制造有限 公司/高新区 - 20 - 无锅炉,使用 工业气源 158 159 160 华润三九(枣庄)药业 18t/h 有限公司/高新区 枣庄德容纸业有限公司 15t/h /枣庄高新区 枣庄益民新型建筑材料 有限公司/枣庄高新区 山东泉兴矿业集团有限 161 有 袋式除尘器 无 2013.6 有 无 水磨除尘 有 无 袋式除尘 2台×4t/h锅 责任公司泉兴分公司/ 是 是 是 达标 无 无 生物药渣、石 屑脱硫 是 是 是 达标 无 无 无 无 水膜除尘 拆除 水膜除尘 拆除 湿法脱硫 水膜除尘 拆除 湿法脱硫 水膜除尘 拆除 炉 滕州市 主要燃料为 1台×2t/h锅 162 山东盈泰肉制品有限公 炉,1台×4t/h 司/滕州市 锅炉,1台× 6t/h锅炉 163 164 165 滕州郭庄矿业有限责任 2台×4t/h锅 公司郭庄煤矿/滕州市 炉 滕州市卫生纸厂/滕州 3台×0.7t/h 市 锅炉 #1 20万吨/年 高钙粉脱硫 袋式除尘 是 是 是 #2 50万吨/年 高钙粉脱硫 袋式除尘 是 是 是 滕州市东郭水泥有限公 司/滕州市 - 21 - 166 167 168 169 170 171 172 173 174 175 滕州市刘村煤矿/滕州 1台×2t/h锅 市 炉 滕州市振兴纸品有限责 任公司/滕州市 山东恒仁工贸有限公司 #1 2台×6t/h锅 炉 #1 6MW #2 6MW /滕州市 山东省武所屯生建煤矿 /滕州市 2台×10 +1台 #1 滕州市民政造纸厂 滕州市级翔(集团)级 索煤矿/滕州市 枣庄王晁煤矿有限责任 公司/滕州市 6 t/h锅炉 1台10t/h锅炉 #1 1台4 t/h,1台 6t/h锅炉 1台4t/h锅炉 枣庄市留庄煤业有限公 1台4t/h锅炉, 司/滕州市 1台4t/h锅炉 滕州瑞元香料有限公司 /滕州市 滕州市悟通香料有限责 任公司/滕州市 麻石脱硫 - - 炉内喷钙+石灰 SNCR 法脱硝+ 石石膏法 低氮燃烧 炉内喷钙+石灰 SNCR 法脱硝+ 石石膏法 低氮燃烧 水膜除尘 拆除 水膜除尘 拆除 电袋+湿电除尘 是 是 是 电袋+湿电除尘 是 是 是 石灰石脱硫 水膜除尘 拆除 湿法脱硫 水膜除尘 集中供热 石灰石脱硫 水膜除尘 拆除 湿法脱硫 水膜除尘 拆除 湿法脱硫 水膜除尘 拆除 200吨/年呋喃 尾气捕捉(回收);聚丙烯多功能废气净化塔,碱 酮系列香料 液中和;低温等离子生化除味设备。 2台4t/h锅炉 湿法脱硫 水膜除尘 杂环类和含硫 低温等离子废气处理;工艺废气采取高级催化氧化 类香料 处理;活性炭吸附箱。 2台4t/h锅炉 碱液喷淋 水膜除尘 - 22 - 无监测数据 拆除 拆除 石灰石-石膏湿 #1 150MW 法脱硫 2012 年 12 月完成增容 改造 低氮燃烧+SCR 2014 年 6 月底 完成改造 双室四电场静 电+湿电除尘 是 是 是 是 是 是 是 是 是 是 是 是 是 是 是 是 是 是 石灰石-石膏湿 #2 176 150MW 法脱硫 2012 年 12 月完成增容 华电滕州新源热电有限 改造 公司/滕州市 石灰石-石膏湿 #3 315MW 低氮燃烧+SCR 双室四电场静 电+湿电除尘 法脱硫 2011 年 低氮燃烧+SCR 双室四电场静 7 月完成增容改 2013 年 6 月 电+湿电除尘 法脱硫 2012 年 低氮燃烧+SCR 双室四电场静 7 月完成增容改 2014 年 6 月 电+湿电除尘 造 石灰石-石膏湿 #4 315MW 造 #3 177 24MW 石灰石湿法脱 SNCR+低氮燃 硫 2014 年 3 月 烧 束高效除雾器 滕州市大宗煤矸石热电 完成改造 有限公司/滕州市 石灰石湿法脱 SNCR+低氮燃 硫 2014 年 3 月 烧 #4 24MW 179 滕州市华闻光明建材厂 轮窑 5000 万 /滕州市 块/年 单碱法脱硫 袋式除尘器+管 束高效除雾器 完成改造 178 袋式除尘器+管 无 湿电除尘 山东力华防水建材有限 目前停产 无锅炉,使用 - 23 - 公司/滕州市 180 181 182 183 184 185 186 187 188 189 190 热力 滕州东启肉类加工有限 已拆除,改用 2 台 4t/h 锅炉 公司/滕州市 山东鲁南装备制造有限 1 台 4t/h 锅炉, 公司/滕州市 1 台 6t/h 锅炉 山东大地麦芽有限公司 1 台 10t/h 锅 /滕州市 炉 热力 湿法脱硫 - 水膜除尘 拆除 - - 水膜除尘 拆除 滕州东方钢帘线有限公 无锅炉 司/滕州市 滕州吉田香料有限公司 1 台 2t/h 锅炉 /滕州市 1 台 2t/h 锅炉, 公司赵坡煤矿/滕州市 1 台 4t/h 锅炉 山东丰源远航煤业有限 1台4t/h锅炉, 公司北徐楼煤矿/滕州 2台2.5t/h锅 市 炉 滕州市 无 无 低温等离子处理工艺废气,目前正调试。 山东丰源远航煤业有限 山东省徐庄生建煤矿/ 无 #1 2台×4 t/h锅 炉 无监测数据 湿法脱硫 水膜除尘 拆除 湿法脱硫 水膜除尘 拆除 石灰石脱硫 水膜除尘 拆除 滕州市华闻纸业有限责 无锅炉 任公司/滕州市 滕州市金达煤炭有限责 无锅炉 任公司/滕州市 滕州市新华纸业有限公 拆除 1台4t/h锅炉, 湿法脱硫 - 水膜除尘 - 24 - 改燃气 191 192 193 194 195 196 197 198 199 200 201 202 司/滕州市 1台10t/h锅炉 山东省滕州曹庄有限责 2台4t/h锅炉, 共用一套湿法 任公司/滕州市 1台6t/h锅炉 脱硫设施 - 水膜除尘 使用热力,天 青岛啤酒(滕州)有限 然气锅炉备 公司/滕州市 滕州市丰华铝型材有限 公司/滕州市 山东富安煤炭有限公司 /滕州市 拆除 用。 熔炉 湿法脱硫 2台2t/h锅炉 - - 水浴除尘 无监测数据 - 拆除 滕州市华成金属制品有 无燃煤锅炉, 限公司/滕州市 使用电炉 滕州运城制版有限公司 无锅炉 /滕州市 滕州同德纺织有限公司 /滕州市 1台4t/h锅炉 湿法脱硫 水膜除尘 拆除,改为天 然气锅炉 无锅炉,使用 山东大宗生物开发股份 大宗热电热 有限公司/滕州市 气 山东华能线缆有限公司 无燃煤锅炉, /滕州市 使用电炉 山东博闻纸业有限责任 2台15t/h锅炉, 公司/滕州市 1台8t/h。 枣庄市金庄生建煤矿/ 2台4t/h,1台 滕州市 6t/h锅炉 山东省朝阳矿业有限公 2台6t/h锅炉 湿法脱硫 - 水膜除尘 集中供热 麻石脱硫 - 水膜除尘 拆除 石灰石脱硫 - 水膜除尘,多管 拆除 - 25 - 司/滕州市 除尘 湿法脱硫 203 (氨法) 盛隆化工有限公司/滕 州市 #1 80 万 t/a 脱硫塔、再生塔 - 消烟除尘车 SNCR 脱硝+低 电袋复合+管束 氮燃烧 除雾器 SNCR 脱硝+低 电袋复合+管束 氮燃烧 除雾器 是 是 是 是 是 是 是 是 是 各 2 个、湍球塔 1个 石灰石湿法脱 #1 204 12MW 硫 2008 年 11 月 滕州亿源煤矸石热电有 完成改造 限公司/滕州市 石灰石湿法脱 #2 4.5MW 硫 2008 年 11 月 完成改造 湿法脱硫碳酸 钠,脱硫剂脱硫 2007 年完工 205 山东世纪通泰焦化有限 公司/滕州市 #1 40 万吨焦化 干法脱硫 羟基氧化 脱硫除尘再 - 地面除尘站 是 是 是 铁干法脱硫 工 206 滕州亿达华闻煤电化有 #4 12MW 脱硫 2007 年 6 月投入运行 限公司/滕州市 #5 12MW 完成投入运 行; 2013 年 5 月完 石灰石膏湿法 提高工程已 SNCR 脱硝工程 +低氮燃烧 石灰石膏湿法 SNCR 脱硝工程 脱硫 2007 年 6 +低氮燃烧 - 26 - 电袋复合+湿电 是 是 是 电袋复合+湿电 是 是 是 月投入运行 207 208 山东省滕东生建煤矿/ 滕州市 2台×6 t/h锅 #1 炉+1台4t/h锅 石灰石脱硫 水膜除尘 拆除 炉 滕州市东大矿业有限责 拆除 任公司/滕州市 滕州市福兴新型建筑材 209 料有限责任公司/滕州 #1 市 210 块/年 - - - 已拆除 山东大明消毒科技有限 使用蒸汽 公司/滕州市 #1 211 轮窑 5000 万 2500t/d —— 鲁南中联水泥有限公司 /滕州市 #2 2500t/d —— 分级燃烧 袋除尘 +SNCR 2011 年 7 月完成 2014 年 5 月 电改袋改造 分级燃烧 袋除尘 +SNCR 2010 年 8 月完成 2014 年 5 月 电改袋改造 分级燃烧 #3 5000t/d —— +SNCR 电袋复合除尘 2013 年 12 月 212 3 台×140t/h 新能凤凰(滕州)能源 有限公司/滕州市 #1 循环流化床锅 石灰石石膏法 袋式+高效除雾 SNCR 脱硝 器除尘器 是 是 是 炉 滕州倪氏辉煌工贸有限 无锅炉 公司 213 山东中兴金属制品有限 无燃煤锅炉, - 27 - 公司/滕州市 214 215 使用电炉 滕州市金东化工有限公 1 台 4t/h 锅炉 湿法脱硫 - 水膜除尘 干法(碳酸氢钠) SCR 布袋除尘 - - - 已拆除 1 台 4t/h 锅炉 湿法脱硫 - 水膜除尘 改燃气 #1 日熔化 600T 半干法脱硫 #2 日熔化 600T 半干法脱硫 #3 日熔化 550T 半干法脱硫 #4 日熔化 700T 半干法脱硫 司/滕州市 拆除 6 条窑炉生产 滕州市宏泰化工有限公 线,年产 10 万 司/滕州市 吨泡花碱 216 217 218 219 220 221 滕州市天福新型建材有 年产 3000 万 限公司/滕州市 块/年隧道窑 滕州今缘春酒业有限公 司/滕州市 滕州金晶玻璃有限公司 /滕州市 滕州郭庄矿业有限责任 2 台 4t/h 锅炉, 公司锦丘煤矿/滕州市 1 台 6t/h 过留 SCR 静电+布袋 是 是 是 静电+布袋 是 是 是 静电+布袋 是 是 是 静电+布袋 是 是 是 湿法脱硫 - 水膜除尘 拆除 2 台窑炉 湿法脱硫 - 水膜除尘 拆除 5760 吨/年 / 山东衡达有限责任公司 /滕州市 滕州中联水泥有限公司 /滕州市 SNCR 烟气脱硝 系统 袋收尘 是 是 是 是 是 是 1#、 222 兖矿国泰化工有限公司 /滕州市 2#、 3# 锅 1*260+2*130 炉内喷改+氨法 SNCR 脱硝+低 布袋+超声波除 脱硫 氮燃烧, 尘 炉 - 28 - 223 224 2 台×75t/h 枣庄矿业集团蒋庄煤矸 循环流化床锅 石热电/滕州市 炉 2 台×240t/h 滕州富源低热值燃料热 循环流化床锅 电有限公司/滕州市 炉 130t/h 3# 循环流化床锅 炉 130t/h 4# 循环流化床锅 炉 225 260t/h 兖矿鲁南化肥厂/滕州 市 5# 循环流化床锅 炉 8、 9# 2 台 X75t/h 循环流化床锅 炉内喷钙+石灰 SNCR 脱硝+低 石石膏 氮燃烧 炉内喷钙+石灰 SNCR 脱硝+低 石石膏 氮燃烧, 炉内喷改+氨法 SNCR 脱硝+低 布袋+超声波除 脱硫 氮燃烧, 尘 炉内喷改+氨法 SNCR 脱硝+低 布袋+超声波除 脱硫 氮燃烧, 尘 炉内喷改+氨法 SNCR 脱硝+低 布袋+超声波除 脱硫 氮燃烧 尘 炉内喷钙 是 是 是 是 是 是 是 是 是 是 是 是 是 是 是 8#布袋除尘器 型号: XLDM3140,9#布 袋除尘器型号 HCMC-31402011 年8月静电除尘 改造完成 是 是 是 SNCR +SCR 电袋复合+湿电 是 是 是 SNCR +SCR 电袋复合+湿电 是 是 是 SNCR 脱硝+低 氮燃烧 炉 电袋复合+湿电 除尘 静电+湿电除尘 3 号锅炉 226 滕州盛源热电/滕州市 1-2 130t/h 号 循环流化床锅 石灰石石膏 炉 4号 4 号锅炉 石灰石石膏 130t/h - 29 - 循环流化床锅 炉 227 2 台×35t/h+1 采用炉内喷钙 分别采用一电 联创实业有限公司热电 台×40t/h, 及炉外双碱法 两袋及一电一 分公司/薛城区 循环流化床锅 技术 2010 年建 袋工艺,工程在 炉 成运行 建 400t/h 炉外,石灰石湿 LNB+SCR 脱硝 煤粉锅炉 法脱硫 工艺 980t/h 炉外,石灰石湿 LNB+SCR 脱硝 电袋复合除尘 煤粉锅炉 法脱硫 工艺 器 980t/h 炉外,石灰石湿 LNB+SCR 脱硝 电袋复合除尘 煤粉锅炉 法脱硫 工艺 器 5 228 华电国际电力十里泉发 电厂/市中区 6 7 - 30 - 电除尘器 是 是 是 是 是 是 是 是 是 是 是 是

枣庄市2019年9月大气污染物新标准执行情况汇总表.doc




