番茄品种(系)抗灰叶斑病鉴定技术规范
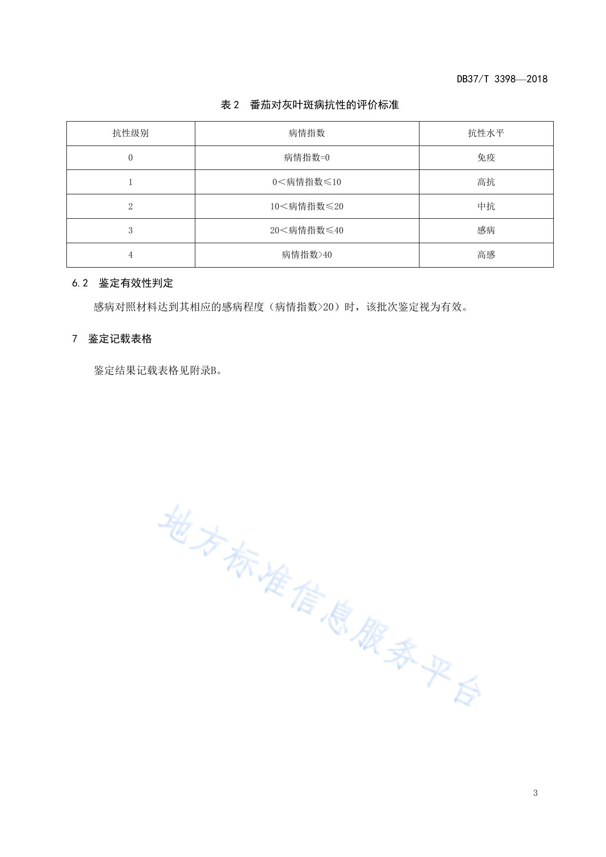
ICS 65.020 B 01 山 DB37 东 省 地 方 标 准 DB 37/T 3398—2018 番茄品种(系)抗灰叶斑病鉴定技术规范 Rule for Resistance Evaluation of Tomato Varieties (Lines) to Grey Leaf Spot 2018 - 08 - 17 发布 山东省质量技术监督局 2018 - 09 - 17 实施 发 布 DB37/T 3398—2018 前 言 本标准按照GB/T 1.1-2009 给出的规则起草。 本标准由山东省农业厅提出。 本标准由山东省农业标准化技术委员会归口。 本标准起草单位:山东省农业科学院植物保护研究所。 本标准主要起草人:马立国、张博、张悦丽、祁凯、齐军山、李长松。 I DB37/T 3398—2018 番茄品种(系)抗灰叶斑病鉴定技术规范 1 范围 本标准规定了番茄品种(系)抗灰叶斑病鉴定的接种体制备、抗性鉴定和抗性评价的技术要求。 本标准适用于山东番茄品种(系)抗灰叶斑病的人工接种鉴定。 2 术语和定义 下列术语和定义适用于本文件。 2.1 接种体 通过人工制备能够侵染寄主并引起相应病害的病原体。 2.2 抗性评价 根据采用的技术标准判别寄主植物对特定病害反应程度和抵抗水平的定性描述。 3 接种体制备 3.1 病原物分离 采用常规组织分离法,从病叶的典型病斑上分离灰叶斑病原物。分离物经形态学鉴定确认为茄匍柄 霉Stemphylium solani(见附录A)后,再进行纯化和致病性测定,保存备用。 3.2 接种体保存和繁殖 3.2.1 接种体保存 将病原物接种在马铃薯蔗糖培养基(PSA)试管斜面上,24 ℃黑暗下培养7 d~10 d,后置于4 ℃ 保存。 3.2.2 接种体繁殖 将保存的菌株转移至PSA培养基平板上,置于25 ℃下培养7 d~10 d,待大量产孢后,向培养皿内 6 加入灭菌蒸馏水收集孢子,制备孢子悬浮液,用灭菌蒸馏水稀释成浓度为1×10 个孢子/ml的孢子悬浮 液。 4 接种 1 DB37/T 3398—2018 4.1 育苗 种子经2 %次氯酸钠溶液浸泡10 min,清水冲洗后置于恒温箱中28 ℃催芽,播种于育苗盘内。每份 材料10株,重复3次。 4.2 接种 在5片~6片真叶期,用小型喷雾器将配制好的孢子悬浮液均匀喷雾到每一叶片,以不形成水滴流淌 为度。 4.3 接种后管理 接种后室内温度为19 ℃~24 ℃,最初24 h内相对湿度为100 %,无光照;之后相对湿度为80 %~ 90 %,每天光照14 h,强度为35 klx。 5 病情调查 接种后约14 d进行。 5.1 病情级别划分 幼苗病情级别及其相对应的症状描述见表1。 表1 番茄灰叶斑病病情级别的划分 病级 系数 症状描述 0级 0.0 无感病症状 1级 0.1 病斑面积占叶片面积的 5 %以下 2级 0.2 病斑面积占叶片面积的 5.1 %~10.0 % 3级 0.4 病斑面积占叶片面积的 10.1 %~25.0 % 4级 0.6 病斑面积占叶片面积的 25.1 %~50.0 % 5级 0.8 病斑面积占叶片面积的 50.1 %~75.0 % 6级 1.0 病斑面积占叶片面积的 75.1 %以上 5.2 病情记载 5.2.1 调查记载每一鉴定植株的病情级别,并计算病情指数。 5.2.2 病情指数按下列公式计算: 病情指数 (病级代表系数 各级病株数)(调查总株数 / 1.0)100 6 抗性评价 6.1 抗性评价标准 依据鉴定材料3次重复的病情指数平均值确定抗性水平,划分标准见表2。 2 DB37/T 3398—2018 表 2 番茄对灰叶斑病抗性的评价标准 抗性级别 病情指数 抗性水平 0 病情指数=0 免疫 1 0<病情指数≤10 高抗 2 10<病情指数≤20 中抗 3 20<病情指数≤40 感病 4 病情指数>40 高感 6.2 鉴定有效性判定 感病对照材料达到其相应的感病程度(病情指数>20)时,该批次鉴定视为有效。 7 鉴定记载表格 鉴定结果记载表格见附录B。 3 DB37/T 3398—2018 AA 附 录 A (资料性附录) 番茄灰叶斑病 A.1 学名和形态 A.1.1 学名 茄匍柄霉 Stemphylium solani Weber。 A.1.2 形态 菌丝无色,分枝,分隔。分生孢子梗单生或数根簇生,顶端较宽或膨大,基部细胞膨大,橄榄褐色, 具隔膜。分生孢子椭圆形至长方形,淡褐色至浅黑色,表面光滑或具细疣,两端钝圆,具3个~6个横膈 膜和多个纵隔膜,分隔处缢缩,无喙,脐部深褐色,大小35 μm~55 μm×18 μm~28 μm。 A.2 症状 主要为害叶片。发病初期叶片正反面出现许多暗褐色、水渍状的小点,后扩大为黑褐色、圆形或近 圆形小病斑。小病斑周围有窄的黄色晕圈。后在叶脉之间向四周呈不规则扩展,中部逐渐褪绿,变为灰 白色至灰褐色,病斑稍凹陷,较小而薄,后期易破裂、穿孔。 4 DB37/T 3398—2018 BB 附 录 B (资料性附录) 番茄抗灰叶斑病鉴定结果记载表 表 B.1 编号 品种(系) 来源 番茄抗灰叶斑病鉴定结果记载表 病情级别 重复 0级 1级 2级 3级 4级 5级 6级 病情 平均病 抗性水 指数 指 平 Ⅰ Ⅱ Ⅲ 注:1 播种日期: 2 接种日期: 3 接种生育期: 4 接种体病原物编号: 5 调查日期: _________________________________ 5

番茄品种(系)抗灰叶斑病鉴定技术规范



