秦岭文库(kunmingchi.com)你想要的内容这里独有!

附件1.采购内容20211101_5个综合台智能电源采购指标_两种型号.docx

Gentleman 绅士5 页 22.195 KB下载文档
附件1.采购内容20211101_5个综合台智能电源采购指标_两种型号.docx附件1.采购内容20211101_5个综合台智能电源采购指标_两种型号.docx附件1.采购内容20211101_5个综合台智能电源采购指标_两种型号.docx附件1.采购内容20211101_5个综合台智能电源采购指标_两种型号.docx附件1.采购内容20211101_5个综合台智能电源采购指标_两种型号.docx
当前文档共5页 下载后继续阅读

附件1.采购内容20211101_5个综合台智能电源采购指标_两种型号.docx

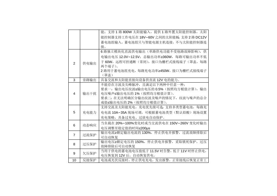
一带一路地震台网建设项目 5 个综合台智能电源采购 包含 智能电源 15 套,所附两种智能电源,其中智能电源一:10 套,智能电源二:5 套。 预算:19 万元 智能电源一:10 套 一、功能性要求 智能电源系统整体须支持《台站电源数据通信控制协议规程》,支持 NTP 网络授时,具备本地及远程参数设置功能。具备一年内权威机构出具的各 项指标检测报告。 (一)供电管理功能 智能电源以交流和太阳能为能源输入。具备 8 路直流输出,其中 6 路用于向仪器供电,2 路用于向蓄电池充电。每个智能电源配备两个电池组作为电 力储能单元,每个电池组由 3 块蓄电池(每块蓄电池标称电压 12V,容量为 100Ah)并联组成。 (二)动环监控及管理功能 智能电源提供 RS485 等接口用于接入配套的温湿度、气压等,并具备多个远程可控数字输入输出端口用于接入门磁探头等传感器及输出触发控制信 号,可以实现交流电压、充电电压电流、负载电压电流、光伏状态、温湿度、电池健康状态等的远程监测查询,并生成相关日志。配套提供的集中管理 系统具备对本厂全部智能电源进行集中管理的功能,包括但不限于:状态信息汇聚、存储、分析及显示,远程控制,设备参数设置,固件批量升级及控 制管理。 二、性能指标要求 序号 指标名称 1 供电输入 第一部分:供电管理指标及要求 要求 支持 1 路 220V 交流输入,交流电压 150V~260V 可工作,具备保护功 能;支持 1 路 800W 太阳能输入,提供 1 路外置太阳能控制器,太阳 能控制器支持工作电压在 18V~60V 之间的太阳能板;支持 2 路 DC12V 蓄电池组输入,蓄电池组只与智能电源主机连接,不与太阳能控制器连 接。 6 路独立模块化直流供电输出(单路供电功能不受他路故障影响),供 2 供电输出 3 旁路输出 4 输出干扰 5 充电能力 6 动态响应 7 过流保护 8 过压保护 9 欠压保护 10 反接保护 电输出电压 12.0V~12.5V;总输出功率≥360W,每路可输出功率不低 于 60W,远程可控通断(常闭),接口为栅栏式接线端子(罩盖,每路 两个端子) 。 2 路用于蓄电池组充电,每路充电功率≥450W,接口为栅栏式接线端子 (罩盖) 具备交流和太阳能直接向设备供直流 12V 电的能力。 不能存在方波及尖峰脉冲,且满足以下两种中任意一种: 要求一:输出电压纹波≤输出电压的 0.5%(按照均方根值计算),输出 电压噪声≤输出电压的 1%(按照均方根值计算)。 要求二:在无法明确区分输出纹波及噪声的情况下,纹波与噪声的总合 成值≤输出电压的 2%(按照均方根值计算) 。 支持交流及太阳能充电,充电优先级可选;支持多类型蓄电池,每路充 电电流 10A~35A 现场可调,可根据蓄电池类型(默认铅酸)现场设置 充电策略,具备过充电、过放电自动保护。 当负载在 20%~100%变化时或当交流供电在 150V~260V 变化时输出 电压调整至稳定值的时间≤200μs 输出电流≥额定输出电流的 130%,停止供电并报警,过流故障排除后 可自动恢复 输出电压≥额定电压的 150%,停止供电并报警,采取锁死保护,过压 故障排除后可自动恢复 当用于供电的蓄电池电压值低于 11.5V 时告警,低于 11V 时停止供电, 电压恢复到 12V 后,自动恢复供电。 电池或光伏反接时,停止供电充电,发出报警,正常接线后恢复正常工 11 过温保护 序号 指标名称 12 环境监控 接口 作。 电源温度影响正常工作时报警,电源采取保护措施,温度正常后自动恢 复工作。 第二部分:动环及管理指标及要求 要求 提供 2 个 RS485 接口(用于接入 2 个温湿度及 1 个气压传感器等);8 个 DI 接口(1#门禁、2#烟感、3#水浸、4#红外、5#-8#为预留接 口,欧式端子);4 个 DO 接口(欧式端子,远程可控,最大输出电流 1A,输出电压 12V) ,均为插拔式接线端子,DI 和 DO 接口需提供可供 其他程序远程控制的接口。 温度探头(2 套):量程-40℃~80℃,精度优于±0.3℃ 湿度探头(2 套):湿度量程 0~100%,分辨力高于 0.1%RH,精度优 于±2%RH 13 动力环境 监测探头 14 电源集成 管理软件 15 单机客户 端软件 气压探头(1 套):量程 300hPa~1000hPa,综合精度优于 0.5%FS 门磁探头(1 套):感应距离优于 1.5 厘米,直流 12 伏供电,开关量 输出 烟感探头(1 套):直流 12 伏供电,探测半径优于 7.5 米,开关量输 出 水浸探头(1 套):电极式,灵敏度 0~50K 无级调节,响应时间小于 1 秒,直流 12 伏供电,开关量输出 红外探头(1 套):探测角度 90 度,探测距离不低于 8 米,直流 12 伏 供电,开关量输出 单节电池健康状态监测探头(6 个):电压、温度、内阻 提供集成管理软件,实现所供全部电源参数的设置、远程控制、系统升 级等功能,可以读取单个单元的参数,实时显示选定电源动环监测数据, 异常报警,具备历史曲线回放,用户分级管理等功能 提供单机客户端软件,可以安装在笔记本电脑或手机等移动客户端上, 实现对电源参数的设置与读取,查看动环监测数据,现场控制等 16 17 18 通讯协议 网络接口 授时方式 19 参数设置 20 状态信息 上传 21 报警 22 运行日志 23 固件升级 平均故障 间隔时间 防护等级 24 25 26 环境适应 性 27 外形尺寸 支持《台站电源数据通信控制协议规程》 1 个 RJ45 自适应网络接口 支持 NTP 网络授时 具备远程或现场查看及更改设备网络、报警阈值、台站信息等参数的功 能,修改参数及时生效,无需重启设备,且断电后保持 主动传输各项运行状态监测数据,包含但不限于:交流电压、充电电压 电流、负载电压电流、光伏状态、温湿度、气压、电池状态(单节电池 电压、温度、内组)等 状态信息的报警阈值可设置,超出报警阈值后具备本地声音报警及报警 信息的远程上传功能 包括参数设置、异常信息、报警信息、操作控制信息等,至少保存近 90 天的运行日志 支持现场及远程升级 整机 50000 小时以上 IP31 工作温度:-20℃~55℃; 工作湿度:10~98%(无凝结) 标准机架式安装产品,高不大于 4U,深度不超过 500 毫米 智能电源二:5 套 一、性能指标: 1、直流不间断电源,用蓄电瓶提供后备供电,以输入输出隔离的 DC/DC 变换方式取得设备所需电压,隔离电压不低于 1500VAC;输出端具有过流、 过压、短路保护及自恢复能力; 2、提供 1 路 48V(输出电流>1A)、4 路以上 12V(输出电流>3A)直流输出,输出电压精度不低于±1%;各路输出相互独立,配合管理软件,远程 可控通断; 3、具有 RS485、RJ45、干湿结点输入接口,实现现场温湿度实时监测、现场图像获取,接入红外感应、湿敏传感器、门磁开关等; 4、对于市电、太阳能双供电台站,应具备相应输入接口,能按要求顺序自动切换; 5、提供电源远程管理软件,以 C/S 方式实现以下功能: ①电源运行状态的实时监控及异常状态报警,包括市电状态、充电状态、蓄电瓶电压状态、直流输出状态、干湿结点输入状态、电瓶电压及各路输 出电压的实时监测。 ②市电输入的通断控制、直流输出端的通断控制。 ③市电、太阳能双供电时,能远程控制供电优先级,监控在线供电方式; ④对所有电源运行状态、控制操作的日志记录及历史纪录查询。 ⑤台站所在地天气预报信息的自动查询及通知。 ⑥设备分布及运行状态的地图实时显示。 6、提供手机端的控制 app 软件,可在手机查看电源运行状态的实时监控及异常状态报警,并实现市电输入和直流输出端的通断控制。 二、服务要求: 提供 48 小时内故障处理服务,故障无法现场处理时提供备机;

相关文章