西门子智能电机管理系统 故障安全模块 3UF73301AU000供应产品西门子PLC众平专营.pdf
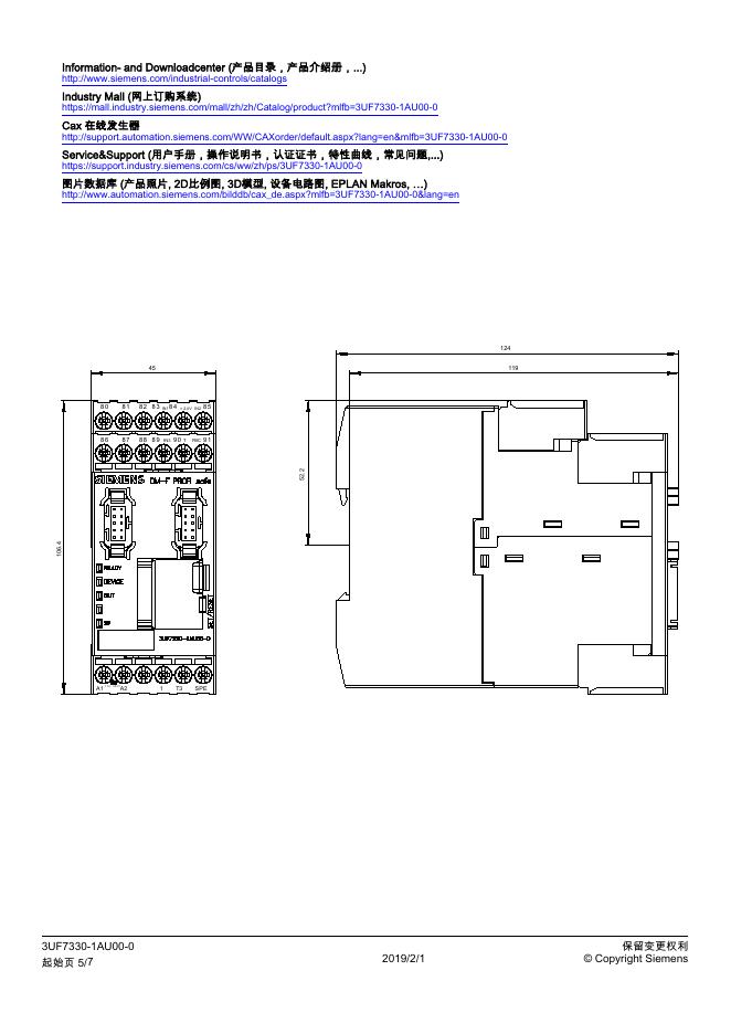
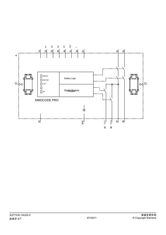
数据页 3UF7330-1AU00-0 故障安全型数字模块 DM-F PROFIsafe,用于 故障安全地关断 通过 Bus/PROFIsafe, US:110 - 240 V AC/DC 2 个继电器使能电路, 2 继电器输入端, 3 输入端, 可达到的最大 SIL IEC 61508:3, 可达 到的最大 PL ISO 13849-1:E 产品品牌名称 SIRIUS 产品名称 故障安全型数字模块 产品的规格 用于故障安全关闭 产品类型名称 DM-FP 综合技术数据 产品组件 ● 输入端用于热敏电阻连接 不 ● 用于模拟温度传感器的输入端 不 ● 用于接地识别的输入端 不 绝缘电压 ● 测定值 300 V 抗冲击电压能力 测定值 4 000 V 防护等级 IP IP20 抗震强度 1-6 Hz / 15 mm; 6-500 Hz / 2 g 开关频率 最大值 360 1/h 电流通断能力 继电器输出端常开触点的 AC-15 时 ● 24 V 时 3A ● 120 V 时 3A ● 240 V 时 1.5 A 3UF7330-1AU00-0 起始页 1/7 2019/2/1 保留变更权利 © Copyright Siemens 电流通断能力 继电器输出端常开触点的 DC-13 时 ● 24 V 时 4A ● 60 V 时 0.55 A ● 125 V 时 0.22 A ● 250 V 时 0.11 A 电流通断能力 继电器脱扣的 AC-15 时 ● 24 V 时 3A ● 120 V 时 3A ● 240 V 时 1.5 A 电流通断能力 继电器脱扣的 DC-13 时 ● 24 V 时 4A ● 60 V 时 0.55 A ● 125 V 时 0.22 A ● 250 V 时 0.11 A 机械式使用寿命(转换周期) ● 典型 10 000 000 电气使用寿命(操作循环) ● 典型 100 000 热电流 附带触点的开关元件的 最大值 5A 跨接时间 在电网停电时 200 ms 重启待机时间 ● 在电网停电之后 典型 1s 参考标示 符合 IEC 81346-2:2009 F 参考标示 符合 DIN EN 61346-2 F 输入特性类型 型号 2 符合 EN 61131-2 电磁兼容性 EMC 干扰发射 ● 符合 IEC 60947-1的 EMC 抗干扰稳定性 符合 IEC 60947-1的 级别A 符合清晰度/锐度3 电缆连接的干扰耦合 ● 来自脉冲 按照IEC 61000-4-4的 2kV电网电源连接 / 1kV控制极 ● 来自线对地浪涌 符合 IEC 61000-4-5的 2 kV ● 来自导线-导线浪涌 符合 IEC 61000-4-5的 1 kV 电磁场产生的的干扰馈入 按照IEC 61000-4-3的 10 V/m 输入/ 输出 输入端数目 4 输入端规格 ● 反馈输入 是的 数字输入端数量 3 模拟输入端数量 0 输出端数量 2 3UF7330-1AU00-0 起始页 2/7 2019/2/1 保留变更权利 © Copyright Siemens 输出端数量 作为带触点的开关元件 2 ● 作为常开触点 — 安全型 无延迟转换的 2 模拟输出端数量 0 开关特性 单稳的 导线长度 用于数码信号 最大值 300 m 产品功能 应用适宜性 ● 安全 不 ● 按照防故障安全性的电流回路 不 通信/协议 ● 协议 支持 PROFIsafe 协议 是的 装入/固定/外廓尺寸 装入位置 任意的 紧固类型 螺栓和扣接固定 高度 106 mm 宽度 45 mm 深度 124 mm 接口/接线端子 电气连接规格 ● 用于辅助和控制电路 螺栓连接 环境条件 环境温度 ● 运行期间 -25 ... +60 °C ● 存放期间 -40 ... +80 °C ● 运输期间 -40 ... +80 °C 气候级 ● 运行期间 符合 IEC 60721 3K6(无结冰、无冷凝、相对空气湿度 10...95%)、3C3(无盐雾 )、3S2(不允许将沙子排入设备中)、3M6 ● 存放期间 符合 IEC 60721 1K6(无冷凝、相对空气湿度 10...95%)、1C2(无盐雾)、 1S2(不允许将沙子排入设备中)、1M4 ● 运输期间 符合 IEC 60721 2K2, 2C1, 2S1, 2M2 相对空气湿度 ● 运行期间 5 ... 95 % 保护装置,防止短路导致开关装置损坏。 熔断体规格 ● 针对继电器脱扣电路的短路保护 需要 gL/gG: 4 A 安全 安全完整性等级 (SIL) 符合 IEC 61508 3 绩效水平(PL) 按照 EN ISO 13849-1 e 3UF7330-1AU00-0 起始页 3/7 2019/2/1 保留变更权利 © Copyright Siemens 停止类别 按照DIN EN 60204-1 0 安全失效分数 (SFF) 99 % 每小时发生引起危险的停机故障概率(PFHD) 需求率较 高 符合 EN 62061 0.00000001 1/h T1 值 用于检测试验间隔时间或使用时间 符合 IEC 61508 20 y 控制电路/控制 电压类型 控制馈电电压的 AC/DC 控制馈电电压 AC 时 ● 50 Hz 时 测定值 110 ... 240 V ● 60 Hz 时 测定值 110 ... 240 V 控制馈电电压频率 1 50 ... 60 Hz 控制馈电电压频率 ● 1 测定值 50 Hz ● 2 测定值 60 Hz 控制馈电电压 DC 时 110 ... 240 V ● 测定值 正树/批准: General Product Approval EMC For use in haz- Functional Declaration of Test Certific- ardous locations Safety/Safety of Machinery Conformity ates Explosion Protection Certificate Type Examination Certificate Marine / Shipping other Confirmation For use in hazardous locations Marine / Shipping Type Test Certificates/Test Report PROFINET-Certification PROFIsafe-Certification 更多信息 3UF7330-1AU00-0 起始页 4/7 2019/2/1 保留变更权利 © Copyright Siemens Information- and Downloadcenter (产品目录,产品介绍册,...) http://www.siemens.com/industrial-controls/catalogs Industry Mall (网上订购系统) https://mall.industry.siemens.com/mall/zh/zh/Catalog/product?mlfb=3UF7330-1AU00-0 Cax 在线发生器 http://support.automation.siemens.com/WW/CAXorder/default.aspx?lang=en&mlfb=3UF7330-1AU00-0 Service&Support (用户手册,操作说明书,认证证书,特性曲线,常见问题,...) https://support.industry.siemens.com/cs/ww/zh/ps/3UF7330-1AU00-0 图片数据库 (产品照片, 2D比例图, 3D模型, 设备电路图, EPLAN Makros, …) http://www.automation.siemens.com/bilddb/cax_de.aspx?mlfb=3UF7330-1AU00-0&lang=en 124 45 119 81 8 2 8 3 IN1 8 4 = 2 4 V IN2 8 5 86 87 8 8 8 9 IN3 9 0 T FBC 9 1 A2 1 SPE 106.4 52.2 80 A1 110- 240V 3UF7330-1AU00-0 起始页 5/7 T3 2019/2/1 保留变更权利 © Copyright Siemens 24V FBC T 84 91 90 82 IN3 89 81 IN2 85 M IN1 83 A1 -K READY Safety Logic DEVICE Sys Sys OUT SF Digital Module Output 3UF7330-1AU00-0 起始页 6/7 2019/2/1 88 OUT2 86 87 OUT1 80 SPE A2 SIMOCODE PRO 保留变更权利 © Copyright Siemens 上一次修改: 3UF7330-1AU00-0 起始页 7/7 2019/1/29 2019/2/1 保留变更权利 © Copyright Siemens

西门子智能电机管理系统 故障安全模块 3UF73301AU000供应产品西门子PLC众平专营.pdf 




