ASUS飞马 Plus X550.pdf
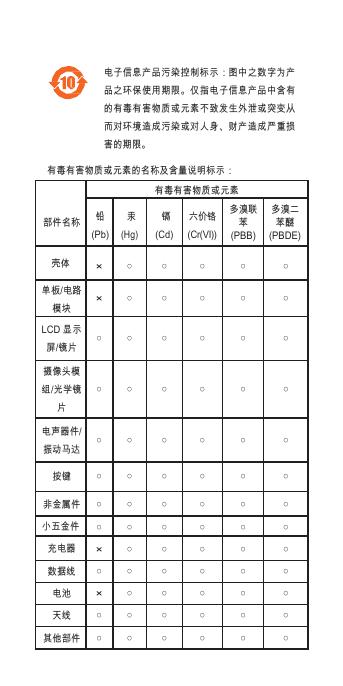
ASUS_X550 TD-LTE 数字移动电话机 用户手册 版权说明 ©ASUSTeK ComputerInc. All rights reserved.华硕计算机股 份有限公司保留所有权利 本用户手册包括但不限于其所包含的所有信息都受到著作 权法的保护,未经华硕计算机股份有限公司(以下简称 “华硕”)许可,不得有任何仿造、复制、摘抄、转译、发行 等行为或为其它利用。 免责声明 本用户手册是以“现状”及“以目前明示的条件下”的状态提供 给您。在法律允许的范围内,华硕就本用户手册,不提供 任何明示或默示的担保及保证,包括但不限于商业畅销性、 特定目的适用性、未侵害任何他人权利及任何使用本用户手 册或无法使用本用户手册的保证,且华硕对因使用本用户手 册而获取的结果或通过本用户手册所获得任何信息的准确性 或可靠性不提供担保及保证。 用户应自行承担使用本用户手册的所有风险。用户明确了解 并同意华硕、华硕的被授权人及董事、管理层、员工、代理 商、关联企业皆无须为您因本用户手册、或因使用本用户手 册、或因不可归责于华硕的原因而可能产生的衍生、附带、 直接、间接、特别、惩罚或任何其它损失(包括但不限于利 益损失、业务中断、数据遗失或其它金钱损失)负责,不论 华硕是否被告知发生上述损失之可能性。 由于部分国家或地区可能不允许责任的全部免除或对上述损 失的责任限制,所以上述限制或排除条款可能对您不适用。 用户知悉华硕有权随时修改本用户手册。本产品规格或驱动 程序一经改变,本用户手册将会随之更新。本用户手册更新 的详细说明请您访问华硕简体中文官方网站 www.asus.com.cn,或是直接与华硕计算机客户关怀中 心 400-000-7555 联系(400 服务热线支持手机拨打)。 对于本用户手册中提及的第三方产品名称或内容,其所有权 及知识产权都为各产品或内容所有者所有且受现行知识产权 相关法律及国际条约的保护。 当下列两种情况发生时,本产品将不再受到华硕的保修及服 务: (1)本产品曾经过非华硕授权的维修、规格更改、零件替 换或其它未经过华硕授权的行为。 (2)本产品序号模糊不清或丢失。 电子信息产品污染控制标示:图中之数字为产 品之环保使用期限。仅指电子信息产品中含有 的有毒有害物质或元素不致发生外泄或突变从 而对环境造成污染或对人身、财产造成严重损 害的期限。 有毒有害物质或元素的名称及含量说明标示: 有毒有害物质或元素 部件名称 壳体 单板/电路 模块 LCD 显示 屏/镜片 铅 汞 镉 六价铬 (Pb) (Hg) (Cd) (Cr(VI)) 多溴联 苯 (PBB) 多溴二 苯醚 (PBDE) × ○ ○ ○ ○ ○ × ○ ○ ○ ○ ○ ○ ○ ○ ○ ○ ○ ○ ○ ○ ○ ○ ○ ○ ○ ○ ○ ○ ○ ○ ○ ○ ○ ○ 摄像头模 组/光学镜 片 电声器件/ 振动马达 按键 ○ 非金属件 ○ ○ ○ ○ ○ ○ 小五金件 ○ ○ ○ ○ ○ ○ 充电器 × ○ ○ ○ ○ ○ 数据线 ○ ○ ○ ○ ○ ○ 电池 × ○ ○ ○ ○ ○ 天线 ○ ○ ○ ○ ○ ○ 其他部件 ○ ○ ○ ○ ○ ○ ○:表示该有毒有害物质在该部件所有均质材料中的含量在 SJ/T-11363-2006《电子信息产品中有毒有害物质 的限量要求》规定的限量要求以下。 ×:表示该有毒有害物质至少在该部件的某一均质材料中的 含量超出 SJ/T11363-2006 规定的限量要求。 本产品的环保使用期限为 20 年,标识如左图 所示。此环保使用期限只适用于产品是在产品 手册中所规定的条件下工作。 说明: 1.单板/电路模块 器件铜合金或高温焊料中含铅; 电阻、电容等器件的陶瓷或玻璃中含铅; 集成电路倒装芯片中半导体芯片及载体之间形成可靠性联接所用 焊料中含铅; 2.壳体上螺座的铜合金中含铅。 3.充电器插头的铜合金中含铅,电路模块含铅。 4.电池中电路模块含铅。 欢迎使用 感谢您购买 ASUS_X550!在您使用本产品 之前,请详细阅读本手册中安全性信息的安全注 意事项及操作指示,并遵守这些规则,以避免发 生危险或造成设备损坏。 注意!本用户手册仅供参考,内容会不定时地 更新,但不另行通知。如欲得知最新信息,请访 问华硕官方中文网站 http://www.asus.com.cn。 配件清单 ASUS_X550 用户手册及产品保修卡 USB 数据线 USB 电源充电器 说明:配件随销售批次及地区有所差异,具体配件请以 销售为准。 认识您的 ASUS_X550 数字移动 电话机 前视图 传感器 听筒 前置摄像头 触控屏 侧视图 耳机插孔 音量按键 电源按键 开盖沟槽 Micro USB 连接端口 麦克风 后视图 说明:请打开背盖安装 Micro SIM 卡和 Micro SD 存 储卡。 为 ASUS_X550 充电 Micro SIM 卡安装完成后,建议您在开启电源 前先进行充电。 请依照以下步骤为 ASUS_X550 充电: 1. 请将 USB 数据线 USB 端口连接 USB 电源充 电器。 2. 请将 USB 数据线 Micro USB 端口连接 ASUS_X550。 3. 请将电源插头连接至插座。3 注意! · 请使用包装盒中的电源充电器为 ASUS_X550 充电,使用其他电源充电 器可能造成 ASUS_X550 故障。 · 通过 USB 数据线与 USB 电源充电器连 接电源插头,为 ASUS_X550 最佳的充 电方式。 · 本产品适用的电源输入电压范围为 (100-240)VAC。 安装 Micro SIM 卡 1. 2. 开始使用 ASUS_X550 前,您必须先安装 Micro SIM 卡。 请依照以下步骤安装 Micro SIM 卡: 1. 找到位于 ASUS_X550 右侧机身下方的开盖 沟槽。 2. 请 打 开背盖。 3. 将 Micro SIM 卡安装至插槽内。 Micro SIM 2 4. 盖回背盖。 Micro SIM 1 5. 下压四角确定背盖装好。 说明: ASUS_X550 规格可能因国家或区域而异。 安装 Micro SD 存储卡 请依照以下步骤安装 Micro SD 存储卡: 1. 找到位于 ASUS_X550 右侧机身下方的开盖 沟槽。 2. 请打开背盖。 3. 将 Micro SD 存储卡安装至插槽内。 Micro SD 4. 盖回背盖。 5. 下压四角确定背盖装好。 开启/关闭 ASUS_X550 电源 请长按位于 ASUS_X550 机身侧边的电源按 键以开启/关闭 ASUS_X550 电源。 电源按键 重要!首次启动时,请依照画面上的指示设置 AndroidTM 操作系统。 注意!画面仅供参考,请以实际图示为准。 警告!本产品的操作系统仅支持官方的系统更新。 如果用户刷了第三方的 ROM 系统或采用破解方 式修改系统文件,可能会导致系统不稳定或其他 问题,华硕不会对这些情况的最终用户提供支持 和承担任何责任。 安全性信息 使用 ASUS_X550 的注意事项 · 不要尝试打开 ASUS_X550 机箱。机箱 内不包含任何用户可操作的部分,而且您可 能损坏机器内的电路与组件。未经授权而拆 开机器会丧失机器的保修。 · 不要长时间将 ASUS_X550 放在汽车的 窗口位置或放置在阳光直射的地方或高温环 境下,这样可能会损坏 ASUS_X550。 · 不要用潮湿的手操作 ASUS_X550,不要 将其暴露于潮湿的环境,或接触任何液体。 将 ASUS_X550 从寒冷环境迅速移至温暖 的环境可能会导致 ASUS_X550 内部结露, 从而导致组件的腐蚀并可能造成 ASUS_X550 的损坏。 · 若您在旅行中将 ASUS_X550 置于行李 箱中,请特别注意可能发生的损坏。挤压行 李箱可能会使 LCD 屏幕破裂。在乘坐飞机时, 请关闭 ASUS_X550 的无线功能。 · ASUS_X550 的建议操作环境温度为 0℃ 至 45℃之间。 电池 ASUS_X550 由高质量的锂电池供电。请遵 守以下电池保养指南,以取得更长的电池使用寿 命。 · 避免在强烈高温或极度寒冷的环境下充电。 最合适的温度是室温。电池发挥最佳性能的 温度范围为 15℃至 45℃。 · 若是您想要在外出时长时间使用电池电源 , 请务必在使用前将电池完全充满。当 ASUS_X550 通过电源充电器供电,同时也 会为电池充电。若是 ASUS_X550 在启动 使用的情况下,将耗费更长的时间才能将电 池充满。 重要!请勿让 ASUS_X550 完成充电后仍继续 连接电源。某些电子设备并非设计为能够超时连 接电源。 · 不要将手机存放于靠近火源或其他热源的 地方。 充电器 · 请避免在充电时使用设备。 · 仅使用 ASUS_X550 所配备的充电器。 · 充电完成后,请先从电源插座拔下充电器, 而不是将 ASUS_X550 从充电器的一端拔 下。 清洁与保存 · ASUS_X550 必须妥善保管,远离污物、 灰尘与潮气。为避免刮伤,请勿将 ASUS_X550 正面朝下放置。 · 当需要清洁时,首先将 ASUS_X550 的 电源关闭,用一块柔软干净且略湿(不是完 全潮湿)的布轻轻擦拭。用棉布清洁相机镜 头 。 在 再 次 启 动 之 前 , 必 须 先 让 ASUS_X550 完全晾干。不要用溶剂来清洁 ASUS_X550。 · 若您有一段时间不使用 ASUS_X550,请 将电池充满电并将 ASUS_X550 保存在避免 阳光直射的干燥处。在保存时,ASUS_X550 电源必须关闭。每隔 6 至 12 个月,您需要为 ASUS_X550 充一次电。 · 不要将 ASUS_X550 放在高温环境或阳光 直射的地方。 · 不要将 ASUS_X550 接触湿气或液体。 · 不要在 ASUS_X550 上使用贴纸封住麦克 风、耳机插孔或摄像头。 警告!若未依照上述说明操作,可能会导致严重 的人员伤害或财产损失。 驾车安全性 · 开车时请勿使用移动电话。在拨打电话、 发送 文 字 信 息 或 使 用 其 他 任 何 与 行 动 通 讯 相关的功能时,请不要手持 ASUS_X550 或将 其 夹 在 脖 子 下 。 您 可 以 使 用 全 套 的 车 架来固定 ASUS_X550,或使用其他免持设 备。 · 为了安全的考虑,我们建议您在使用免持 设备的时候,使用车架来固定 ASUS_X550。 · 在驾车时,建议您在可能的情况下使用语 音邮件,并最好不要在车内的时候收听信息。 若您必须在开车时打电话,请尽量让通话简 短。 · 安全气囊膨胀时,力量非常大。请不要将 物品,包括安装好的可携式无线设备放在安 全气囊区域内。若是车内的无线设备安装不 正确,当气囊膨胀时,可能会对人造成严重 的损伤。 电子设备 大多数现代电子设备是有防 RF 功能。但是, 有些设备可能无法防止您电话的 RF 信号的干扰。 心律调整器 Health Industry Manufacturers Association 协会 建议,移动电话与心律调整器之间的最小距离必 须保持在 6 英寸以上,以避免电话信号对心律调 整器可能存在的干扰。这些建议与无线技术研 究(Wireless Technology Research)所做的独立 调查以及给出的建议是一致的。 若您有心律调整器: · 当您的心律调整器打开时,请确保您的电 话与心律调整器的距离超过 6 英寸。 · 不要将移动电话放在靠近胸部的口袋里。 · 用远离心律调整器一边的耳朵来拨打或接 听电话,以使干扰减至最小。 · 若您发现任何迹象显示您的电话已经对心 律调整器生成干扰,请立即关闭电话的电源。 助听器 有些数字电话机可能会对助听器生成干扰。 在生成此干扰时,请致电客户服务中心来寻求解 决途径。 其他医疗设备 若您在使用其他个人医疗设备,请联络此医 疗设备的制造商来确定该设备是否可防止外部 RF 信号的干扰。您的医生可以帮助您取得此信 息。 在医疗场所,当有规章制度要求时,请关闭 您的移动电话。 医院或保健中心可能使用了对 RF 信号十分 敏感的医疗设备。 运输工具 RF 信号可能会干扰运输工具上不正确安装或 未经过适当保护的电子系统。请与运输工具制造 商或代表处确认此信息。此外,您还应该联络 您的运输工具制造商以取得车上安装的所有设备 之相关信息。 贴出公告的场所 在所有贴出有要求关闭移动电话公告的场所, 请依照规定关闭移动电话电源。 磁性物品 由电话生成的磁场可能损坏具有磁性物品上 保存的数据,如信用卡、计算机软盘或磁带。不 要将电话靠近这些物品。 不要将 ASUS_X550 放在强磁场内,这样可 能会导致 ASUS_X550 暂时失效。 其他安全性信息 航空器 在乘坐飞机的飞行过程中禁止使用移动电话。 在登机前请关闭 ASUS_X550 电源或关闭其无 线连接。 爆破区域 为避免与爆破操作生成干扰,在爆破区域或 标示有「关闭双向无线电设备」的场所,请关闭 您的移动电话电源。请遵守所有的告示与说明。 可能生成爆炸的场所 在可能生成爆炸的场所,请关闭电话电源, 并遵守所有的告示和说明。 在此类场所,小火花可能会引起爆炸或火灾, 导致人员伤亡。 可能生成爆炸的场所一般都会有明显的标示, 但并不完全如此,这些场所包括:存放燃料的 区域,如加油站、船体甲板下、燃料、化学品或 使用液化石油气(如丙烷或丁烷)的汽车、空气 中包含化学品、大量颗粒粉尘或金属粉末的场所, 以及提醒您关闭汽车引擎的场所。 窒息 请将 ASUS_X550 放在小孩拿不到的地方, 因为 SIM 卡及 ASUS_X550 中的其他小组件对 小孩有窒息的危险。 注意事项 ASUS_X550 是 一 款 高 质 量 设 备 。 在 操 作 之前,请仔细阅读标示于 AC 电源适配器上的说 明与注意事项。 · 不要在高温或湿度很高的环境使用 ASUS_X550 。 · 请小心使用 ASUS_X550。避免震动或 撞击。当不使用时,将 ASUS_X550 平放 以避免因放置不稳而导致的损坏。 · 不要将 ASUS_X550 暴露在雨中或放置 于可能打翻的饮料旁。 · 不要使用未经认证的配件。 · 不要私自拆开 ASUS_X550 及其附件。 若需要服务或维修,请将 ASUS_X550 送 至经认证的服务中心。若 ASUS_X550 被 拆开,可能会导致触电或着火的危险。 服务提供商应用程序 本设备包括您的服务提供商提供的一些应用 程序,它们可帮助您使用通讯和多媒体服务,或 者访问移动商店。有些应用程序可能需要登录程 序,使用它们可能会产生额外的费用。有关更 多详细信息,请联系服务提供商。 可供使用的应用程序包括: • MM 商场 以上应用程序皆可能产生后台数据流量,一旦 超出套餐每月所包含数据流量会产生额外资费。为 了避免此情形,您可至设置 > 流量使用情况进行 数据流量相关设置。 安全警示 升级手机系统请通过官方售后服务网点或手机自 带系统升级功能。如采用其他方式升级系统,可能会 导致设备发生故障或丢失数据以及导致系统安全能力 被破坏,触发安全风险。因此导致的问题,华硕不承 担维修责任。 废弃物处理 请勿将本产品当作一般垃圾丢弃。本产 品零组件设计为可回收利用。这个打叉 的垃圾桶标志表示本产品(电器与电子 设备)不应视为一般垃圾丢弃,请依照 您所在地区有关废弃电子产品的处理方 式处理。 请勿将本产品存放靠近火源或是丢入燃 烧的火堆中,有可能造成爆炸的意外。 SAR SAR 本产品电磁辐射比吸收率(SAR)最大值为 0.503 W/kg,符合国家标准 GB 21288 -2007 的要求。 手机真伪鉴别提示卡 尊敬的用户: 您好,为保证您的合法权益,建议您仔细阅 读本提示卡, 以便查验您购买的手机的真伪。 您购买的手机上应加贴尺寸为 30mm× 12mm 的进网标志(蓝色或绿色)。 进网标志上第一行信息(由数字、字母和 “-”组成)是该型号手机的进网证号;第二行信 息是该部手机的型号;第三行信息为扰码,这个 扰码是唯一的。 您可以通过以下,中国工业和信息化部电信 设备进网管理联系方式,查验进网标志的真伪。 一、网站查询 登陆电信设备进网管理网站: www.tenaa.com.cn,按提示输入相关信息即可 验证。同时,为方便您快捷进入网站, 可扫描 本卡右下角二维码。验证时,请注意核对手机在 申请办理进网许可证时的样式和外观。 网站 24 小时免费服务,方便快捷,建议您使用 此方式查验。 二、人工电话查询 服务内容:查询进网标志信息和手机串号的真伪。 本方式不收取任何查询费用,您只需根据通话时 间、是否长途等支付通信运营商的通信费用。 服务时间:周一至周五(节假日除外) 上午 8:00—11:30 下午 1:00—5:00。 查询电话:010-82058767、82050313。 (注:本二维码信息为 http:// wap.tenaa.com.cn/wsfw) 华硕电脑(上海)有限公司 地址:上海市闵行莘庄工业区春东路 508 号 电话:+86-21-54421616 传真:+86-21-54420066

ASUS飞马 Plus X550.pdf 



