附件2茅台学院实验室特种设备信息管理台帐(不含气瓶).xls
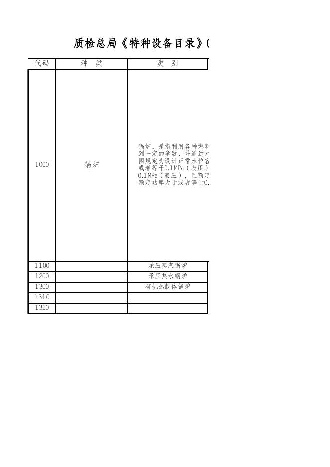
附件2 茅台学院 系实验室特种设备信息管理台帐(不含气瓶) 填表单位: 填表日期: 特种设备属性 序号 填表示例:1 所在详细地址 茅台学院敏行楼504 最高工作 容积 压力( 介质 (L) MPa) 设备种类 名称 型号 设计压力 (MPa) 压力容器 蒸汽灭菌器锅 BXM-100S 请根据产品出厂技术说明书填写 出厂信息 设计 温度( ℃) 最高工 作温度 (℃) 数量 制造单位 上海博迅医疗生物 月 日 使用情况 设计使用年 使用登记证证号 限 1 仪器股份有限公司 10年 年 容17贵A17587(22) 检验情况 管理信息 使用状态 国有资产编号 检验单位 检验日期 检验 结论 下次检验日 期 特种设备 特种设备 实验室负 作业人员 证书发证日期 作业人员 责人 证书编号 使用中 20211178 仁怀市市场监督 管理局特种设备 科 20XX-XX-XX 符合 要求 20XX-XX-XX XXX 20XX-XX-XX 填表说明: 1.特种设备类别一栏主要指用于实验室,且收录于国家质检总局《特种设备目录》(2014年第114号)的设备,包括压力容器(如灭菌锅、储气罐、反应釜等)、锅炉、起重机械(如行车、起重机等)、场(厂)内专用机动车辆(如叉车)等。 2.压力、介质、温度等相关参数仅限于压力容器或锅炉填写。 3.对未办理使用登记证明的设备填写“未登记”。 4.对未办理或正在办理特种设备作业人员证书的请填写“未办理”或“正在办理”。 5.使用状态请填写“使用中”、“待维修”或“待报废”。 6.国有资产编号不清楚的填“暂未编号”。 XXX 联系电话 1XXXXXXXXXX 质检总局《特种设备目录》(2014年第114号) 代码 1000 种 类 锅炉 类 别 锅炉,是指利用各种燃料、电或者其他能源,将所盛装的液体加热 到一定的参数,并通过对外输出介质的形式提供热能的设备,其范 围规定为设计正常水位容积大于或者等于30L,且额定蒸汽压力大于 或者等于0.1MPa(表压)的承压蒸汽锅炉;出口水压大于或者等于 0.1MPa(表压),且额定功率大于或者等于0.1MW的承压热水锅炉; 额定功率大于或者等于0.1MW的有机热载体锅炉。 1100 承压蒸汽锅炉 1200 承压热水锅炉 1300 有机热载体锅炉 1310 1320 2000 2100 压力容器 压力容器,是指盛装气体或者液体,承载一定压力的密闭设备,其 范围规定为最高工作压力大于或者等于0.1MPa(表压)的气体、液 化气体和最高工作温度高于或者等于标准沸点的液体、容积大于或 者等于30L且内直径(非圆形截面指截面内边界最大几何尺寸)大于或 者等于150mm的固定式容器和移动式容器;盛装公称工作压力大于 或者等于0.2MPa(表压),且压力与容积的乘积大于或者等于 1.0MPa•L的气体、液化气体和标准沸点等于或者低于60℃液体的气 瓶;氧舱。 固定式压力容器 2110 2130 2150 2170 2200 移动式压力容器 2210 2220 2230 2240 2250 2300 气瓶 2310 2320 23T0 2400 氧舱 2410 2420 8000 压力管道 8100 压力管道,是指利用一定的压力,用于输送气体或者液体的管状设 备,其范围规定为最高工作压力大于或者等于0.1MPa(表压),介 质为气体、液化气体、蒸汽或者可燃、易爆、有毒、有腐蚀性、最 高工作温度高于或者等于标准沸点的液体,且公称直径大于或者等 于50mm的管道。公称直径小于150mm,且其最高工作压力小于 1.6MPa(表压)的输送无毒、不可燃、无腐蚀性气体的管道和设备 本体所属管道除外。其中,石油天然气管道的安全监督管理还应按 照《安全生产法》、《石油天然气管道保护法》等法律法规实施。 长输管道 8110 8120 8200 公用管道 8210 8220 8300 工业管道 8310 8320 8330 7000 7100 7110 7120 7130 压力管道元件 压力管道管子 7140 7150 71F0 7200 压力管道管件 7210 7220 7230 7270 72F0 7300 压力管道阀门 7320 73F0 73T0 7400 压力管道法兰 7410 7420 7500 补偿器 7510 7530 75F0 7700 压力管道密封元件 7710 77F0 7T00 压力管道特种元件 7T10 7TZ0 3000 3100 3110 电梯 电梯,是指动力驱动,利用沿刚性导轨运行的箱体或者沿固定线路 运行的梯级(踏步),进行升降或者平行运送人、货物的机电设备 ,包括载人(货)电梯、自动扶梯、自动人行道等。非公共场所安 装且仅供单一家庭使用的电梯除外。 曳引与强制驱动电梯 3120 3130 3200 液压驱动电梯 3210 3220 3300 自动扶梯与自动人行道 3310 3320 3400 其它类型电梯 3410 3420 3430 4000 4100 起重机械 起重机械,是指用于垂直升降或者垂直升降并水平移动重物的机电 设备,其范围规定为额定起重量大于或者等于0.5t的升降机;额定 起重量大于或者等于3t(或额定起重力矩大于或者等于40t·m的塔 式起重机,或生产率大于或者等于300t/h的装卸桥),且提升高度 大于或者等于2m的起重机;层数大于或者等于2层的机械式停车设 备。 桥式起重机 4110 4130 4140 4150 4170 4190 4200 4210 4220 4230 门式起重机 4240 4250 4260 4270 4280 4290 4300 塔式起重机 4310 4320 4400 流动式起重机 4410 4420 4440 4450 4700 门座式起重机 4710 4760 4800 升降机 4860 4870 4900 缆索式起重机 4A00 桅杆式起重机 4D00 机械式停车设备 9000 9100 客运索道 客运索道,是指动力驱动,利用柔性绳索牵引箱体等运载工具运送 人员的机电设备,包括客运架空索道、客运缆车、客运拖牵索道等 。非公用客运索道和专用于单位内部通勤的客运索道除外。 客运架空索道 9110 9120 9200 9210 9220 客运缆车 9300 客运拖牵索道 9310 9320 6000 大型游乐设施 大型游乐设施,是指用于经营目的,承载乘客游乐的设施,其范围 规定为设计最大运行线速度大于或者等于2m/s,或者运行高度距地 面高于或者等于2m的载人大型游乐设施。用于体育运动、文艺演出 和非经营活动的大型游乐设施除外。 6100 观览车类 6200 滑行车类 6300 架空游览车类 6400 陀螺类 6500 飞行塔类 6600 转马类 6700 自控飞机类 6800 赛车类 6900 小火车类 6A00 碰碰车类 6B00 滑道类 6D00 水上游乐设施 6D10 6D20 6D40 6.00E+0 0 6.00E+1 0 6.00E+4 0 6.00E+5 0 6.00E+6 0 无动力游乐设施 5000 场(厂)内专用机 动车辆 5100 场(厂)内专用机动车辆,是指除道路交通、农用车辆以外仅在工 厂厂区、旅游景区、游乐场所等特定区域使用的专用机动车辆。 机动工业车辆 5110 5200 F000 7310 F220 F230 F260 非公路用旅游观光车辆 安全附件 目录》(2014年第114号) 品 种 用各种燃料、电或者其他能源,将所盛装的液体加热 ,并通过对外输出介质的形式提供热能的设备,其范 正常水位容积大于或者等于30L,且额定蒸汽压力大于 Pa(表压)的承压蒸汽锅炉;出口水压大于或者等于 ),且额定功率大于或者等于0.1MW的承压热水锅炉; 或者等于0.1MW的有机热载体锅炉。 有机热载体气相炉 有机热载体液相炉 指盛装气体或者液体,承载一定压力的密闭设备,其 高工作压力大于或者等于0.1MPa(表压)的气体、液 工作温度高于或者等于标准沸点的液体、容积大于或 内直径(非圆形截面指截面内边界最大几何尺寸)大于或 的固定式容器和移动式容器;盛装公称工作压力大于 a(表压),且压力与容积的乘积大于或者等于 体、液化气体和标准沸点等于或者低于60℃液体的气 超高压容器 第三类压力容器 第二类压力容器 第一类压力容器 铁路罐车 汽车罐车 长管拖车 罐式集装箱 管束式集装箱 无缝气瓶 焊接气瓶 特种气瓶(内装填料气瓶、纤维缠绕气 瓶、 低温绝热气瓶) 医用氧舱 高气压舱 指利用一定的压力,用于输送气体或者液体的管状设 定为最高工作压力大于或者等于0.1MPa(表压),介 化气体、蒸汽或者可燃、易爆、有毒、有腐蚀性、最 于或者等于标准沸点的液体,且公称直径大于或者等 。公称直径小于150mm,且其最高工作压力小于 )的输送无毒、不可燃、无腐蚀性气体的管道和设备 除外。其中,石油天然气管道的安全监督管理还应按 法》、《石油天然气管道保护法》等法律法规实施。 输油管道 输气管道 燃气管道 热力管道 工艺管道 动力管道 制冷管道 无缝钢管 焊接钢管 有色金属管 球墨铸铁管 复合管 非金属材料管 非焊接管件(无缝管件) 焊接管件(有缝管件) 锻制管件 复合管件 非金属管件 金属阀门 非金属阀门 特种阀门 钢制锻造法兰 非金属法兰 金属波纹膨胀节 旋转补偿器 非金属膨胀节 金属密封元件 非金属密封元件 防腐管道元件 元件组合装置 力驱动,利用沿刚性导轨运行的箱体或者沿固定线路 踏步),进行升降或者平行运送人、货物的机电设备 货)电梯、自动扶梯、自动人行道等。非公共场所安 家庭使用的电梯除外。 曳引驱动乘客电梯 曳引驱动载货电梯 强制驱动载货电梯 液压乘客电梯 液压载货电梯 自动扶梯 自动人行道 防爆电梯 消防员电梯 杂物电梯 指用于垂直升降或者垂直升降并水平移动重物的机电 规定为额定起重量大于或者等于0.5t的升降机;额定 者等于3t(或额定起重力矩大于或者等于40t·m的塔 生产率大于或者等于300t/h的装卸桥),且提升高度 2m的起重机;层数大于或者等于2层的机械式停车设 通用桥式起重机 防爆桥式起重机 绝缘桥式起重机 冶金桥式起重机 电动单梁起重机 电动葫芦桥式起重机 通用门式起重机 防爆门式起重机 轨道式集装箱门式起重机 轮胎式集装箱门式起重机 岸边集装箱起重机 造船门式起重机 电动葫芦门式起重机 装卸桥 架桥机 普通塔式起重机 电站塔式起重机 轮胎起重机 履带起重机 集装箱正面吊运起重机 铁路起重机 门座起重机 固定式起重机 施工升降机 简易升降机 指动力驱动,利用柔性绳索牵引箱体等运载工具运送 备,包括客运架空索道、客运缆车、客运拖牵索道等 索道和专用于单位内部通勤的客运索道除外。 往复式客运架空索道 循环式客运架空索道 往复式客运缆车 循环式客运缆车 低位客运拖牵索道 高位客运拖牵索道 ,是指用于经营目的,承载乘客游乐的设施,其范围 大运行线速度大于或者等于2m/s,或者运行高度距地 于2m的载人大型游乐设施。用于体育运动、文艺演出 的大型游乐设施除外。 峡谷漂流系列 水滑梯系列 碰碰船系列 蹦极系列 滑索系列 空中飞人系列 系留式观光气球系列 用机动车辆,是指除道路交通、农用车辆以外仅在工 景区、游乐场所等特定区域使用的专用机动车辆。 叉车 安全阀 爆破片装置 紧急切断阀 气瓶阀门

附件2茅台学院实验室特种设备信息管理台帐(不含气瓶).xls




