煤炭清洁高效利用重点领域标杆水平和基准水平(2022年版).pdf
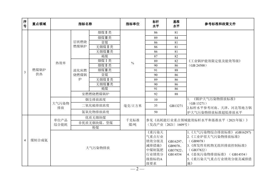
附件 煤炭清洁高效利用重点领域标杆水平和基准水平(2022年版) 序 号 1 重点领域 煤炭洗选 基准 水平 7 8.5 3 4.5 湿冷机组 270 285 空冷机组 285 300 超超临界1000MW 273 285·K 超超临界600MW 276 293·K 294 300·K 超临界300MW 299 308·K 亚临界600MW 302 314·K 亚临界300MW 311 323·K 千瓦时/吨 动力煤 供电煤耗 现役 机组 燃煤发电 指标单位 炼焦煤 选煤 电力单耗 新建 机组 2 标杆 水平 指标名称 湿 冷 机 组 超临界600MW 克标准 煤/千瓦时 空冷机组 循环流化床机组 二氧化硫排放浓度 《选煤电力消耗限额》(GB 29446) 《全国煤电机组改造升级实施方案》(发改 运行〔2021〕1519号),不含循环流化床机 组 1. 系数K为《常规燃煤发电机组单位产品能 源消耗限额》(GB 21258)中影响因素修正 系数 2. 标杆水平为火电能效对标各类型机组指标 前20%平均值 3. 参考《电力行业(燃煤发电企业)清洁生 产评价指标体系》和机组运行情况,确定空 冷机组和循环流化床机组供电煤耗 湿冷+15 10 烟尘排放浓度 大气污染物 排放 参考标准和政策文件 毫克/立方米 35 50 氮氧化物排放浓度 —1— GB 13223 1.《常规燃煤发电机组单位产品能源消耗限 额》(GB 21258) 2.《全面实施燃煤电厂超低排放和节能改造 工作方案》(2015) 3.《火电厂大气污染物排放标准》 (GB 13223) 序 号 重点领域 标杆 水平 基准 水平 烟煤Ⅱ类 86 81 烟煤Ⅲ类 贫煤 无烟煤Ⅱ类 无烟煤Ⅲ类 褐煤 烟煤Ⅰ类 烟煤Ⅱ类 烟煤Ⅲ类 贫煤 无烟煤Ⅱ类 无烟煤Ⅲ类 褐煤 89 86 86 86 87 89 90 91 90 89 90 91 84 81 81 81 82 82 86 88 86 86 86 86 室燃燃烧燃煤锅炉 92 88 烟尘排放浓度 10 指标名称 层状燃烧 燃煤锅炉 热效率 3 燃煤锅炉 供热 流化床燃 烧燃煤锅 炉 大气污染物 排放 指标单位 二氧化硫排放浓度 % 毫克/立方米 50 氮氧化物排放浓度 单位产品 综合能耗 4 优质无烟块煤 非优质无烟块煤、型煤 粉煤 35 千克标准 煤/吨 大气污染物排放 —2— 《工业锅炉能效限定值及能效等级》 (GB 24500) 1. 《锅炉大气污染物排放标准》 (GB 13271) 2.标杆水平参考河南、天津、河北等地方锅 炉大气污染物排放标准超低排放水平 参见《高耗能行业重点领域能效标杆水平和基准水平(2021年版)》 (发改产业〔2021〕1609号) 《重污染天 气重点行业 绩效分级及 减排措施》 中煤制氮肥 行业绩效分 级指标的A 级要求 煤制合成氨 GB13271 参考标准和政策文件 1.《大气污染物综合排放标准》 (GB16297) 2.《工业炉窑大气污染物排放标准》 GB16297、 ( GB9078) GB9078、 3.《挥发性有机物无组织排放控制标准》 GB37822、 ( GB37822) GB14554 4.《恶臭污染物排放标准》( GB14554) 5.《重污染天气重点行业绩效分级及减排措 施》 序 号 重点领域 指标名称 指标单位 顶装焦炉 单位产品 能耗 5 捣固焦炉 千克标准 煤/吨 标杆 水平 参考标准和政策文件 参见《高耗能行业重点领域能效标杆水平和基准水平(2021年版)》 (发改产业〔2021〕1609号 兰炭 190 大气污染物排放 《关于推进 实施钢铁行 业超低排放 的意见》中 焦化超低排 放的要求 煤制焦炭 基准 水平 240 GB16171 《兰炭单位产品能源消耗限额》 (GB 29995) 1.《关于推进实施钢铁行业超低排放的意 见》(环大气〔2019〕35号) 2.《炼焦化学工业污染物排放标准》 (GB 16171) 褐煤 6 煤制甲醇 单位产品 综合能耗 烟煤 无烟煤 7 煤制烯烃 单位产品 能耗 乙烯和丙烯 8 煤制乙二醇 单位产品 综合能耗 合成气法 9 煤制甲醇 煤制烯烃 煤制乙二醇 千克标准 煤/吨 参见《高耗能行业重点领域能效标杆水平和基准水平(2021年版)》 (发改产业〔2021〕1609号) 1.《大气污染物综合排放标准》 参照《重污染 ( GB16297) 天气重点行业 2.《工业炉窑大气污染物排放标准》 绩效分级及减 GB16297、 ( GB9078) 排措施》中炼 GB9078、 3.《挥发性有机物无组织排放控制标准》 油和石油化工 GB37822、 ( GB37822) 行业绩效分级 GB14554 4.《恶臭污染物排放标准》( GB14554) 指标的A级要 5.《重污染天气重点行业绩效分级及减排措 求 施》 大气污染物排放 —3—

煤炭清洁高效利用重点领域标杆水平和基准水平(2022年版).pdf

