上海市黄浦区档案局(馆).pdf
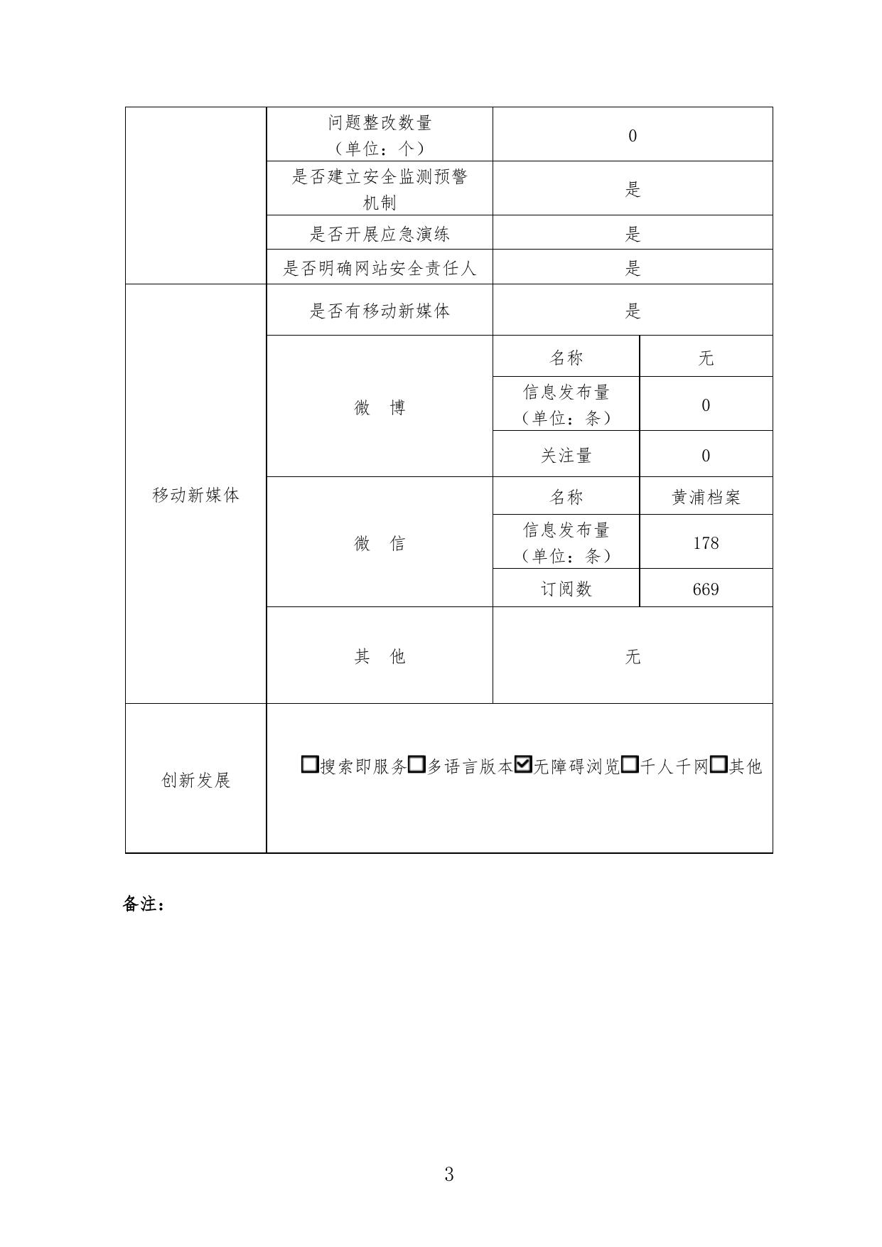
政府网站工作年度报表 (2018 年度) 填报单位:上海市黄浦区档案局(馆) 网站名称 上海黄浦档案信息网 首页网址 http://daj.huangpuqu.sh.cn/dajfront/Default.htm 主办单位 上海市黄浦区档案局(馆) 网站类型 部门网站 政府网站标识码 3101010028 沪 ICP 公安 ICP 备案号 沪 ICP 备 05004698 号-2 独立用户访问总 网站总访问量 2126906 (单位:次) 专栏专题 (单位:个) 备案 31010102004 454 号 46583 量(单位:个) 信息发布 (单位:条) 公安机关备案号 总数 62 概况类信息更新量 0 政务动态信息更新量 37 信息公开目录信息更新量 25 维护数量 0 新开设数量 0 解读信息发布 总数 (单位:条) 解读材料数量 (单位:条) 解读产品数量 (单位:个) 媒体评论文章数量 (单位:篇) 解读回应 回应公众关注热点或 重大舆情数量(单位: 次) 1 0 0 0 0 0 是否发布服务事项目录 办事服务 注册用户数 (单位:个) 政务服务事项数量 (单位:项) 可全程在线办理 政务服务事项数量 (单位:项) 办件量 (单位:件) 是否使用统一平台 0 0 0 总数 0 自然人办件量 0 法人办件量 0 是 收到留言数量 (单位:条) 办结留言数量 (单位:条) 平均办理时间 (单位:天) 公开答复数量 (单位:条) 征集调查期数 (单位:期) 收到意见数量 (单位:条) 公布调查结果期数 (单位:期) 访谈期数 (单位:期) 网民留言数量 (单位:条) 答复网民提问数量 (单位:条) 留言办理 互动交流 征集调查 在线访谈 是否提供智能问答 安全防护 否 安全检测评估次数 (单位:次) 发现问题数量 (单位:个) 2 否 12 0 0 0 0 0 0 0 0 0 0 0 问题整改数量 (单位:个) 0 是否建立安全监测预警 机制 是 是否开展应急演练 是 是否明确网站安全责任人 是 是否有移动新媒体 是 微 博 名称 无 信息发布量 (单位:条) 0 关注量 0 名称 黄浦档案 信息发布量 (单位:条) 178 订阅数 669 移动新媒体 微 其 创新发展 信 他 搜索即服务 无 多语言版本 备注: 3 无障碍浏览 千人千网 其他

上海市黄浦区档案局(馆).pdf

