秦岭文库(kunmingchi.com)你想要的内容这里独有!

舟山市政府定价的经营服务性收费目录清单.docx

twice-born 重获新生9 页 24.038 KB下载文档
舟山市政府定价的经营服务性收费目录清单.docx舟山市政府定价的经营服务性收费目录清单.docx舟山市政府定价的经营服务性收费目录清单.docx舟山市政府定价的经营服务性收费目录清单.docx舟山市政府定价的经营服务性收费目录清单.docx舟山市政府定价的经营服务性收费目录清单.docx
当前文档共9页 下载后继续阅读

舟山市政府定价的经营服务性收费目录清单.docx

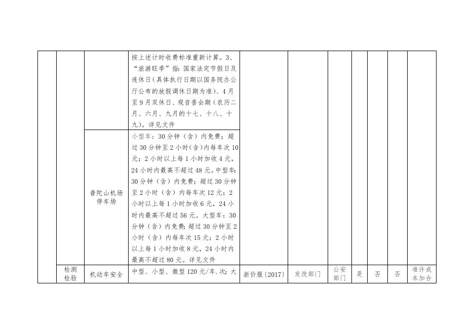
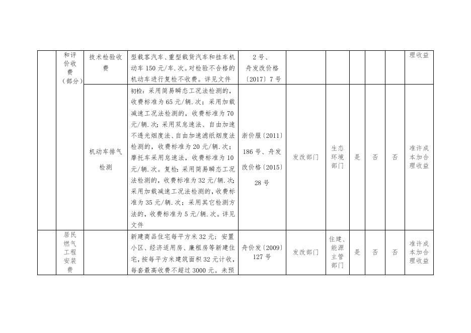
舟山市政府定价的经营服务性收费目录清单 (市级定价项目)2019.10.18 类型 一级 项目 二级收费项目 收费标准 收费文件(文号) 是 否 涉 企 定价部门 行业主 管部门 发改部门 公安、 交通 是 部门 是否 行政 审批 前置 是否 涉进 出口 环节 定价 方法 否 准许成 本加合 理收益 白天(7:00-21:00)元,中心城区5 元 / 辆·小时、非中心城区3 元 / 辆·小时; 道路公共停 车服务收费 夜间(21:00-次日7:00) ,中心城区10 元 / 辆·次、非中心城区6 元 / 辆·次。15 分钟(含)内免费,白天连续计费不超过8 小时。详见文件 舟发改价格 1、小型车 3 元/辆·小时;中型车地 〔2018〕44 号 交 通 服 务 机动 车停 放服 务收 费 面:4 元/辆·小时、地下: 3 元/辆·小 停车场收费 时;大型车地面:5 元/辆·小时、地下: (政府投资 4 元/辆·小时。2、15 分钟(含)内免 建设、设立) 费,停车不足 1 小时按 1 小时计收, 停车时间 8-24 小时的,按 8 小时计 收;连续停放超过 24 小时的,超过 否 部分按上述计时收费标准重新计算。 收 详见文件 费 1、白天(7:00-21:00):中、小 型车 2 小时内 3 元/次,超过 2 小时 后 3 元/小时;大型车 2 小时内 4 元/ 次,超过 2 小时后 4 元/小时。夜间 公立医院、体 (21:00-次日 7:00)中、小型车 5 育场馆配套 元 / 辆·次;大型车 6 元 / 停车场 辆·次。2、30 分钟(含)内免费, 中、小型车 24 小时内最高不超过 24 元,大型车 24 小时内最高不超过 32 元。 1、小型车:平时 4 元/辆·小时、旅游 旺季 6 元/辆·小时;中型车:平时 5 元 /辆·小时、旅游旺季 7 元/辆·小时;大 朱家尖蜈蚣 峙码头停车 场 型车:平时 7 元/辆·小时、旅游旺季 10 元/辆·小时;2、15 分钟(含)内免费, 停车不足 1 小时按 1 小时计收,停车 时间 8-24 小时的,按 8 小时计收; 连续停放超过 24 小时的,超过部分 按上述计时收费标准重新计算。3、 “旅游旺季”指:国家法定节假日及 连休日(具体执行日期以国务院办公 厅公布的放假调休日期为准)、4 月 至 9 月双休日、观音香会期(农历二 月、六月、九月的十七、十八、十 九)。详见文件 小型车:30 分钟(含)内免费;超 过 30 分钟至 2 小时(含)内每车次 10 元;2 小时以上每 1 小时加收 4 元, 24 小时内最高不超过 48 元。中型车: 30 分钟(含)内免费;超过 30 分钟 普陀山机场 停车场 至 2 小时(含)内每车次 12 元;2 小时以上每 1 小时加收 6 元,24 小 时内最高不超过 56 元。大型车:30 分钟(含)内免费;超过 30 分钟至 2 小时(含)内每车次 15 元;2 小时 以上每 1 小时加收 8 元,24 小时内 最高不超过 80 元。详见文件 检测 检验 机动车安全 中型、小型、微型 120 元/车.次;大 浙价服〔2017〕 发改部门 公安 部门 是 否 否 准许成 本加合 和评 技术检验收 价收 费 费 (部分) 型载客汽车、重型载货汽车和挂车机 2 号、 动车 150 元/车.次。对检验不合格的 舟发改价格 机动车进行复检不收费。详见文件 〔2017〕7 号 理收益 初检:采用简易瞬态工况法检测的, 收费标准为 65 元/辆.次;采用加载 减速工况法检测的,收费标准为 70 元/辆.次;采用双怠速法、自由加速 不透光烟度法、自由加速滤纸烟度法 浙价服〔2011〕 机动车排气 检测 检测的,收费标准为 20 元/辆.次; 摩托车采用怠速法,收费标准为 10 186 号、舟发 发改部门 元/辆.次。复检:采用简易瞬态工况 改价格〔2015〕 法检测的,收费标准为 32 元/辆.次; 生态 环境 部门 是 否 否 准许成 本加合 理收益 否 准许成 本加合 理收益 28 号 采用加载减速工况法检测的,收费标 准为 35 元/辆.次;采用其它检测方 法的,收费标准为 5 元/辆.次。详见 文件 居民 燃气 工程 安装 费 新建商品住宅每平方米 32 元; 安置 小区、经济适用房、廉租房等新建住 舟价发〔2009〕 发改部门 127 号 宅,按每平方米建筑面积 32 元计收, 每套最高收费不超过 3000 元。未预 住建、 能源 是 主管 部门 否 埋管道燃气设施的住宅,管道燃气设 施改造费按每套 3000 元计收。 每天 180 元(按 8 小时计算),计算 公 用 事 业 服 务 收 费 自来水 工程安 装配套 费 舟发改价格 ,不足半天的 自来水管道 起点为半天(4 小时) 安装、维修人 按半天计算,超过半天不足一天的按 〔2017〕33 号 工费 一天计算(不包括安装、维修材料 发改部门 住建、 能源 是 主管 部门 否 否 准许成 本加合 理收益 否 准许成 本加合 理收益 否 准许成 本加合 理收益 否 准许成 本加合 理收益 费)。 居民污水处 污水处 理费 理费 (按经 营服务 非居民污水 性收费 处理费 管理的) 生活垃 圾处理 收费 (按经 营服务 性收费 管理的) 垄断性 0.95 元/吨 舟发改价格 〔2016〕34 号 否 一般工业企业、非工业、特种用水 1.80 元/立方米;对水环境影响较严 舟发改价格 重的工业企业(印染、电镀、制药、 〔2018〕25 号 发改部门 住建 部门 否 是 造纸、化工等)2.40 元/立方米。 新城城区:生活垃圾代运费 30 元/吨, 宿舍楼群垃圾清运费 3 元/月•户。 舟发改价格 〔2017〕34 号 公共资源交 中标价 100 万(含)以下,交易服务 舟发改价格 易服务收费 费 0.08 万元;100 万-200 万(含), 〔2018〕42 号 (工程建设) 发改部门 城市 管理 部门 发改部门 审招 委 是 是 否 否 交易平 台服务 收费 交易服务费 0.10 万元;200 万-500 万 (含) ,交易服务费 0.35 万元;500 万-1000 万(含) ,交易服务费 1.20 万 元;1000 万-2000 万(含),交易服务 其 费 2.00 万元;2000 万-5000 万 他 (含) ,交易服务费 3.00 万元;5000 万-1 亿,交易服务费4.00 万元;1 亿-5 特 亿,交易服务费 5.00 万元;5 亿-10 亿 定 (含) ,交易服务费 7.00 万元;10 亿 以上,交易服务费 8.00 万元。详见文 服 件 1、出让(挂牌、拍卖、招标):交 务 易额(万元)100 以下(含 100),差 收 费 额定律累进收费标准为 3%;交易额 矿业权交易 服务费 (万元)100 以上至 500(含 500), 浙价服〔2013〕 242 号、舟发 发改部门 差额定律累进收费标准为 2%;交易 改价格〔2018〕 额(万元)500 以上至 1000(含 42 号 1000) ,差额定律累进收费标准为 1.5%;交易额(万元)1000 以上至 5000(含 5000),差额定律累进收费 自然 资源 部门 是 否 否 准许成 本加合 理收益 标准为 1%;交易额(万元)5000 以 上,差额定律累进收费标准为 0.005。 受让方付费,低于 2000 元按 2000 元 计。2、协议出让:按不高于出让收 费标准的 20%收取,收费额低于 1000 元的按 1000 元计收,最高不超过 20 万元。受让方付费。3、转让(挂牌、 拍卖、招标):按出让收费标准的 50% 收取 ,交易双方各 50%。具体见定价 文件。 1、多层住宅(不含电梯)基准价: 一级 1.25 元/平方米·月、二级 1.00 元/平方米·月、三级 0.75 元/平方 米·月、四级 0.60 元/平方米·月; 住房物 业管理 费 普通住房前 期物业服务 收费 2、高层住宅(含中高层)基准价: 一级 1.90 元/平方米·月、 二级 1.60 舟发改价格 发改、住建 〔2018〕22 号 部门 元/平方米·月、三级 1.30 元/平方 米·月;3、多层带电梯住宅,可在 相应等级基准价标准基础上加收 0.30 元/平方米;4、上下浮动幅度 20%; 住建 部门 否 否 否 准许成 本加合 理收益 5、小区建筑面积在 3 万(含 3 万)平 方米以下的,按同等级物业服务收费 标准上浮 10%执行。6. 电梯运行、 由物业公司管理的水泵加压能耗费 用按实收取。7.实行优质优价收费标 准的详见文件 有固定病床医疗卫生机构,每张床每 日 3.00 元; 无固定病床医疗卫生机 构,营业面积≤70m2:120 元/月; 医疗废物处 置费 危险废 物处置 费 70m2<营业面积≤100m2:200 元/月; 舟价发〔2013〕 发改部门 100m2<营业面积≤200m2:350 元/月; 46 号 200m2<营业面积≤300m2:500 元/月; 生态 环境 是 否 否 准许成 本加合 理收益 否 准许成 本加合 理收益 否 准许成 本加合 理收益 300m2<营业面积≤400m2:650 元/月; 营业面积>400m2:800 元/月。详见文 件 工业危险废 物处置费 生猪定 点屠宰 收费 HW09 含油污水处置费:130 元/立方 舟发改价格 米;HW08 废矿物油处置费:2800 元/ 〔2018〕32 号 吨。以上标准不包括转运费。 45 元/头 舟价发 [2008]123 号 发改部门 生态 环境 部门 发改部门 商务 部门 是 是 否 否

相关文章