SKHC_ALPS.pdf
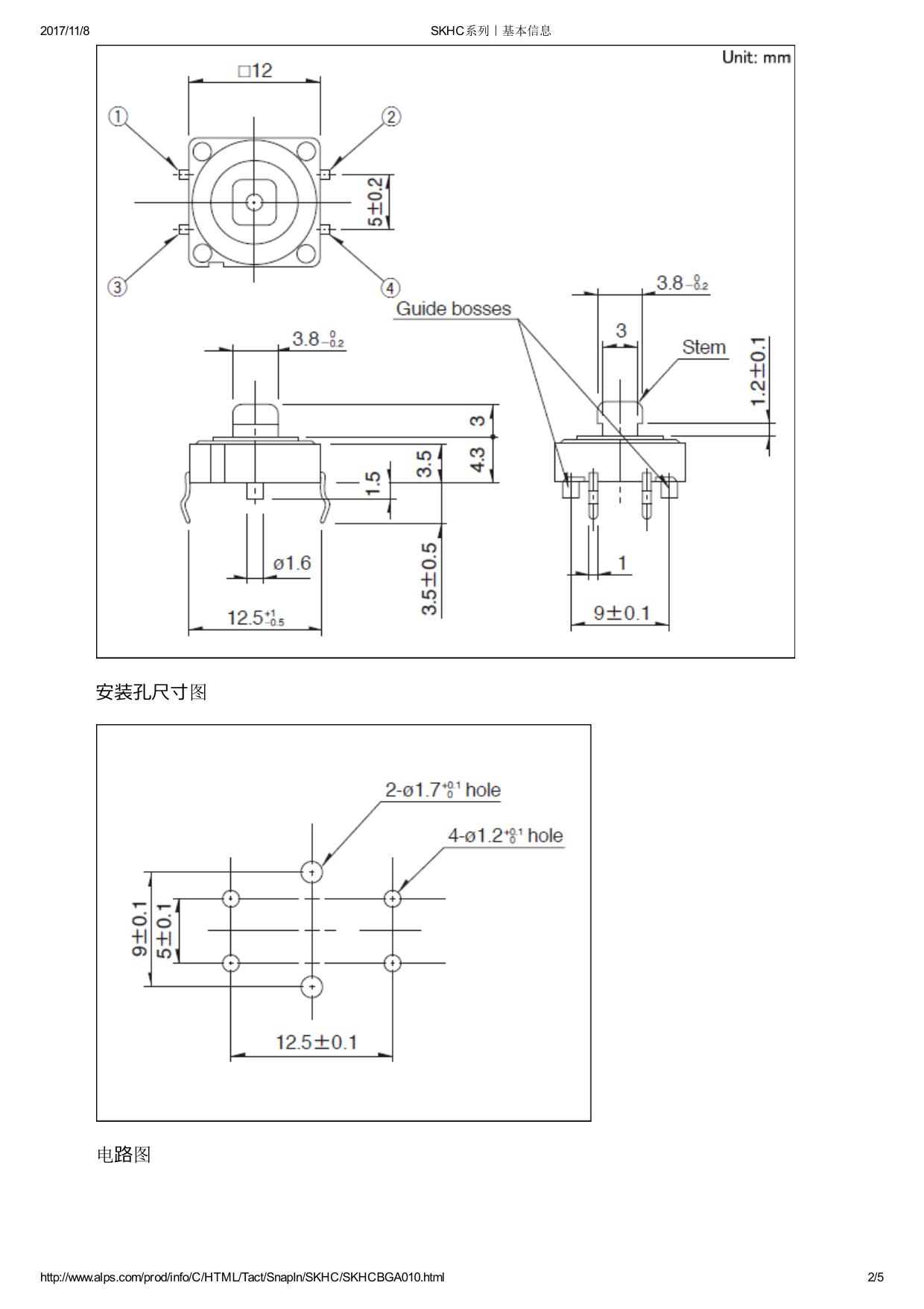
2017/11/8 SKHC系列|基本信息 12mm⽅型(按⼊式) SKHC系列 型 按⼊ 动作⼒ 2.55N 操作⽅向 Top push ⾏程 0.3mm 操作寿命 (5mA 5V DC) 500,000 cycles 初期接触电阻 100mΩ max. 按钮颜⾊ Dark gray 按钮 Joint stem 系列 Sharp feeling type 使⽤温度范围 -40℃ to +85℃ 最⼤额定 50mA 12V DC 最⼩额定 10µA 1V DC 绝缘电阻 100MΩ min. 100V DC for 1min. 耐电压 250V AC for 1 min. 耐久性能 耐振性能 10 to 55 to 10Hz/分, 全振幅1.5mm X, Y, Z 3⽅向各2⼩时 耐环境性能 耐寒性能 -40±2℃ for 96h 耐热性能 90±2℃ for 96h 耐湿性能 60±2℃, 90 to 95%RH for 96h ⽇本 1,000 出⼝ 1,000 电性能 最⼩订货单位(pcs.) 外形图 http://www.alps.com/prod/info/C/HTML/Tact/SnapIn/SKHC/SKHCBGA010.html 1/5 2017/11/8 SKHC系列|基本信息 安装孔尺⼨图 电路图 http://www.alps.com/prod/info/C/HTML/Tact/SnapIn/SKHC/SKHCBGA010.html 2/5 2017/11/8 SKHC系列|基本信息 包装规格 散装 包装数(pcs.) 1箱/⽇本 5,000 1箱/出⼝包装 15,000 出⼝包装箱尺⼨(mm) 309×476×347 焊接条件 ⾃动浸焊时 项⽬ 条件 助焊剂附着量 不附着于零部件贴装⾯的程度 预热温度 印刷电路板焊接⾯的周围温度 100℃max. 预热温度时间 60s max. 焊接温度 260℃ max. 焊接浸渍时间 5s max. 焊接次数 2 times以下 ⼿焊接时 项⽬ 条件 焊接温度 350℃ max. 连续焊接时间 3s max. 焊剂⽃容量 60W max. 1. 考虑清洗触摸开关时,请协商。 2. 请不要从触摸开关上⾯浸⼊助焊剂。 3. 请不要事前在开关端⼦及印刷电路板的零部件贴装⾯上涂助焊剂。 4. 进⾏第2次焊接时,应在开关回复到常温之后进⾏。 http://www.alps.com/prod/info/C/HTML/Tact/SnapIn/SKHC/SKHCBGA010.html 3/5 2017/11/8 SKHC系列|基本信息 5. 请使⽤⽐重为0.81以上的助焊剂(⽥村化研(株)EC-19S-8 同等品)。 旋钮产品⼀览表 外形图 (Unit: mm) 插⼊标签外形图 (Unit: mm) 1. 旋钮以没有安装在开关上的状态同时交货。 2. 没有准备插⼊标签。 3. SK2AA00010〜SK2AA00090型,请确认安装⽅向。 表⽰本系列共通的注释。 1. 本产品⽬录中产品的颜⾊,与实物的颜⾊有所差异。 2. 请使⽤1.6mm板厚的印刷电路板。 3. 请以最⼩订购单位的N(整数)倍来订货。 4. 汽车⽤时,请进⾏洽谈。 http://www.alps.com/prod/info/C/HTML/Tact/SnapIn/SKHC/SKHCBGA010.html 4/5 2017/11/8 SKHC系列|基本信息 http://www.alps.com/prod/info/C/HTML/Tact/SnapIn/SKHC/SKHCBGA010.html 5/5

SKHC_ALPS.pdf



