SKSL_ALPS.pdf
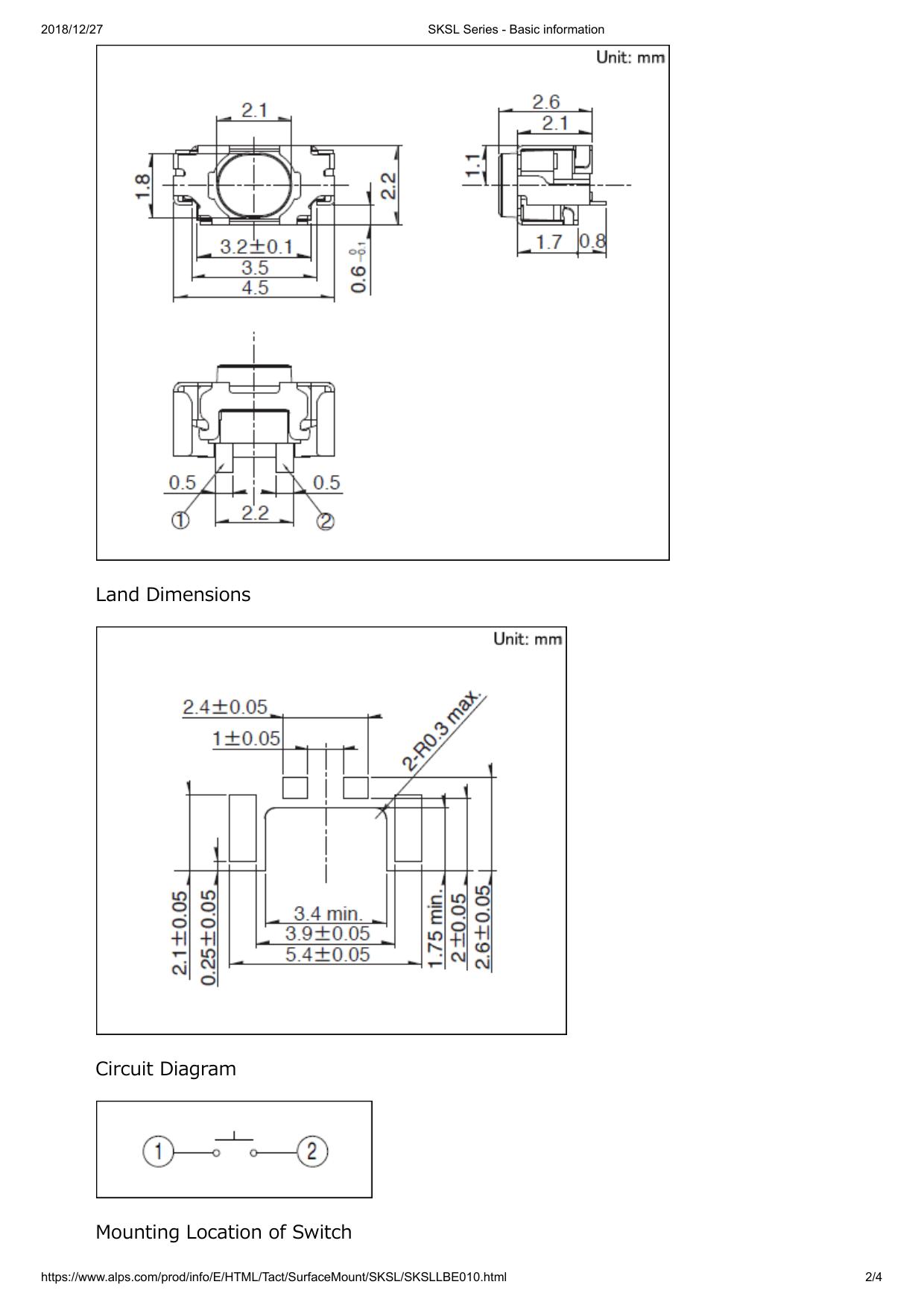
2018/12/27 SKSL Series - Basic information Side Push Half-mount Type with 1.6mm Height (Surface Mount) SKSL Series Type Surface mount Operating force 2.2N Operating direction Side push Travel 0.15mm Operating life (5mA 5V DC) 600,000 cycles Initial contact resistance 500mΩ max. Series type Sharp feeling type Operating temperature range -40℃ to +90℃ Rating (max.) 50mA 12V DC Rating (min.) 10µA 1V DC Electrical performance Insulation resistance 100MΩ min. 100V DC for 1min. Voltage proof 250V AC for 1 min. Durability Vibration 10 to 55 to 10Hz/min., the amplitude is 1.5mm for all the frequencies, in the 3 direction of X, Y and Z for 2 hours respectively Environmental performance Cold -40℃ for 96h Dry heat 90℃ for 96h Damp heat 60±2℃, 90 to 95%RH for 96h Minimum order unit Japan (pcs.) Export 4,400 4,400 Dimensions https://www.alps.com/prod/info/E/HTML/Tact/SurfaceMount/SKSL/SKSLLBE010.html 1/4 2018/12/27 SKSL Series - Basic information Land Dimensions Circuit Diagram Mounting Location of Switch https://www.alps.com/prod/info/E/HTML/Tact/SurfaceMount/SKSL/SKSLLBE010.html 2/4 2018/12/27 SKSL Series - Basic information Packing Specifications Taping Number of packages 1 reel (pcs.) 4,400 1 case / Japan 44,000 1 case / export packing 44,000 Tape width (mm) 12 Export package measurements (mm) 395×395×205 Soldering Conditions Condition for Reflow 1. Heating method Double heating method with infrared heater. 2. Temperature measurement Thermocouple 0.1 to 0.2 Φ CA(K) or CC(T) at solder joints (copper foil surface). A heat resisting tape should be used for fix measurement. 3. Temperature profile https://www.alps.com/prod/info/E/HTML/Tact/SurfaceMount/SKSL/SKSLLBE010.html 3/4 2018/12/27 SKSL Series - Basic information (1) The above temperature shall be measured of the top of switch. There are cases where PC board's temperature greatly differs from that of the switch, depending on the material, size, thickness of PC board's and others. Care, should be taken to prevent the switch's surface temperature from exceeding 260℃. (2) Soldering conditions differ depending on reflow soldering machines. Prior verification of soldering condition is highly recommended. Manual Soldering Items Condition Soldering temperature 350℃ max. Duration of soldering 3s max. Capacity of soldering iron 60W max. 1. Do not washing the TACT Switch™. 2. Prevent flux penetration from the top side of the TACT switch™. 3. Switch terminals and a PC board should not be coated with flux prior to soldering. 4. The second soldering should be done after the switch returns to normal temperature. Notes are common to this series/models. 1. This site catalog shows only outline specifications. When using the products, please obtain formal specifications for supply. 2. Please place purchase orders for taping products per minimum order unit (1 reel or a case). 3. For φ330mm diameter reel requirements, please contact us. 4. Please contact us for automotive use products. https://www.alps.com/prod/info/E/HTML/Tact/SurfaceMount/SKSL/SKSLLBE010.html 4/4

SKSL_ALPS.pdf


