SKRHABE010_ALPS.pdf
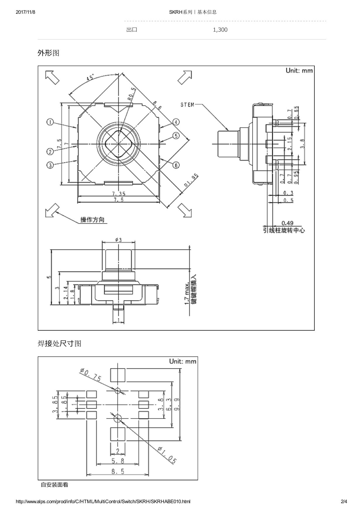
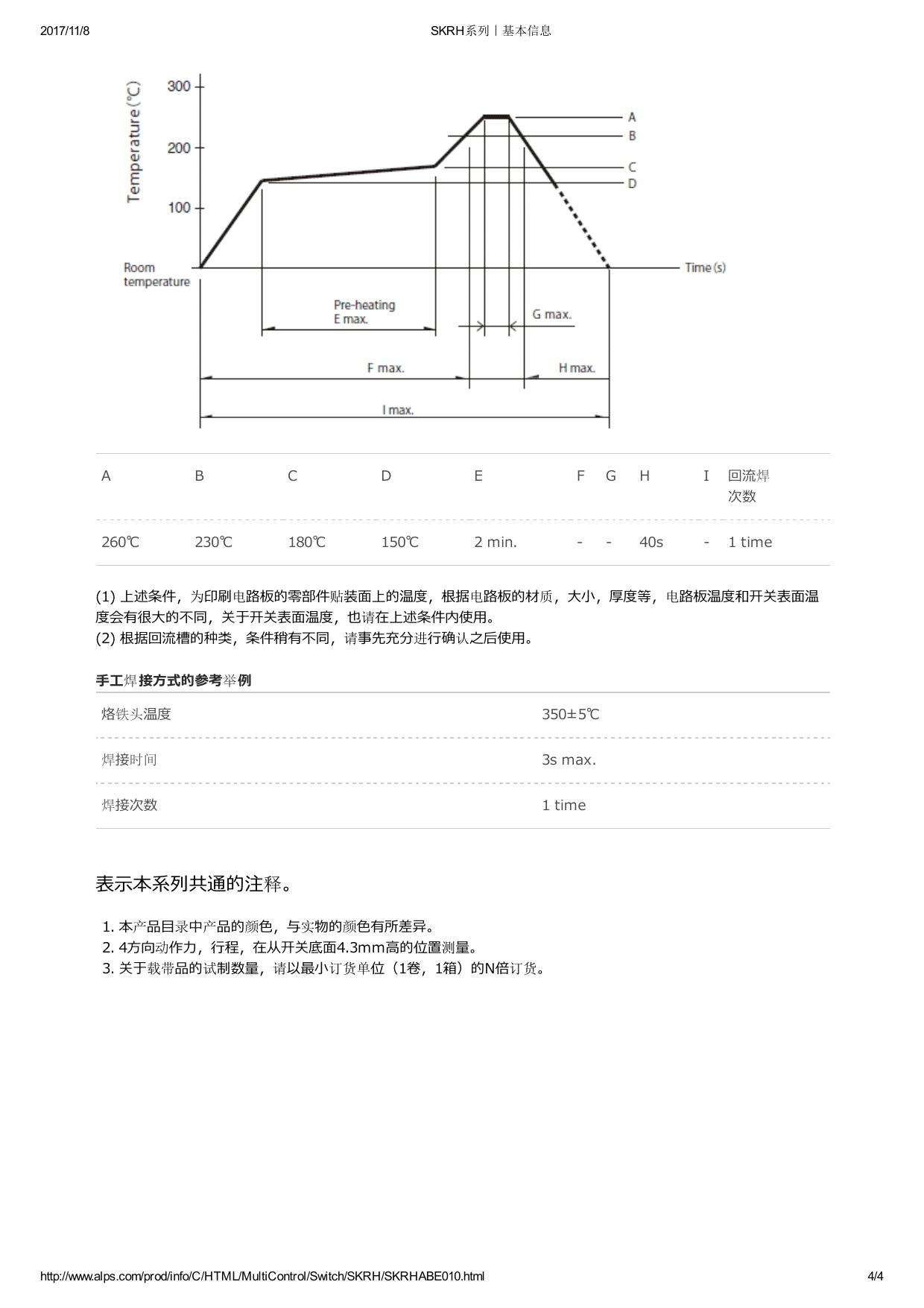
2017/11/8 SKRH系列|基本信息 4⽅向+附带中央按钮(表⾯贴装) SKRH系列 产品编号 SKRHABE010 型 Surface mount 动作⼒ ⾏程 4⽅向 1.23N 中⼼按动 2.35N 4⽅向 0.25mm 中⼼按动 0.15mm 操作寿命 (5mA 5V DC) 200,000 cycles 各⽅向 初期接触电阻 500mΩ max. 按钮颜⾊ Black 导向突起 有 使⽤温度范围 -40℃ to +85℃ 最⼤额定/最⼩额定(电阻负载) 50mA 12V DC/10µA 1V DC 电性能 机械性能 ⽅向分辨率 4⽅向 绝缘电阻 100MΩ min. 100V DC 耐电压 100V AC for 1 minute ⽅向动作⼒ 1.23±0.69N 按动作⼒ 2.35±0.69N 操作部强度 动作⽅向 29.4N 耐久性能 操作寿命 中⼼按动 200,000 cycles 耐环境性能 耐寒性能 -40±2℃ for 96h 耐热性能 90±2℃ for 96h 耐湿性能 60±2℃, 90 to 95%RH for 96h 最⼩订货单位(pcs.) ⽇本 http://www.alps.com/prod/info/C/HTML/MultiControl/Switch/SKRH/SKRHABE010.html 1,300 1/4 2017/11/8 SKRH系列|基本信息 出⼝ 1,300 外形图 焊接处尺⼨图 ⾃安装⾯看 http://www.alps.com/prod/info/C/HTML/MultiControl/Switch/SKRH/SKRHABE010.html 2/4 2017/11/8 SKRH系列|基本信息 电路图 包装规格 载带 梱包数(pcs.) 1卷 1,300 1箱/⽇本 10,400 1箱/出⼝包装 10,400 载带宽度(mm) 16 出⼝包装箱尺⼨(mm) 401×401×214 焊接条件 回流⽅式的参考举例 1. 加热⽅式 远红外线加热的上下加热⽅式。 2. 温度测量⽅式⽤ φ0.1〜φ0.2的CA(K)或CC(T)测量。位置在焊连接部(铜箔⾯)测量。固定⽅式采⽤耐热胶带。 3. 温度分布 http://www.alps.com/prod/info/C/HTML/MultiControl/Switch/SKRH/SKRHABE010.html 3/4 2017/11/8 SKRH系列|基本信息 A B C D E F G H I 回流焊 次数 260℃ 230℃ 180℃ 150℃ 2 min. - - 40s - 1 time (1) 上述条件,为印刷电路板的零部件贴装⾯上的温度,根据电路板的材质,⼤⼩,厚度等,电路板温度和开关表⾯温 度会有很⼤的不同,关于开关表⾯温度,也请在上述条件内使⽤。 (2) 根据回流槽的种类,条件稍有不同,请事先充分进⾏确认之后使⽤。 ⼿⼯焊接⽅式的参考举例 烙铁头温度 350±5℃ 焊接时间 3s max. 焊接次数 1 time 表⽰本系列共通的注释。 1. 本产品⽬录中产品的颜⾊,与实物的颜⾊有所差异。 2. 4⽅向动作⼒,⾏程,在从开关底⾯4.3mm⾼的位置测量。 3. 关于载带品的试制数量,请以最⼩订货单位(1卷,1箱)的N倍订货。 http://www.alps.com/prod/info/C/HTML/MultiControl/Switch/SKRH/SKRHABE010.html 4/4

SKRHABE010_ALPS.pdf


