英威腾CHF100-011G-2型变频器说明书
目录 目 录 安全注意事项………………………………………………………………………3 1 概况………………………………………………………………………………4 1.1 变频器的综合技术特性…………………………………………………4 1.2 变频器的铭牌说明………………………………………………………5 1.3 变频器系列机型…………………………………………………………5 1.4 变频器各部件名称说明…………………………………………………7 1.5 变频器外形尺寸…………………………………………………………9 1.6 制动电阻/制动单元选型………………………………………………11 2 开箱检查………………………………………………………………………… 16 3 拆卸和安装……………………………………………………………………… 17 3.1 变频器运行的环境条件…………………………………………………17 3.2 变频器安装间隔及距离…………………………………………………18 3.3 外引键盘的安装尺寸(小)……………………………………………19 3.4 外引键盘的安装尺寸(大)……………………………………………19 3.5 盖板的拆卸和安装………………………………………………………20 4 接线……………………………………………………………………………… 22 4.1 外围设备的连接图………………………………………………………23 4.2 接线端子图………………………………………………………………24 4.3 标准接线图………………………………………………………………26 4.4 断路器、电缆、接触器、电抗器规格表………………………………26 4.5 主回路的连接……………………………………………………………30 4.6 控制回路的连接…………………………………………………………32 4.7 符合 EMC 要求的安装指导………………………………………………34 5 操作……………………………………………………………………………… 37 5.1 操作面板说明……………………………………………………………37 5.2 操作流程…………………………………………………………………40 5.3 运行状态…………………………………………………………………41 5.4 快速菜单…………………………………………………………………42 6 详细功能说明…………………………………………………………………… 45 .1. 目录 P0 组 基本功能组……………………………………………………………45 P1 组 起停控制组……………………………………………………………48 P2 组 电机参数组……………………………………………………………50 P3 组 频率给定功能组………………………………………………………50 P4 组 辅助运行功能组………………………………………………………53 P5 组 输入端子组……………………………………………………………54 P6 组 输出端子组……………………………………………………………58 P7 组 人机界面组……………………………………………………………61 P8 组 增强功能组……………………………………………………………63 P9 组 PID 控制组……………………………………………………………67 PA 组 简易 PLC 及多段速控制组……………………………………………70 PB 组 保护参数组……………………………………………………………73 PC 组 串行通讯组……………………………………………………………75 PD 组 补充功能组……………………………………………………………76 PE 组 厂家功能组……………………………………………………………77 7 故障检查与排除………………………………………………………………… 78 7.1 故障信息及排除方法……………………………………………………78 7.2 常见故障及其处理方法…………………………………………………80 8 保养和维护……………………………………………………………………… 81 8.1 日常维护…………………………………………………………………81 8.2 定期维护…………………………………………………………………81 8.3 变频器易损件更换………………………………………………………82 8.4 变频器的保修……………………………………………………………82 9 通讯协议………………………………………………………………………… 83 9.1 协议内容…………………………………………………………………83 9.2 应用方式…………………………………………………………………83 9.3 总线结构…………………………………………………………………83 9.4 协议说明…………………………………………………………………83 9.5 通讯帧结构………………………………………………………………83 9.6 命令码及通讯数据描述…………………………………………………85 10 功能参数简表…………………………………………………………………93 .2. 安全注意事项 安全注意事项 安装、运行、维护或检查之前要认真阅读本说明书。 说明书中有关安全运行的注意事项分类成“警告”或“当心”。 警告 当心 指出潜在的危险情况,如果不避免,可能会导致人身伤亡。 指出潜在的危险情况,如果不避免,可能会导致人身轻度或中度的 伤害和设备损坏。这也可用来对不安全操作进行警戒。 在某些情况下,甚至在 当心 中所述的内容也会导致重大的事故。所以在任何情况下 要遵守这些重要的注意事项。 ★ 注意 为了确保正确的运行而采取的步骤。 警告标记呈现在变频器的前盖上。 使用变频器时要遵守这些指导。 警告标记 WARNING � May cause injury or electric shock. � Please follow the instructions in the manual before installation or operation. � Disconnect all power before opening front cover of unit.Wait at least 10 minute until DC Bus capacitors discharge. � Use proper grounding techniques. � Never connect AC power to output UVW terminals .3. 第 1 章 概况 1 概况 1.1 变频器的综合技术特性 ●输入输出特性 ◆输入电压范围:380/220V±15% ◆输入频率范围:47~63Hz ◆输出电压范围:0~额定输入电压 ◆输出频率范围:0~400Hz ●外围接口特性 ◆可编程数字输入:4 路开关量输入,1 路高速脉冲输入 ◆可编程模拟量输入:AI1:0~10V 输入,AI2:0~10V 或 0~20mA 输入 ◆可编程开路集电极输出:1 路输出(开路集电极输出或高速脉冲输出) ◆继电器输出:2 路输出(2.2kW 以下 1 路) ◆模拟量输出:1 路输出,分别可选 0/4~20mA 或 0~10V ●技术性能特性 ◆控制方式:V/F 控制 ◆过载能力:150%额定电流 60s;180%额定电流 10s ◆调速比: 1:100 ◆载波频率:0.5~15.0kHz ●功能特性 ◆频率设定方式:数字设定、模拟量设定、脉冲频率设定、串行通讯设定、多段 速及简易 PLC 设定、PID 设定等,可实现设定的组合和方式切换。 ◆PID 控制功能 ◆简易 PLC、多段速控制功能:16 段速控制 ◆摆频控制功能 ◆长度、时间控制功能 ◆瞬时停电不停机功能 ◆转速追踪再起动功能:实现对旋转中的电机的无冲击平滑起动 ◆QUICK/JOG 键功能:用户自由定义的多功能快捷键 ◆自动电压调整功能:当电网电压变化时,能自动保持输出电压恒定 ◆提供多种故障保护功能:过流、过压、欠压、过温、缺相、过载等保护功能 .4. 第 1 章 概况 1.2 变频器的铭牌说明 C H F 1 0 0 -7R5G/0 1 1 P-4 电压等级 S2:1A C 2 2 0 V 2: 3A C 2 2 0 V 4: 3A C 3 8 0 V 6: 3A C 6 9 0 V 1 2 :3A C 1 1 4 0 V 通用变频器 第1代 产 品 专用变频器 0:通 用 型 G/P合 一 G:恒 转 矩 型 P:变 转 矩 型 功率代号 7R5:7.5K W 0 1 1 :1 1 K W 图 1-1 变频器铭牌说明 1.3 变频器系列机型 额定输出功 额定输入 额定输出 率(kW) 电流(A) 电流(A) 单相 220V 1.5 14.2 7.0 1.5 ±15% 2.2 23.0 10 2.2 CHF100-0R7G-2 0.75 5.0 4.5 0.75 CHF100-1R5G-2 1.5 7.7 7 1.5 CHF100-2R2G-2 2.2 11.0 10 2.2 CHF100-004G-2 3.7 17.0 16 3.7 CHF100-5R5G-2 5.5 21.0 20 5.5 CHF100-7R5G-2 7.5 31.0 30 7.5 变频器型号 输入电压 CHF100-1R5G-S2 CHF100-2R2G-S2 适配电机 CHF100-011G-2 三相 220V 11.0 43.0 42 11.0 CHF100-015G-2 ±15% 15.0 56.0 55 15.0 CHF100-018G-2 18.5 71.0 70 18.5 CHF100-022G-2 22.0 81.0 80 22.0 CHF100-030G-2 30.0 112.0 110 30.0 CHF100-037G-2 37.0 132.0 130 37.0 CHF100-045G-2 45.0 163.0 160 45.0 CHF100-055G-2 55.0 181.0 190.0 55.0 .5. 第 1 章 概况 额定输出功 额定输入 额定输出 率(kW) 电流(A) 电流(A) CHF100-1R5G/2R2P-4 1.5 5.0 3.7 1.5 CHF100-2R2G/004P-4 2.2 5.8 5 2.2 CHF100-004G/5R5P-4 4.0/5.5 10/15 9/13 4.0/5.5 CHF100-5R5G/7R5P-4 5.5/7.5 15/20 13/17 5.5/7.5 CHF100-7R5G/011P-4 7.5/11.0 20/26 17/25 7.5/11.0 CHF100-011G/015P-4 11.0/15.0 26/35 25/32 11.0/15.0 CHF100-015G/018P-4 15.0/18.5 35/38 32/37 15.0/18.5 CHF100-018G/022P-4 18.5/22.0 38/46 37/45 18.5/22.0 CHF100-022G/030P-4 22.0/30.0 46/62 45/60 22.0/30.0 CHF100-030G/037P-4 30.0/37.0 62/76 60/75 30.0/37.0 CHF100-037G/045P-4 37.0/45.0 76/90 75/90 37.0/45.0 CHF100-045G/055P-4 45.0/55.0 90/105 90/110 45.0/55.0 CHF100-055G/075P-4 55.0/75.0 105/140 110/150 55.0/75.0 75.0/90.0 140/160 150/176 75.0/90.0 90.0/110.0 160/210 176/210 90.0/110.0 CHF100-110G/132P-4 110.0/132.0 210/240 210/250 110.0/132.0 CHF100-132G/160P-4 132.0/160.0 240/290 250/300 132.0/160.0 CHF100-160G/185P-4 160.0/185.0 290/330 300/340 160.0/185.0 CHF100-185G/200P-4 185.0/200.0 330/370 340/380 185.0/200.0 CHF100-200G/220P-4 200.0/220.0 370/410 380/415 200.0/220.0 CHF100-220G/250P-4 220.0/250.0 410/460 415/470 220.0/250.0 CHF100-250G/280P-4 250.0/280.0 460/500 470/520 250.0/280.0 CHF100-280G/315P-4 280.0/315.0 500/580 520/600 280.0/315.0 CHF100-315G/350P-4 315.0/350.0 580/620 600/640 315.0/350.0 CHF100-350G-4 350.0 620 640 350.0 CHF100-400G-4 400.0 670 690 400.0 CHF100-500G-4 500.0 835 860 500.0 CHF100-560G-4 560.0 920 950 560.0 CHF100-630G-4 630.0 1050 1100 630.0 变频器型号 输入电压 CHF100-075G/090P-4 CHF100-090G/110P-4 三相 380V ±15% .6. 适配电机 第 1 章 概况 1.4 变频器各部件名称说明 操作面板 控制板端子 主回路端子 主回路电缆入口 控制电缆入口 图 1-2 15kW 及以下变频器各部件名称 .7. 第 1 章 概况 键盘支架 操作键盘面板 屏蔽板 控制板 控制板端子 主回路端子 控制电缆入口 整机安装孔 图 1-3 18.5kW 以上变频器各部件名称 .8. 第 1 章 概况 1.5 变频器外形尺寸 图 1-4 15kW 及以下机型的外形尺寸(380V) 图 1-5 18.5~110kW 机型外形尺寸(380V) .9. 第 1 章 概况 图 1-6 132~315kW 机型(有底座和无底座)外形尺寸(380V) 图 1-7 350~630kW 机型外形尺寸(380V) .10. 第 1 章 概况 A(mm) B(mm) H(mm) W(mm) D(mm) 安装孔径 (mm) 功率(kW) 安装尺寸 外形尺寸 1.5~5.5 147.5 237.5 250 160 175 5 7.5~15 206 305.5 320 220 180 6 18.5~30 176 454.5 467 290 215 6.5 37~55 230.0 564.5 577.0 375.0 270.0 7.0 75~110 320.0 738.5 755.0 460.0 330.0 9.0 270 1233 1275 490 391 13 —— —— 1490 490 391 —— 500 1324 1358 750 402 12.5 —— —— 1670 750 402 —— —— —— 1670 1505 402 —— 132~185 200~315 350~630 图 1-8 7.5kW 及以下机型的外形尺寸(220V) 图 1-9 11kW~18.5kW 机型外形尺(220V) 图 1-10 22~55KW 机型的外形尺寸(220V) .11. 第 1 章 概况 三相 220VAC 外形尺寸及安装尺寸 型号 CHF100-1R5G-2 H(mm) W(mm) D(mm) 外形尺寸 安装孔径 (mm) A(mm) B(mm) 安装尺寸 110.4 170.2 180 120 140 5 147.5 237.5 250 160 175 5 206 305.5 320 220 180 6 176 454.5 467 290 215 6.5 166 510 525 260 280 5 178 663 680 300 280 6 CHF100-2R2G-2 CHF100-004G-2 CHF100-5R5G-2 CHF100-7R5G-2 CHF100-011G-2 CHF100-015G-2 CHF100-018G-2 CHF100-022G-2 CHF100-030G-2 CHF100-037G-2 CHF100-045G-2 CHF100-055G-2 1.6 制动电阻//制动单元选型 1.6.1 选型参考 当变频器所驱动的控制设备快速制动时,需要通过制动单元消耗电机制动时回馈到直 流母线上的能量。CHF 系列变频器 15kW(含)以下均内置制动单元。18.5KW(含)以上机 型则需要选用外置制动单元。若需要制动,请根据变频器容量选购合适的制动电阻。对于 制动转矩为 100%,制动单元使用率为 10%的应用,制动电阻和制动单元的配置如下表所示, 对于要求长期工作在制动状态的负载,其制动功率需要根据制动转矩、制动使用率来重新 2 进行调整制动功率,按长期工作计算,制动电阻功率: P =(P8. 32)/ R ,其中 R 为制动 电阻阻值。 1.6.1.1、220V 等级使用规范与选型参考 制动单元 变频器容量 kW(HP) 制动电阻(100%制动转矩、10%使用率) 数量(个) 等效制动 电阻值 等效制动 功率 数量(个) 1 130Ω 260W 1 1 80Ω 260W 1 4(5) 1 48Ω 400W 1 5.5(7.5) 1 35Ω 550W 1 规格 1.5(2) 2.2(3) 内置 .12. 第 1 章 概况 制动单元 制动电阻(100%制动转矩、10%使用率) 变频器容量 kW(HP) 数量(个) 等效制动 电阻值 等效制动 功率 数量(个) 7.5(11) 1 26Ω 780W 1 11(15) 1 17Ω 1100W 1 1 13Ω 1800W 1 18.5(25) 1 10Ω 2000W 1 22(30) 1 8Ω 2500W 1 30(40) 2 13Ω 1800W 2 2 10Ω 2000W 2 45(60) 2 8Ω 2500W 2 55(75) 2 6.5Ω 3000W 2 规格 15(20) DBU-055-2 37(50) DBU-055-2 1.6.2、380V 等级使用规范与选型参考 制动单元 制动电阻(100%制动转矩、10%使用率) 变频器容量 kW(HP) 数量(个) 等效制动 电阻值 等效制动 功率 数量(个) 1.5(2) 1 400Ω 260W 1 2.2(3) 1 150Ω 390W 1 4(5) 1 150Ω 390W 1 1 100Ω 520W 1 7.5(11) 1 50Ω 1040W 1 11(15) 1 50Ω 1040W 1 15(20) 1 40Ω 1560W 1 18.5(25) 1 20Ω 6000W 1 22(30) 1 20Ω 6000W 1 30(40) 1 20Ω 6000W 1 37(50) 1 13.6Ω 9600W 1 1 13.6Ω 9600W 1 55(75) 1 13.6Ω 9600W 1 75(100) 2 13.6Ω 9600W 2 90(120) 2 13.6Ω 9600W 2 110(150) 2 13.6Ω 9600W 2 1 4Ω 30000W 1 1 4Ω 30000W 1 规格 5.5(7.5) 45(60) 132(180) 160(215) 内置 DBU-055-4 DBU-160-4 .13. 第 1 章 概况 制动单元 制动电阻(100%制动转矩、10%使用率) 变频器容量 kW(HP) 数量(个) 等效制动 电阻值 等效制动 功率 数量(个) 1 3Ω 40000W 1 1 3Ω 40000W 1 220(300) 1 3Ω 40000W 1 250(340) 1 2Ω 60000W 1 规格 185(250) 200(270) 280(380) DBU-220-4 1 2Ω 60000W 1 315(430) 1 2Ω 60000W 1 350(470) 2 3Ω 40000W 2 2 3Ω 40000W 2 2 2Ω 60000W 2 2 2Ω 60000W 2 2 2Ω 60000W 2 400(540) DBU-315-4 DBU-220-4 500(680) 560(760) DBU-315-4 630(860) 注意: 请按照本公司提供的数据选择制动电阻的阻值和功率。 制动电阻会增加变频器的制动转矩,上表是按照 100%制动转矩、10%制动使用率设计 的电阻功率,若用户希望更大的制动转矩, 可适当减小制动电阻阻值,同时放大其功率。 对于需要频繁制动的场合(制动使用率超过 10%) ,需要根据具体的工况适当增大制动 电阻的功率。 使用外部制动单元时,请参照《能耗制动单元说明书》 ,正确设置制动单元制动电压等 级,如电压等级设置不正确,会影响到变频器的正常运行。 1.6.2 连接方法 1.6.2.1 制动电阻连接 D 体积及以下 CHF100 变频器的制动电阻连接如图 1-11 所示。 1.6.2.2 制动单元连接 CHF100 系列变频器与制动单元的连接如图 1-12 所示。 .14. 第 1 章 概况 图 1-11 制动电阻的安装 图 1-12 制动单元的连接 1.6.2.2 制动单元并联连接 由于制动单元功率限制,在某些功率段需要采用制动单元并联的方式,制动单元并联 连接使用时的接线如图 1-13 所示。 图 1-13 制动单元的并联连接 .15. 第 3 章 拆卸和安装 2 开箱检查 当心 ●不要安装或运行任何已经损坏或带有故障零件的变频器 , 否则有受伤的危险。 开箱后取出变频器,请检查以下几项。 1. 确认变频器运输过程中无任何损坏(机体上的损伤或缺口) 。 2. 确认包装箱中有说明书和保修卡。 3. 检查变频器铭牌并确认是您所订购的产品。 4. 如果您订购了变频器的选配件,请确认收到的选配件是您所需要的。 如果您发现变频器或选配件有损坏,请马上致电当地经销商。 3 拆卸和安装 .16. 第 3 章 拆卸和安装 警告 ●设备的设计、安装、调试和运行,必须由经过培训并合格的专业人员来进行;在工作 过程中,必须遵循“警告”中所有的规定,否则可能造成严重的人身伤害或重大财产 损失。 ●输入电源线只允许永久性紧固连接,设备必须可靠接地。 ●即使变频器处于不工作状态,以下端子仍然可能带有危险电压: -电源端子 R、S、T -连接电机的端子 U,V,W ●在电源开关断开以后,必须等待 10 分钟以上,并确认 CHARGE 灯已经熄灭,且变频器 放电完毕,才允许开始安装作业。 2 ●接地导体的最小截面积至少为 10mm ,或者对应下表中数据,要求选择二者之中的最大 值作为接地导体截面积: 电源线导体截面积 S mm 2 接地导体截面积 S≤16 S 16> 变频器会自动计算出下列参数,详细电机 SH I F T 参数自学习过程请参考功能码 P0.12 的说 图 5-2 三级菜单操作流程图 .40. 第 5 章 操作 5.3 运行状态 5.3.1 上电初始化 明: P2.06:电机定子电阻; P2.07:电机转子电阻; 变频器上电过程,系统首先进行初始 P2.08:电机定、转子电感; 化,LED 显示为“8.8.8.8.8.” 。等初始化 P2.09:电机定、转子互感; 完成以后,变频器处于待机状态。 5.3.2 待机 P2.10:电机空载电流; 在自学习过程中,键盘会显示 TUN-1、 在停机、故障和运行状态下,可显示 TUN-2,当键盘显示-END-后,电机参数自 多种状态参数。可由功能码 P7.06、P7.07 学习过程结束。 (运行参数),P7.08(停机参数)按二进制的 注意:参数自学习过程中,电机要和 位选 择该参数 是否显 示,各位 定义见 负载脱开,否则,自学习得到的电机参数 P7.06、P7.07 和 P7.08 功能码的说明。 可能不正确。 在停机状态下,共有十个停机状态参 2.4 密码设置 5. 5.2.4 数可以选择是否显示,分别为:设定频率、 CHF系列变频器提供用户密码保护功 母线电压、开关量输入状态、集电极开路 能,当P7.00设为非零时,即为用户密码, 输出状态、PID 设定、PID 反馈、AI1 电压、 退出功能码编辑状态,密码保护将在一分 AI2 电压、HDI 频率、PLC 或多段速段数, 钟后生效,再次按PRG/ESC键进入功能码编 是否显示由功能码 P7.08 按位(转化为二 辑状态时,将显示“-----”,操作者必须 进制)选择,按》/SHIFT 键向右顺序切换 正确输入用户密码,否则无法进入。 显 示 选 中 的 参 数 , 按 DATA/ENT + QUICK/JOG 键向左顺序切换显示选中的参 若要取消密码保护功能,将P7.00设为 数。 0即可。用户密码对快捷菜单中的参数没有 5.3.3 运行 保护功能。 在运行状态下,共有二十二个状态参 5.2.5 快捷菜单设置 数可以选择是否显示,分别为:运行频率, 快捷菜单提供更为快捷的查看和修改 设定频率,母线电压,输出电压,输出电 功能参数的方法。CHF 系列变频器提供了三 流、运行转速、线速度、输出功率、输出 种快捷菜单,通过 P7.03 选择。在调用快 转矩、PID 设定,PID 反馈,开关量输入状 捷菜单时,在快捷菜单中参数的显示形式 态、集电极开路输出状态、长度值、计数 为“LP0.11”、“nP0.11”或“hP0.11”,三 值、PLC 或多段速段数、AI1 电压、AI2 电 种显示模式分别代表三种调试方式,都表 压、HDI 频率、电机过载百分比、变频器过 示的是功能参数 P0.11,在快捷菜单中修改 载百分比、变频器运行时间(分钟为单位) , 参数与在普通编程状态下修改相应参数效 是否显示由功能码 P7.06,P7.07 按位(转 果相同。有关快捷菜单详细操作请参考 5.4 化为二进制)选择,按》/SHIFT 键向右顺 节快速菜单。 .41. 第 5 章 操作 序切换显示选中的参数,按 DATA/ENT + 说明:在停机或运行显示界面下,按 QUICK/JOG 键向左顺序切换显示选中的参 QUICK/JOG进入快捷一级菜单,用“∧”和 数。 “ ∨ ”可选择不同的快捷参数,然后按 5.3.4 故障 DATA/ENT进入快捷二级菜单,快捷二级菜 在故障状态下,除了显示停机状态下 单修改方法和普通参数三级菜单修改方法 的状态参数外,还会显示故障状态。按 》 相同。若要退回上层显示,按QUICK/JOG。 /SHIFT 键向右顺序切换显示选中的参数, 5.4.2 快捷调试模式 按 DATA/ENT + QUICK/JOG 键向左顺序切换 5.4.2.1快捷调试模式1 显示选中的参数。 通过设定P7.03为3,用户可选择快捷 CHF 系列变频器提供多种故障信息, 调试模式1,该模式是按照厂家提供的快速 详情请参考 CHF 系列变频器故障及其对策。 调试菜单进行调试,其调试的参数表如下 5.4 快速菜单 表所示。 快捷菜单提供更为快捷的查看和修改 功能参数的方法。CHF 系列变频器提供了三 种快捷菜单,通过 P7.03 选择。 5.4.1 快捷菜单操作 快捷菜单分为两级菜单,对应普通编 程方法的二、三级菜单,没有一级菜单。 操作举例如下: 停机或运行 50.00 QUICK JOG QUICK JOG LP 3 . 0 0 DATA ENT QUICK JOG 50.00 LP 0 . 0 8 DATA ENT QUICK JOG 00 2 0 . 0 00 30 .0 DATA ENT 30.00 DATA ENT LP0.07 LP3.03 QUICK JOG 30.00 停机或运行 图 5-3 快捷菜单操作示例 .42. 第6章 详细功能说明 快速调试参数表一览 序号 功能码 名称 说明 设定范围 缺省值 1 P3.00 键盘设定频率 0.00 Hz~P0.04(最大频率) 0.00~P0.04 50.00Hz 2 P0.07 加速时间0 0.0~3600.0s 0.0~3600.0 机型确定 3 P0.08 减速时间0 0.0~3600.0s 0.0~3600.0 机型确定 0:键盘指令通道(LED熄灭) 4 P0.03 运行指令通道 1:端子指令通道(LED闪烁) 0~2 0 2:通讯指令通道(LED点亮) 0:键盘设定 1:模拟量AI1设定 2:模拟量AI2设定 5 P3.01 A频率指令选择 3:高速脉冲HDI设定 4:简易PLC程序设定 0~7 0 5:多段速运行设定 6:PID控制设定 7:远程通讯设定 6 P0.11 载波频率设定 0.5~15.0kHz 0.5~15.0 机型确定 0:直线V/F曲线 1:多点V/F曲线 7 P0.09 V/F曲线设定 2:1.3次幂降转矩V/F曲线 0~4 0 0.0~10.0 0.0% 0~2 0 0~1 0 3:1.7次幂降转矩V/F曲线 4:2.0次幂降转矩V/F曲线 8 P0.10 转矩提升 0(自动),0.1~10.0% 0:直接起动 9 P1.00 起动运行方式 1:先直流制动再起动 2:转速追踪再起动 0:减速停车 10 P1.06 停机方式选择 11 P2.01 电机额定频率 0.01Hz~P0.04(最大频率) 0.01~P0.04 50.00HZ 12 P2.03 电机额定电压 0~460V 0~460 机型确定 1:自由停车 .43. 第 5 章 操作 5.4.2.2 快捷调试模式2 5.4.2.3 快捷调试模式3 通过设定P7.03为4,用户可选择快捷 通过设定 P7.03 为 5,用户可选择 调试模式2,该模式是按最近修改的参数进 快捷 调试 模式 3 ,该 模式 是用 户按 行调试和设定,变频器自动记录下开机后 QUICK/JOG 键后变频器自动搜索出当 用户访问并修改的功能参数,记录的顺序 前不同于出厂值的参数,并按照功能码 为用户访问参数的先后顺序,最后访问的 的先后顺序保存于快速调试菜单中以供 参数在快捷菜单的最前面,最早访问参数 用户查看和设定。快捷菜单缓冲区长度 在快捷菜单的最后面。快捷菜单缓冲区长 为 16 个,记录的参数按功能码先后顺序 度为16个,当记录的参数超过16个时最早 进行搜索,当记录的参数超过 16 个时, 纪录的参数将被删除。按QUICK/JOG将进入 超过 16 的参 数将不能 显示出 来。按 快速调试方式,其调试方式按5.4.1节进行 QUICK/JOG 将进入快速调试方式,其 操作。若开机后未修改参数按 QUICK/JOG 调试 方式 按 5.4.1 节进 行操 作。 若按 QUICK/JOG 显示“NULLP”,则表示当 将显示“NULLP”,表示快捷参数为空。 前所有参数均跟出厂参数相同。 .44. 第 6 章 详细功能说明 6 详细功能说明 由停机。 1:端子指令通道( “LOCAL/REMOT” P0 组 基本功能组 灯闪烁) ; 功能码 名称 设定范围 P0.00 机型选择 0~1【0】 由多功能输入端子正转、反转、正转 点动、反转点动等进行运行命令控制。 2:通讯指令通道(“LOCAL/REMOT” 0:G型机,适用于恒转矩负载 灯点亮); 1:P型机,适用于恒功率负载 运 行命 令由 上位 机 通过 通讯 方式 控 CHF系列变频器采用G/P合一的方式, 制。 用于恒转矩负载(G型)时的适配电机功率 比用于风机、水泵类负载(P型)时小一档。 功能码 变频器出厂参数设置为G型,如要选择 P0.04 名称 最大输出频率 P型,需将该功能码设置为1并重新设置P2 组电机参数。 例如:CHF100-022G/030P-4机型出厂 是频率设定的基础,也是加减速快慢的基 础,请用户注意。 型机,需设置P0.00为1,并重新设置P2组 功能码 名称 电机参数。 P0.05 P0.02 【50.00Hz】 用来设定变频器的最高输出频率。它 时已设为22kW G型机,若要更改为30kW P 功能码 P0.01 设定范围 P0.05~400.00 名称 变频器额定 功率 变频器额定 电流 设定范围 0.4~900.0 【机型确定】 0.0~2000.0 【机型确定】 运行频率上限 小于或者等于最大输出频率。 功能码 P0.06 名称 设定范围 P0.03 运行指令通道 0~2【0】 【50.00Hz】 变频器输出频率的上限值。该值应该 名称 变频器额定功率和额定电流,仅能查看。 功能码 设定范围 P0.06~P0.04 运行频率下限 设定范围 0.00~P0.04 【0.00Hz】 变频器输出频率的下限值。 可通过功能码P1.12选择, 当设定频 选择变频器控制指令的通道。变频器 率低于下限频率时的动作:以下限频率运 控制命令包括:起动、停机、正转、反转、 行、停机或休眠。其中,最大输出频率≥ 点动、故障复位等。 上限频率≥下限频率。 0:键盘指令通道(“LOCAL/REMOT”灯熄 功能码 名称 P0.07 加速时间0 P0.08 减速时间0 灭); 由键盘面板上的RUN、STOP/RST 按键进 行运行命令控制。多功能键QUICK/JOG 若设 置为FWD/REV切换功能(P7.03为1),可通 过该键来改变运转方向;在运行状态下, 设定范围 0.1~3600.0s 【机型确定】 0.1~3600.0s 【机型确定】 加速时间指变频器从0Hz加速到最大 同时按下RUN与STOP/RST键,可使变频器自 输出频率(P0.04)所需时间。 .45. 第 6 章 详细功能说明 减 速时 间指 变频 器 从最 大输 出频 率 负载场合,如:风机、水泵等。 (P0.04)减速到0Hz所需时间。 输出电压 输出频率 1.3次幂降转矩V/F曲线 直线型 1.7次幂降转矩V/F曲线 2.0次幂降转矩V/F曲线 平方型 输出频率 实际加速时间 实际减速时间 设定加速时间 图 6-2 时间t V/F 曲线示意图 设定减速时间 功能码 名称 P0.10 转矩提升 图 6-1 加减速时间示意图 当设定频率等于最大频率时,实际加 设定范围 0.0~10.0 【0.0%】 转矩提升主要应用于截止频率 减速时间和设定的加减速时间一致。 (P4.06)以下,提升后的V/F曲线如下图 当设定频率小于最大频率时,实际的 示,转矩提升可以改善V/F的低频转矩特 加速时间小于设定的加减速时间。 性。 实际的加减速时间=设定的加减速时 应根据负载大小适当选择转矩量,负 间×(设定频率/最高频率) 载大可以增大提升,但提升值不应设置过 CHF系列变频器有4组加减速时间。 大,转矩提升过大时,电机将过励磁运行, 第一组:P0.07、P0.08; 变频器输出电流增大,电机发热加大,效 第二组:P8.00、P8.01; 率降低。 第三组:P8.02、P8.03; 当转矩提升设置为0.0%时,变频器为 第四组:P8.04、P8.05。 自动转矩提升。 可通过多功能数字输入端子中的加减 转矩提升截止点:在此频率点之下, 速时间 选择端子的组合 来选择加减速时 转矩提升有效,超过此设定频率,转矩提 间。 升失效。 功能码 名称 设定范围 P0.09 V/F曲线设定 0~4【0】 输出电压 0:直线V/F曲线。 1:多点V/F曲线。可通过设置(P4.07~ P4.12)来定义V/F曲线。 输出频率 2~4:多次幂V/F曲线。适用于变转矩 图 6-3 手动转矩提升示意图 .46. 第 6 章 详细功能说明 功能码 P0.11 额使用,每增加1K载频,降额20%。 名称 设定范围 载波频率设 0.5~15.0 定 【机型确定】 功能码 P0.12 载波频率 电磁噪音 1K H z 杂 音 、漏 电 流 大 散热度 小 名称 电机参数 自学习 设定范围 0~2【0】 0:无操作。 小 1:旋转参数自学习 1 0 KHz 电机参数自学习前,必须正确输入电 小 1 6 KHz 大 机铭牌参数(P2.01-P2.05),并将电机 大 与负载脱开,使电机处于静止、空载状态, 图 6-4 载频对环境的影响关系图 否则电 机参数自学习的 结果有可能不正 确。 机型和载频的关系表 电机参数自学习前,应根据电机的惯 机型 载波频率出厂值 1.5~11kW 8kHz P0.12),否则电机参数自学习过程中有可 15~55kW 4kHz 能出现过流、过压故障。 75kW~185kW 2kHz 200kw以上 1kHz 量大小适当设置加、减速时间(P0.11、 设定P0.17为1然后按DATA/ENT ,开始 电机参数自学习,此时LED显示“-TUN-” 并闪烁,按RUN开始进行参数自学习,此时 高载波频率的优点:电流波形比较理 显示“TUN-0”、显示“TUN-1” 后,电机 想、电流谐波少,电机噪音小; 开始运行,“RUN/TUNE”灯闪烁。当参数 高载波频率的缺点:开关损耗增大, 自学习结束后,显示“-END-”,最后显示 变频器温升增大,变频器输出能力受到影 回到停机状态界面。当“-TUN-”闪烁时可 响,在高载频下,变频器需降额使用;同 按PRG/ESC退出参数自学习状态。 时变频器的漏电流增大,对外界的电磁干 参数自学习的过程中可以按 STOP/RST 扰增加。 终止参数自学习操作。 采用低载波频率则与上述情况相反, 注意:参数自学习的起动与停止只能 过低的载波频率将引起低频运行不稳定, 由键盘控制;参数自学习完成以后,该功 转矩降低甚至振荡现象。 能码自动恢复到0。 2:静止参数自学习 变频器出厂时,已经对载波频率进行 电机静止参数自学习时,不必将电机 了合理的设置。一般情况下,用户无须对 与负载脱开,电机参数自学习前,必须正 该参数进行更改。 确输入电机铭牌参数(P2.01-P2.05), 用户使用超过缺省载波频率时,需降 .47. 第 6 章 详细功能说明 自学习后将检测出电机的定子电阻、转子 时的转矩。变频器从启动频率(P1.01)开 的电阻以及电机的漏感。而电机的互感和 始运行,经过起动频率保持时间(P1.02) 空载电流将无法测量,用户可根据经验输 后,再按设定的加速时间加速到目标频率, 入相应数值。 若目标频率小于起动频率,变频器将处于 功能码 名称 设定范围 P0.13 功能参数恢复 0~2【0】 待机状态。起动频率值不受下限频率限制。 正反转切换过程中,起动频率不起作用。 功能码 0:无操作 1:变频器将所有参数恢复缺省值。 P1.03 名称 设定范围 起动前制动 0.0~150.0% 电流 【0.0%】 起动前制动 0.0~50.0s 时间 【0.0s】 2:变频器清除近期的故障档案。 所选功能操作完成以后,该功能码自 P1.04 动恢复到0。 P1.03起动前直流制动时,所加直流电 P1 组 起停控制组 流值,为变频器额定电流的百分比。 功能码 名称 设定范围 P1.00 起动运行方式 0~2【0】 P1.04直流电流持续时间。若设定直流 制动时间为0,则直流制动无效。 直流制动电流越大,制动力越大。 0:直接起动:从起动频率开始起动。 功能码 1:先直流制动再起动:先直流制动(注 意设定参数P1.03、P1.04),再从起动频 名称 加减速方式 P1.05 选择 设定范围 0~1【0】 率起动电机运行。适用小惯性负载在起动 起动、运行过程中频率变化方式选择。 时可能产生反转的场合。 0:直线型 2:转速追踪再起动:变频器先计算电 输出频率按照直线递增或递减。 机的速度和方向,然后从当前速度开始运 1:保留 行,实现旋转中电机的平滑无冲击起动, 适用于大惯性负载的瞬时停电再起动。该 功能仅限于7.5kW及以上机型。 功能码 名称 设定范围 P1.06 停机方式选择 0~1【0】 0:减速停车 功能码 P1.01 P1.02 名称 设定范围 直接起动开 0.00~10.00 始频率 【0.00Hz】 起动频率保 0.0~50.0s 持时间 【0.0s】 停机命令有效后,变频器按照减速方 式及定义的减速时间降低输出频率,频率 降为0后停机。 1:自由停车 停机命令有效后,变频器立即终止输 设定合适的起动频率,可以增加起动 出。负载按照机械惯性自由停车。 .48. 第 6 章 详细功能说明 功能码 P1.07 P1.08 P1.09 P1.10 名称 设定范围 停机制动开 始频率 停机制动等 待时间 停机直流制 动电流 停机直流制 动时间 0.00~P0.04 【0.00Hz】 0.0~50.0s 【0.0s】 0.0~150.0% 【0.0%】 0.0~50.0s 【0.0s】 输出频率f 死区时间 正 转 t 反 转 停机制动开始频率:减速停机过程中, 图 6-6 正反转死区时间示意图 当到达该频率时,开始停机直流制动。停 功能码 机制动开始频率为0,直流制动无效,变频 器按所设定的减速时间停车。 P1.12 停机制动等待时间:在停机直流制动 开始前,变频器封锁输出,经过该延时后 名称 运行频率低于 频率下限动作 设定范围 0~2【0】 该功能码是确定当设定频率低于下限 再开始直流制动。用于防止在速度较高时 频率时变频器的运行状态。 开始直流制动引起的过流故障。 0:以频率下限运行。 1:停机。 停机直流制动电流:指所加的直流制 2:休眠待机。当设定频率低于下限频 动量。该值越大,制动力矩越大。 率时,变频器自由停车;当设定频率再次 停机直流制动时间:直流制动量所持 大于或者等于下限频率时,变频器自动运 续的时间。 行。 输出频率 注意:该功能仅在下限频率大于零时有效。 时间t 功能码 名称 P1.13 停电再起动选择 设定范围 0~1【0】 输出电压 P1.14 再起动等待时间 停机时直流制动 起动时直流制动时间 制动等待时间 制动等待时间 P1.11 名称 0:禁止再起动。表示变频器掉电后, 再一次上电,变频器不会自动起动。 设定范围 1:允许再起动。表示变频器停电后再 正反转死区时 0.0~3600.0s 间 【0.0s】 P1.13: 时间t 图 6-5 直流制动示意图 功能码 0.0~3600.0s 上电时,会自动恢复以前的运行状态。即 【0.0s】 如果掉电前为运行状态,再上电后会延迟 设定变频器正反转过渡过程中,在输 再起动等待时间(P1.14)后自动起动运行 出零频处的过渡时间。如下图示: (端子控制时,必须保证运行端子仍旧处 .49. 第 6 章 详细功能说明 于闭合状态),如果掉电前为停机状态, 置。控制的优良控制性能,需要准确的电 则再上电后,变频器不会自动起动。 机参数。 注意:该功能仅限于7.5KW以上机型使 变频器提供参数自学习功能。 准确的参 用,用户一定要慎重选择允许再起动功能, 数自学 习来源于电机铭 牌参数的正确设 否则,可能会引起严重的后果。 置。 为了保证控制性能, 请尽量保证变频器 功能码 P1.15 名称 上电时端子功 能检测选择 设定范围 与电机功率匹配,若二者差距过大,变频 器控制性能将明显下降。 0~1【0】 注意:重新设置电机额定功率 在运行指令通道为端子控制时,上电 (P2.00),可以初始化P2.05~P2.09电机 过程中,系统会自动检测运行端子的状态。 参数。 0:上电时端子运行命令无效。变频器 功能码 名称 P2.05 电机定子电阻 P2.06 电机转子电阻 上电后处于停机状态,与上电时运行命令 端子是否有效无关。如需使变频器运行起 来,必须重新使能该端子(先无效再有效)。 1:上电时端子运行命令有效。变频器 上电后的运行状态与运行命令端子状态一 P2.07 致,有效则运行,无效则停机。 注意,用户一定要慎重选择该功能, P2.08 P2.09 功能码 名称 P2.00 电机额定功率 P2.01 电机额定频率 P2.02 电机额定转速 P2.03 电机额定电压 P2.04 电机额定电流 0.001~65.535 Ω【机型确定】 0.001~65.535 Ω【机型确定】 电机定、转子电 0.1~6553.5mH 感 【机型确定】 电机定、转子互 0.1~6553.5mH 感 可能会造成严重的后果。 P2 组 电机参数组 设定范围 电机空载电流 【机型确定】 0.01~655.35A 【机型确定】 电机参数自学习正常结束后,P2.05- 设定范围 0.4~900.0kW P2.09的设定值自动更新。 这些参数是高 【机型确定】 性能V/F控制的基准参数,对控制的性能有 0.01~P0.04 着直接的影响。 【50.00Hz】 注意:用户不要随意更改该组参数。 0~36000 P3 组 频率给定功能组 【1460rpm】 功能码 0~460V 【机型确定】 P3.00 0.1~1000.0A 【机型确定】 名称 设定范围 键盘设定频 0.00~P0.04 率 【50.00Hz】 当A频率指令选择为“键盘设定”时, 注意:请按照电机的铭牌参数进行设 该功能码值为变频器的频率数字设定初始 .50. 第 6 章 详细功能说明 值。 选择此种频率设定方式,变频器以简 功能码 名称 设定范围 P3.01 A频率指令选择 0~7【0】 易PLC程序运行。需要设置PA组“简易PLC 及多段速控制组”参数来确定给定频率, 运行方向,甚至每段的加、减速时间。详 选择变频器A频率指令输入通道。共有8 细请参考PA组功能的介绍。 种主给定频率通道: 5:多段速运行设定 0:键盘设定 选择此种频率设定方式,变频器以多 通过修改功能码P3.00 “键盘设定频 段速方式运行。需要设置P5组和PA组参数 率”的值,达到键盘设定频率的目的。 来确定给定频率。如果P3.01没有设置成多 1:模拟量AI1设定 段速设定,则多段速设定具有优先权,但 2:模拟量AI2设定 其优先级仍低于寸动运行, 多段速设定优 指频率由模拟量输入端子来设定。CHF 先时,只能设定1~15段。如P3.01设置成 系列变频器标准配置提供2路模拟量输入 多段速设定,则可设定0~15段。 端子,其中AI1为0~10V电压型输入,AI2 6:PID控制设定 为0~10V/0(4)~20mA输入,电流/电压 选择此参数则变频器运行模式为过程 输入可通过跳线J16进行切换。注意:当模 PID控制。此时,需要设置P9组“PID控制 拟量AI2选择0~20mA 输入时20mA对应的 组”。变频器运行频率为PID调节后的频率 电压为5V。 值。其中PID给定源、给定量、反馈源等含 模拟输入的100.0%对应最大频率(功 义请参考P9组“PID功能”介绍。 能码P0.04),-100.0%对应反向的最大频 7:远程通讯设定 率(功能码P0.04)。 频 率指 令由 上位 机 通过通 讯方 式 给 3:高速脉冲设定(HDI) 定。请参考11章变频器ModBus通讯协议。 频率给定通过端子高速脉冲输入来设 定。CHF系列变频器标准配置提供1路高速 功能码 名称 设定范围 脉冲输入(HDI)。 P3.02 B频率指令选择 0~2【0】 脉冲电压:15~30V、脉冲频率:0.0~ P3.03 50.0kHz。 脉 冲 输 入 设定 的 100.0% 对 应 最 大 频 B频率指令参考 对象选择 0~2【1】 P3.02: 率,-100.0%对应反向的最大频率。 0:模拟量AI1设定 注意:脉冲设定只能从多功能端子HDI 1:模拟量AI2设定 输 入 。 并 设 定 HDI 为 高 速 脉 冲 输 入 2:高速脉冲设定(HDI) (P5.00=0),HDI功能选择为“设定输入” B频率指令在作为独立的频率给定通 (P5.19=0)。 道(即设定源选择B通道)时,其用法与A 4:简易PLC程序设定 频率指令相同。 .51. 第 6 章 详细功能说明 当B频率指令做叠加给定(即频率源选 频率。 择为A+B)时有如下特殊之处: 0:有效,且变频器掉电存储。可设定 P3.03: 频率指令,且在变频器掉电后,存储该设 0:最大输出频率 定频率值,下次上电时,自动与当前的设 B频率指令输入设定的100%对应为最 定频率进行组合。 大频率。 1:有效,且变频器掉电不存储。可设 1:A频率指令 定频率指令,只是在变频器掉电后,该设 B频率指令输入设定的100%对应为A频 定频率值不存储。 率指令通道设定值。 2:无效,键盘的“∧”和“∨”及端 注意:模拟量AI2可支持0~10V或 0~ 子UP/DOWN功能设定的频率值自动清零,键 20mA 输入,当选择0~20mA 输入时20mA对 盘的“∧”和“∨”及端子UP/DOWN功能无 应的电压为5V。 效。 功能码 P3.04 名称 设定源组合 方式 3:运行时设置“∧”和“∨”及端子 设定范围 UP/DOWN功能设定有效,停机时键盘的“∧” 0~2【0】 和“∨”及端子UP/DOWN设定自动清零。 注意:当用户对变频器功能参数进行 0:A 恢复缺省值操作后,键盘及端子UP/DOWN功 1:B 能设定的频率值自动清零。 2:A+B 3:Max(A,B):表示如果A频率指令 大于B频率指令,则以A频率指令为设定频 功能码 名称 P3.06 寸动运行频率 率。反之,以B频率指令为设定频率。 通过该参数选择频率给定通道。 P3.07 (0、1、2)组合方式可通过端子功能 (P5组)进行切换。 P3.08 功能码 P3.05 名称 键盘及端子 UP/DOWN设定 设定范围 设定范围 0.00~P0.04 【5.00Hz】 寸动运行加速 0.1~3600.0s 时间 【机型确定】 寸动运行减速 0.1~3600.0s 时间 【机型确定】 定义寸动运行时频率和加/减速时间。 0~3【0】 寸动运行过程按照直接起动方式和减速停 机方式进行起停操作。 CHF可以通过键盘的“∧”和“∨”以 寸动加速时间指变频器从0Hz加速到 及端子UP/DOWN(频率设定递增/频率)功 最大输出频率(P0.04)所需时间。 能来设定频率,其权限最高,可以和其它 寸动减速时间指变频器从最大输出频 任何频率设定通道进行组合。主要是完成 率(P0.04)减速到0Hz所需时间。 在控制系统调试过程中微调变频器的设定 .52. 第 6 章 详细功能说明 功能码 名称 P3.09 跳跃频率1 P3.10 跳跃频率2 P3.11 提示:参数初始化后,电机运行方向 设定范围 0.00~P0.04 会恢复原来的状态。对于系统调试好后严 【0.00Hz】 禁更改电机转向的场合慎用。 0.00~P0.04 2:禁止反转运行。禁止变频器反向运 【0.00Hz】 行,适合应用在特定的禁止反转运行的场 跳跃频率幅 0.00~P0.04 合。 度 【0.00Hz】 当设定频率在跳跃频率范围内时,实 际运行频率将会运行在跳跃频率边界。 功能码 名称 设定范围 P4.01 PWM类型选择 0~1【0】 提供固定和随机两种PWM类型选择。 通过设置跳跃频率,使变频器避开负 0:固定PWM的电机噪声频率固定。 载的机械共振点。本变频器可设置两个跳 1:随机PWM可以有效的抑制电机噪声, 跃频率点。若将两个跳跃频率均设为0则此 但会引起谐波增大。 功能不起作用。 功能码 名称 设定范围 P4.02 载频调整选择 0~1【0】 设定频率f 0:载频不随温度调整:载波频率固定 1/2*跳 跃 幅 度 跳跃频率2 为P0.11设定值。 1/2*跳 跃 幅 度 1:载频随温度调整:温升增大,变频 1/2*跳 跃 幅 度 跳跃频率1 器自动降低载波频率;温升减小,载波频 1/2*跳 跃 幅 度 率升高。使用此功能可以有效防止过热故 时间t 图 6-7 障的频繁报警。 跳跃频率示意图 P4 组 辅助运行功能组 功能码 名称 设定范围 P4.03 AVR功能选择 0~2【1】 功能码 名称 设定范围 0:无效 P4.00 运行方向选择 0~2【0】 1:全程有效 2:只在减速时无效 0:默认方向运行。变频器上电后,按 当AVR功能无效时,输出电压会随输入 照实际的方向运行。 1:相反方向运行。通过更改该功能码 电压(或直流母线电压)的变化而变化; 可以在不改变其它任何参数的情况下改变 当AVR功能有效时,输出电压不随输入电压 电机的转向,其作用相当于通过调整电机 (或直流母线电压)的变化而变化,输出 线(U、V、W)任意两条线实现电机旋转方 电压在输出能力范围内将保持基本恒定。 向的转换。 .53. 第 6 章 详细功能说明 功能码 P4.04 名称 P4.07~ P4.12六个参数定义多段V/F 设定范围 曲线。 V/F转差补偿限 0.00~200.0% 定 V/F曲线的设定值通常根据电机的负 【0.00%】 载特性来设定。 此参数可以补偿V/F控制时因为带负 注意:V1<V2<V3,f1<f2<f3。低 载产生的电机转速变化,以提高电机机械 频电压设定过高可能会造成电机过热甚至 特性的硬度,100.0%对应电机的额定转差 烧毁,变频器可能会过流失速或过电流保 频率。 护。 功能码 名称 设定范围 P4.05 节能运行选择 0~1【0】 输出电压 V3 0:不动作 V2 1:自动节能运行 电 机在 空载 或轻 载 过程 中恒 速运 行 V1 时,变频器通过检测负载电流,调整输出 f1 f2 输 出 频 率 Hz f3 电压,达到自动节能的目的。 图 6-8 提示:该功能对风机、泵类负载尤其 有效。 功能码 P4.06 P5 组 输入端子组 名称 设定范围 转矩提升截 0.0%~50.0% 止点 【20.0%】 CHF系列变频器有5个多功能数字输入 端子(其中HDI可以用作高速脉冲输入端 子),2个模拟量输入端子。 功能说明参考P0.10。 功能码 名称 P4.07 V/F频率点1 P4.08 V/F电压点1 P4.09 V/F频率点2 P4.10 V/F电压点2 P4.11 V/F频率点3 P4.12 V/F 曲线设定示意图 V/F电压点3 功能码 设定范围 P5.00 0.00~P4.09 【5.00Hz】 名称 HDI输入类 型选择 设定范围 0~1【0】 0:HDI为高速脉冲输入 0.0%~100.0% 1:HDI为开关量输入 【10.0%】 P4.07~P4.11 功能码 【30.00Hz】 名称 设定范围 P5.01 S1端子功能选择 0~39【1】 【60.0%】 P5.02 S2端子功能选择 0~39【4】 P4.09~P2.01 P5.03 S3端子功能选择 0~39【7】 P5.04 S4端子功能选择 0~39【0】 HDI 端子开关量 0~39【0】 输入功能选择 0.0%~100.0% 【50.00Hz】 0.0%~100.0% P5.05 【100.0%】 .54. 第 6 章 详细功能说明 此组参数用于设定数字多功能输入端 端子修改给定频率,UP 为递增指令、DOWN 子对应的功能。 为递减指令,频率增减设定清零则用来清 0:无功能 除通过 UP/DOWN 设定的频率值,使给定频 1:正转运行(FWD) 率恢复到由频率指令通道给定的频率。 2:反转运行(REV) 13:A 设定与 B 设定切换 当运行指令通道为端子控制时,变频 14:A 设定与 A+B 设定切换 器的运行命令由上述端子功能给定. 15:B 设定与 A+B 设定切换 3、 :三线式运行控制 以上三个功能主要实现频率设定通道 三线控制输入端子,具体参见 P5.07 的切换,如当前为 A 通道给定频率,通过 三线制功能码介绍 13 号功能,可切换到 B 通道,使用 14 号功 4:正转寸动 能,可切换到 A+B 通道,15 号功能无效, 5:反转寸动 其它逻辑与此相同。 具体寸动频率和加减速时间参见 16、17、18、19:多段速端子 1~4 P3.06~P3.08 的说明。 通过此四个端子的状态组合,可实现 6:自由停车 16 段速的设定。 命令有效后,变频器立即封锁输出, 注意:多段速端子 1 为低位,多段速 电机停车过程不受变频器控制,对于大惯 端子 4 为高位。 量负载且对停车时间没有要求时,建议采 多段速4 多段速3 多段速2 多段速1 用该方式,该方式和 P1.08 所述自由停车 BIT3 含义相同。 BIT2 BIT1 BIT0 7:故障复位 20:多段速暂停 外部故障复位功能,用于远距离故障 屏蔽多段速选择端子功能,使设定值 复位,与键盘上的 STOP/RST 键功能相同。 维持在当前状态。 8:运行暂停 21、22:加减速时间选择端子 1、2 变频器减速停车,但所有运行参数均 通过此两个端子的状态组合来选择 4 为记忆状态。如 PLC 参数、摆频参数、PID 组加减速时间: 参数。此信号消失后,变频器恢复运行到 端子2 端子1 加/减速时间选择 对应参数 停车前状态。 9:外部故障输入 OFF OFF 加减速时间0 P0.11 P0.12 OFF ON 加减速时间1 P8.00 P8.01 ON OFF 加减速时间2 P8.02 P8.03 ON ON 加减速时间3 P8.04 P8.05 该 信号 有效 后, 变 频器 报外 部故 障 (EF)并停机。 10:频率设定递增(UP) 11:频率设定递减(DOWN) 12:频率增减设定清零 以上三个功能主要用来实现利用外部 23:简易 PLC 复位 .55. 第 6 章 详细功能说明 重新开始简易 PLC 过程,清除以前的 间。在干扰大的情况下,应增大该参数, PLC 状态记忆信息。 以防止误操作。 24:简易 PLC 暂停 功能码 PLC 在执行过程中程序暂停,以当前速 度段一直运行,功能撤销后,简易 PLC 继 名称 端子控制 P5.07 0~3【0】 运行模式 续运行。 25:PID 控制暂停 设定范围 该参数定义了通过外部端子控制变频 PID 暂时失效,变频器维持当前频率输 器运行的四种不同方式。 出 0:两线式控制,使能与方向合一。此 26:摆频暂停 变频器暂停在当前输出,功能撤销后, 模式为 最常使用的两线 模式。由定义的 继续以当前频率开始摆频运行。 FWD、REV端子命令来决定电机的正、反转。 27:摆频复位 变频器设定频率回到中心频率 28:计数器复位 运行命令 K1 K2 OFF OFF 停 止 ON OFF 正转运行 OFF ON 反转运行 ON ON FW D K1 进行计数器状态清零。 CHV REV 29:长度复位 K2 长度计数值清零 COM 30:加减速禁止 保证变频器不受外来信号影响(停机 图 6-9 命令除外),维持当前输出频率。 停 止 两线式控制(使能与方向合一) 1:两线式控制,使能与方向分离。用 31:计数器触发 此模式时定义的FWD为使能端子。方向由定 内置计数器的计数脉冲输入口,最高频 率:200Hz。 义的REV的状态来确定。 32:频率增减设定暂时清零 当端子闭合时,可清除UP/DOWN设定的 运行命令 K1 K2 O FF O FF 停 止 ON O FF 正转运行 O FF ON 停 止 ON ON 反转运行 FW D K1 频率值,使各定频率恢复到由频率指令通 REV 道给定的频率,当端子断开时重新回到频 K2 CH V 率增减设定后的频率值。 COM 33~39:保留 功能码 P5.06 名称 开关量滤 波次数 设定范围 图 6-10 两线式控制(使能与方向分离) 0~10【5】 2:三线式控制1。此模式SIn为使能端 子,运行命令由FWD产生,方向由REV控制。 设置S1~S4,HDI端子采样的滤波时 SIn为常闭输入。 .56. 第 6 章 详细功能说明 子控制时的有效 STOP/RST 停机(见P7.04)。 SB 1 FW D K 运行命令 功能码 SB 2 S In CHV REV O FF 正转运行 ON 反转运行 P5.08 K COM 名称 端子UP/DOWN频 0.01~50.00Hz/s 率增量变化率 【0.50Hz/s】 利用端子UP/DOWN功能调整设定频率 时的变化率。 图 6-11 三线式控制模式 1 功能码 其中:K:正反转开关 设定范围 名称 设定范围 AI1下限值 0.00~10.00V 【0.00V】 SB1:运行按钮 P5.09 SB2:停机按钮 SIn为设置为3号功能“三线式运转控 P5.10 制”的多功能输入端子。 3:三线式控制2。此模式SIn为使能端 P5.11 AI1下限对应 -100.0~100.0 设定 【0.0%】 AI1上限值 0.00~10.00V 【10.00V】 子,运行命令由SB1或者SB3产生,并且两 者同时控制运行方向。停机命令由常闭输 P5.12 AI1上限对应 -100.0~100.0 设定 【100.0%】 P5.13 AI1输入滤波 时间 入的SB2产生。 0.00~10.00s 【0.10s】 SB 1 FW D 上述功能码定义了模拟输入电压与模 SB 2 S In 拟输入对应的设定值之间的关系,当模拟 CH V SB 3 REV 输入电压超过设定的最大输入或最小输入 COM 的范围,以外部分将以最大输入或最小输 入计算。 图 6-12 三线式控制模式 2 其中:SB1:正转运行按钮 模拟输入AI1只能提供电压输入,其范 SB2:停机按钮 围为0V~10V电压。 SB3:反转运行按钮 在不同的应用场合,模拟设定的 提示 :对于 两线式制 运转模 式,当 100.0%所对应的标称值有所不同,具体请 FWD/REV端子有效时,由其它来源产生停机命 参考各个应用部分的说明。 令而使变频器停机时,即使控制端子 FWD/REV 以 下几 个图 例说 明 了几 种设 定的 情 仍然保持有效,在停机命令消失后变频器也不 会运行。如果要使变频器运行,需再次触发 况:注意:AI1的下限值一定要小于或等于 FWD/REV。例如PLC单循环停机、定长停机、端 AI1的上限值。 .57. 第 6 章 详细功能说明 1:计数器输入。计数脉冲的输入。 对应设定 2:长度计数器输入。长度计数脉冲的 频 率 、 PID给 定 、 PID反 馈 100.0% 输入 10V 0V ( 0mA) AI 功能码 名称 设定范围 P5.20 HDI下限频率 50.000kHz ( 20mA) 0.000~ -100.0% 【0.000kHz】 图 6-13 模拟给定与设定量的对应关系 P5.21 AI1输入滤波时间:调整模拟量输入的 HDI下限频率 -100.0~100.0 对应设定 0.000~ 灵敏度。适当增大该值可以增强模拟量的 P5.22 HDI上限频率 抗干扰性,但会减弱模拟量输入的灵敏度。 功能码 名称 P5.14 AI2下限值 P5.15 P5.16 P5.17 P5.18 AI2上限值 50.000kHz 【50.000kHz】 设定范围 P5.23 HDI上限频率 -100.0~100.0 0.00~10.00V 对应设定 【100.0%】 【0.00V】 HDI频率输入 0.00~10.00s 滤波时间 【0.10s】 P5.24 AI2下限对应 -100.0~100.0 设定 【0.0%】 【0.0%】 此组功能码定义了当用HDI脉冲作为 0.00~10.00V 设定输入方式时的对应关系。该组功能与 【10.00V】 AI1和AI2的功能类似。 AI2上限对应 -100.0~100.0 设定 【100.0%】 AI2输入滤波 0.00~10.00s 时间 【0.10s】 P6 组 输出端子组 CHF系列变频器标准单元有1个多功能 数字量输出端子,2个多功能继电器输出端 AI2功能与AI1的设定方法类似。模拟 子,1个HDO端子(可作为高速脉冲输出, 量AI2可支持0~10V/0~20mA输入,当AI2 也可作为开路集电极输出),1个多功能模 选择0~20mA输入时20mA对应的电压为5V。 功能码 P5.19 名称 HDI高速脉冲输 入功能选择 拟量输出端子。 设定范围 0~2【0】 功能码 名称 设定范围 P6.00 HDO输出选择 0~1【0】 HDO端子是可编程的复用端子。 P5.19定义高速脉冲输入的功能如下: 0:开路集电极高速脉冲输出:脉冲最 0:设定输入。该高速脉冲可以作为频 高频率为50.0kHz。相关功能见P6.05。 率、转矩、PID给定、PID反馈等的输入。 1:开 路集电 极输出: 相关功 能见 设定的对应关系由功能码P5.20~ P5.24 P6.01。 确定。 .58. 第 6 章 详细功能说明 功能码 P6.01 P6.02 P6.03 名称 HDO开路集电 极输出选择 继电器1输出 选择 继电器2输出 选择 的脉冲信号。 设定范围 12:简易PLC循环完成,当简易PLC运 0~25【1】 行完成一个循环后输出一个宽度为 500ms 的脉冲信号。 0~25【4】 13:运行时间到达,变频器累计运行 时间超过P8.20所设定时间时,输出ON信 0~25【0】 号。 14:上限频率到达,运行频率到达上 集电极开路输出功能见下表: 限频率时,输出ON信号。 0:无输出 15:下限频率到达,运行频率到达下 1:变频器运行中,变频器有输出时, 限频率时,输出ON信号。 输出ON信号。 16:运行准备就绪,主回路和控制回 2:变频器正转运行,表示变频器正转 路电源建立,变频器保护功能不动作,变 运行,有输出频率。此时输出ON信号。 频器处于可运行状态时,输出ON信号。 3:变频器反转运行,表示变频器反转 17:辅助电机1起动 运行,有输出频率。此时输出ON信号。 18:辅助电机2起动 4:故障输出,当变频器发生故障时, 在一拖三的简易供水中,对两个辅助 输出ON信号。 泵的控制。详细说明请参考功能码P8.25、 5:频率水平检测FDT到达,请参考功 P8.26、P8.27的说明 能码P8.21、P8.22的详细说明。 19~25:保留 6:频率到达,请参考功能码P8.23的 注意:仅仅4KW(含)以上才有继电器2输 详细说明。 出 7:零速运行中,变频器输出频率和设 定频率均为零时,输出ON信号。 8:设定记数脉冲值到达,当计数值达 功能码 名称 设定范围 P6.04 AO输出选择 0~12【0】 P6.05 电极高速脉 到P8.18设定的值时,输出ON信号。 HDO开路集 9:指定记数脉冲值到达,当计数值达 0~12【0】 冲输出选择 到P8.19设定的值时,输出ON信号。计数功 能参考F8组功能说明 模拟输出的标准输出为0~20mA(或 10:长度到达,当检测的实际长度超 0~10V),可通过跳线J15选择电流/电压 过P8.12所设定的长度时,输出ON信号。 输出。HDO开路集电极高速脉冲输出范围为 0kHz到50.0kHz的设定。 11:简易PLC阶段完成,当简易PLC运 其 表示 的相 对应 量 的范 围如 下表 所 行完成一个阶段后输出一个宽度为 500ms 示: .59. 第 6 章 详细功能说明 设定值 功 能 范 模拟输出为电流输出时,1mA电流相当 围 0 运行频率 0~最大输出频率 1 设定频率 0~最大输出频率 2 电机转速 0~2倍电机额定转速 3 输出电流 0~2倍变频器额定电流 4 输出电压 0~1.5倍变频器额定电 压 5 输出功率 0~2倍额定功率 6 输出转矩 0~2倍电机额定电流 于0.5V电压。 在不同的应用场合,输出值的100%所 对应的模拟输出量有所不同,具体请参考 7 8 9 各个应用部分的说明。 以 下几 个图 例说 明 了几 种设 定的 情 况: AO 1 0 V (20mA) 模 拟 量 AI1 0~10V 输入 模 拟 量 AI2 0~10V/0~20mA 输入 高 速 脉 冲 0.1Hz~50.000kHz HDI输入 10 长度 0~设定长度(P8.12) 11 计数值 0~设定计数值(P8.18) 12 保留 功能码 P6.06 P6.07 P6.08 P6.09 0.0% 图 6-14 给定量与模拟量输出的对应关系 保留 名称 AO输出下限 功能码 名称 P6.10 HDO输出下限 P6.11 设定范围 AO输出上限 P6.12 【0.0%】 P6.13 【0.00V】 -100.0~100.0 HDO输出 HDO输出上限 HDO上限对应 HDO输出 设定范围 -100.0~100.0 【0.0%】 0.000~ 50.000kHz 【0.000kHz】 -100.0~100.0 【100.0%】 0.000~ 50.000kHz 【50.000kHz】 其输出的对应关系与AO1相似。 【100.0%】 50.0kHz 上限对应AO输 0.00~10.00V 出 HDO下限对应 -100.0~100.0 下限对应AO输 0.00~10.00V 出 100.0% 【10.00V】 上述功能码定义了输出值与模拟输出 对应的输出值之间的关系,当输出值超过 对应设定(%) 0.0% 设定的最大输出或最小输出的范围,以外 100.0% 图 6-15 给定量与高速脉冲量输出的对应关系 部分将以最大输出或最小输出计算。 .60. 第 6 章 详细功能说明 P7 组 人机界面组 2:清除UP/DOWN设定。按键QUICK/JOG 对UP/DOWN的设定值进行清除。 功能码 名称 设定范围 P7.00 用户密码 0~65535【0】 3:根据厂家提供的快捷菜单进行调 试。 设定为任意一个非零的数字,密码保 4:按 QUICK/JOG键查找用户最近访问 护功能生效。 并修改的参数。 00000:清除以前设置用户密码值,并 5:按 QUICK/JOG键查找当前区别于出 使密码保护功能无效,恢复出厂值也能清 厂值的参数。 除密码。 3~5的功能描述,详见5.4.2。 当用户密码设置并生效后,如果用户 功能码 密码不正确,用户将不能进入参数菜单, 只有输入正确的用户密码,用户才能查看 P7.04 参数,并修改参数。请牢记所设置的用户 密码。 名称 设定范围 STOP/RST 0~3【0】 键停机功能选择 该功能码定义了 STOP/RST 停机功能 退出功能码编辑状态,密码保护将在1 有效的选择。 分钟后生效,当密码生效后若按PRG/ESC键 0:只对面板控制有效 进入功能码编辑状态时,将显示 1:对面板和端子控制同时有效 “0.0.0.0.0.”,操作者必须正确输入用 2:对面板和通讯控制同时有效 户密码,否则无法进入。 3:对所有控制模式均有效 功能码 名称 设定范围 P7.01 保留 0~1【0】 P7.02 保留 0~1【0】 P7.03 QUICK/JOG 功能选择 对于故障复位,STOP/RST 键任何状况 下都有效。 功能码 名称 P7.05 键停机功能 设定范围 STOP/RST 0~5【0】 0~3【0】 选择 QUICK/JOG多功能键。可通过参数设置 0:外引键盘优先使能 定义键盘QUICK/JOG 的功能。 1:本机、外引键盘同时显示,只有外 0:寸动运行。按键 QUICK/JOG 实现寸 引按键有效。 动运行。 2:本机、外引键盘同时显示,只有本 1:正转反转切换。按键 QUICK/JOG 实 机按键有效。 现切换频率指令的方向。仅在键盘控制时 3:本机、外引键盘同时显示且按键均 有效。 有效(两者为或的逻辑关系)。 .61. 第 6 章 详细功能说明 BIT9 注意:3号功能谨慎使用。误操作可能 名称 示的参数选 择1 保留 保留 保留 保留 BIT3 BIT2 BIT1 BIT0 BIT5 BIT4 运行时 过载百 间 0~0xFFFF 电机过 高速脉 【0x07FF】 载百分 冲HDI 比 运行状态显 P7.07 BIT6 设定范围 运行状态显 P7.06 BIT7 变频器 变频器 造成严重后果。 功能码 BIT8 示的参数选 择2 分比 模拟量 模拟量 AI2值 AI1值 频率 0~0xFFFF 【0x0000】 功能码 设定范围 0~0xFFFF 的参数选择 【0x07FF】 P7.08 名称 停机状态显示 CHF系列变频器在运行状态下,参数显 示受该功能码作用,16位的二进制数,如 该功能的设置与P7.06的设置相同。只 果某一位为1,则该位对应的参数就可在运 是CHF系列变频器处于停机状态时,参数的 行时,通过》/SHIFT键查看。如该位为0, 显示受该功能码作用。 则该位对应的参数将不会显示。设置功能 停机状态显示内容如下表: 码时,要将二进制转换成十六进制再输入 该功能码。 P7.06表示的显示内容如下表 BIT15 BIT14 BIT13 BIT12 BIT11 BIT10 保留 保留 保留 保留 保留 保留 BIT9 BIT8 BIT7 BIT6 BIT5 BIT4 BIT15 BIT14 BIT13 BIT12 BIT11 BIT10 多段速 高速脉 PLC多 当前段 冲HDI 输出端 输入端 PLC多 段速当 计数值长度值 前段数 子 状态 BIT9 BIT8 BIT7 PID 输出 输出 给定值 转矩 功率 BIT6 线速度 BIT3 BIT2 BIT1 BIT0 输出 母线 设定 运行 电压 电压 频率 频率 子 段速当 状态 前段数 数 频率 BIT3 BIT2 模拟量 模拟量 PID反馈 PID给定 AI2值 AI1值 BIT1 BIT5 BIT4 运行 输出 子状态 子状态 转速 电流 功能码 P7.09 输入/输出端子状态用10进制显示,S1 值 BIT0 输出端 输入端 母线电 设定频 压 值 率 名称 设定范围 转速显示系 0.1~999.9% 数 【100.0%】 机械转速=120* 运行频率*P7.09/ 电 (HDO)对应最低位,例如:输入状态显示 机极数,本功能码用于校正转速刻度显示 3,则表示端子S1、S2闭合,其它端子断开。 误差,对实际转速没有影响。 详情请查看P7.21、P7.22的说明。 功能码 P7.07低8位表示的显示内容如下表: BIT15 BIT14 BIT13 BIT12 BIT11 BIT10 保留 保留 保留 保留 保留 P7.10 保留 .62. 名称 设定范围 线速度显示 0.1~999.9% 系数 【1.0%】 第 6 章 详细功能说明 线速度=机械转速*P7.09,本功能码 功能码 用于校正线速度刻度显示误差。 功能码 名称 设定范围 P7.11 整流模块温度 0~100.0℃ P7.12 逆变模块温度 0~100.0℃ P7.13 软件版本 P7.14 本机累积运行 时间 名称 设定范围 当前故障输 P7.21 入端子状态 当前故障输 P7.22 出端子状态 当 前故 障输 入端 子 状态 为10 进 制数 字。显示最近一次故障时所有数字输入端 0~65535h 子的状态,顺序为: 这些功能码只能查看,不能修改。 整流模块温度:表示整流模块的温度, BIT4 BIT3 BIT2 BIT1 BIT0 HDI S4 S3 S2 S1 当时输入端子为ON,其对应位为1,OFF 不同机型的整流模块过温保护值可能有所 则为0。通过此值可以了解故障时数字输入 不同。 信号的状态。 逆变模块温度:显示逆变模块IGBT的 当 前故 障输 出端 子 状态 为10 进 制数 温度,不同机型的逆变模块IGBT过温保护 字。显示最近一次故障时所有数字输出端 值可能有所不同。 子的状态,顺序为: 软件版本:软件版本号。 本机累积运行时间:显示到目前为至 BIT3 变频器的累计运行时间。 BIT2 R02 BIT1 R01 BIT0 HD0 当时输出端子为ON,其对应位为1,OFF 功能码 名称 设定范围 P7.15 前两次故障类型 0~23 则为0。通过此值可以了解故障时数字输出 P7.16 前一次故障类型 0~23 信号的状态。 P7.17 当前故障类型 0~23 P8 组 增强功能组 记录变频器最近的三次故障类型:0 为无故障,1~23为不同的23种故障。详细 功能码 名称 见故障分析。 P8.00 加速时间1 P8.01 减速时间1 0.1~3600.0s P8.02 加速时间2 【机型确定】 P8.03 减速时间2 P8.04 加速时间3 P8.05 减速时间3 功能码 P7.18 P7.19 P7.20 名称 当前故障运 行频率 当前故障输 出电流 当前故障母 线电压 设定范围 0~23 0~23 0~23 .63. 设定范围 0.1~3600.0s 【机型确定】 0.1~3600.0s 【机型确定】 0.1~3600.0s 【机型确定】 0.1~3600.0s 【机型确定】 第 6 章 详细功能说明 加减速时间能在P0.07和P0.08及上述 突 跳频 率 = 摆幅 AW× 突 跳频 率幅 度 三组加减速时间之间选择。其含义均相同, P8.07。即摆频运行时,突跳频率相对摆幅 具体请参阅P0.07和P0.08相关说明。 的值。 可以通过多功能数字输入端子的不同 摆频上升时间: 从摆频的最低点运行到 组合来选择变频器运行过程中的加减速时 最高点所用的时间。 间0~3。 摆频下降时间:从摆频的最高点运行到 功能码 名称 P8.06 摆频幅度 P8.07 突跳频率幅度 P8.08 摆频上升时间 P8.09 最低点所用的时间。 设定范围 摆频下降时间 功能码 0.0~100.0% 【0.0%】 P8.10 0.0~50.0% 【0.0%】 P8.11 0.1~3600.0s 【5.0s】 名称 设定范围 故障自动复位 0~3【0】 次数 故障自动复位 0.1~100.0s 间隔时间设置 【1.0s】 故障自动复位次数:当变频器选择故 0.1~3600.0s 障自动复位时,用来设定可自动复位的次 【5.0s】 数。超过此值变频器故障待机,等待修复。 摆频功能适用于纺织、化纤等行业及 故障自动复位间隔时间设置:选择从 需要横动、卷绕功能的场合。 故障发 生到自动复位动 作之间的时间间 隔。 摆频功能是指变频器输出频率以设定 频率为中心进行上下摆动,运行频率在时 间轴的轨迹如下图所示,其中摆动幅度由 P8.06设定,当P8.06设为0时,即摆幅为0, 摆频不起作用。 功能码 名称 设定范围 P8.12 设定长度 0~65535m【0】 P8.13 实际长度 0~65535m【0】 P8.14 轴每转脉冲数 1~10000【1】 输出频率f 摆频上限 频率 突跳幅度 P8.15 轴周长 P8.16 长度倍数 P8.17 长度校正系数 摆频幅度 0.01~100.00 【10.00cm】 中心频率 按减速时间减速 摆频下限 频率 按加速时间加速 摆频下降时间 【1.000】 摆频上升时间 时间t 图 6-16 0.001~10.000 摆频运行示意图 摆频幅度:摆频运行频率受上、下限频 0.001~10.000 【1.000】 该组功能用于实现定长停机功能。 率约束。 变频器从端子HDI输入计数脉冲,根据 摆幅相对于中心频率:摆幅AW=中心 测速轴每转的脉冲数(P8.14)和轴周长 频率×摆幅幅度P8.06。 (P8.15)得到计算长度。 .64. 第 6 章 详细功能说明 计算长度=(计数脉冲数 /每转脉冲 值P8.18。 数 ) × 测 量 轴 周 长, 并 通 过 长 度 倍率 此功能如图示: (P8.16)和长度校正系数(P8.17)对计 HDI 算长度进行修正,得到实际长度。 实际长度=(计算长度×长度倍率)/ 长度校正系数 HDO、RO1、RO2 设定计数 到达输出 HDO、RO1、RO2 指定计数 到达输出 当 实 际 长 度 ( P8.13 ) ≥ 设 定 长 度 图 6-17 设定计数值和指定计数值示意图 (P8.12)后,变频器自动发出停机指令停 机。再次运行前需将实际长度(P8.15)清 功能码 零或 修改实 际长度( P8.13)< 设定 长度 P8.20 (P8.12),否则无法起动。 功能码 P8.18 P8.19 名称 设定计数值 指定计数值 设定范围 名称 设定范围 设定运行时 0~65535h 间 【65535h】 预设定变频器的运行时间。 P8.19~65535 当 累计 运行 时间 到 达此 设定 运行 时 【0】 间,变频器多功能数字输出端子输出运行 0~P8.19【0】 时间到达信号。 计数值通过多功能开关量输入端子中 功能码 的计数器输入端子输入脉冲信号计数。 P8.21 当计数值到达设定计数值时,开关量 输出端子输出设定计数值到达的信号。计 P8.22 数器清零,并在下一个脉冲到来,继续进 行记数。 名称 设定范围 FDT电平检 0.00~P0.04 测值 【50.00Hz】 FDT滞后检 0.0~100.0 测值 【5.0%】 设定输出频率的检测值和输出动作解 设定计数值是指从脉冲输入端子(需 除的滞后值。如下图: 要选择计数触发信号输入功能)输入多少 输出频率f 脉冲时,HDO、RO1或RO2输出一个指示信号。 FDT电 平 FDT滞 后 指定计数值是指从脉冲输入端口(需 要选择计数触发信号输入功能)输入多少 个脉冲时,HDO、RO1或RO2输出一个指示信 时间t 频率检测信号 ( HDO,RO1,RO2) 号,直到设定计数值到达为止。到达“设 定计数值”后,计数器清零,并在下一个 脉冲到来时,重新进行记数。 时间t 指定计数值P8.19不应大于设定计数 图 6-18 .65. FDT 电平示意图 第 6 章 详细功能说明 功能码 P8.23 名称 设定范围 频率到达检 0.0~100.0% 出幅度 【0.0%】 电机转矩 有下垂控制 额定转矩 无下垂控制 变频器的的输出频率达到设定频率值 时,此功能可调整其检测幅值。如下图示: 同步转速 0 输出频率f 电机转速 检 出 幅 度 ( P8.23) 设定频率 时间t 频率检测信号 ( HDO,RO1,RO2) 图 6-20 下垂控制电机特性示意图 此参数调整速度下垂的变频器的频率 时间t 变化量。 图 6-19 频率到达检出幅值示意图 功能码 P8.24 名称 下垂控制 功能码 设定范围 0.00~10.00Hz P8.25 【0.00Hz】 P8.26 当多台变频器驱动同一负载时,如因 速度不同造成负荷分配不均衡,使速度较 P8.27 大的变频器承受较重负载。下垂控制特性 名称 辅助电机有 效选择 设定范围 0~3【0】 辅助电机1起 0.0~3600.0s 停延迟时间 【5.0s】 辅助电机2起 0.0~3600.0s 停延迟时间 【5.0s】 为随着负载增加使速度下垂变化。可以达 P8.25: 到功率均匀分配。调试时可由小到大逐渐 调整此参数,负载与输出频率的关系如下 0:没有辅助电机 图所示: 1:辅助电机1有效 2:辅助电机2有效 3:辅助电机1、2都有效上述三个功能 码是完成一拖三简易供水功能。一台变频 泵,两台工频泵(辅助泵)完成的恒压供 水的简易系统。相关逻辑如下图所示: .66. 第 6 章 详细功能说明 电流振荡现象,导致电机运行不正常,严 变频电机 输出频率 重的会让变频器过流。P8.30=0时将使能抑 等于上限频 率 ? 否 是 等于下限频 率 ? 制振荡功能,变频器会按照Pd.00~Pd.03 功能组的参数对电机出现的电流振荡进行 是 辅助电机起动 延迟计时开始 起动延迟时 间到? 辅助电机停止 延迟计时开始 否 否 否 抑制。 停止延迟时 间到? 结 束 是 功能码 名称 设定范围 P8.31 PWM模式选择 0~2【0】 是 依次直接起动 辅助电机1、2 依次停止辅助 电 机 2、 1 0:PWM模式1,该模式为正常的PWM模 式,低频时电机噪音较小,高频时电机噪 图 6-21 简易供水功能逻辑示意图 功能码 名称 P8.28 制动阀值电压 音较大。 1:PWM模式2,电机在该模式运行噪 设定范围 115.0~140.0% 音较小,但温升较高,如选择此功能变频 【机型确定】 器需降额使用。 2:PWM模式3,电机在该模式运行电 380V机型出厂值:115.0~140.0% 机噪音较大,但对电机振荡有较好的抑制 220V机型出厂值:115.0~140.0% 作用。 该功能码是设置能耗制动的起始母线 P9 组 PID 控制组 电压,其中100%对应为标准母线电压,适 当调整该值可有效对负载进行制动。 功能码 P8.29 名称 冷却散热风 扇运行模式 PID控制是用于过程控制的一种常用方 法,通过对被控量的反馈信号与目标量信号的 设定范围 差量进行比例、积分、微分运算,来调整变频 0~1【0】 器的输出频率,构成负反馈系统,使被控量稳 定在目标量上。适用于流量控制、压力控制及 0:自动停止方式,变频器运行中风 温度控制等过程控制。控制基本原理框图如 扇一直运转,停机时,根据模块温度状况 下: 决定风扇的运转与停止。 1:通电中风扇一直运转。 给定量 + (百分数) PID控制 设定 频率 控制算法 输出 频率 M - (百分数) 功能码 名称 设定范围 P8.30 抑制振荡 0~1【1】 滤波器 F 0:抑制振荡有效; 反馈量 图 6-22 过程 PID 原理框图 1:抑制振荡无效。 功能码 抑制振荡功能是针对VF控制而言的, P9.00 普通电机在空载或轻载运行时经常会出现 .67. 名称 PID给定源 选择 设定范围 0~5【0】 P 第 6 章 详细功能说明 0:键盘给定(P9.01) 功能码 1:模拟通道AI1给定 P9.03 2:模拟通道AI2给定 3:脉冲频率给定(HDI) 名称 PID输出特性 选择 设定范围 0~1【0】 0:PID输出为正特性,当反馈信号大 4:多段给定 于PID的给定,要求变频器输出频率下降, 5:远程通讯给定 才能使PID达到平衡。如收卷的张力PID控 当频率源选择PID时(P3.01=6),该 制。 组功能起作用。此参数决定过程PID的目标 1:PID输出为负特性,当反馈信号大 量给定通道。 于PID的给定,要求变频器输出频率上升, 过程PID的设定目标量为相对值,设定 才能使PID达到平衡。如放卷的张力PID控 的 100% 对 应 于 被 控 系 统 的 反 馈 信 号 的 制。 100%; 功能码 系统始终按相对值(0~100%)进行运 算的,PID各给定和反馈量都是以100.0%相 P9.04 对于10.0V。 功能码 P9.01 名称 设定范围 键盘预置 0.0~100.0% PID给定 【0.0%】 P9.05 P9.06 选择P9.00=0时,即目标源为键盘给 P9.02 PID反馈源 选择 比例增益 0.00~100.00 (Kp) 【0.10】 积分时间 0.00~100.00s (Ti) 【0.10s】 微分时间 0.00~100.00s (Td) 【0.10s】 的调节强度,P越大,调节强度越大。该参 此参数的基准值为系统的反馈量。 名称 设定范围 比例增益(Kp):决定整个PID调节器 定。需设定此参数。 功能码 名称 数为100表示当PID反馈量和给定量的偏差 设定范围 为100%时,PID调节器对输出频率指令的调 节幅度为最大频率(忽略积分作用和微分 0~4【0】 作用)。 0:模拟通道AI1反馈 积分时间(Ti):决定PID调节器对PID 1:模拟通道AI2反馈 反馈量和给定量的偏差进行积分调节的快 2:AI1+AI2反馈 慢。积分时间是指当PID反馈量和给定量的 3:脉冲频率反馈(HDI) 偏差为100%时,积分调节器(忽略比例作 4:远程通讯反馈 用和微分作用)经过该时间连续调整,调 通过此参数来选择PID反馈通道。 整量达到最大频率(P0.04)。积分时间越短 注意:给定通道和反馈通道不能重合, 调节强度越大。 否则,PID不能有效控制。 微分时间(Td):决定PID调节器对PID .68. 第 6 章 详细功能说明 反馈量和给定量的偏差的变化率进行调节 的效果,直到系统稳定的速度达到要求。 的强度。微分时间是指若反馈量在该时间 微分时间(D):当反馈与给定的偏差 内变化100%,微分调节器的调整量为最大 变化时,输出与偏差变化率成比例的调节 频率(P0.04)(忽略比例作用和积分作用)。 量,该调节量只与偏差变化的方向和大小 微分时间越长调节强度越大。 有关,而与偏差本身的方向和大小无关。 PID是过程控制中最常用的控制方法, 微分调 节的作用是在反 馈信号发生变化 其每一部分所起的作用各不相同,下面对 时,根据变化的趋势进行调节,从而抑制 工作原理简要和调节方法简单介绍: 反馈信号的变化。微分调节器请谨慎使用, 比例调节(P):当反馈与给定出现偏 因为微分调节容易放大系统的干扰,尤其 差时,输出与偏差成比例的调节量,若偏 是变化频率较高的干扰。 差恒定,则调节量也恒定。比例调节可以 功能码 名称 设定范围 P9.07 采样周期(T) 快速响应反馈的变化,但单纯用比例调节 无法做到无差控制。比例增益越大,系统 的调节速度越快,但若过大会出现振荡。 0.01~100.00s 【0.10s】 PID控制偏差 0.00~100.00% P9.08 调节方法为先将积分时间设很长,微分时 极限 【0.0%】 间设为零,单用比例调节使系统运行起来, 采样周期(T):指对反馈量的采样周 改变给定量的大小,观察反馈信号和给定 期,在每个采样周期内调节器运算一次。 量的稳定的偏差(静差),如果静差在给 采样周期越大响应越慢。 定量改变的方向上(例如增加给定量,系 PID控制偏差极限:PID系统输出值相 统稳定后反馈量总小于给定量),则继续 对于闭环给定值允许的最大偏差量,如图 增加比例增益,反之则减小比例增益,重 所示,在偏差极限内,PID调节器停止调节。 复上面的过程,直到静差比较小(很难做 合理设置该功能码可调节 PID系统的精度 到一点静差也没有)就可以了。 和稳定性。 积分时间(I):当反馈与给定出现偏 差时,输出调节量连续累加,如果偏差持 反馈量 续存在,则调节量持续增加,直到没有偏 偏差极限 给定量 差。积分调节器可以有效地消除静差。积 分调节器过强则会出现反复的超调,使系 时 间 统一直不稳定,直到产生振荡。由于积分 输出频率 作用过强引起的振荡的特点是,反馈信号 在给定量的上下摆动,摆幅逐步增大,直 时 间 至振荡。积分时间参数的调节一般由大到 图 6-23 偏差极限与输出频率的对应关系 小调,逐步调节积分时间,观察系统调节 .69. 第 6 章 详细功能说明 功能码 名称 设定范围 0.0~100.0% P9.09 反馈断线检测值 【0.0%】 0.0~3600.0s P9.10 反馈断线检测时间 【1.0s】 PA.28 减速时间 ( 2段 ) PA.04 PA.30 PA.02 PA.32 加速时间 ( 2段 ) 反馈断线检测值:该检测值相对的是 PA.03 满量程(100%),系统一直检测PID的反馈 PA.05 图6-24 PA.06 PA.07 PA.31 PA.33 简易PLC示意图 量,当反馈值小于反馈断线检测值,系统 功能码 开始检测计时。当检测时间超出反馈断线 检测时间,系统将报出PID反馈断线故障 PA.01 (PIDE)。 名称 简易PLC记 忆选择 设定范围 0~1【0】 0:掉电不记忆 PA 组 简易 PLC 及多段速控制组 1:掉电记忆 简易PLC功能是变频器内置一个可编程控 PLC掉电记忆是指记忆掉电前PLC的运 制器(PLC)来完成对多段频率逻辑进行自动 行阶段、运行频率。 控制。可以设定运行时间、运行方向和运行频 功能码 名称 PA.02 多段速0 率,以满足工艺的要求。 本系列变频器可以实现16段速变化控制, 有4种加减速时间供选择。 PA.03 第0段运行时间 PA.04 多段速1 当所设定的PLC完成一个循环后,可由多 功能数字输出端子或多功能继电器输出一个 ON信号。 功能码 PA.00 名称 简易PLC运 行方式 PA.05 设定范围 0~2【0】 0:运行一次后停机。变频器完成一个 第1段运行时间 PA.06 多段速2 PA.07 第2段运行时间 单循环后自动停机,需要再次给出运行命 令才能启动。 PA.08 多段速3 1:运行一次后保持最终值运行。变频 器完成一个单循环后自动保持最后一段的 PA.09 第3段运行时间 PA.10 多段速4 运行频率、方向。 2:循环运行。变频 器完成一个循环 后自动开始进行下一个循环,直到有停机 PA.11 命令时,系统停机。 .70. 第4段运行时间 设定范围 -100.0~100.0% 【0.0%】 0.0~6553.5s 【0.0s】 -100.0~100.0% 【0.0%】 0.0~6553.5s 【0.0s】 -100.0~100.0% 【0.0%】 0.0~6553.5s 【0.0s】 -100.0~100.0% 【0.0%】 0.0~6553.5s 【0.0s】 -100.0~100.0% 【0.0%】 0.0~6553.5s 【0.0s】 第 6 章 详细功能说明 功能码 名称 PA.12 多段速5 PA.13 PA.14 第5段运行时间 多段速6 PA.15 第6段运行时间 PA.16 多段速7 PA.17 第7段运行时间 PA.18 多段速8 PA.19 第8段运行时间 PA.20 PA.21 PA.22 多段速9 第9段运行时间 多段速10 PA.23 第10段运行时间 PA.24 多段速11 PA.25 第11段运行时间 PA.26 多段速12 PA.27 第12段运行时间 PA.28 多段速13 PA.29 第13段运行时间 PA.30 多段速14 设定范围 功能码 -100.0~100.0% 名称 设定范围 0.0~6553.5s PA.31 第14段运行时间 【0.0%】 0.0~6553.5s PA.32 【0.0s】 -100.0~100.0% 【0.0s】 -100.0~100.0% 多段速15 【0.0%】 0.0~6553.5s PA.33 第15段运行时间 【0.0%】 【0.0s】 0.0~6553.5s 频 率 设 定 100.0% 对 应 最 大 频 率 【0.0s】 (P0.04)。 -100.0~100.0% 【0.0%】 当确定为PLC运行方式时,需要设置 0.0~6553.5s PA.02~PA.33来确定其特性。 【0.0s】 说明:简易PLC运行方向取决于多段速 -100.0~100.0% 设定值的符号。若为负值,则表示反方向 【0.0%】 运行。 0.0~6553.5s 【0.0s】 输出频率 -100.0~100.0% 3 2 【0.0%】 4 5 1 6 0 14 13 7 8 0.0~6553.5s t 12 15 11 9 10 【0.0s】 ON -100.0~100.0% ON ON ON ON ON ON ON S1 【0.0%】 ON ON ON ON t t S2 0.0~6553.5s ON ON t S3 【0.0s】 ON t S4 -100.0~100.0% 图6-25 多段速度运行逻辑图 【0.0%】 0.0~6553.5s 多段速度在-Fmax~Fmax范围内,可连 【0.0s】 续设定。CHF系列变频器可设定16段速度, -100.0~100.0% 【0.0%】 由外部端子S1、S2、S3、S4组合编码选择, 0.0~6553.5s 分别对应多段速度0至多段速度15,图6-25 【0.0s】 为多段速度运行逻辑图。 -100.0~100.0% S1=S2=S3=S4=OFF时,频率输入方式由 【0.0%】 0.0~6553.5s 代码P3.01选择。S1=S2=S3=S4端子不全为 【0.0s】 OFF时,以多段速运行,多段速度的优先级 -100.0~100.0% 高于键盘、模拟、高速脉冲、PLC、通讯频 【0.0%】 .71. 第 6 章 详细功能说明 功 率输入,通过S1、S2、S3、S4组合编码, 能 最多可选择16段速度。 二进制位 码 段 数 加减 加减 加减 加减 速时 速时 速时 速时 间0 间1 间2 间3 多段速度运行时的启动停车同样由功 BIT15 BIT14 7 00 01 10 11 能码P0.03确定,多段速控制过程如图6-24 BIT1 BIT0 8 00 01 10 11 所示。S1、S2、S3、S4端子与多段速度段 BIT3 BIT2 9 00 01 10 11 的关系如下表所示。 BIT5 BIT4 10 00 01 10 11 S1 OFF ON OFF ON ON OFF ON OFF PA BIT7 BIT6 11 00 01 10 11 S2 OFF OFF ON ON OFF ON ON OFF .35 BIT9 BIT8 12 00 01 10 11 S3 OFF OFF OFF OFF ON ON ON OFF BIT11 BIT10 13 00 01 10 11 S4 OFF OFF OFF OFF OFF OFF OFF ON BIT3 BIT12 14 00 01 10 11 BIT15 BIT14 15 00 01 10 11 段 1 2 3 4 5 6 7 8 S1 OFF ON OFF ON OFF ON OFF ON S2 OFF OFF ON ON OFF OFF ON ON 用户选择完相应的段的加、减速时间 S3 OFF OFF OFF OFF ON ON ON ON 以后,把组合成的16位二进制数换算成十 S4 ON ON ON ON ON ON ON ON 段 1 2 3 4 5 6 7 进制数,设入相应的功能码即可。 8 功能码 功能码 名称 0~1【0】 方式选择 段的加减速时 0~0xFFFF【0】 0:从第0段开始运行,运行中停机(由 间选择 PA.35 设定范围 PLC再启动 PA.36 简易PLC第0~7 PA.34 名称 设定范围 简易PLC第8~ 停机命令、故障或掉电引起),再起动后 15段的加减速 0~0xFFFF【0】 从第0段开始运行。 1:从中断时刻的阶段频率继续运行, 时间选择 运行中停机(由停机命令或故障引起), 详细说明如下表: 变频器自动记录当前阶段已运行的时间, 功 能 码 PA .34 二进制位 段 数 加减 加减 加减 加减 再起动后自动进入该阶段,以该阶段定义 速时 速时 速时 速时 的频率继续剩余时间的运行,如下图所示。 间0 间1 间2 间3 BIT1 BIT0 0 00 01 10 11 BIT3 BIT2 1 00 01 10 11 BIT5 BIT4 2 00 01 10 11 BIT7 BIT6 3 00 01 10 11 BIT9 BIT8 4 00 01 10 11 BIT11 BIT10 5 00 01 10 11 BIT3 BIT12 6 00 01 10 11 输出频率f 中断 时间 阶段1频率f1 阶段2频率f2 阶段3频率f3 时间t 阶段1 图 6-26 .72. 阶 段 2已 运 行 时 间 阶 段 2剩 余 时 间 简易 PLC 启动方式 1 阶段3 第 6 章 详细功能说明 功能码 名称 多段时间单 PA.37 位选择 设定范围 功能码 0~1【0】 PB.03 0:秒 名称 电机过载保护 20.0~120.0% 电流 70% 时 间 设定范围 【100.0%】 100% 1:分钟 电机过载保护系数 定义PLC运行阶段时间单位。 1分 钟 PB 组 保护参数组 功能码 名称 设定范围 PB.00 输入缺相保护 0~1【1】 PB.01 输出缺相保护 0~1【1】 140% 200% 电 流 图 6-27 电机过载保护系数设定 此值可由下面的公式确定: 0:禁止保护 电机过载保护电流=(允许最大的负载 1:允许保护 电流 / 变频器额定电流)*100%。 输入缺相保护:选择是否对输入缺相 主 要用 在大 变频 器 驱动 小电 机的 场 的情况进行保护。 合,需正确设定该功能对电机进行保护。 输出缺相保护:选择是否对输出缺相 功能码 的情况进行保护。 功能码 PB.02 名称 电机过载保 护选择 PB.04 设定范围 0~2【2】 PB.05 0:不保护。没有电机过载保护特性(谨 名称 设定范围 瞬间掉电降频 70.0~110.0% 点 【80.0%】 瞬间掉电频率 0.00Hz~P0.04 下降率 【0.00Hz】 PB.04中的100%对应为标准母线电压。 慎使用),此时,变频器对负载电机没有 当PB.05为0时,该瞬间掉电降频功能 过载保护。 无效。 1:普通电机(带低速补偿)。由于普 瞬间掉电降频点:指的是在电网掉电 通电机在低速情况下的散热效果变差,相 应的电子热保护值也应作适当调整,这里 以后,母线电压降到瞬间掉电降频点时, 所说的带低速补偿特性,就是把运行频率 变 频 器 开 始按 照 瞬 间 掉 电 频率 下 降 率 低于30HZ的电机过载保护阀值下调。 (PB.05)降低运行频率,使电机处于发电 2:变频电机(不带低速补偿)。由于 状态,让回馈的电能去维持母线电压,保 变频专用电机的散热不受转速影响,不需 证变频器的正常运行,直到变频器再一次 要进行低速运行时的保护值调整。 上电。 .73. 第 6 章 详细功能说明 注意,适当地调整这两个参数,可以 很好地实现电网切换,而不会引起变频器 功能码 名称 PB.08 自动限流水平 保护而造成的生产停机。 功能码 名称 PB.06 设定范围 过压失速保护 PB.09 PB.10 PB.07 电压 50.0~200.0% 【机型确定】 限流时频率下 0.00~100.0 降率 【10.00Hz/s】 限流动作选择 0~1【0】 0~1【1】 过压失速保护 120.0~150.0% 设定范围 PB.08中的自动限流水平出厂值与机 【机型确定】 型有关,其中:G型:160%;P型:120%。 PB.06: 0:禁止 PB.10: 1:允许 0:限流功能一直有效 PB.07: 1:限流功能恒速时无效 380V机型出厂值:130% 变频器在运行过程中,由于负载过大, 220V机型出厂值:120% 变频器减速运行过程中,由于负载惯 电机转速的实际上升率低于输出频率的上 性的影响,可能会出现电机转速的实际下 升率,如果不采取措施,则会造成加速过 降率低于输出频率的下降率,此时,电极 流故障而引起变频器跳闸。 会回馈电能给变频器,造成变频器的母线 自动限流保护功能在变频器运行过程 电压上升,如果不采取措施,则会造成母 中通过检测输出电流,并与PB.08定义的限 线过压故障而引起变频器跳闸。 流水平点进行比较,如果超过限流水平点, 过压失速保护功能在变频器运行过程 中通过检测母线电压,并于PB.07(相对于 变 频 器 输 出频 率 按 照 过 流 频率 下 降 率 标准母线电压)定义的失速过压点进行比 (PB.09)进行下降,当再次检测输出电流 较,如果超过失速过压点,变频器输出频 低于限流水平点后,再恢复正常运行。如 率停止下降,当再次检测母线电压低于过 图: 压失速点后,再继续减速运行。如图: 输出电流 输出电流 自动限流水平点 过压失速点 时间t 输出频率 时间t 输出频率 时间t 频率下降率 由 Pb.07决 定 图 6-28 过压失速功能 图 6-29 限流保护功能示意图 .74. 时间t 第 6 章 详细功能说明 自动限流动作时频率下降率PB.09过 0:1200bps 小,则不易摆脱自动限流状态而可能最终 1:2400bps 导致过载故障;若下降率PB.09过大,则频 2:4800bps 率调整程度加剧,变频器可能常时间处于 3:9600bps 发电状态导致过压保护。 4:19200bps 自动限流功能在加减速状态下始终有 5:38400bps 效,恒速运行时自动限流功能是否有效由 此参数用来设定上位机与变频器之 自动限流动作选择(PB.10)决定。 间的数据传输速率。注意,上位机与变频 PB.10=0表示恒速运行时,自动限流 器设定的波特率必须一致,否则,通讯无 有效; 法进行。波特率越大,通讯速度越快。 PB.10=1表示恒速运行时,自动限流 功能码 无效。 PC.02 在自动限流动作时,输出频率可能会 名称 数据格式 设定范围 0~17【1】 有所变化,所以对要求恒速运行时输出频 0:无校验(N,8,1)for RTU 率较稳定的场合,不宜使用自动限流功能。 1:偶校验(E,8,1)for RTU 当自动限流有效时,由于限流水平的较低 2:奇校验(O,8,1)for RTU 设置,可能会影响变频器过载能力。 3:无校验(N,8,2)for RTU 4:偶校验(E,8,2)for RTU PC 组 串行通讯组 5:奇校验(O,8,2)for RTU 功能码 名称 设定范围 6:无校验(N,7,1)for ASCII PC.00 本机通讯地址 0~247【1】 7:偶校验(E,7,1)for ASCII 8:奇校验(O,7,1)for ASCII 当主机在编写帧中,从机通讯地址设 9:无校验(N,7,2)for ASCII 定为 0 时,即为广播通讯地址,MODBUS 总 10:偶校验(E,7,2)for ASCII 线上的所有从机都会接受该帧,但从机不 11:奇校验(O,7,2)for ASCII 做应答。注意,从机地址不可设置为 0。 12:无校验(N,8,1)for ASCII 本机通讯地址在通讯网络中具有唯一 13:偶校验(E,8,1)for ASCII 性,这是实现上位机与变频器点对点通讯 14:奇校验(O,8,1)for ASCII 的基础。 15:无校验(N,8,2)for ASCII 功能码 PC.01 名称 通讯波特率 选择 16:偶校验(E,8,2)for ASCII 设定范围 17:奇校验(O,8,2)for ASCII 0~5【4】 上位机与变频器设定的数据格式必 须一致,否则,通讯无法进行。 .75. 第 6 章 详细功能说明 功能码 名称 PC.03 通讯应答延时 设定范围 设置通讯错误处理动作选择是屏蔽 CE 故 0~200ms 障、停机或保持继续运行。 【5ms】 功能码 应答延时:是指变频器数据接受结束 PC.06 到向上位机发送应答数据的中间间隔时间。 如果应答延时小于系统处理时间,则应答延 名称 设定范围 通讯处理 0000~1111 动作选择 【0000】 当该功能码 LED 个位设置为 0 时,变频器 时以系统处理时间为准,如应答延时长于系 对上位机的读写命令都有回应。 统处理时间,则系统处理完数据后,要延迟 当该功能码 LED 个位设置为 1 时,变频器 等待,直到应答延迟时间到,才往上位机发 对上位机的仅对读命令都有回应,对写命令无 送数据。 回应,通过此方式可以提高通讯效率。 功能码 PC.04 名称 设定范围 通讯超时 0.0~200.0s 故障时间 【0.0s】 当该功能码 LED 十位设置为 0 时,变频器 将对通讯设定值不进行掉电存储。 当该功能码 LED 个位设置为 1 时,变频器 当该功能码设置为 0.0s 时,通讯超时 将对通讯设定值进行掉电存储。 时间参数无效。 PD 组 补充功能组 当该功能码设置成有效值时,如果一次 通讯与下一次通讯的间隔时间超出通讯超时 功能码 时间,系统将报通讯故障错误(CE)。 Pd.00 通常情况下,都将其设置成无效。如果在 连续通讯的系统中,设置此参数,可以监视通 Pd.01 讯状况。 功能码 PC.05 名称 通讯错误处理 动作选择 名称 抑制振荡低 频阀值点 抑制振荡高 频阀值点 设定范围 0~500【5】 0~500【100】 但大多数电机在某些频率段运行时 设定范围 容易出现电流震荡,轻者电机不能稳定运 0~3【1】 行,重者会导致变频器过流。当 P8.30=0 时 0:报警并自由停车 使能抑制振荡,Pd.00,Pd.01 设置较小时, 1:不报警并继续运行 抑制振荡效果比较明显,设置较大时,抑 2:不报警按停机方式停机(仅通讯 制振荡效果比较弱。 控制方式下) 3:不报警按停机方式停机(所有控 功能码 制方式下) Pd.02 变频器在通讯异常情况下可以通过 .76. 名称 设定范围 抑制振荡 0~10000 限幅值 【5000】 第 6 章 详细功能说明 通过设定 Pd.02 可以限制抑制振荡时 功能码 的抑制强度,过大的限幅值将容易导致过 Pd.04 流,用户应根据实际情况进行合理设置。 名称 过调制选 择 设定范围 0~1【0】 0:无效,不启动过调制功能 功率大的电机该值可设置较小,功率小的 1:有效,启动过调制功能 电机该值可设置较大。 功能码 Pd.03 适用于在长期低电网电压及长期重 载工作的情况下,变频器通过提高自身母 名称 设定范围 抑制振荡高 0.00~P0.04 线电压的利用率来提高输出电压。 低频分界点 【12.50Hz】 PE 组 厂家功能组 该组为厂家参数组,用户不要尝试打 Pd.03 为功能码 Pd.00 和 Pd.01 的分界点。 开该组参数,否则会引起变频器不能正常 运行或损坏。 .77. 第 7 章 故障检查与排除 7 故障检查与排除 7.1 故障信息及排除方法 故障 代码 故障类型 可能的故障原因 对策 OUt1 逆变单元 U 相故障 1. 加速太快 1. 增大加速时间 OUt2 逆变单元 V 相故障 2. 该相 IGBT 内部损坏 2.寻求支援 3. 干扰引起误动作 3.检查外围设备是否有强干扰 4. 接地是否良好 源 1.加速太快 1.增大加速时间 2.电网电压偏低 2.检查输入电源 3.变频器功率偏小 3.选用功率大一档的变频器 1.减速太快 1.增大减速时间 2.负载惯性转矩大 2.外加合适的能耗制动组件 3.变频器功率偏小 3.选用功率大一档的变频器 1.负载发生突变或异常 1.检查负载或减小负载的突变 2.电网电压偏低 2.检查输入电源 3.变频器功率偏小 3.选用功率大一档的变频器 1.输入电压异常 1.检查输入电源 2.瞬间停电后,对旋转中电 2.避免停机再启动 OUt3 逆变单元 W 相故障 OC1 加速运行过电流 OC2 OC3 OV1 减速运行过电流 恒速运行过电流 加速运行过电压 机实施再启动 OV2 减速运行过电压 OV3 恒速运行过电压 UV 母线欠压 OL1 OL2 电机过载 变频器过载 1.减速太快 1.增大减速时间 2.负载惯量大 2.增大能耗制动组件 3.输入电压异常 3.检查输入电源 1.输入电压发生异常变动 1.安装输入电抗器 2.负载惯量大 2.外加合适的能耗制动组件 1.电网电压偏低 1.检查电网输入电源 1.电网电压过低 1.检查电网电压 2.电机额定电流设置不正确 2.重新设置电机额定电流 3.电机堵转或负载突变过大 3.检查负载,调节转矩提升量 4.大马拉小车 4.选择合适的电机 1.加速太快 1.增大加速时间 2.对旋转中的电机实施再启 2.避免停机再启动 动 3.检查电网电压 3.电网电压过低 4.选择功率更大的变频器 4.负载过大 SPI 输入侧缺相 输入 R,S,T 有缺相 .78. 1.检查输入电源 2.检查安装配线 第 7 章 故障检查与排除 故障 代码 SPO OH1 OH2 故障类型 输出侧缺相 整流模块过热 逆变模块过热 可能的故障原因 对策 U,V,W 缺相输出(或负载三 1.检查输出配线 相严重不对称) 2.检查电机及电缆 1.变频器瞬间过流 1.参见过流对策 2.输出三相有相间或接地短 2.重新配线 路 3.疏通风道或更换风扇 3.风道堵塞或风扇损坏 4.降低环境温度 4.环境温度过高 5.检查并重新连接 5.控制板连线或插件松动 6.寻求服务 6.辅助电源损坏,驱动电压 7.寻求服务 欠压 8.寻求服务 7.功率模块桥臂直通 8.控制板异常 EF 外部故障 1.SI 外部故障输入端子动作 1.波特率设置不当 CE 通讯故障 2.采用串行通信的通信错误 3.通讯长时间中断 ItE tE 电流检测电路故障 电机自学习故障 1.检查外部设备输入 1.设置合适的波特率 2.按 STOP/RST 键复位,寻求服 务 3.检查通讯接口配线 1.控制板连接器接触不良 1.检查连接器,重新插线 2.辅助电源损坏 2.寻求服务 3.霍尔器件损坏 3.寻求服务 4.放大电路异常 4.寻求服务 1.电机容量与变频器容量不 1.更换变频器型号 匹配 2.按电机铭牌设置额定参数 2.电机额定参数设置不当 3.使电机空载,重新辩识 3.自学习出的参数与标准参 4.检查电机接线,参数设置 数偏差过大 4.自学习超时 EEP EEPROM 读写故障 PIDE PID 反馈断线故障 bCE 制动单元故障 1.控制参数的读写发生错误 1.按 STOP/RST 键复位 2.EEPROM 损坏 2.寻求服务 1.PID 反馈断线 1.检查 PID 反馈信号线 2.PID 反馈源消失 2.检查 PID 反馈源 1.制动线路故障或制动管损 坏 2.外接制动电阻阻值偏小 .79. 1.检查制动单元,更换新制动 管 2.增大制动电阻 第 7 章 故障检查与排除 7.2 常见故障及其处理方法 变频器使用过程中可能会遇到下列故障情况,请参考下述方法进行简单故障分析: 上电无显示: 用万用表检查变频器输入电源是否和变频器额定电压相一致。请检查并排除问题。 检查三相整流桥是否完好。若整流桥已炸开,请寻求服务。 检查 CHARGE 灯是否点亮。如果此灯没有亮,请寻求服务。 上电后电源空气开关跳开: 检查输入电源之间是否有接地或短路情况,排除存在问题。 检查整流桥是否已经击穿,若已损坏,寻求服务。 变频器运行后电机不转动: 检查 U、V、W 之间是否有均衡的三相输出。若有,请检查电机是否损坏或被堵转。如 无该问题,请确认电机参数是否设置正确。 可有输出但三相不均衡,请寻求服务。 若没有输出电压,请寻求服务。 上电变频器显示正常,运行后电源空气开关跳开: 检查输出模块之间相间是否存在短路情况。若是,请寻求服务。 检查电机引线之间是否存在短路或接地情况。若有,请排除。 若跳闸是偶尔出现而且电机和变频器之间距离比较远,则考虑加输出交流电抗器。 .80. 第 7 章 故障检查与排除 8 保养和维护 警告 ●维护人员必须按保养和维护的指定方法进行。 ●维护人员需专业的合格人员来进行 ●进行维护前,必须切断变频器的电源,10 分钟以后方可进行维护工作。 ●不能直接触碰 PCB 板上的元器件,否则容易静电损坏变频器 ●维修完毕后,必须确认所有螺丝均已上紧 8.1 日常维护 为了防止变频器的故障,保证设备正常运行,延长变频器的使用寿命,需要对变频 器进行日常的维护,日常维护的内容如下表示: 检查项目 内 容 温度/湿度 确认环境温度在 0℃~50℃,湿度在 20~90%, 油雾和粉尘 确认变频器内无油雾和粉尘、无凝水 变频器 检查变频器有无异常发热、有无异常振动 风扇 确认风扇运转正常、无杂物卡住等情况 输入电源 确认输入电源的电压和频率在允许的范围内 电机 检查电机有无异常振动、发热,有无异常噪声及缺相等问题 8.2 定期维护 为了防止变频器发生故障,确保其长时间高性能稳定运行,用户必须定期(半年以 内)对变频器进行检查,检查内容如下表示: 检查项目 检查内容 排除方法 外部端子的螺丝 螺丝是否松动 拧紧 PCB 板 粉尘、赃物 用干燥压缩空气全面清除杂物 风扇 异常噪声和振动、累计时间 1、清除杂物 是否超过 2 万小时 2、更换风扇 电解电容 是否变色,有无异味 更换电解电容 散热器 粉尘、脏物 用干燥压缩空气全面清除杂物 功率元器件 粉尘、脏物 用干燥压缩空气全面清除杂物 8.3 变频器易损件更换 变频器中的风扇和电解电容是容 .81. 第 8 章 保养和维护 易损坏的部件,为保证变频器长期、安 ◆电解电容:使用到 3~4 万小时后须更 全、无故障运行,对易损器件要定期更 换 换。易损件更换时间如下: 8.4 变频器的保修 本公司对 CHF 系列变频器提供自 ◆风扇:使用超过 2 万小时后须更换 出厂之日起 18 个月保修服务。 .82. 第 9 章 通讯协议 9 通讯协议 中的每个从机的地址都具有唯一性。这是 CHF 系列变频器,提供 RS485 通信接 保证 ModBus 串行通讯的基础。 口,采用国际标准的 ModBus 通讯协议进行 9.4 协议说明 的主从通讯。用户可通过 PC/PLC、控制上 CHF 系列变频器通信协议是一种异步 位机等实现集中控制(设定变频器控制命 串行的主从 ModBus 通信协议,网络中只有 令、运行频率、相关功能码参数的修改, 一个设备(主机)能够建立协议(称为“查 变频器工作状态及故障信息的监控等), 询/命令”)。其它设备(从机)只能通过 以适应特定的应用要求。 提供数据响应主机的“查询/命令”,或根 9.1 协议内容 据主机的“查询/命令”做出相应的动作。 该 Modbus 串行通信协议定义了串行 主机在此是指个人计算机(PC)、工业控 通信中异步传输的帧内容及使用格式。其 制设备或可编程逻辑控制器(PLC)等,从 中包括:主机轮询及广播帧、从机应答帧 机是指 CHF 系列变频器或其它具有相同通 的格式;主机组织的帧内容包括:从机地 讯协议的控制设备。主机既能对某个从机 址(或广播地址)、执行命令、数据和错误 单独进行通信,也能对所有从机发布广播 校验等。从机的响应也是采用相同的结构, 信息。对于单独访问的主机“查询/命令”, 内容包括:动作确认,返回数据和错误校 从机都要返回一个信息(称为响应),对 验等。如果从机在接收帧时发生错误,或 于主机发出的广播信息,从机无需反馈响 不能完成主机要求的动作,它将组织一个 应信息给主机。 故障帧作为响应反馈给主机。 9.5 通讯帧结构 9.2 应用方式 CHF 系列变频器的 ModBus 协议通信 CHF 系列变频器可接入具备 RS485 总 数据格式分为 RTU(远程终端单元)模式和 线的“单主多从”控制网络。 ASCII ( American Standard Code for 9.3 总线结构 Information International (1)接口方式 Interchange)模式两种。 RS485 硬件接口 RTU 模式中,每个字节的格式如下: (2)传输方式 编码系统:8 位二进制,每个 8 位的 异步串行,半双工传输方式。在同一 帧域中,包含两个十六进制字符,十六进 时刻主机和从机只能有一个发送数据而另 制 0~9、A~F。 一个接收数据。数据在串行异步通信过程 ASCII 模式中,每个字节的格式如下: 中,是以报文的形式,一帧一帧发送。 编码系统:通讯协议属于 16 进制, ASCII 的信息字符意义: “0”…“9”, “A”… (3)拓扑结构 “F”每个 16 进制都用对应字符的 ASCII 单主机多从机系统。从机地址的设定 信息表示。 范围为 1~247,0 为广播通信地址。网络 .83. 第 9 章 通讯协议 字符 ‘0’ ‘1’ ‘2’ ‘3’ ‘4’ ‘5’ RTU 数据桢格式 MODBUS 报文 ASCII 0x30 0x31 0x32 0x33 0x34 0x35 CODE 字符 起始,至少3.5 个字符的空闲 ‘6’ ‘7’ ‘8’ ‘9’ ‘A’ ‘B’ ASCII CODE 字符 从机 地址 功能码 数据 校验 结束,至少3.5 个字符的空闲 一个帧的信息必须以一个连续的数据 0x36 0x37 0x38 0x39 0x41 0x42 流进行传输,如果整个帧传输结束前有超 ‘C’ ‘D’ ‘E’ ‘F’ 过 1.5 个字节以上的间隔时间,接收设备 将清除这些不完整的信息,并错误认为随 ASCII 0x43 0x44 0x45 0x46 CODE 后一个字节是新一帧的地址域部分,同样 的,如果一个新帧的开始与前一个帧的间 数据格式:起始位、7/8 个数据位、 校验位和停止位。 隔时间小于 3.5 个字节时间,接收设备将 数据格式的描述如下表: 认为它是前一帧的继续,由于帧的错乱, 最终 CRC 校验值不正确,导致通讯故障。 11-bit 字符帧: B 起 I 始 T 位 1 B I T 2 B I T 3 B I T 4 B I T 5 B I T 6 B I T 7 B I T 8 RTU 帧的标准结构: 校 停 验 止 位 位 帧头START 10-bit 字符帧: B 起 I 始 T 位 1 B I T 2 B I T 3 B I T 4 B I T 5 B I T 6 B I T 7 校 停 验 止 位 位 通讯地址:0~247(十进 ADDR 制)(0为广播地址) 数据域 DATA(N-1) … 个字节的传输时间静默作为开始。在以波 DATA(0) 特率计算传输速率的网络上,3.5 个字节的 传输时间可以轻松把握。紧接着传输的数 03H:读从机参数; 06H:写从机参数 2*N个字节的数据,该部分 为通讯的主要内容,也是 通讯中,数据交换的核心。 CRC CHK 低位 检 测 值 : CRC 校 验 值 CRC CHK 高位 (16BIT) 据域依次为:从机地址、操作命令码、数 帧尾END 据和 CRC 校验字,每个域传输字节都是十 的传输时间) 从机地址域 功能域CMD 在 RTU 模式中,新帧总是以至少 3.5 T1-T2-T3-T4(3.5个字节 T1-T2-T3-T4(3.5个字节 的传输时间) 六进制的 0...9,A...F。网络设备始终监 在 ASCII 模 式 中 , 帧 头 为 “ : ” 视着通讯总线的活动。当接收到第一个域 (“0x3A”),帧尾缺省为“CRLF” (“0x0D” (地址信息),每个网络设备都对该字节 “0x0A”)。在 ASCII 方式下,除了帧头 进行确认。随着最后一个字节的传输完成, 和帧尾之外,其余的数据字节全部以 ASCII 又有一段类似的 3.5 个字节的传输时间间 码方式发送,先发送高 4 位位元组,然后 隔,用来表识本帧的结束,在此以后,将 发送低 4 位位元组。ASCII 方式下数据为 8 开始一个新帧的传送。 位长度。对于‘A’~‘F’,采用其大写 .84. 第 9 章 通讯协议 字母的 ASCII 码。此时数据采用 LRC 校验, CMD 03H 校验涵盖从从机地址到数据的信息部分。 启始地址高位 00H 校验和等于所有参与校验数据的字符和 启始地址低位 04H (舍弃进位位)的补码。 数据个数高位 00H 数据个数低位 02H CRC CHK 低位 85H CRC CHK 高位 CAH END T1-T2-T3-T4 ASCII 数据桢格式 MODBUS 报 文 起始符: “ 0x3A” 从 机 地 址 功能码 数 据 校 验 结束符: “ 0x0D” “ 0x0A” ASCII 帧的标准结构: START ‘:’(0x3A) Address Hi 通讯地址:8-bit 地址 Address Lo 由2个ASCII码组合 START T1-T2-T3-T4 Function Hi 功能码:8-bit 地址由2 ADDR 01H Function Lo 个ASCII码组合 CMD 03H 数据内容:nx8-bit 数 字节个数 04H DATA(N-1) 据内容 由2n个 ASCII码 数据地址0004H高位 13H … 组合 数据地址0004H低位 88H 数据地址0005H高位 13H 数据地址0005H低位 88H CRC CHK 低位 73H CRC CHK 高位 CBH END T1-T2-T3-T4 DATA(0) RTU 从机回应信息 n<=16,最大32个ASCII 码 LRC CHK Hi LRC检查码:8-bit 检验 LRC CHK Lo 码由2个ASCII码组合 END Hi 结 束 符 : END Hi=CR END Lo ( 0x0D ) , END Lo=LF ASCII 主机命令信息 (0x0A) START 9.6 命令码及通讯数据描述 ADDR 9.6.1 命令码:03H(0000 0011),读取 N 个字(Word)(最多可以连续读取 16 个字) CMD 例如:从机地址为 01H 的变频器,内 存启始地址为 0004,读取连续 2 个字,则 启始地址高位 该帧的结构描述如下: RTU 主机命令信息 启始地址低位 START T1-T2-T3-T4 ADDR 01H 数据个数高位 .85. ‘:’ ‘0’ ‘1’ ‘0’ ‘3’ ‘0’ ‘0’ ‘0’ ‘4’ ‘0’ ‘0’ 第 9 章 通讯协议 数据个数低位 ‘0’ 写数据地址低位 2BH ‘2’ 数据内容高位 13H LRC CHK Hi ‘F’ 数据内容低位 88H LRC CHK Lo ‘6’ CRC CHK 低位 F4H END Hi CR CRC CHK 高位 A7H END Lo LF END T1-T2-T3-T4 ASCII 从机回应信息 START RTU 从机回应信息 ‘:’ START T1-T2-T3-T4 ADDR 02H CMD 06H 写数据地址高位 00H 写数据地址低位 2BH 数据内容高位 13H ‘8’ 数据内容低位 88H ‘1’ CRC CHK 低位 F4H ‘8’ CRC CHK 高位 A7H ‘8’ END T1-T2-T3-T4 ‘0’ ADDR ‘1’ ‘0’ CMD ‘3’ 字节个数 数据地址0004H高位 数据地址0004H低位 数据地址0005H高位 数据地址0005H低位 ‘0’ ‘4’ ‘1’ ‘3’ ‘8’ ‘3’ LRC CHK Hi ‘C’ LRC CHK Lo ‘2’ END Hi CR END Lo LF ASCII 主机命令信息 START 9.6.2 命令码:06H(0000 0110),写一个字 ‘0’ ADDR ‘2’ (Word) 例如:将 5000(1388H)写到从机地 ‘0’ CMD 址 02H 变频器的 002BH 地址处。则该帧的 ‘6’ 结构描述如下: 写数据地址高位 RTU 主机命令信息 START ‘:’ ‘0’ ‘0’ T1-T2-T3-T4 ADDR 02H CMD 06H 写数据地址高位 00H 写数据地址低位 ‘2’ ‘B’ 数据内容高位 ‘1’ ‘3’ .86. 第 9 章 通讯协议 数据内容低位 ‘8’ 同,其格式如下所示: ‘8’ RTU 主机命令信息 LRC CHK Hi ‘3’ LRC CHK Lo ‘2’ END Hi CR END Lo LF ASCII 从机回应信息 START ADDR ADDR 01H CMD 08H 子功能码高位 00H 子功能码低位 00H 数据内容高位 12H ‘0’ 数据内容低位 ABH ‘2’ CRC CHK 低位 ADH CRC CHK 高位 14H END T1-T2-T3-T4 ‘6’ 写数据地址高位 T1-T2-T3-T4 ‘:’ ‘0’ CMD START ‘0’ RTU 从机回应信息 ‘0’ ‘2’ START T1-T2-T3-T4 ‘B’ ADDR 01H ‘1’ CMD 08H ‘3’ 子功能码高位 00H ‘8’ 子功能码低位 00H ‘8’ 数据内容高位 12H LRC CHK Hi ‘3’ 数据内容低位 ABH LRC CHK Lo ‘2’ CRC CHK 低位 ADH END Hi CR CRC CHK 高位 14H END Lo LF END T1-T2-T3-T4 写数据地址低位 数据内容高位 数据内容低位 9.6.3 命令码:08H(0000 1000) ,诊断 ASCII 主机命令信息 功能 START 子功能码的意义: ADDR 子功能码 说明 0000 返回询问讯息数据 CMD 例如:对驱动器地址 01H 做回路侦测 子功能码高位 询问讯息字串内容与回应讯息字串内容相 .87. ‘:’ ‘0’ ‘1’ ‘0’ ‘8’ ‘0’ ‘0’ 第 9 章 通讯协议 子功能码低位 数据内容高位 数据内容低位 ‘0’ 的整个数据校验(CRC 校验或 LRC 校验) 。 ‘0’ 9.6.4.1 字节位校验 ‘1’ 用户可以根据需要选择不同的位校验 ‘2’ 方式,也可以选择无校验,这将影响每个 ‘A’ 字节的校验位设置。 ‘B’ 偶校验的含义:在数据传输前附加一 LRC CHK Hi ‘3’ 位偶校验位,用来表示传输的数据中"1"的 LRC CHK Lo ‘A’ 个数是奇数还是偶数,为偶数时,校验位 END Hi CR END Lo LF 置为"0",否则置为"1",用以保持数据的 奇偶性不变。 奇校验的含义:在数据传输前附加一 ASCII 从机回应信息 START ADDR CMD 子功能码高位 位奇校验位,用来表示传输的数据中"1"的 ‘:’ 个数是奇数还是偶数,为奇数时,校验位 ‘0’ 置为"0",否则置为"1",用以保持数据的 ‘1’ 奇偶性不变。 ‘0’ 例如,需要传输"11001110",数据中 ‘8’ 含 5 个"1",如果用偶校验,其偶校验位为 ‘0’ "1",如果用奇校验,其奇校验位为"0", ‘0’ 传输数据时,奇偶校验位经过计算放在帧 ‘0’ 的校验位的位置,接收设备也要进行奇偶 ‘0’ 校验,如果发现接受的数据的奇偶性与预 ‘1’ 置的不一致,就认为通讯发生了错误。 ‘2’ 9.6.4.2 子功能码低位 数据内容高位 数据内容低位 ‘A’ 使用 RTU 帧格式,帧包括了基于 CRC ‘B’ LRC CHK Hi ‘3’ LRC CHK Lo ‘A’ END Hi CR END Lo LF CRC 校验方式 ---CRC(Cyclical Redundancy Check): 方法计算的帧错误检测域。CRC 域检测了整 个帧的内容。CRC 域是两个字节,包含 16 位的二进制值。它由传输设备计算后加入 到帧中。接收设备重新计算收到帧的 CRC, 并与接收到的 CRC 域中的值比较,如果两 9.6.4 通讯帧错误校验方式 个 CRC 值不相等,则说明传输有错误。 帧的错误校验方式主要包括两个部分的 CRC 是先存入 0xFFFF,然后调用一个 校验,即字节的位校验(奇/偶校验)和帧 过程将帧中连续的 6 个以上字节与当前寄 .88. 第 9 章 通讯协议 存器中的值进行处理。仅每个字符中的 >1)^0xa001; 8Bit 数据对 CRC 有效,起始位和停止位以 else 及奇偶校验位均无效。 crc_value=crc_value>> CRC 产生过程中,每个 8 位字符都单独 1; 和寄存器内容相异或(XOR),结果向最低 } 有效位方向移动,最高有效位以 0 填充。 } LSB 被提取出来检测,如果 LSB 为 1,寄存 return(crc_value); 器单独和预置的值相异或,如果 LSB 为 0, } 则不进行。整个过程要重复 8 次。在最后 在阶梯逻辑中,CKSM 根据帧内容计算 一位(第 8 位)完成后,下一个 8 位字节 CRC 值,采用查表法计算,这种方法程序简 又单独和寄存器的当前值相异或。最终寄 单,运算速度快,但程序所占用 ROM 空间 存器中的值,是帧中所有的字节都执行之 较大,对程序空间有要求的场合,请谨慎 后的 CRC 值。 使用。 CRC 的这种计算方法,采用的是国际标 9.6.4.3 ASCII 模式的校验(LRC Check) 准的 CRC 校验法则,用户在编辑 CRC 算法 校验码(LRC Check) 由 Address 到 Data 时,可以参考相关标准的 CRC 算法,编写 Content 结果加起来的值,例如上面 1.6.2 出真正符合要求的 CRC 计算程序。 通 讯 信 息 的 的 校 验 码 : 现在提供一个 CRC 计算的简单函数给 0x02+0x06+0x00+0x08+ 用户参考(用 C 语言编程): unsigned char 0x13+0x88=0xAB,然后取 2 的补码=0x55。 int crc_cal_value(unsigned *data_value,unsigned 现在提供一个 LRC 计算和简单函数给 char 用户参考(用 C 语言编程): data_length) Static unsigned char { LRC(auchMsg,usDataLen) int i; unsigned char *auchMsg; unsigned int crc_value=0xffff; unsigned short usDataLen; while(data_length--) { { unsigned char uchLRC=0; crc_value^=*data_value+ while(usDataLen--) +; uchLRC+=*auchMsg++; for(i=0;i<8;i++) return((unsigned { ((char)uchLRC))); if(crc_value&0x0001) } crc_value=(crc_value> 9.6.5 通信数据地址的定义 .89. char)( ~ 第 9 章 通讯协议 该部分是通信数据的地址定义,用于 功能 地址 控制变频器的运行、获取变频器状态信息 说明 定义 数据意义说明 R/W 特性 0005H:停机 及变频器相关功能参数设定等。 0006H:自由停机(紧急停机) (1)功能码参数地址表示规则 0007H:故障复位 以功 能码序 号为参数 对应寄 存器地 0008H:点动停止 址,但要转换成十六进制,如 P5.05 的序 0001H:正转运行中 号为 76,则用十六进制表示该功能码地址 变频 为 004CH。 器状 1001H 0002H:反转运行中 态 高、低字节的范围分别为:高位字节 0003H:变频器待机中 R 0004H:故障中 ——00~01;低位字节——00~FF。 通 信设 定值 范 围( -10000 ~ 注意:PE 组:为厂家设定参数,既不 10000)注意:通信设定值是 相对值的百分数(-100.00%~ 可读取该组参数,也不可更改该组参数; 通讯 有些参数在变频器处于运行状态时,不可 设定 更改;有些参数不论变频器处于何种状态, 值地 均不可更改;更改功能码参数,还要注意 100.00%) ,可做通信写操作。 2000H 址 当作为频率源设定时,相对的 是最大频率(P0.07)的百分 W/R 数;当作为转矩给定时,相对 的是转矩上限(P3.14)的百 参数的设定范围,单位,及相关说明。 分数。当作为 PID 给定或者反 另外,由于 EEPROM 频繁被存储,会减 馈时, 相对的是 PID 的百分数。 少 EEPROM 的使用寿命,对于用户而言,有 虚拟 些功能码在通讯的模式下,无需存储,只 端子 需更改片内 RAM 中的值就可以满足使用要 输入 2001H 保留 W/R 功能 求。要实现该功能,只要把对应的功能码 设定 地址最高位由 0 变成 1 就可以实现。如: 3000H 运行速度 R 功能码 P0.07 不存储到 EEPROM 中,只修改 3001H 设定速度 R RAM 中的值,可将地址设置为 8007;该地 3002H 母线电压 R 址只能用作写片内 RAM 时使用,不能用做 3003H 输出电压 R 读的功能,如做读为无效地址。 3004H 输出电流 R 停机 3005H 运行转速 R 参数 3006H 输出功率 R 地址 3007H 输出转矩 R 说明 3008H PID 给定值 R 3009H PID 反馈值 R 300AH 端子输入标志状态 R 300BH 端子输出标志状态 R 300CH 模拟量 AI1 值 R 运行/ (2)其他功能的地址说明: 功能 地址 说明 定义 数据意义说明 R/W 特性 0001H:正转运行 通讯 控制 1000H 命令 0002H:反转运行 0003H:正转点动 W/R 0004H:反转点动 .90. 第 9 章 通讯协议 功能 地址 数据意义说明 说明 定义 数字 R/W 特性 故障类型 0x07 加速过电压(OV1) R 0x08 减速过电压(OV2) 模拟量 AI4 值 R 0x09 恒速过电压(OV3) 高速脉冲频率(HDI1) R 0x0A 母线欠压故障(UV) 3011H 高速脉冲频率(HDI2) R 多段速及 PLC 当前段数 R 0x0B 电机过载(OL1) 3012H 3013H 长度值 R 0x0C 变频器过载(OL2) 3014H 外部计数器输入值 R 0x0D 输入侧缺相(SPI) 3015H 转矩方向(0:正向,1:反向) R 3016H 设备代码 0x0E 输出侧缺相(SPO) 0x0F 整流模块过热故障(OH1) 0x10 逆变模块过热故障(OH2) 0x 11 外部故障(EF) 地址 0x 12 通讯故障(CE) 参数 0x 13 电流检测故障(ITE) 0x 14 电机自学习故障(TE) 0x 15 EEPROM 操作故障(EEP) 0x 16 PID 反馈断线故障(PIDE) 0x 17 制动单元故障(bCE) 300DH 模拟量 AI2 值 R 300EH 模拟量 AI3 值 300FH 3010H R 参数 锁定 密码 4000H **** 校验 锁定 密码 4001H 55AAH W 命令 地址 故 障信 息代 码与 功 能码 菜单 变频 器故 障地 中故障类型的序号一致,只不 5000H 址 过 该处 给上 位机 返 回的 是十 从变频器中读取参数全部为 16 进制 R *10K ,其中 K 表示,且数值都为:实际值*10 六进制的数据,而不是故障字 符。 为该参数小数点后的位数。 注意:从 5000H 中读取的数字与实际故障 9.6.6 错误消息的回应 对照表如下: 数字 当从设备回应时,它使用功能代码域与 故障类型 0x00 无故障 0x01 逆变单元 U 相保护(OUT1) 0x02 逆变单元 V 相保护(OUT2) 0x03 逆变单元 W 相保护(OUT3) 0x04 加速过电流(OC1) 0x05 减速过电流(OC2) 0x06 恒速过电流(OC3) 故障地址来指示是正常回应(无误)还是 有某种错误发生(称作异议回应)。对正常 回应,从设备回应相应的功能代码和数据 地址或子功能码。对异议回应,从设备返 回一等同于正常代码的代码,但最首的位 置为逻辑 1。 例如:一主设备发往从设备的消息要求 读一组变频器功能码地址数据,将产生如 .91. 第 9 章 通讯协议 下功能代码: Modbus 异常码 0 0 0 0 0 0 1 1 (十六进制 03H) 代码 名称 含 对正常回应,从设备回应同样的功 义 校验位与下位机的校验计算数不 能码。对异议回应,它返回: 同时,报校验错误信息。 1 0 0 0 0 0 1 1 (十六进制 83H) 上位机发送的参数写命令中,所 参 数更 除功 能代 码因 异议错 误作 了修 改 12H 发的数据在参数的范围以外或写 改无效 外,从设备将回应一字节异常码,这定 地址当前为不可改写状态。 义了产生异常的原因。 上位机进行读或写时,当设置了 系 统被 主设 备应 用程 序得到 异议 的回 应 13H 用户密码,又没有进行密码锁定 锁定 后,典型的处理过程是重发消息,或者 开锁,将报系统被锁定。 针对相应的故障进行命令更改。 9.6.7 设备代码的编码规则 错误代码的含义 代码由 16 位数组成;分为高 8 位及 Modbus 异常码 代码 名称 含 低 8 位组成,高 8 位表示机型系列,低 8 义 位为系列机衍生机型。 当从上位机接收到的功能码是不 非 法功 01H 允许的操作;也可能从机在错误 设备代码含义 能 状态中处理这种请求。 代码 高8位 上位机的请求数据地址是不允许 表示 意义 代码 低8位 表示意义 01 CHV 矢量变频器 02 供水专用 03 中频 1500HZ 04 中频 3000HZ 05 张力专用 06 CHV180 07 CHV130 08 CHV170 01 矢量变频器 02 中频 1500HZ 01 通用变频器 非 法数 02H 的地址;特别是,寄存器地址和 据地址 传输的字节数组合是无效的。 当接收到的数据域中包含的是不 非 法 数 允许的值。注意:它决不意味着 03H 据值 寄存器中被提交存储的数据项有 00 CHV 一个应用程序期望之外的值。 从 属设 06H 变频器忙(EPPROM 正在存储中) 备忙 密 码错 密 码 效 验 地 址 写 入 的 密 码 与 10H 误 P7.00 用户设置的密码不同 01 CHE 校 验 错 当上位机发送的帧信息中,RTU 11H 误 格式 CRC 校验位或 ASCII 格式 LRC 02 .92. CHF 第 9 章 通讯协议 10 功能参数简表 (变频器已对各参数的修改属性作 CHF 系列变频器的功能参数按功能 了自动检查约束,可帮助用户避免误修 分组,有 P0~PE 共 16 组,每个功能组 改。) 内包括若干功能码。功能码采用三级菜 第 7 列“序号”:为该功能码在整个 单,如“P8.08”表示为第 P8 组功能的 功能码中的排列序号,同时,也表示通讯 第 8 号功能码,PE 为厂家功能参数,用 时的寄存器地址。 户无权访问该组参数。 2、“参数进制”为十进制(DEC), 为了便于功能码的设定,在使用操 若参数采用十六进制表示,参数编辑时其 作面板进行操作时,功能组号对应一级 每一位的数据彼此独立,部分位的取值范 菜单,功能码号对应二级菜单,功能码 围可以是十六进制的(0~F)。 参数对应三级菜单。 3、“缺省值”为当进行恢复出厂参 1、功能表的列内容说明如下: 数操作时,功能码参数被刷新后的数值; 第 1 列“功能码”:为功能参数组 但实际检测的参数值或记录值,则不会被 及参数的编号; 刷新。 第 2 列“名称”:为功能参数的完 4、为了更有效地进行参数保护,变 整名称; 频器对功能码提供了密码保护。设置了用 第 3 列“参数详细说明”:为该功 户密码(即用户密码 P7.00 的参数不为 0) 能参数的详细描述 后,在用户按 PRG/ESC 键进入功能码编辑 第 4 列“设定范围”:为功能参数 状态时,系统会先进入用户密码验证状态, 的有效设定值范围,在操作面板 LCD 液 显示的为“0.0.0.0.0.”,操作者必须正 晶显示器上显示; 确输入用户密码,否则无法进入。对于厂 第 5 列“缺省值”:为功能参数的 家设定参数区,则还需正确输入厂家密码 出厂原始设定值; 后才能进入。(提醒用户不要试图修改厂 第 6 列“更改”:为功能参数的更 家设定参数,若参数设置不当,容易导致 改属性(即是否允许更改和更改条件), 变频器工作异常甚至损坏。)在密码保护 说明如下: 未锁定状态,可随时修改用户密码,用户 “○”:表示该参数的设定值在变 密码以最后一次输入的数值为准。P7.00 设 频器处于停机、运行状态中,均可更改; 定为 0,可取消用户密码;上电时若 P7.00 “◎”:表示该参数的设定值在变 非 0 则参数被密码保护。 频器处于运行状态时,不可更改; 5、使用串行通讯修改功能码参数时, “●”:表示该参数的数值是实际 用户密码的功能同样遵循上述规则。 检测记录值,不能更改; .93. 第 10 章 功能参数简表 .94. 第 10 章 功能参数简表 功能码 名称 参数详细说明 缺省值 更改 序号 P0组 基本功能组 P0.00 变频器类型 P0.01 变频器额定功率 P0.02 变频器额定电流 0:G型机 机型确定 ◎ 0. 0.4~900.0kW 机型确定 ● 1. 0.0~2000.0A 机型确定 ● 2. 1:P型机 0:键盘指令通道(LED熄灭) P0.03 运行指令通道 1:端子指令通道(LED闪烁) 0 ◎ 3. 2:通讯指令通道(LED点亮) P0.04 最大输出频率 P0.05~400.00Hz 50.00Hz ◎ 4. P0.05 运行频率上限 P0.06~P0.04(最大频率) 50.00Hz ◎ 5. P0.06 运行频率下限 0.00 Hz~P0.05(运行频率上限) 0.00Hz ◎ 6. P0.07 加速时间0 0.1~3600.0s 机型确定 ○ 7. P0.08 减速时间0 0.1~3600.0s 机型确定 ○ 8. 0:直线V/F曲线 1:多点V/F曲线 P0.09 V/F曲线设定 2:1.3次幂降转矩V/F曲线 0 ◎ 9. 0.0% ○ 10. 机型确定 ○ 11. 3:1.7次幂降转矩V/F曲线 4:2.0次幂降转矩V/F曲线 P0.10 转矩提升 0.0%(自动),0.1%~10.0% P0.11 载波频率设定 0.5~15.0kHz P0.12 电机参数自学习 0:无操作 1:参数全面自学习 0 ◎ 12. 0 ◎ 13. 0 ◎ 14. 2: 参数静止自学习 P0.13 功能参数恢复 0:无操作 1:恢复缺省值 2:清除故障档案 P1组 起停控制组 P1.00 起动运行方式 0:直接起动 1:先直流制动再起动 2:转速追踪再起动(仅限7.5kW 及以上机型) .95. 第 10 章 功能参数简表 功能码 名称 参数详细说明 缺省值 更改 序号 1.50Hz ◎ 15. P1.01 直接起动开始频率 0.00~10.00Hz P1.02 起动频率保持时间 0.0~50.0s 0.0s ◎ 16. P1.03 起动前制动电流 0.0~150.0% 0.0% ◎ 17. P1.04 起动前制动时间 0.0~50.0s 0.0s ◎ 18. P1.05 加减速方式选择 0 ◎ 19. P1.06 停机方式选择 0 ○ 20. P1.07 停机制动开始频率 0.00~50.00Hz 0.00Hz ○ 21. P1.08 停机制动等待时间 0.0~50.0s 0.0s ○ 22. P1.09 停机直流制动电流 0.0~150.0% 0.0% ○ 23. P1.10 停机直流制动时间 0.0~50.0s 0.0s ○ 24. P1.11 正反转死区时间 0.0~3600.0s 0.0s ○ 25. 0 ◎ 26. 0 ○ 27. 0.0s ○ 28. 0 ○ 29. 0 ◎ 30. 0:直线型 1:保留 0:减速停车 1:自由停车 运行频率低于频率下限 0:以频率下限运行 P1.12 动作(频率下限大于0有 1:停机 效) 停电再起动选择 P1.13 ( 仅 限 7.5kW 及 以 上 机 型) 2:休眠待机 0:禁止再起动 1:允许再起动 再起动等待时间 P1.14 ( 仅 限 7.5kW 及 以 上 机 0.0~3600.0s(P1.13=1时有效) 型) P1.15 P1.16~ P1.18 上电端子运行保护选择 0:上电时端子运行命令无效 1:上电时端子运行命令有效 保留 P2组 电机参数组 P2.00 电机额定功率 0.4~900.0kW 机型确定 ◎ 33. P2.01 电机额定频率 0.01Hz~P0.04(最大频率) 50.00Hz ◎ 34. .96. 第 10 章 功能参数简表 功能码 名称 参数详细说明 缺省值 更改 序号 P2.02 电机额定转速 0~36000rpm 机型确定 ◎ 35. P2.03 电机额定电压 0~460V 机型确定 ◎ 36. P2.04 电机额定电流 0.8~2.000A 机型确定 ◎ 37. P2.05 电机定子电阻 0.001~65.535Ω 机型确定 ○ 38. P2.06 电机转子电阻 0.001~65.535Ω 机型确定 ○ 39. P2.07 电机定、转子电感 0.1~6553.5mH 机型确定 ○ 40. P2.08 电机定、转子互感 0.1~6553.5mH 机型确定 ○ 41. P2.09 电机空载电流 0.01~655.35A 机型确定 ○ 42. 50.00Hz ○ 43. 0 ○ 44. 0 ○ 45. 0 ○ 46. 0 ○ 47. 0 ○ 48. P3组 频率给定功能组 P3.00 键盘设定频率 0.00 Hz~P0.04(最大频率) 0:键盘设定 1:模拟量AI1设定 2:模拟量AI2设定 P3.01 A频率指令选择 3:高速脉冲HDI设定 4:简易PLC程序设定 5:多段速运行设定 6:PID控制设定 7:远程通讯设定 0:模拟量AI1设定 P3.02 B频率指令选择 1:模拟量AI2设定 2:高速脉冲设定(HDI) P3.03 P3.04 B频率指令参考对象选择 设定源组合方式 0:最大输出频率 1:A频率指令 0:A 1:B 2:A+B 3:Max(A,B) 0:有效,且变频器掉电存储 P3.05 键盘及端子UP/DOWN设定 1:有效,且变频器掉电不存储 2:键盘及端子UP/DOWN设定无效 3:运行时设置有效,停机时清零 .97. 第 10 章 功能参数简表 功能码 名称 参数详细说明 缺省值 更改 序号 5.00Hz ○ 49. P3.06 寸动运行频率 0.00~P0.04(最大频率) P3.07 寸动运行加速时间 0.1~3600.0s 机型确定 ○ 50. P3.08 寸动运行减速时间 0.1~3600.0s 机型确定 ○ 51. P3.09 跳跃频率1 0.00~P0.04(最大频率) 0.00Hz ○ 52. P3.10 跳跃频率2 0.00~P0.04(最大频率) 0.00Hz ○ 53. P3.11 跳跃频率幅度 0.00~P0.04(最大频率) 0.00Hz ○ 54. 0 ◎ 55. 0 ○ 56. 0 ◎ 57. 1 ○ 58. 0.0% ○ 59. 0 ◎ 60. 20.0% ◎ 61. P4组 辅助运行功能组 0:默认方向运行 P4.00 运行方向选择 1:相反方向运行 2:禁止反转运行 0:固定PWM类型 P4.01 PWM类型选择 P4.02 载频调整选择 P4.03 AVR功能选择 0:无效 1:全程有效 2:只在减速时无效 P4.04 V/F转差补偿限定 0.0~200.0% P4.05 节能运行选择 P4.06 转矩提升截止 P4.07 V/F频率点1 0.00Hz~P4.09 5.00Hz ○ 62. P4.08 V/F电压点1 0.0%~100.0%(电机额定电压) 10.0% ◎ 63. P4.09 V/F频率点2 P4.07~P4.11 30.00Hz ○ 64. P4.10 V/F电压点2 0.0%~100.0%(电机额定电压) 60.0% ◎ 65. P4.11 V/F频率点3 P4.09~P2.01(电机额定频率) 50.00Hz ○ 66. P4.12 V/F电压点3 0.0%~100.0%(电机额定电压) 100.0% ◎ 67. 1:随机PWM类型 0:载频不随温度调整 1:载频随温度调整 0:不动作 1:自动节能运行 0.0%~50.0%(相对电机额定频 率) .98. 第 10 章 功能参数简表 功能码 名称 参数详细说明 缺省值 更改 序号 0 ◎ 68. 1 ◎ 69. 4 ◎ 70. 7 ◎ 71. 0 ◎ 72. 0 ◎ 73. 5 ○ 74. P5组 输入端子组 P5.00 HDI输入类型选择 0:HDI为高速脉冲输入 1:HDI为开关量输入 0: 无功能 1: 正转运行 P5.01 S1端子功能选择 2: 反转运行 3: 三线式运行控制 4: 正转寸动 5: 反转寸动 6: 自由停车 7: 故障复位 P5.02 S2端子功能选择 8: 运行暂停 9: 外部故障输入 10:频率设定递增(UP) 11:频率设定递减(DOWN) 12:频率增减设定清除 13:A设定与B设定切换 14:(A+B)设定与A设定切换 15:(A+B)设定与B设定切换 P5.03 S3端子功能选择 16:多段速端子1 17:多段速端子2 18:多段速端子3 19:多段速端子4 20:多段速暂停 21:加减速时间选择1 22:加减速时间选择2 23:简易PLC停机复位 P5.04 S4端子功能选择 24:简易PLC暂停 25:PID控制暂停 26:摆频暂停(停在当前频率) 27:摆频复位(回到中心频率) 28:计数器复位 P5.05 29:长度复位 HDI端子开关量输入功能 30:加减速禁止 选择 31:计数器触发 32:频率增减设定暂时清除 33~39:保留 P5.06 开关量滤波次数 1~10 .99. 第 10 章 功能参数简表 功能码 P5.07 P5.08 名称 端子控制运行模式 端子UP/DOWN频 率增量变化率 参数详细说明 缺省值 更改 序号 0:两线式控制1 1:两线式控制2 2:三线式控制1 3:三线式控制2 0 ◎ 75. 0.01~50.00Hz/s 0.50Hz/s ○ 76. P5.09 AI1下限值 0.00V~10.00V 0.00V ○ 77. P5.10 AI1下限对应设定 -100.0%~100.0% 0.0% ○ 78. P5.11 AI1上限值 0.00V~10.00V 10.00V ○ 79. P5.12 AI1上限对应设定 -100.0%~100.0% 100.0% ○ 80. P5.13 AI1输入滤波时间 0.00s~10.00s 0.10s ○ 81. P5.14 AI2下限值 0.00V~10.00V 0.00V ○ 82. P5.15 AI2下限对应设定 -100.0%~100.0% 0.0% ○ 83. P5.16 AI2上限值 0.00V~10.00V 10.00V ○ 84. P5.17 AI2上限对应设定 -100.0%~100.0% 100.0% ○ 85. P5.18 AI2输入滤波时间 0.00s~10.00s 0.10s ○ 86. 0 ○ 87. 0.000kHz ○ 88. 0.0% ○ 89. 50.000kHz ○ 90. P5.19 HDI高速脉冲输入功能选 择 0:设定输入 1:长度计数值输入 2:高速计数输入 P5.20 HDI下限频率 0.000 kHz ~50.000kHz P5.21 HDI下限频率对应设定 -100.0%~100.0% P5.22 HDI上限频率 0.000 kHz~50.000kHz P5.23 HDI上限频率对应设定 -100.0%~100.0% 100.0% ○ 91. P5.24 HDI频率输入滤波时间 0.00s~10.00s 0.10s ○ 92. .100. 第 10 章 功能参数简表 功能码 名称 参数详细说明 缺省值 更改 序号 0 ○ 93. 1 ○ 94. 4 ○ 95. 0 ○ 96. 0 ○ 97. 0 ○ 98. P6组 输出端子组 0:开路集电极高速脉冲输出 P6.00 HDO输出选择 P6.01 0:无输出 HDO开路集电极输出选择 1:电机运行中 1:开路集电极输出 2:电机正转运行中 3:电机反转运行中 P6.02 继电器1输出选择 4:故障输出 5:频率水平检测FDT输出 6:频率到达 7:零速运行中 8:设定记数值到达 9:指定记数值到达 10:长度到达 11:简易PLC阶段完成 继电器2输出选择 P6.03 12:简易PLC循环完成 ( 仅 4.0kW 及 以 上 功 率 13:运行时间到达 有) 14:上限频率到达 15:下限频率到达 16:运行准备就绪 17:辅助电机1起动 18:辅助电机2起动 19~20:保留 P6.04 P6.05 0:运行频率 1:设定频率 2:运行转速 3:输出电流 AO输出选择 4:输出电压 5:输出功率 6:输出转矩 7:模拟AI1输入值 8:模拟AI2输入值 9:脉冲频率HDI输入值 HDO开路集电极高速脉冲 10:长度值 输出选择 11:记数值 12:保留 P6.06 AO输出下限 0.0%~100.0% 0.0% ○ 99. P6.07 下限对应AO输出 0.00V ~10.00V 0.00V ○ 100. .101. 第 10 章 功能参数简表 功能码 名称 参数详细说明 缺省值 更改 序号 P6.08 AO输出上限 0.0%~100.0% 100.0% ○ 101. P6.09 上限对应AO输出 0.00V ~10.00V 10.00V ○ 102. P6.10 HDO输出下限3 0.00%~100.00% 0.00% ○ 103. P6.11 下限对应HDO输出 0.000~50.000kHz 0.000kHz ○ 104. P6.12 HDO输出上限3 0.00%~100.00% 100.00% ○ 105. P6.13 上限对应HDO输出 0.000~50.000kHz 50.000kHz ○ 106. P7组 人机界面组 P7.00 P7.01~ P7.02 用户密码 0~65535 0 ○ 107. 保留 保留 0 ○ 108. 0 ○ 110. 0 ○ 111. 0 ○ 112. 0:寸动运行 1:正转反转切换 2:清除UP/DOWN设定 3:快速调试模式1(按固定菜单 P7.03 QUICK/JOG键功能选择 调试) 4:快速调试模式2(按最近顺序 调试) 5:快速调试模式3(按非出厂参 数调试) 0:只对面板控制有效 P7.04 STOP/RST 键停机功能选 1:对面板和端子控制同时有效 择 2:对面板和通讯控制同时有效 3:对所有控制模式均有效 0:外引键盘优先使能 1:本机、外引键盘同时显示,只 外引按键有效 P7.05 键盘显示选择 2:本机、外引键盘同时显示,只 本机按键有效 3:本机、外引键盘同时显示且按 键均有效(两者为或的逻辑关系) .102. 第 10 章 功能参数简表 功能码 名称 参数详细说明 缺省值 更改 序号 P7.06 0~0xFFFF BIT0:运行频率(Hz灯亮) BIT1:设定频率(Hz灯闪烁) BIT2:母线电压(V灯亮) BIT3:输出电压(V灯亮) BIT4:输出电流(A灯亮) BIT5:运行转速(RMP灯亮) BIT6:线速度(无单位) 运行状态显示的参数选 BIT7:输出功率(%灯亮) 择1 BIT8:输出转矩(%灯亮) BIT9:PID给定值(%灯闪) BIT10:PID反馈值(%灯亮) BIT11:输入端子状态(无单位) BIT12:输出端子状态(无单位) BIT13:长度值(无单位) BIT14:计数值(无单位) BIT15:PLC及多段速当前段数(无 单位) 0x07FF ○ 113. P7.07 0~0xFFFF BIT0:模拟量AI1值(V灯亮) BIT1:模拟量AI2值(V灯亮) BIT2:高速脉冲HDI频率(无单位) 运行状态显示的参数选 BIT3:电机过载百分比(%灯亮) 择2 BIT4:变频器过载百分比(%灯亮) BIT5:变频器运行时间(以分钟 为单位) BIT6~15:保留 0x0000 ○ 114. P7.08 0~0xFFFFF BIT0:设定频率(数码管全闪 Hz 灯亮) BIT1:母线电压(V灯亮) BIT2:输入端子状态(无单位) BIT3:输出端子状态(无单位) 停机状态显示的参数选 BIT4:PID给定值(%灯闪) 择 BIT5:PID反馈值(%灯亮) BIT6:模拟量AI1值(V灯亮) BIT7:模拟量AI2值(V灯亮) BIT8:高速脉冲HDI频率(无单位) BIT9:PLC及多段速当前段数(无 单位) BIT10~ BIT15:保留 0x00FF ○ 115. .103. 第 10 章 功能参数简表 功能码 名称 参数详细说明 缺省值 更改 序号 100.0% ○ 116. 1.0% ○ 117. 0.1~999.9% P7.09 转速显示系数 机 械 转 速 =120 × 运 行 频 率 × P7.09/电机极数 0.1~999.9% P7.10 线速度显示系数 P7.11 整流桥模块温度 0~100.0℃ ● 118. P7.12 逆变模块温度 0~100.0℃ ● 119. P7.13 软件版本 P7.14 本机累积运行时间 0~65535h ● 121. P7.15 前两次故障类型 0:无故障 122. P7.16 前一次故障类型 线速度=机械转速×P7.09 ● 120. 1:逆变单元U相保护(OUt1) 2:逆变单元V相保护(OUt2) 123. 3:逆变单元W相保护(OUt3) 4:加速过电流(OC1) 5:减速过电流(OC2) 6:恒速过电流(OC3) 7:加速过电压(OV1) 8:减速过电压(OV2) 9:恒速过电压(OV3) 10:母线欠压故障(UV) 11:电机过载(OL1) 12:变频器过载(OL2) P7.17 当前故障类型 13:输入侧缺相(SPI) 14:输出侧缺相(SPO) 124. 15:整流模块过热(OH1) 16:逆变模块过热故障(OH2) 17:外部故障(EF) 18:通讯故障(CE) 19:电流检测故障(ItE) 20:电机自学习故障(tE) 21:EEPROM操作故障(EEP) 22:PID反馈断线故障(PIDE) 23:制动单元故障(bCE) 24:保留 P7.18 当前故障运行频率 ● 125. .104. 第 10 章 功能参数简表 功能码 名称 参数详细说明 缺省值 更改 序号 P7.19 当前故障输出电流 ● 126. P7.20 当前故障母线电压 ● 127. P7.21 当前故障输入端子状态 ● 128. P7.22 当前故障输出端子状态 ● 129. P8组 增强功能组 P8.00 加速时间1 0.1~3600.0s 机型确定 ○ 130. P8.01 减速时间1 0.1~3600.0s 机型确定 ○ 131. P8.02 加速时间2 0.1~3600.0s 机型确定 ○ 132. P8.03 减速时间2 0.1~3600.0s 机型确定 ○ 133. P8.04 加速时间3 0.1~3600.0s 机型确定 ○ 134. P8.05 减速时间3 0.1~3600.0s 机型确定 ○ 135. P8.06 摆频幅度 0.0~100.0%(相对设定频率) 0.0% ○ 136. P8.07 突跳频率幅度 0.0~50.0%(相对摆频幅度) 0.0% ○ 137. P8.08 摆频上升时间 0.1~3600.0s 5.0s ○ 138. P8.09 摆频下降时间 0.1~3600.0s 5.0s ○ 139. P8.10 故障自动复位次数 0~3 0 ○ 140. 1.0s ○ 141. P8.11 故障自动复位间隔时间 设置 0.1~100.0s P8.12 设定长度 0~65535m 0m ○ 142. P8.13 实际长度 0~65535m 0m ● 143. P8.14 轴每转脉冲数 1~10000 1 ○ 144. P8.15 轴周长 0.01~1000.00cm 10.00cm ○ 145. P8.16 长度倍数 0.001~10.000 1.000 ○ 146. P8.17 长度校正系数 0.001~1.000 1.000 ○ 147. P8.18 设定记数值 P8.19~65535 0 ○ 148. .105. 第 10 章 功能参数简表 功能码 名称 参数详细说明 缺省值 更改 序号 P8.19 指定记数值 0~P8.18 0 ○ 149. P8.20 设定运行时间 0~65535h 65535h ○ 150. P8.21 FDT电平检测值 0.00~P0.04(最大频率) 50.00Hz ○ 151. P8.22 FDT滞后检测值 0.0~100.0%(FDT电平) 5.0% ○ 152. P8.23 频率到达检出幅度 0.0~100.0%(最大频率) 0.0% ○ 153. P8.24 下垂控制 0.00~10.00Hz 0.00Hz ○ 154. 0 ○ 155. 0:没有辅助电机 P8.25 辅助电机有效选择 1:辅助电机1有效 2:辅助电机2有效 3:辅助电机1、2都有效 P8.26 辅助电机1起停延迟时间 0.0~3600.0s 5.0s ○ 156. P8.27 辅助电机2起停延迟时间 0.0~3600.0s 5.0s ○ 157. 115.0~140.0%(标准母线电压) (380V机型) P8.28 130.0% 制动阀值电压 ○ 158. 115.0~140.0%(标准母线电压) (220V机型) P8.29 冷却散热风扇运行模式 P8.30 抑制振荡 P8.31 PWM模式选择 0:正常运行模式 1:上电一直运行 0:抑制振荡有效 1:抑制振荡无效 120.0% 0 ○ 159. 1 ○ 160. 0 ◎ 161. 0 ○ 162. 0:PWM模式1 1:PWM模式2 2:PWM模式3 P9组 PID控制组 0:键盘给定(P9.01) 1:模拟通道AI1给定 P9.00 PID给定源选择 2:模拟通道AI2给定 3:脉冲频率给定(HDI) 4:多段给定 5:远程通讯给定 .106. 第 10 章 功能参数简表 功能码 P9.01 名称 键盘预置PID给定 参数详细说明 0.0%~100.0% 缺省值 更改 序号 0.0% ○ 163. 0 ○ 164. 0 ○ 165. 0:模拟通道AI1反馈 1:模拟通道AI2反馈 P9.02 PID反馈源选择 2:AI1+AI2反馈 3:脉冲频率反馈(HDI) 4:远程通讯反馈 0:PID输出为正特性 P9.03 PID输出特性选择 P9.04 比例增益(Kp) 0.00~100.00 1.00 ○ 166. P9.05 积分时间(Ti) 0.01~10.00s 0.10s ○ 167. P9.06 微分时间(Td) 0.00~10.00s 0.00s ○ 168. P9.07 采样周期(T) 0.01~100.00s 0.10s ○ 169. P9.08 PID控制偏差极限 0.0~100.0% 0.0% ○ 170. P9.09 反馈断线检测值 0.0~100.0% 0.0% ○ 171. P9.10 反馈断线检测时间 0.0~3600.0s 1.0s ○ 172. 0 ○ 173. 0 ○ 174. 1:PID输出为负特性 PA组 简易PLC及多段速控制组 0:运行一次后停机 1:运行一次后保持最终值运行 2:循环运行 PA.00 简易PLC方式 PA.01 简易PLC记忆选择 PA.02 多段速0 -100.0~100.0% 0.0% ○ 175. PA.03 第0段运行时间 0.0~6553.5s(m) 0.0s ○ 176. PA.04 多段速1 -100.0~100.0% 0.0% ○ 177. PA.05 第1段运行时间 0.0~6553.5s(m) 0.0s ○ 178. PA.06 多段速2 -100.0~100.0% 0.0% ○ 179. PA.07 第2段运行时间 0.0~6553.5s(m) 0.0s ○ 180. PA.08 多段速3 -100.0~100.0% 0.0% ○ 181. PA.09 第3段运行时间 0.0~6553.5s(m) 0.0s ○ 182. 0:掉电不记忆 1:掉电记忆 .107. 第 10 章 功能参数简表 功能码 名称 参数详细说明 缺省值 更改 序号 PA.10 多段速4 -100.0~100.0% 0.0% ○ 183. PA.11 第4段运行时间 0.0~6553.5s(m) 0.0s ○ 184. PA.12 多段速5 -100.0~100.0% 0.0% ○ 185. PA.13 第5段运行时间 0.0~6553.5s(m) 0.0s ○ 186. PA.14 多段速6 -100.0~100.0% 0.0% ○ 187. PA.15 第6段运行时间 0.0~6553.5s(m) 0.0s ○ 188. PA.16 多段速7 -100.0~100.0% 0.0% ○ 189. PA.17 第7段运行时间 0.0~6553.5s(m) 0.0s ○ 190. PA.18 多段速8 -100.0~100.0% 0.0% ○ 191. PA.19 第8段运行时间 0.0~6553.5s(m) 0.0s ○ 192. PA.20 多段速9 -100.0~100.0% 0.0% ○ 193. PA.21 第9段运行时间 0.0~6553.5s(m) 0.0s ○ 194. PA.22 多段速10 -100.0~100.0% 0.0% ○ 195. PA.23 第10段运行时间 0.0~6553.5s(m) 0.0s ○ 196. PA.24 多段速11 -100.0~100.0% 0.0% ○ 197. PA.25 第11段运行时间 0.0~6553.5s(m) 0.0s ○ 198. PA.26 多段速12 -100.0~100.0% 0.0% ○ 199. PA.27 第12段运行时间 0.0~6553.5s(m) 0.0s ○ 200. PA.28 多段速13 -100.0~100.0% 0.0% ○ 201. PA.29 第13段运行时间 0.0~6553.5s(m) 0.0s ○ 202. PA.30 多段速14 -100.0~100.0% 0.0% ○ 203. PA.31 第14段运行时间 0.0~6553.5s(m) 0.0s ○ 204. PA.32 多段速15 -100.0~100.0% 0.0% ○ 205. PA.33 第15段运行时间 0.0~6553.5s(m) 0.0s ○ 206. 0 ○ 207. PA.34 简易PLC第0~7段的加减 速时间选择 0~0xFFFF .108. 第 10 章 功能参数简表 功能码 名称 参数详细说明 PA.35 简易PLC第8~15段的加 0~0xFFFF 减速时间选择 PA.36 PLC再启动方式选择 PA.37 多段时间单位选择 0:从第0段开始重新运行 1:从中断时刻的阶段频率继续运 行 0:秒 1:分钟 缺省值 更改 序号 0 ○ 208. 0 ◎ 209. 0 ◎ 210. 1 ○ 211. 1 ○ 212. 2 ◎ 213. 100.0% ○ 214. PB组 保护参数组 PB.00 输入缺相保护 PB.01 输出缺相保护 PB.02 电机过载保护选择 0:禁止 1:允许 0:禁止 1:允许 0:不保护 1:普通电机(带低速补偿) 2:变频电机(不带低速补偿) 20.0%~120.0% (变频器额定电 PB.03 电机过载保护电流 流) PB.04 瞬间掉电降频点 70.0~110.0%(标准母线电压) 80.0% ○ 215. PB.05 瞬间掉电频率下降率 0.00Hz~P0.04(最大频率) 0.00Hz ○ 216. PB.06 过压失速保护 1 ○ 217. 0:禁止 1:允许 380V:130% PB.07 过压失速保护电压 110~150% ○ 218. 220V:120% G型:160% PB.08 自动限流水平 50~200% ○ 219. P型:120% PB.09 限流时频率下降率 PB.10 限流动作选择 0.00~100.00Hz/s 10.00Hz/s ○ 220. 0 ○ 221. 0:限流一直有效 1:限流恒速时无效 .109. 第 10 章 功能参数简表 功能码 名称 参数详细说明 缺省值 更改 序号 1 ○ 222. 4 ○ 223. 1 ○ 224. 5 ○ 225. 0.0s ○ 226. 1 ○ 227. PC组 串行通讯组 PC.00 本机通讯地址 1~247,0为广播地址 0:1200bps 1:2400bps PC.01 通讯波特率设置 2:4800bps 3:9600bps 4:19200bps 5:38400bps 0:无校验(N,8,1)for RTU 1:偶校验(E,8,1)for RTU 2:奇校验(O,8,1)for RTU 3:无校验(N,8,2)for RTU 4:偶校验(E,8,2)for RTU 5:奇校验(O,8,2)for RTU 6:无校验(N,7,1)for ASCII 7:偶校验(E,7,1)for ASCII PC.02 数据格式 8:奇校验(O,7,1)for ASCII 9:无校验(N,7,2)for ASCII 10:偶校验(E,7,2)for ASCII 11:奇校验(O,7,2)for ASCII 12:无校验(N,8,1)for ASCII 13:偶校验(E,8,1)for ASCII 14:奇校验(O,8,1)for ASCII 15:无校验(N,8,2)for ASCII 16:偶校验(E,8,2)for ASCII 17:奇校验(O,8,2)for ASCII PC.03 通讯应答延时 0~200ms PC.04 通讯超时故障时间 0.0(无效),0.1~100.0s 0:报警并自由停车 1:不报警并继续运行 PC.05 通讯错误处理动作选择 2:不报警按停机方式停机(仅通 讯控制方式下) 3:不报警按停机方式停机(所有 控制方式下) .110. 第 10 章 功能参数简表 功能码 名称 参数详细说明 缺省值 更改 序号 0000 ○ 228. LED个位为0:写操作有回应 LED个位为1:写操作无回应 PC.06 通讯处理动作选择 LED十位为0:通讯设定值掉电不 存储 LED十位为1:通讯设定值掉电存 储 PD组 补充功能组 Pd.00 抑制振荡低频阀值点 0~500 5 ○ 229. Pd.01 抑制振荡高频阀值点 0~500 100 ○ 230. Pd.02 抑制振荡限幅值 0~10000 5000 ○ 231. 12.50Hz ○ 232. 0 ○ 233. 0 ● 234. ***** ○ 239. Pd.03 Pd.04 Pd.05~ Pd.09 抑制振荡高低频分界频 率 过调制选择 保留 0.00Hz~P0.04(最大频率) 0:过调试无效 1:过调制有效 0~1 PE组 厂家功能组 PE.00 厂家密码 0~65535 .111. 第 10 章 功能参数简表 深圳市英威腾电气股份有限公司 保修卡 客户名称: 深圳市英威腾电气股份有限公司 详细地址: 邮编: 联系人: 电话: 传真: 产品编号: 产品型号: 使用设备: 匹配电机: 购买日期: 供货单位: 联系人: 电话: 维修员: 电话: 合格证 检验员: 生产日期: 本产品经我们品质控制、品质保证部门 检验, 其性能参数符合随机附带 《使用说明书》 标准,准许出厂。 维修日期: .112. 第 10 章 功能参数简表 保修条款 本公司郑重承诺,自用户从我公司(以下简称厂家)购买产品之日起,用户享有如下产品售后保修服务。 1、本产品自用户从厂家购买之日起,实行为期 18 个月的免费保修(出口国外/非标机产品除外)。 2、本产品自用户从厂家购买之日起一个月内发生质量问题,厂家包退、包换、包修。 3、本产品自用户从厂家购买之日起三个月内发生质量问题,厂家包换、包修。 4、本产品自用户从厂家购买之日起,享有有偿终生服务。 5、免责条款:因下列原因造成的产品故障不再厂家 18 个月免费保修服务承诺范围之内: (1)用户不依照《产品说明书》中所列程序进行正确的操作; (2)用户未经与厂家沟通自行修理产品或擅自改造产品造成产品故障; (3)用户超过产品的标准使用范围使用产品引发产品故障; (4)因用户使用环境不良导致产品器件异常老化或引发故障; (5)由于地震、火灾、风水灾害、雷击、异常电压或其它自然灾害等不可抗力的原因造成的产品损坏; 用户购买产品后在运输过程中因运输方式选择不当发生跌损或其它外力侵入导致产品损耗; (运输方式由用户合理选择,本公司协助代为 办理托运手续) 6、在下列情况下,厂家有权不予提供保修服务: (1)厂家在产品中标示的品牌、商标、序号、铭牌等标识会损或无法辨认时; (2)用户未按双方签订的《购销合同》付清货款时; (3)用户对厂家的售后服务提供单位故意隐瞒产品在安装、配线、操作、维护或其它过程中的不但使用情况时。 .113.

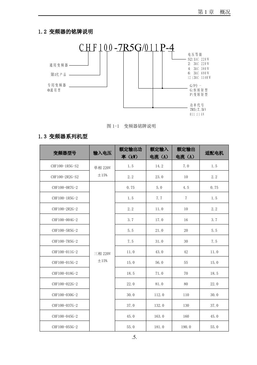
英威腾CHF100-011G-2型变频器说明书



