SKHL_ALPS.pdf
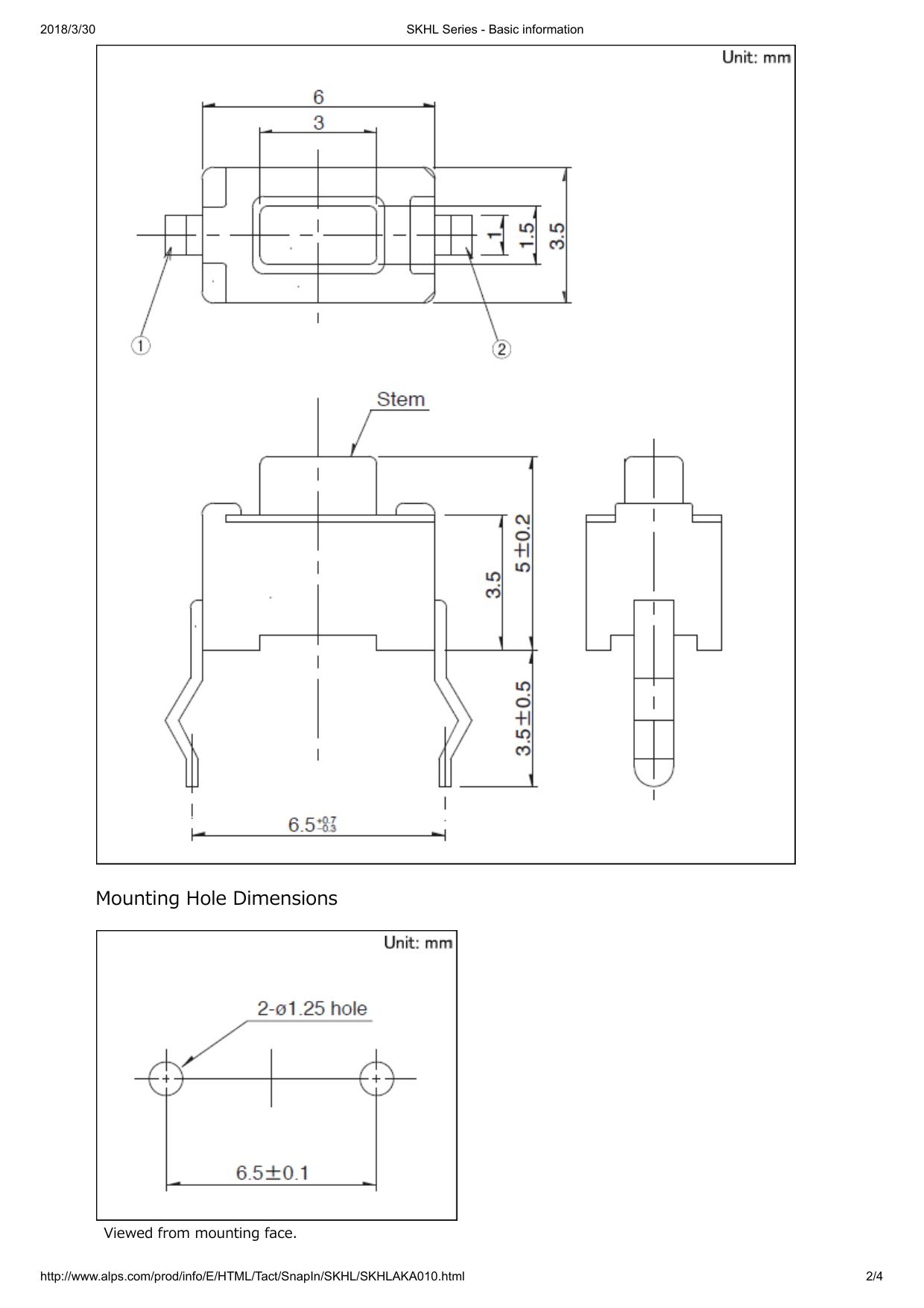
2018/3/30 SKHL Series - Basic information 6.0×3.5mm Compact Type (Snap-in) SKHL Series Top push type Type Snap-in Operating force 2.55N Operating direction Top push Travel 0.25mm Operating life (5mA 12V DC) 30,000 cycles Initial contact resistance 500mΩ max. Stem color Red Stem height h=5mm Series type Sharp feeling type Operating temperature range -40℃ to +90℃ Rating (max.) 50mA 12V DC Rating (min.) 10µA 1V DC Electrical performance Durability Insulation resistance 100MΩ min. 100V DC for 1min. Voltage proof 250V AC for 1 min. Vibration 10 to 55 to 10Hz/min., the amplitude is 1.5mm for all the frequencies, in the 3 direction of X, Y and Z for 2 hours respectively Environmental performance Cold -40±2℃ for 96h Dry heat 90±2℃ for 96h Damp heat 60±2℃, 90 to 95%RH for 96h Minimum order unit Japan (pcs.) Export 1,000 1,000 Dimensions http://www.alps.com/prod/info/E/HTML/Tact/SnapIn/SKHL/SKHLAKA010.html 1/4 2018/3/30 SKHL Series - Basic information Mounting Hole Dimensions Viewed from mounting face. http://www.alps.com/prod/info/E/HTML/Tact/SnapIn/SKHL/SKHLAKA010.html 2/4 2018/3/30 SKHL Series - Basic information Circuit Diagram Packing Specifications Bulk Number of packages 1 case / Japan (pcs.) 1 case / export 10,000 30,000 packing Export package measurements (mm) 309×476×347 Soldering Conditions Conditions for Auto-dip Items Condition Flux built-up Mounting surface should not be exposed to flux Preheating temperature Ambient temperature of the soldered surface of PC board. 100℃ max. Preheating time 60s max. Soldering temperature 260℃ max. Duration of immersion 5s max. Number of soldering 2 times max. Manual Soldering Items Condition Soldering temperature 350℃ max. Duration of soldering 3s max. Capacity of soldering iron 60W max. http://www.alps.com/prod/info/E/HTML/Tact/SnapIn/SKHL/SKHLAKA010.html 3/4 2018/3/30 SKHL Series - Basic information 1. Consult with us for availability of TACT switch™ washing. 2. Prevent flux penetration from the top side of the TACT switch™. 3. Switch terminals and a PC board should not be coated with flux prior to soldering. 4. The second soldering should be done after the switch returns to normal temperature. 5. Use the flux with a specific gravity of at least 0.81. (EC-19s-8 by TAMURA Corporation, or their equivalents.) Notes are common to this series/models. 1. This site catalog shows only outline specifications. When using the products, please obtain formal specifications for supply. 2. Please use 1.6mm thick PC boards. 3. Please place purchase orders per minimum order unit (integer). 4. This products can be used in vehicles. Although these products are designed to perform over a wide operating temperature range, please ensure that you receive and read the formal delivery specifications before use. http://www.alps.com/prod/info/E/HTML/Tact/SnapIn/SKHL/SKHLAKA010.html 4/4

SKHL_ALPS.pdf


