SRBE_ALPS.pdf
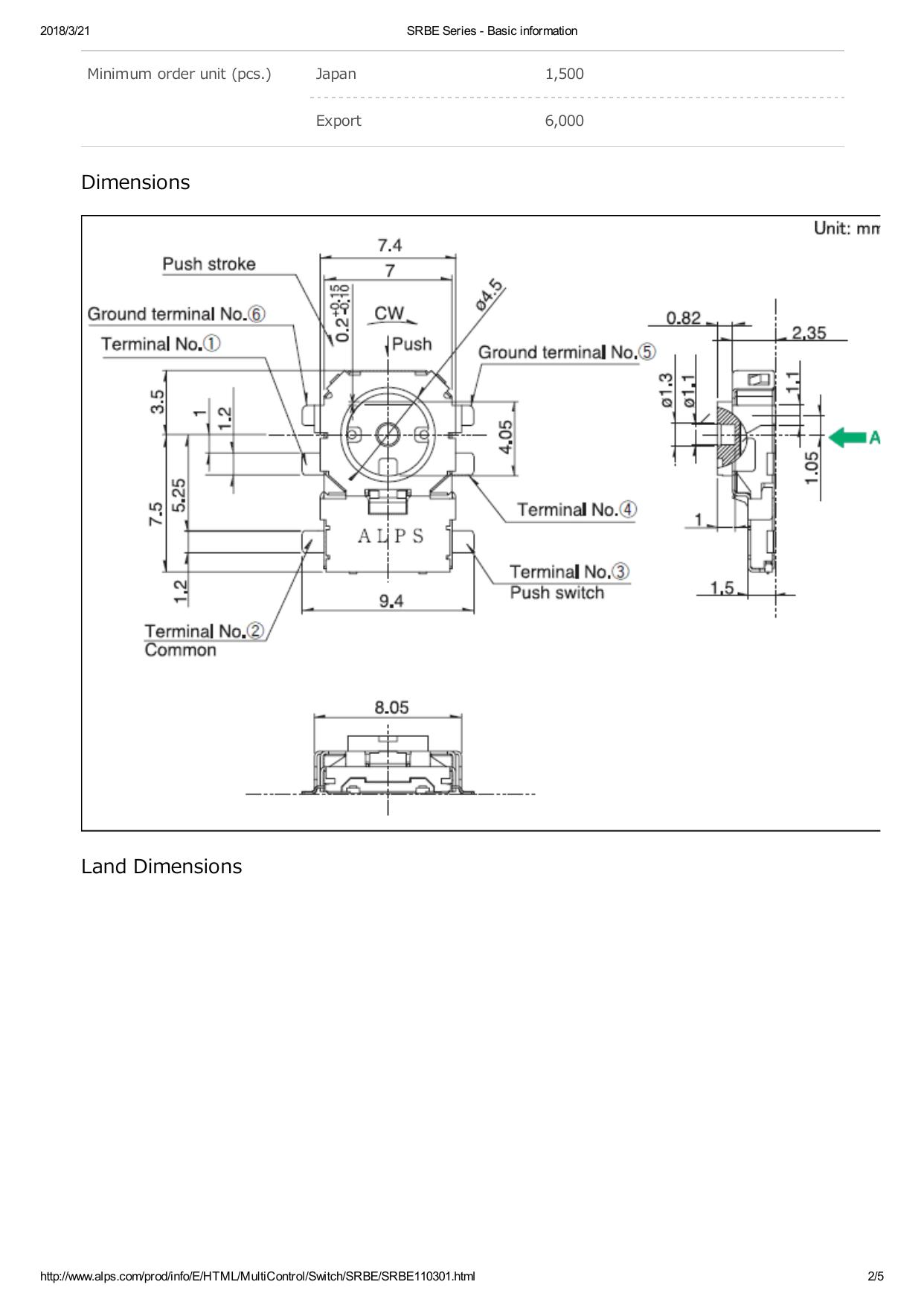
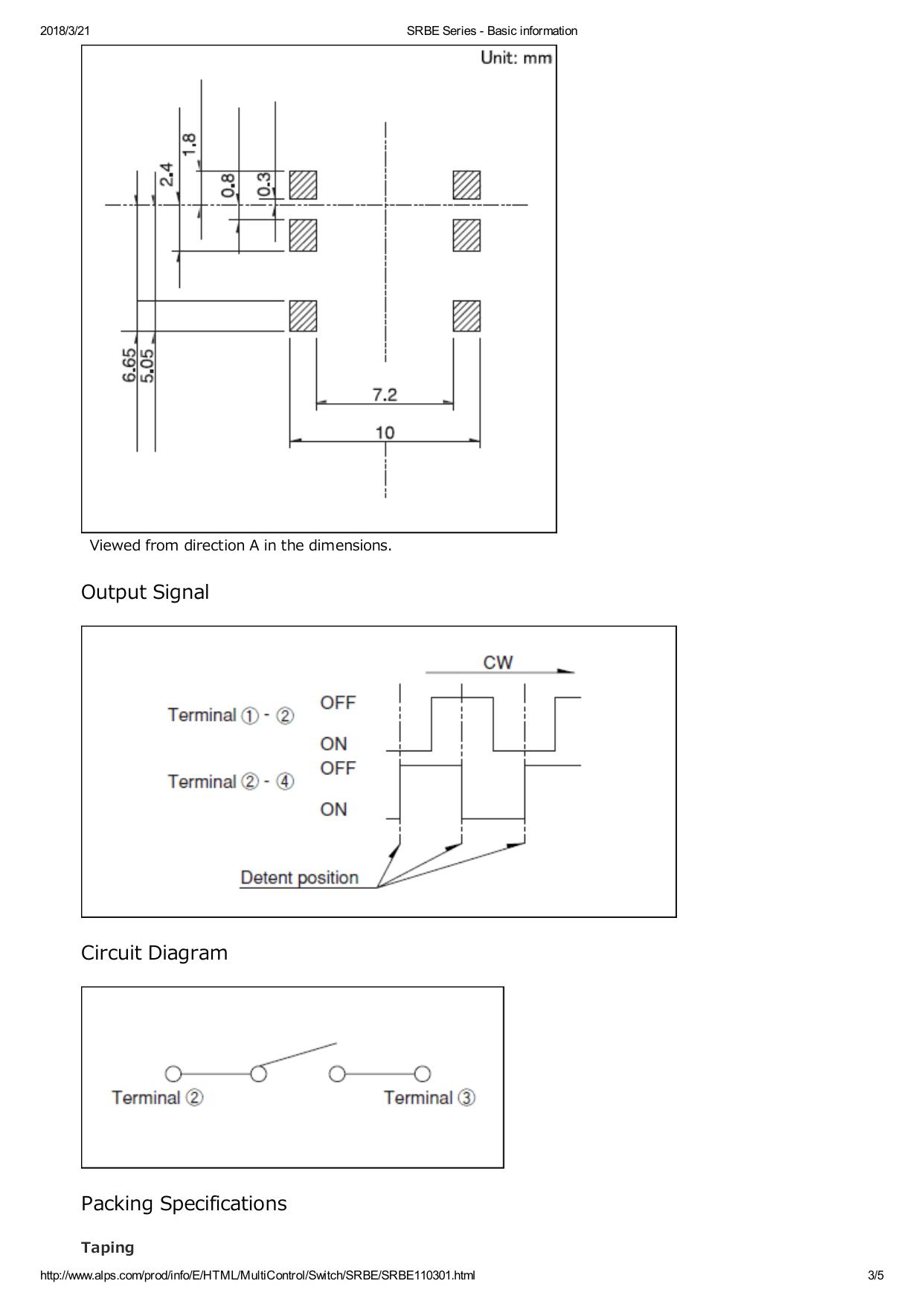
2018/3/21 SRBE Series - Basic information Encoder and Push Operation Type SRBE Series Number of operating shafts Single-shaft Shaft material Resin Number of detent 12 Number of pulse 6 Operating direction Horizontal Mounting method Standard Travel (Push operation) 0.2mm Operating temperature range -10℃ to +60℃ Ratings (max.)/(min.) (Resistive load) 1mA 5V DC/50µA 3V DC Electrical performance Output voltage 1V max. at 1mA 5V DC (Resistive load) Insulation resistance 10MΩ min. 50V DC Voltage proof 50V AC for 1 minute Push operating force 3.5±1.5N Encoders detent torque 3±2mN·m Actuator strength Push/pull directions 50N Operating life Center push 100,000 cycles Encoder 100,000 cycles Mechanical performance Durability Environmental performance Cold -30±2℃ for 96h Dry heat 85±2℃ for 96h Damp heat 40±2℃, 90 to 95%RH for 96h http://www.alps.com/prod/info/E/HTML/MultiControl/Switch/SRBE/SRBE110301.html 1/5 2018/3/21 Minimum order unit (pcs.) SRBE Series - Basic information Japan 1,500 Export 6,000 Dimensions Land Dimensions http://www.alps.com/prod/info/E/HTML/MultiControl/Switch/SRBE/SRBE110301.html 2/5 2018/3/21 SRBE Series - Basic information Viewed from direction A in the dimensions. Output Signal Circuit Diagram Packing Specifications Taping http://www.alps.com/prod/info/E/HTML/MultiControl/Switch/SRBE/SRBE110301.html 3/5 2018/3/21 SRBE Series - Basic information Number of packages 1 reel (pcs.) 1,500 1 case / Japan 3,000 1 case / export packing 6,000 Tape width (mm) 24 Export package measurements (mm) 428×413×172 Soldering Condition Example of Reflow Soldering Condition 1. Heating method: Double heating method with infrared heater. 2. Temperature measurement: Thermocouple 0.1 to 0.2 Φ CA (K) or CC (T) at solder joints (copper foil surface). A heat resisting tape should be used to fix thermocouple. 3. Temperature profile A B C D E http://www.alps.com/prod/info/E/HTML/MultiControl/Switch/SRBE/SRBE110301.html F G H I No. of reflows 4/5 2018/3/21 260℃ SRBE Series - Basic information 230℃ 180℃ 150℃ 2 min. - - 40s - 1 time (1) The condition mentioned above is the temperature on the mounting surface of a PC board. There are cases where the PC board's temperature greatly differs from that of the switch, depending on the PC board's material, size, thickness, etc. The above-stated conditions shall also apply to switch surface temperatures. (2) Soldering conditions differ depending on reflow soldering machines. Prior verification of soldering condition is highly recommended. Reference for Hand Soldering Tip temperature 350±5℃ Soldering time 3s max. No. of solders 1 time Notes are common to this series/models. 1. This site catalog shows only outline specifications. When using the products, please obtain formal specifications for supply. 2. Please place purchase orders for taping products per minimum order unit (1 reel or a case). http://www.alps.com/prod/info/E/HTML/MultiControl/Switch/SRBE/SRBE110301.html 5/5

SRBE_ALPS.pdf



