铜仁职业技术学院实验室废水处理整改工程报价表(无单价).xls
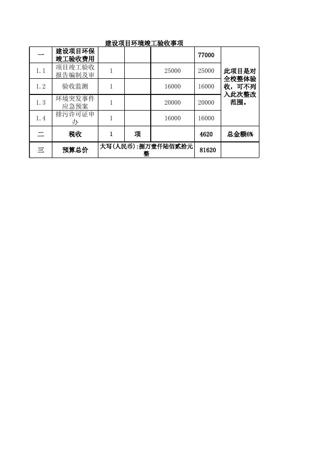
附表一 铜仁职业技术学院实验室废水处理整改工程预算表 序号 一 二 名 称 型号与材质 联塑PVC外 径160*厚度 4mm 废水处理设备 管道 数量 单位 500 米 3 套 单价(元 金额(元 ) ) 75 2.1 品牌:泰兴 机械 地埋式污水处理 设备 LTLDDB型3*2*3m 1 套 48000 2.2 品牌:泰兴 地埋式污水处理 机械 设备 LTLDDB型5*4*4 1 套 59000 2.3 品牌:泰兴 机械 地埋式污水处理 设备 LTLDDB型3*2*3m 1 套 48000 三 雨水沟盖板 水泥盖板 品牌:鸿谢 建材 50*60cm 30 块 80 树脂盖板 品牌:鸿谢 建材 50*50cm 40 块 40 3.3 铁质盖板 品牌:鸿谢 建材 50*100cm 10 块 60 四 废气排放及处理装置 3.1 3.2 4.1 废气排放装置 品牌:万达 工具 净化换气抽 风机 P=330W 8 套 2500 备注 功能:用于 实验室废水 排放 功能:对实 验室废水进 行预处理 处理量: 160(m³/h) 功能:对实 验室废水进 行预处理 处理量: 180(m³/h) 功能:对实 验室废水进 行预处理 处理量: 160(m³/h) 功能:对实 验室实验过 程中产生废 气进行排放 附表一 铜仁职业技术学院实验室废水处理整改工程预算表 序号 4.2 名 废气处理装置 五 5.1 5.2 5.3 七 型号与材质 品牌:弘浩 光电 二级干式吸 附装置 10000风量 1500*1000* 1100mm 数量 5 单位 套 单价(元 金额(元 ) ) 备注 4500 功能:对废 气排放装置 排放口废气 进行处理后 排放 100 医学院安装 废水管道时 墙顶部吊顶 设施的拆卸 及更换 2500 医学院安装 废水管道时 需涉及打通 墙体 工程中心大 楼安装废水 管道时会拆 卸和更换围 栏 损坏设备更换 墙顶部吊顶 修复损坏墙体 围栏 六 6.1 称 品牌:松下 建材 吊顶每片4 ㎡ 0.5*0.5*1m 高1.8m*宽 2m 20 1 块 项 3 套 900 2 桶 850 铁质部件养护 金属油漆 标识牌 品牌:立邦 容量18L 铁质 60*80cm 3 块 300 地埋式污水 处理设备处 须树立标识 牌 小计 八 安装费用 1 项 九 土石方的开挖、 填埋、运输 3 项 9.1 医学院土石方的 土石方量 开挖、填埋、运 3*2*3m、修 输、修建挡墙 建设备挡墙 1 项 总造价12% 15000 用于填埋地 埋式污水处 理设备 附表一 铜仁职业技术学院实验室废水处理整改工程预算表 序号 名 称 型号与材质 9.2 工程中心大楼土 土石方量 石方的开挖、填 5*4*4m、修 埋、运输、修建 建设备挡墙 挡墙 9.3 工学院土石方的 土石方量 开挖、填埋、运 3*2*3m、修 输、修建挡墙 建设备挡墙 数量 1 单位 项 单价(元 金额(元 ) ) 备注 25000 用于填埋地 埋式污水处 理设备 1 项 15000 用于填埋地 埋式污水处 理设备 十 破路、恢复 10.1 医学院道路土石 方的开挖、恢复 土石方量 3*1*0.5m 1 项 5000 用于铺设废 水管道 工程中心道路土 石方的开挖、恢 复 工学院道路土石 方的开挖、恢复 土石方量 5*1*1m 1 项 8000 用于铺设废 水管道 土石方量 6*1*1m 1 项 10000 用于铺设废 水管道 地砖 30*60cm 50 块 60 用于道路恢 复 1 项 3000 1 项 10.2 10.3 10.4 十一 前期调试运行 十二 税收 十三 预算总价 大写(人民币): 总金额6% 0 建设项目环境竣工验收事项 一 1.1 1.2 1.3 1.4 建设项目环保 竣工验收费用 项目竣工验收 报告编制及审 查 验收监测 环境突发事件 应急预案 排污许可证申 办 二 税收 三 预算总价 77000 1 25000 25000 1 16000 16000 1 20000 20000 1 16000 16000 1 项 大写(人民币):捌万壹仟陆佰贰拾元 整 4620 81620 此项目是对 全校整体验 收,可不列 入此次整改 范围。 总金额6%

铜仁职业技术学院实验室废水处理整改工程报价表(无单价).xls


