秦岭文库(kunmingchi.com)你想要的内容这里独有!

全域旅游示范区创建项目.pdf

Heart plug(心塞)4 页 71.24 KB下载文档
全域旅游示范区创建项目.pdf全域旅游示范区创建项目.pdf全域旅游示范区创建项目.pdf全域旅游示范区创建项目.pdf
当前文档共4页 下载后继续阅读

全域旅游示范区创建项目.pdf

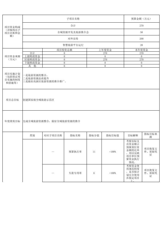
苏州高新区财政支出项目绩效目标申报表 (2021年度) 申报单位名称: 文化体育和旅游局 项目名称 全域旅游示范区创建 项目类型 公共事业类√ 政策类□ 信息化工程及维护类□ 设备购置及维护类□ 基本建设及维护类□ 是否政府采购 是√ 否□ 是否政府购买 服务 是□ 否√ 项目属性 区立项目√ 部门预算项目√ 政府性基金预算项目□ 国有资本经营预算项目□ 社会保险基金预算项目□ 项目负责人 曹琴 联系人 钱玮琦 联系电话 68750659 项目年度 2021 项目概况 项目经费主要用于完善区内旅游基础设施建设、拓展旅游市场、鼓励开发旅游资源、整治旅游市场秩序、 改善旅游发展的基础条件、发挥智慧旅游新应用等。 项目设立依据 (相关批文名 称) 苏府办【2020】110市政府办公室关于印发苏州市进一步激发文化和旅游消费潜力创建国家文化和旅游消费 示范城市行动方案的通知、苏高新办【2020】68号以及苏州市高质量考核相关要求。 项目设立的必 要性 旅游业是战略性产业,资源消耗低,带动系数大,就业机会多,综合效益好。 当前日益增长的大众化、多样化消费需求为旅游业发展提供了新的机遇,做好全域旅游,可以充分发挥旅 游业在保增长、扩内需、调结构等方面的积极作用。 综上原因,特设立此项目。 保障项目实施 的制度、措施 加强内控制度建设与内控制度落实执行工作,由各处室具体执行项目各工作环节,跟踪项目进度,确保执 行进度,规范资金使用。 本项目上年度 区级财政资金 使用情况 预算内安排资 金(万元) 实际支出资金 (万元) 预算执行率( %) 270 270 100% 财政拨付资金( 万元) 资金到位率(% ) 270 100% 项目资金构成 (详细列出子 项目名称和金 额) 项目资金来源 (万元) 子项目名称 预算金额(万元) 合计 270 全域资源开发及旅游推介会 50 对外宣传 200 智慧旅游平台运行 20 项目投资总额 0 0 0 0 0 合计 上级财政资金 区级财政资金 下级财政资金 其 他 项目实施计划 (包括保证项 目实施的制度 和措施等) 一是旅游资源的整合。 二是旅游资源品质提升 三是做好高新区旅游资源的推介推广。 项目总目标 创建国家级全域旅游示范区 年度绩效目标 完成全域旅游资源整合,做好全域旅游资源的推介 类别 对应子项目名称 指标名称 上年度资金 270 0 270 0 0 指标分值 指标目标值 — 预算执行率 11 =100% — 专款专用率 6 =100% 本年度资金 270 0 270 0 0 目标解释 考察实际支 出资金额占 预算到位资 金额的比率 ,用以反映 项目单位预 算资金执行 情况。 考察资金使 用规范程度 ,是否按计 划完全使用 在指定项目 上。 指标目标来 源 项目批复文 件、原始凭 证 项目批复文 件、原始凭 证 — 财务制度健全性 6 健全 投入 分解目标 — 产出 结果 影响力 资金使用合规性 6 健全 — 政府采购规范性 4 规范 — 资金节约率 2 15%及其以下 智慧旅游平台运 行 智慧对平台的维 护运行 5 100 对外宣传 宣传方式渠道 20 =3类 全域资源开发及 旅游推介会 旅游促销场次数 10 =1次 智慧旅游平台运 行 维护移动旅游咨 询点 5 =27个 全域资源开发及 旅游推介会 参会知名企业及 媒体数 5 =30个 对外宣传 吸引游客人流量 10 =300万 — 旅游总收入增长 率 10 6 考察财务管 理制度是否 健全。其中 ,重点考察 关键性资金 所涉及的财 务制度、或 其他制度的 关键性条款 ,例如国库 集中支付制 度、专项资 金管理办法 等;考察项 目单位的内 部财务管理 制度、会计 核算制度的 完整性和合 法性,是否 符合有关财 务管理制度 的规定。 资金使用是 否按照计划 进行,是否 存在支出依 据不合规、 虚列项目支 出的情况, 是否存在超 标准开支情 况。 考察政府采 购申请规范 性、政府采 购计划备案 规范性、信 息发布规范 及及时性、 采购流程规 范性等,反 映政府采购 的合规性。 考察中标价 格与采购预 算的偏差情 况。 财务管理制 度文件 合同、原始 凭证 政府采购相 关制度文件 、中标通知 书、合同、 协议等 项目单位提 供文件 备注 填报单位负责 人(签名): 曹琴 填报人: 钱玮琦 填报日期: 2020-10-21

相关文章