ZT-TR43S无线数传模块使用手册
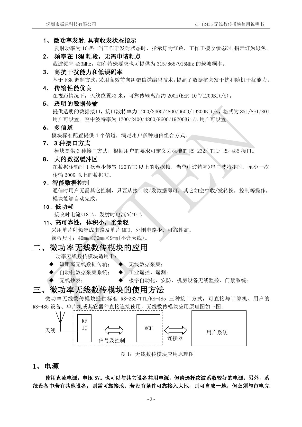
深圳市振通科技有限公司 ZT-TR43S 无线数传模块使用说明书 Z T - T R43S 无线数传模块使用说明书 深圳市振通科技有限公司 电话: (0755)29994393、29994346 传真: (0755)29994384 E-mail:ztten@126.com Http://www.ztten.com.cn 地址: 深圳市宝安三区龙井路 1 号东江豪苑 20F C2 邮政编码:518101 目录 -1- 深圳市振通科技有限公司 ZT-TR43S 无线数传模块使用说明书 一、微功率无线数传模块特点 二、微功率无线数传模块的应用 三、微功率无线数传模块的使用方法 四.无线模块的组网应用及编程时注意事项 五.微功率无线数传模块的技术指标 六、选型指南 七、技术支持及售后服务 深圳市振通科技有限公司生产的微功率无线数传模块,是一种短距离无线数据传输产品,用户在 使用本产品前,请详细阅读本说明书,以确保能够正确使用。 一、微功率无线数传模块特点: -2- 深圳市振通科技有限公司 ZT-TR43S 无线数传模块使用说明书 1、微功率发射,具有收发状态指示 发射功率为 10mW;当工作于发射状态时,指示灯为红色,工作于接收状态时,指示灯为绿色。 2、 频率在 ISM 频段,无需申请频点 载波频率 433MHz,如有特殊要求也可提供为 315/868/915MHz 的载波频率。 3、 高抗干扰能力和低误码率 基于 FSK 调制方式,采用高效前向纠错信道编码技术,提高了数据抗突发干扰和随机干扰能力。 4、 传输性能优良 -6 在视距情况下,天线位置>3 米,可靠传输离距约 200m(BER=10 /1200Bit/S)。 5、 透明的数据传输 提供透明的数据接口,接口波特率为 1200/2400/4800/9600/19200Bit/s,格式为 8N1/8E1/8O1 用户可设置。空中波特率为 1200/2400/4800/9600/19200Bit/s 用户可设置。 6、 多信道 模块标准配置提供 4 个信道,满足用户多种通信组合方式。 7、 3 种接口方式 模块提供 3 种接口方式,根据用户的要求可定义为标准的 RS-232/ TTL/ RS-485 接口。 8、 大的数据缓冲区 在数据传输时 1 次至少转输 120BYTE 以上的数据帧,当空中波特率>串口波特率时,至少一次 传输 200K 以上的数据帧。 9、 智能数据控制 通信时用户无需其它控制,只要从接口收/发数据即可,其它如空中收/发转换,控制等操作, 模块能够自动完成。 10、 低功耗 接收时电流<18mA,发射时电流≤40mA 11、高可靠性,体积小,重量轻 采用单片射频集成电路及单片 MCU,外围电路少,可靠性高。 裸板尺寸:40mm×30mm×9mm(不含天线)。 二、微功率无线数传模块的应用 功率无线数传模块适用于: ◆ 短距离无线数据传输; ◆ 无线数据采集; ◆ 自动化数据采集系统; ◆ 工业遥控、遥测; ◆ 无线抄表; 楼宇自动化、安防、机房设备无线监控、门禁系统; ◆ 三、微功率无线数传模块的使用方法 微功率无线数传模块提供标准 RS-232/TTL/RS-485 三种接口方式,可直接与计算机、用户的 RS-485 设备、单片机或其它器件直接连接使用,无线数传模块应用原理图如下图: 天线 RF IC MCU 用户系统 连接器 信号及控制 图 1:无线数传模块应用原理图 1、电源 使用直流电源,电压 5V。也可以与其它设备共用电源,但请选择纹波系数较好的电源。另外,系 统设备中若有其他设备,则需可靠接地。若没有条件可靠接入大地,则可自成一地,但必须与市电完 -3- 深圳市振通科技有限公司 ZT-TR43S 无线数传模块使用说明书 全隔离。 2.、与终端设备的连接如图 2 图 2 终端设备连接图 3、模块接口的定义: 数传模块 排针序号 说 明 电 平 连接到终端 1 SGND 信号地 信号地 2 RXD RS-232/TTL 收数据 TXD 3 TXD RS-232/TTL 发数据 RXD 4 VCC 正电源 5 GND 电源地 6 A RS-485A 端口 7 B RS-485B 端口 8 SLEEP 休眠控制(输入) TTL 休眠信号(高电平休眠) 9 RESET 复位信号(输入) TTL 复位信号(负脉冲复位) 备 注 4、信道、接口、数据格式设定; 1、 设置方法及查看: 用户使用无线数传模块之前,需要根据自己的需要进行简单的配置,以确定信道、接口方式和数 -4- 深圳市振通科技有限公司 ZT-TR43S 无线数传模块使用说明书 据格式(若数据口格式与客户设备参数一致时,则无需更改)。 用户将 ZT-TR43S 无线数传模块与计算机正确连接(注意:无线模块数据接口不是 RS232 的,需 要用相应的转接器);确认无误后,给无线模块接上电源(注意:电源正负极千万不要接反以及电压不 能超出标准,否则会损坏无线模块;由此造成的责任用户自负); 2、 操作步骤: 运行 ZT-TR43S-B 参数设置软件,按以下图示进行操作(也可参考设置软件下的帮助内容)。 先执行《电台检测》当提示检测到电台后,按以下提示操作: 修改无线模块参数请按以下提示操作: -5- 深圳市振通科技有限公司 ZT-TR43S 无线数传模块使用说明书 修改完无线模块参数后,可利用本软件来对无线模块进行一个简单的数据收发测试,需要二个无线 模块分别接二台电脑,按以下提示操作: 1、将一台无线模块设为主收 -6- 深圳市振通科技有限公司 ZT-TR43S 无线数传模块使用说明书 将另外一台无线模块设为主发: 这样二台无线模块就可以自动的进行了数据传输测试。当无线模块工作于发射状态时,指示灯为红色; 工作于接收状态时,指示灯为绿色。 当用本软件指定无线模块为主收或主发时,只是针对本软件;若不用本软件时,无线模块无主收 或主发的区分。 A:信道及频点 表 4:信道与频率对照表 信道号 频 率 信道号 频 率 1 428MHZ 2 429MHZ 3 433MHZ 4 435MHZ -7- 深圳市振通科技有限公司 ZT-TR43S 无线数传模块使用说明书 B:接口方式选择: 无线数传模块提供 RS-232/ TTL/ RS-485 3 种接口方式,用户在订货时须明确接口类型。 四.无线模块的组网应用及编程时注意事项 无线数传模块 最适合点对多点的通信方式,这种方式首先要设 1 个主站,其余为从站,所有站都 编一个唯一的地址码(ID 码)。通信的协调完全由主站控制,主站采用带地址码的数据帧发送数据或命 令,从站全部都接收,并将接收到的地址码与本地地址码比较,不同则将数据全部丢掉,不做任何响 应;地址码相同,则证明数据是给本地的,从站根据传过来的数据或命令进行不同的响应,将响应的 数据发送回去。这些工作都需要上层协议来完成,并可保证在任何一个瞬间,通信网中只有一个电台 处于发送状态,以免相互干扰。 无线数传模块也可以用于点对点通信,使用更加简单,在对串口编程时,注意收发的来回时序就 可以了。 五.微功率无线数传模块的技术指标 表 5:技术指标 序 号 技 术 指 标 参 数 备 1 调 制 方 式 FSK 2 工 作 频 率 428~435MHZ 3 发 射 功 率 ≤10mW 4 接收灵敏度 -107dBm 5 发 射 电 流 ≤40mA 6 接 收 电 流 ≤18mA 7 接 口 速 率 1200/2400/4800/9600/19200/Bit/s 8 接口数据格式 8E1/8N1/8O1 9 工 作 电 源 +5V 10 工 作 温 度 -25℃~60℃ 11 工 作 湿 度 10%~90%相对湿度,无冷凝 12 外 形 尺 寸 40mm×30mm×9mm 13 天线接头方式 SMA 座 用户可选 直流 六、选型指南 本书所描述产品型号为:ZT-TR43S,型号说明如下,选购时请写明详细型号。 ZT – XX XX X 企业缩写 功率或功能 产品类型 工作频率 注:产品命名方式 企业缩写 ZT( 振通科技) 产品类型 TR(无线数传电台) 工作频率 23(223—235Mhz) 46(453—470Mhz) 功率: A:代表功率 5W 以上 D:代表功率 0.1W B:代表功率 5W C:代表功率 20mW E:代表功率 500MW S:代表功率 10mW -8- 注 43 (433M) 深圳市振通科技有限公司 ZT-TR43S 无线数传模块使用说明书 七、技术支持及售后服务 我公司免费为用户使用和二次开发提供良好的技术支持,对产品质量实行三包。 注:出厂时参数设置: 出厂时所配附件: 信道 CH1 说明书 一份 串口波特率 9600bps 9 针插排线 一条 空中波特率 9600bps 433M 小天线 一支 检验位 无检验 -9-

ZT-TR43S无线数传模块使用手册



