附件1 公路养护作业单位资质申请标准.docx
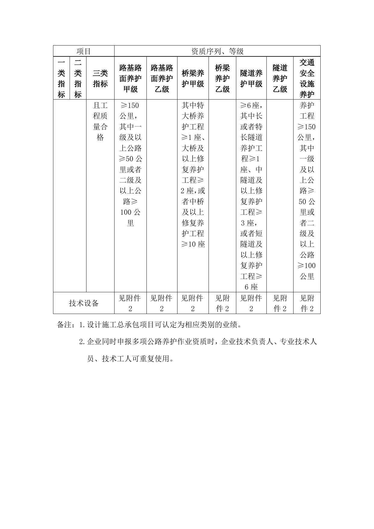
附件 1 公路养护作业单位资质申请标准 一 类 指 标 财 务 指 标 技 术 人 员 项目 二 类 三类 指 指标 标 净资产 技 术 负 责 人 资质序列、等级 路基路 面养护 甲级 >3000 万元, 近三年 财务主 要指标 状况良 好。 路基路 面养护 乙级 桥梁养 护甲级 >1000 >2000 万元, 万元, 近三年 近三年 财务主 财务主 要指标 要指标 状况良 状况良 好。 好。 隧道 养护 乙级 交通 安全 设施 养护 >800 万元, >2000 近三 万元, 年财 近三年 >800 务主 财务主 万元 要指 要指标 标状 状况良 况良 好。 好。 > 1500 万元 桥梁 养护 乙级 从事 公路 工程 管理 >10 年 >6 年 >10 年 >6 年 的工 作经 历 具有 公路 工程 相关 是 是 是 是 专业 高级 职称 近 10 公路路 公路路 大桥及 大桥 年累 基路面 基路面 以上公 及以 计完 各类养 各类养 路桥梁 上预 成相 护工程 护工程 修复养 防养 应业 ≥100 ≥70 公 护工程 护工 绩,且 公里, 里,其 ≥2 座, 程≥1 工程 其中二 中二级 其中特 座、中 质量 级及以 及以上 大桥≥ 桥及 合格 上公路 公路≥ 1座 以上 隧道养 护甲级 >10 年 >6 年 >10 年 是 是 是 公路隧 公路 公路 道土建 长隧 交通 结构修 道及 安全 复养护 以上 设施 工程≥ 土建 养护 2 座, 结构 工程 其中长 养护 ≥100 或者特 工程 公里, 长隧道 ≥1 座、 其中 一 类 指 标 项目 二 类 三类 指 指标 标 资质序列、等级 路基路 面养护 甲级 路基路 面养护 乙级 桥梁养 护甲级 ≥50 公 30 公里 里 专 业 技 术 人 员 桥梁 养护 乙级 隧道养 护甲级 隧道 养护 乙级 修复 养护 工程 ≥1 座 ≥1 座 中隧 道及 以上 土建 结构 修复 养护 工程 ≥1 座 ≥15 人 ≥10 人 交通 安全 设施 养护 一级 及以 上公 路≥ 40 公 里 专业 技术 人员 合计 ≥20 人 ≥10 人 ≥15 人 ≥10 人 公路 工程 专业 二级 及以 上注 册建 造师 一级注 册建造 师≥1 人或者 二级及 以上注 册建造 师≥4 人 一级注 册建造 ≥2 人 ≥3 人 ≥2 人 师≥1 人 公路 工程 相关 专业 中级 及以 上职 称人 员 中高 级会 计师 中高 ≥2 人 一级注 册建造 师≥1 人 ≥10 人 ≥10 人, 其中高 ≥5 人 级≥2 人 ≥8 人, ≥8 人, 其中高 其中高 ≥3 人 ≥5 人 ≥6 人 级≥2 级≥2 人 人 ≥1 人 ≥1 人 ≥1 人 ≥1 人 ≥1 人 ≥1 人 ≥1 人 ≥1 人 要求不 ≥1 人 要求 ≥1 人 要求 要求 项目 一 二 类 类 三类 指 指 指标 标 标 级经 济师 或者 二级 及以 上造 价工 程师 从事 公路 工程 的技 术工 人合 计 从事 公路 工程 技 的中 术 级及 工 以上 人 等级 技术 工人 从事 公路 工程 的初 级技 术工 人 近5年 企业业 完成 绩 相应 业绩, 资质序列、等级 路基路 面养护 甲级 路基路 面养护 乙级 桥梁养 护甲级 桥梁 养护 乙级 限 不限 ≥30 人 ≥20 人 ≥20 人 ≥10 人 隧道养 护甲级 ≥20 人 不限 交通 安全 设施 养护 不限 ≥10 人 ≥10 人 隧道 养护 乙级 高 级 高级 高级 高级工 高级工 高级工 高级工 工≥2 工≥2 工≥2 ≥6 人, ≥3 人, ≥4 人, ≥4 人, 人,中 人,中 人,中 中级工 中级工 中级工 中级工 级 工 级工 级工 ≥12 人 ≥6 人 ≥8 人 ≥8 人 ≥3 人 ≥3 人 ≥3 人 要求不 限 要求不 限 要求不 限 公路路 基路面 修复养 护工程 公路桥 要求不 梁养护 限 工程≥ 10 座, 要求 不限 要求不 限 要求 不限 公路隧 道土建 结构养 护工程 要求 不限 要求 不限 要求 不限 公路 交通 安全 设施 一 类 指 标 项目 二 类 三类 指 指标 标 且工 程质 量合 格 技术设备 资质序列、等级 路基路 面养护 甲级 路基路 面养护 乙级 ≥150 公里, 其中一 级及以 上公路 ≥50 公 里或者 二级及 以上公 路≥ 100 公 里 见附件 2 桥梁养 护甲级 桥梁 养护 乙级 其中特 大桥养 护工程 ≥1 座、 大桥及 以上修 复养护 工程≥ 2 座,或 者中桥 及以上 修复养 护工程 ≥10 座 见附件 2 见附件 2 见附 件2 隧道养 护甲级 隧道 养护 乙级 ≥6 座, 其中长 或者特 长隧道 养护工 程≥1 座、中 隧道及 以上修 复养护 工程≥ 3 座, 或者短 隧道及 以上修 复养护 工程≥ 6座 见附件 见附 2 件2 交通 安全 设施 养护 养护 工程 ≥150 公里, 其中 一级 及以 上公 路≥ 50 公 里或 者二 级及 以上 公路 ≥100 公里 见附 件2 备注:1.设计施工总承包项目可认定为相应类别的业绩。 2.企业同时申报多项公路养护作业资质时,企业技术负责人、专业技术人 员、技术工人可重复使用。

附件1 公路养护作业单位资质申请标准.docx 


