EC35A_ALPS.pdf
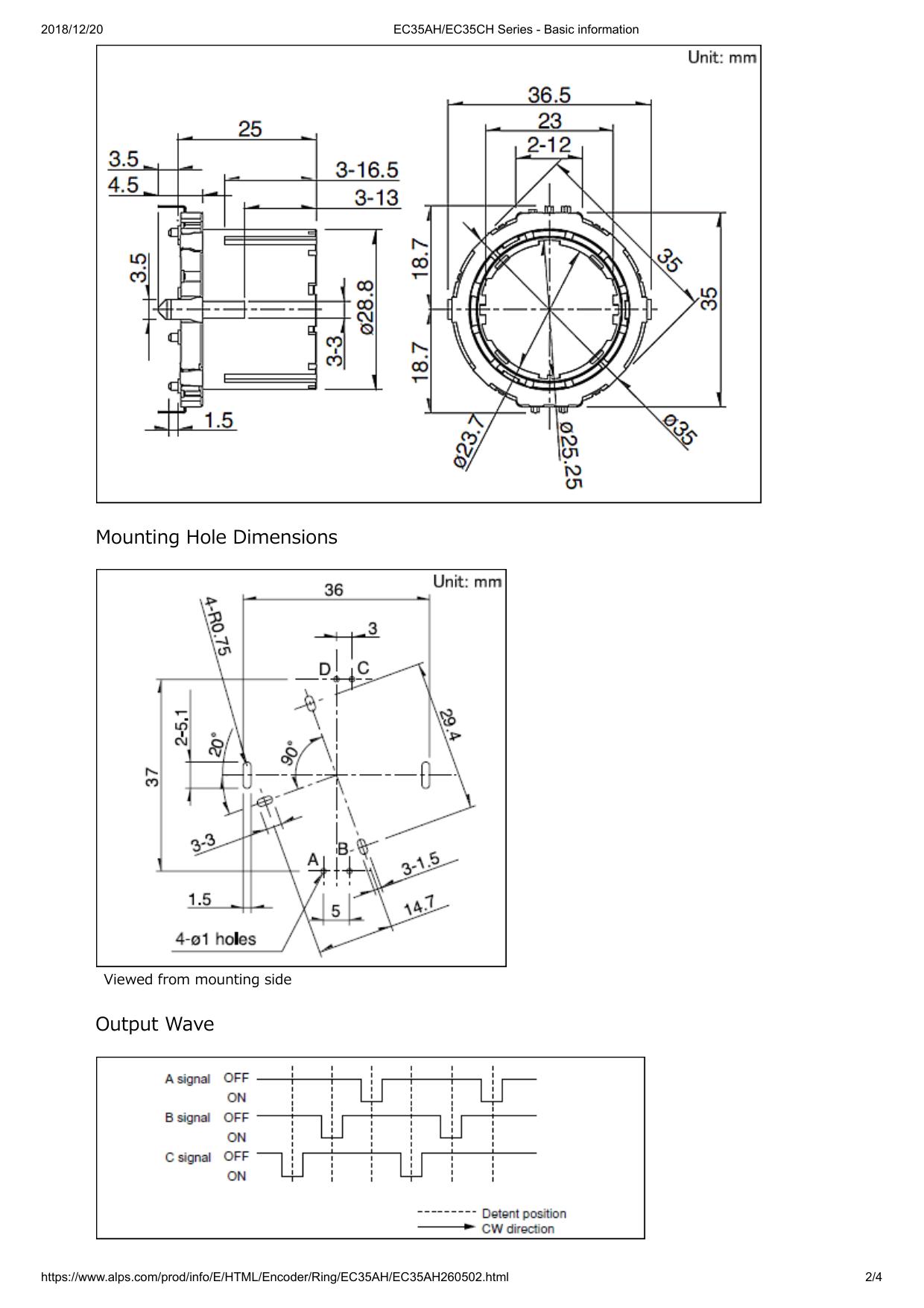
2018/12/20 EC35AH/EC35CH Series - Basic information 35mm Size ABC Switch Type EC35AH/EC35CH Series Actuator length 25mm Detent torque 30±15mN·m Number of detent 30 Number of pulse 10 Operating temperature range -40℃ to +85℃ Electrical performance Ratings 10mA 5V DC Output signal Three phase A,B and C Max./min. operating current(Resistive load) 10mA/1mA Insulation resistance 100MΩ min. 250V DC Voltage proof 300V AC for 1 minute or 360V AC for 2s Mechanical performance Durability Actuator strength Pushing direction 100N Pulling direction 100N Operating life Minimum order unit (pcs.) 50,000 cycles Japan 350 Export 700 Dimensions https://www.alps.com/prod/info/E/HTML/Encoder/Ring/EC35AH/EC35AH260502.html 1/4 2018/12/20 EC35AH/EC35CH Series - Basic information Mounting Hole Dimensions Viewed from mounting side Output Wave https://www.alps.com/prod/info/E/HTML/Encoder/Ring/EC35AH/EC35AH260502.html 2/4 2018/12/20 EC35AH/EC35CH Series - Basic information Sliding Noise V1=V2=2.5V max. At R = 5kΩ Chattering : 5ms max. Bounce : 5ms max. Packing Specifications Tray Number of packages 1 case / Japan (pcs.) 1 case / export packing Export package measurements (mm) 350 700 540×360×380 Soldering Conditions Reference for Dip Soldering Preheating Dip soldering Soldering surfacetemperature 100℃ max. Heating time 2 min. max. Soldering temperature 260±5℃ Soldering time 5±1s No. of solders 2 time max. Reference for Hand Soldering Tip temperature 350℃ max. Soldering time 3s max. No. of solders 1 time Notes are common to this series/models. https://www.alps.com/prod/info/E/HTML/Encoder/Ring/EC35AH/EC35AH260502.html 3/4 2018/12/20 EC35AH/EC35CH Series - Basic information 1. This site catalog shows only outline specifications. When using the products, please obtain formal specifications for supply. 2. Please place purchase orders per minimum order unit (integer). 3. This products can be used in vehicles. Although these products are designed to perform over a wide operating temperature range, please ensure that you receive and read the formal delivery specifications before use. https://www.alps.com/prod/info/E/HTML/Encoder/Ring/EC35AH/EC35AH260502.html 4/4

EC35A_ALPS.pdf


