秦岭文库(kunmingchi.com)你想要的内容这里独有!

福建省人力资源和社会保障厅.pdf

Resurgam3 页 69.534 KB下载文档
福建省人力资源和社会保障厅.pdf福建省人力资源和社会保障厅.pdf福建省人力资源和社会保障厅.pdf
当前文档共3页 下载后继续阅读

福建省人力资源和社会保障厅.pdf

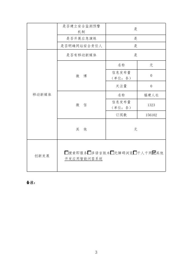
政府网站工作年度报表 (2020 年度) 填报单位:福建省人力资源和社会保障厅 网站名称 福建省人力资源和社会保障厅 首页网址 http://rst.fujian.gov.cn/ 主办单位 福建省人力资源和社会保障厅 网站类型 部门网站 政府网站标识码 3500000048 闽公网安备 ICP 备案号 闽 ICP 备 09007626 号 独立用户访问总 网站总访问量 8212534 (单位:次) 专栏专题 (单位:个) 35010202000 072 号 0 量(单位:个) 信息发布 (单位:条) 公安机关备案号 总数 4320 概况类信息更新量 12 政务动态信息更新量 4099 信息公开目录信息更新量 209 维护数量 8 新开设数量 1 解读信息发布 总数 (单位:条) 解读材料数量 (单位:条) 解读产品数量 (单位:个) 媒体评论文章数量 (单位:篇) 解读回应 回应公众关注热点或 重大舆情数量(单位: 次) 0 是否发布服务事项目录 是 1 73 37 25 3 办事服务 注册用户数 (单位:个) 政务服务事项数量 (单位:项) 可全程在线办理 政务服务事项数量 (单位:项) 办件量 (单位:件) 是否使用统一平台 42 10 总数 5652 自然人办件量 190 法人办件量 5462 是 收到留言数量 (单位:条) 办结留言数量 (单位:条) 平均办理时间 (单位:天) 公开答复数量 (单位:条) 征集调查期数 (单位:期) 收到意见数量 (单位:条) 公布调查结果期数 (单位:期) 访谈期数 (单位:期) 网民留言数量 (单位:条) 答复网民提问数量 (单位:条) 留言办理 互动交流 征集调查 在线访谈 是否提供智能问答 安全防护 35500000 安全检测评估次数 (单位:次) 发现问题数量 (单位:个) 问题整改数量 (单位:个) 是 4 12 12 2 2653 2637 2 327 9 15 8 12 49 49 是否建立安全监测预警 机制 是 是否开展应急演练 是 是否明确网站安全责任人 是 是否有移动新媒体 是 微 博 名称 无 信息发布量 (单位:条) 0 关注量 0 名称 福建人社 信息发布量 (单位:条) 1323 订阅数 156102 移动新媒体 微 其 创新发展 信 他 无 搜索即服务 多语言版本 开发应用智能问答系统 备注: 3 无障碍浏览 千人千网 其他

相关文章